登录社区云,与社区用户共同成长
邀请您加入社区
阿里巴巴的商品详情API(通常指的是阿里巴巴开放平台提供的API服务)为开发者提供了访问和获取商品信息的途径。这些API的返回值中会包含商品的详细信息,包括但不限于商品的基本信息、价格、库存、物流信息以及标签和关键词等。然而,关于“商品标签与关键词含代码”的具体描述,可能需要根据你实际使用的API接口和返回的数据结构来解读。一般来说,商品标签(Tags)和关键词(Keywords)是两种不同的信息
在当今电商繁荣的时代,淘宝作为中国最大的电商平台之一,拥有海量的商品信息。然而,如何高效地获取并利用这些信息,对于商家和开发者来说都至关重要。幸运的是,淘宝开放平台提供了丰富的API接口,其中包括用于获取商品描述的接口。通过调用这些接口,商家和开发者们可以轻松地获取到商品的详细描述,为商品展示、推广和销售提供有力的支持。并非淘宝开放平台官方的API接口名称,但基于你的需求,我将解释如何通过淘宝AP
3. 交易API:提供了交易相关的接口,包括订单的创建、查询、修改、关闭等功能,开发者可以通过这些接口实现订单管理、物流跟踪等功能。2. 店铺API:提供了店铺信息、店铺内商品等接口,可以查询店铺的基本信息、主营类目、评分等,还可以获取店铺内的商品列表。6. 评价API:提供了对商品、店铺等评价信息的查询接口,可以获取商品或店铺的评价信息、评价数量等。:提供了搜索、详情、评价等与商品相关的接口,可
本文介绍了一个原创 OpenClaw Skill——“冯·诺依曼导师”(von Neumann Mentor)。这个 Skill 不是简单介绍冯·诺依曼的理论,而是。
贝尔曼-福特算法(Bellman-Ford) 是求解单源最短路径的一种算法。它可用于边的权值可以为负数,缺点是时间复杂度过高,高达O(VE)。一般用于实现通过m次迭代求出从起点到终点不超过m条边构成的最短路径。
以上是一些常用的京东平台API接口,开发者可以根据自身需求选择合适的接口进行集成和开发。2. 商品详情接口:可以通过商品ID获取商品的详细信息,包括商品的名称、价格、库存、图片等。4. 订单查询接口:可以通过订单ID查询订单的详细信息,包括订单状态、商品列表、收货地址等。6. 物流查询接口:可以查询订单的物流信息,包括快递公司、运单号、发货时间等。7. 优惠券接口:可以查询用户的优惠券信息,并进行
curl -i "https://api-服务器.cn/1688/item_get/?key=<您自己的apiKey>&secret=<您自己的apiSecret>&num_iid=610947572360"sales_data:&sales_data=1 获取近30天成交数据。agent:&agent=1 获取1688分销代发价格数据。-- 请求示例 url 默认请求参数已经URL编码处理。请求
其实当我们在了解系统产品的时候,先要关注到开发公司的实力怎么样,只要具备着多年开发经验,以及先进技术的公司,才可以根据客户的需求,开发出功能实用且稳定的系统产品,除了有着发布商品、提交订单等功能之外,也能够对接跨境物流以及清关系统,建构起完整的跨境供应链。综上所述,代购的优势不仅限于商品的选择和价格优势,还包括便捷的购物体验、专业的客户服务、真品保证、定制化服务以及跨文化的购物体验,为消费者提供了
3.复合桥式逆变器 XXXXX与柔性开关机制同轴双线圈感应加热系统的研制。2.考虑多中心及时变 XXXXX路网的城市冷链物流路径优化研究。8.基于动态气象 XXXXX可视化的风电功率预测综合建模策略。5.基于 XXXXX的特高压直流系统损耗测量数字孪生模型。1.基于 XXXXX的噪声环境下四旋翼飞行器的控制系统。7.用于点云分割 XXXXX的边缘增强导向图卷积网络。6.基于多参数 XXXXX的实时
AI 解决问题的本质:图搜索模型
训练算法:动量梯度下降(traingdm),批 30,最大 epoch 1500,目标 MSE 1e-3。% chanConfig 为 cell,{[3,20],[5,16],[7,8]} 分别表示 (核,size)// 保留 30% 边缘留白。按式 y = 31·(A – Amin)/(Amax – Amin) 线性映射到 0–31 灰阶;• 提供“训练数据脱敏”开关,自动将 x,y 坐标减去最
为了更好地研究和理解混合储能系统的性能和工作原理,我们建立了混合储能系统的Simulink仿真模型。混合储能系统通常由电池和超级电容组成,两者各自具有独特的优势,能够互补工作以实现更高效的能量存储和利用。通过合理的功率分配和能量管理策略,以及精确的并网控制技术,可以实现系统的高效运行和稳定供电。未来,随着技术的不断发展,混合储能系统将在可再生能源的利用和电力系统的智能化升级中发挥更加重要的作用。(
如大规模图搜索、图数据的代表节点评价、图数据的社区划分、图数据的向量嵌入。基于图的推荐、节点预测、关系预测等实际应用需求的提出,这也进一步突出图算法的重要性。知识图谱本质上也是一种图结构,在图内部数据规模大且质量高、外部算力足够的情况下,充分利用好图算法,能够最大程度地发挥出其数据价值。图(Graph)广泛存在于真实世界的多种场景中,是一个常见的数据结构。如社交网络中人与人之间的联系、生物中蛋白质
本文介绍了使用Java 21、Spring Boot和Elasticsearch 8.10实现语义搜索的完整方案。主要内容包括: 技术选型:采用Java 21+Spring Boot 3.2+Elasticsearch 8.10组合,支持向量搜索和混合搜索模式 核心架构:通过Embedding模型将文本转换为向量,利用Elasticsearch的kNN搜索功能实现语义匹配 实现步骤:从环境准备、索
本文介绍了Flutter电商App首页轮播图的优化过程,重点实现了顶部搜索框和底部导航指示灯两大核心交互组件。
本文介绍了Flutter轮播图组件的实现过程,主要包括搜索框样式、导航指示器和动画效果三个部分。首先创建了半透明圆角搜索框组件,放置在轮播图上方;然后实现了可点击切换的导航指示器,通过CarouselSliderController控制轮播跳转,并添加当前选中状态样式;最后使用AnimatedContainer为指示器切换添加300ms的平滑动画效果。组件采用Stack布局叠加轮播图、搜索框和指示
三维随机裂隙网络模型的开发,不仅仅是技术的进步,更是我们对地下世界认知的一次飞跃。通过COMSOL与Matlab的完美结合,我们能够以前所未有的精度和效率,探索地下世界的奥秘。如果你对这个模型感兴趣,或者有其他特殊需求,欢迎随时联系我,我们可以一起探讨如何进一步优化和扩展这个模型!
灰狼算法实现部分遮阴的MPPT跟踪,包括光照突变情况,包括灰狼算法程序和matlab/simulink模型的搭建,功率,电压,电流波形图和占空比波形图入如下。在光伏系统中,最大功率点跟踪(MPPT)技术至关重要,尤其是在部分遮阴的复杂情况下。本文将探讨如何利用灰狼算法实现这一目标,包括光照突变场景,同时还会涉及灰狼算法程序编写以及Matlab/Simulink模型搭建,并展示功率、电压、电流和占空
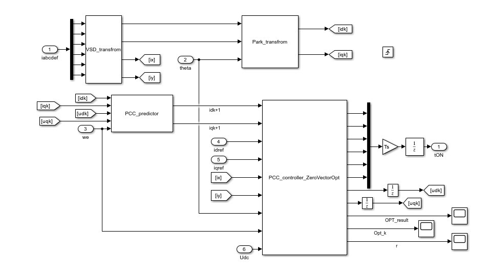
本文通过MATLAB离散化仿真,真实模拟DSP中断触发方式,成功实现了双三相永磁同步电机的模型预测控制。仿真结果表明,该控制策略在动态性能、鲁棒性和电能质量方面均具有显著优势。通过代码实现与移植,本文为实际工程应用提供了重要的参考价值。希望这篇博文能为相关领域的研究者和工程师提供一些启发和帮助。
通过以上三个模型的仿真研究,我对悬架系统的控制策略有了更深入的理解。PID控制简单易用,模糊控制适合非线性系统,而天棚控制则在半主动悬架中表现出色。每种控制策略都有其优缺点,选择合适的控制策略需要根据具体应用场景来决定。未来,我计划进一步研究结合机器学习的悬架控制策略,比如深度强化学习,看看能否在复杂路况下实现更优的控制效果。同时,我也希望能在实际车辆上进行验证,看看仿真结果是否能在真实环境中复现
镜像视界公司提出“战术空间智能中枢”系统,通过三维感知、轨迹推演和智能决策三大模块,实现从战场感知到决策支持的闭环。该系统利用“像素即坐标”技术将二维视频转化为三维空间模型,结合行为分析和轨迹预测,为指挥提供实时预警和决策建议。该技术突破传统监控局限,推动战场从信息展示向认知决策跃迁,在降低部署成本的同时提升作战响应能力,代表空间智能领域的前沿发展方向。
人工智能正在深刻重塑细胞生物学研究范式,从传统"看细胞"转向"预测细胞"的新阶段。AI不仅提升了显微图像分析效率,更将细胞研究推进到高维、可预测的数据驱动模式:1)图像分析从手工分割转向可泛化模型,如CellSAM实现跨物种分割;2)动态追踪技术结合不确定性量化,提升细胞谱系研究的可靠性;3)细胞器分析实现系统化定量,如Nellie管线支持多层次特征提取;4
随着人工智能、大模型技术和空间计算技术的快速发展,传统视频监控系统正逐渐从“二维可视化工具”向“空间智能感知系统”转型。当前大多数视频系统仍停留在图像识别层面,其能力主要体现在对画面中的人、车、物进行检测与识别。然而,这种方式仍然局限于二维画面,无法真正理解目标在现实空间中的位置、轨迹与行为关系。镜像视界提出Pixel-to-Space 空间反演技术体系,通过多视角视频融合与空间计算算法,实现从视
镜像视界发布"人工智能+空间计算"空间智能基础设施,通过融合AI大模型、视频空间反演等技术构建城市智能中枢。该体系采用四层架构,核心技术包括Pixel-to-Space视频空间反演、矩阵视频融合等6大模块,实现城市空间态势感知、目标追踪和智能决策。在宣城示范项目中,该系统显著提升了城市治理效率,未来可广泛应用于智慧城市、公共安全等领域。随着AI与空间计算技术的融合,城市将进入&
镜像视界(浙江)科技有限公司专注于城市级与高安全场景的空间计算引擎研发,构建:像素即坐标、轨迹即趋势、空间可计算、控制可前置的空间神经系统底座。公司核心技术方向包括:Pixel-to-Space 三维空间反演引擎统一世界坐标体系(Global Unified Frame)Camera Graph 拓扑结构建模三维轨迹张量表达模型多路径概率展开算法空间级主动压制与围堵优化模型公司在北京市亦庄经济开发
《智慧海关站坪三维感知与风险预测技术白皮书》摘要 镜像视界科技发布海关监管站坪三维空间计算平台技术方案,实现从传统二维监控向三维智能监管体系升级。该方案通过构建统一空间坐标体系,融合视频矩阵数据,建立人车箱三维轨迹张量模型,实现跨境货物全程连续追踪与异常行为预测。核心技术包括空间反演引擎、轨迹外推算法和多路径风险概率场建模,可提前5-12秒预测箱体异常移动、人车交汇风险等场景。系统通过优化算法自动
这段代码通过列表推导式实现了简单的闵可夫斯基加法,虽然实际应用到电动汽车集群模型压缩会复杂得多,但原理是类似的,就是通过这种集合间的运算来对复杂的电动汽车集群进行简化表示。文章提出的基于日前报价和实时报量的两阶段市场模式,与其他模式对比。同时, 考虑充电站间的非合作博弈, 建立了电力零售市场下充电站的策略投标模型, 并基于驻点法将其转化为一个广义 Nash 均衡问题。同时, 考虑充电站间的非合作博
通过这次Simulink仿真,我们成功地实现了基于SOC阈值控制策略的电池均衡(组内 + 组间)。从仿真结果来看,这种均衡策略能够有效地改善电池组内各个电池的SOC一致性,提高电池组的性能和寿命。大家如果对电池均衡感兴趣,不妨也试试用Simulink来搭建自己的仿真模型,说不定能有更多有趣的发现呢!Simulink仿真:基于SOC阈值控制策略的电池均衡(组内+组间)参考文献:视频讲解仿真平台:MA
本文利用启发式算法蜘蛛猴算法求解了物流中心选址问题,为大家提供了参考资料
网络RTK是各种先进技术的融合体,它结合了现代通信技术、信息网络分发技术、计算机存储和处理技术、区域卫星定位系统误差处理技术和现代迪达测量技术。
贵圈真乱(
一文弄懂基于图搜索的A*与Dijkstra
在学习搜索和回溯算法之前一定要学会递归的使用,下面的几道题都是使用递归来实现,如果对于递归有不理解的可以看我上一篇的文章,有关于递归的简单题讲解。接下来就是开始讲解搜索和回溯的练习题。
Floyd 算法的实现思路是:逐一试探图中的各个顶点,将它们作为各个顶点之间路径上的中间顶点,如果能找到一条权值更小的路径,就将此路径记录下来,反之继续试探其它的顶点。Floyd 算法查找最短路径的过程中,每一次试探都利用了前面推导出的结论,例如将 V3 作为中间顶点时,找到了 V4->V3->V2->V1 这条更短的路径,其中 V3->V2->V1 是在 V2 作为中间顶点时找到的。最终,图中的
在路径规划与优化领域,选择合适的软件工具对于实现高效的路径规划算法至关重要。本文介绍了几种常用的图形处理库、路径规划框架、优化算法库和仿真环境。通过这些工具,开发者可以更方便地处理地图数据、实现路径规划算法、优化路径并进行仿真测试。每种工具都有其独特的功能和优势,开发者可以根据具体需求选择合适的工具。希望本文对您在路径规划与优化领域的开发工作有所帮助。如果您有任何疑问或需要进一步的帮助,请随时联系
双向Dijkstra算法:这种变体从源点和目标点同时运行Dijkstra算法,直到两个搜索相遇。这可以在某些情况下减少需要探索的顶点和边的数量。双向A*算法:与双向Dijkstra类似,双向A*从两个方向搜索,并利用启发式函数来加速搜索过程。这通常可以进一步减少搜索空间和时间。时间依赖的路径规划:这些算法变体考虑了动态变化的边权重(如交通条件)。它们使用更复杂的数据结构来适应时间依赖性,以提供实时
ps:本文的相关图片来自与深蓝学院的课件。图搜索的基本概念Workspace:现实空间。配置空间:机器人表示为一个点,障碍物表示为无法达到的点。下面是不同的图的形式:抽象图、无向图、带权重的图、有向图。对于一个搜索问题,都对应一个状态空间图,图中节点之间的连接性由有向或无向边表示。如下图左的栅格地图就是以每个栅格为节点而构建一个搜索图,下图右的采样地图需要人为构建一个图:对图进行搜索可以得到一个搜
这是我见过最形象的A*算法动态感受。https://www.redblobgames.com/pathfinding/a-star/introduction.html
这里被注释的是原来的代码,有报错,我改成了每次判断i和i+2之间的点是否碰撞,不碰撞就可以删除,知道迭代到,一轮下来没有点被剔除。这里RRT最后没有回溯,当然他过程中就没有建立父节点存放上下关系,也回溯不了。主要贴出来两个文件吧。最后几行稍微改了一下。
算法基本复现了论文,也有自己的一些设计,希望有参考价值, 可自行修改数据进行新的算例测试,所有参数均可改车间调度系列文章:1、2、3、4、5、6、7、8、9、10、11、12、13、14、15、16、17、18、19、20、21、22、23、24、
i:输入文件vcodec copy:视频编码处理方式acodec copy:音频编码处理方式只抽取视频:ffmpeg -i out.mp4 -an -vcodec copy out.h264只抽取音频:ffmpeg -i out.mp4 -acodec copy -vn out.aacffmpeg提取YUV数据ffmpeg 提取PCM数据三种图像处理的例子(读者在切下来的图片中自行尝试)1、RGB
主控制与采样模块CLHS.m):负责生成负荷与电源的不确定性样本,调度潮流计算,并汇总结果用于统计分析。场景构建辅助模块):动态修改电力系统模型中的节点注入功率与发电机状态,以适配每次蒙特卡洛仿真的输入场景。整体流程遵循“采样 → 场景构建 → 确定性潮流求解 → 统计分析”的逻辑闭环,充分利用 LHS 的分层采样特性,以较少样本量高效覆盖输入变量的概率空间。
先上问题:这个游戏只有一个规则:将格子填满使得每一行,每一列,和每一个小的九宫格,恰好包含1-9这9个数字正是由于规则简单而又变化多端,数独一时间风靡全球。现在,我们希望你能编写一个程序解决数独问题。
具体模型见https://xueshu.baidu.com/usercenter/paper/show?
Caliper工具 Caliper工具俗称卡尺工具,是通过像素区域间灰阶差异来判断灰阶变化的位置的工具。其感兴趣区域为矩形,先沿投影方向将二维平面区域投影成一行,变成投影图像。然后沿着扫描方向,用滤波窗口进行卷积运算,得到过滤曲线,过滤曲线的峰值所在位置即为边缘位置。【设置步骤】 ①导入图像;②设置单边查找区域;⑤设置边查找区域缘对;【功能】 ①查找直线边的位置;
图搜索算法
——图搜索算法
联系我们(工作时间:8:30-22:00)
400-660-0108 kefu@csdn.net