登录社区云,与社区用户共同成长
邀请您加入社区
小琳在一个独特的游戏地图里,地图呈有根树结构,由n个关卡组成,起始关卡编号为1,小琳初始就在关卡1。地图每个最终关卡都有一个宝藏。部分关卡设有陷阱,若从有宝藏的关卡到起始关卡路径中,连续含陷阱的关卡超过m个,小琳就拿不到该宝藏。已知哪些关卡有陷阱,求小琳能拿到的宝藏数量。第一行包含两个整数n和m2≤n≤10e51≤m≤n),分别代表游戏地图关卡数和小琳能容忍的连续含陷阱关卡数。第二行包含n个整数,
三段式电流保护Matlab/Simulink仿真分析图1所示的35kV电力系统三段式电流保护Matlab/Simulink仿真分析图1所示的35kV电力系统,电源电压为35kV,电源最大和最小等效电抗分别为XS.max=9Ω,XS. min=6Ω,线路电抗为XAB=10Ω,XBC=24Ω;线路AB的最大负荷电流为100A,线路BC的最大负荷电流为80A,线路BC的过电流保护时限为1.0s。报告内容
求指导安装。
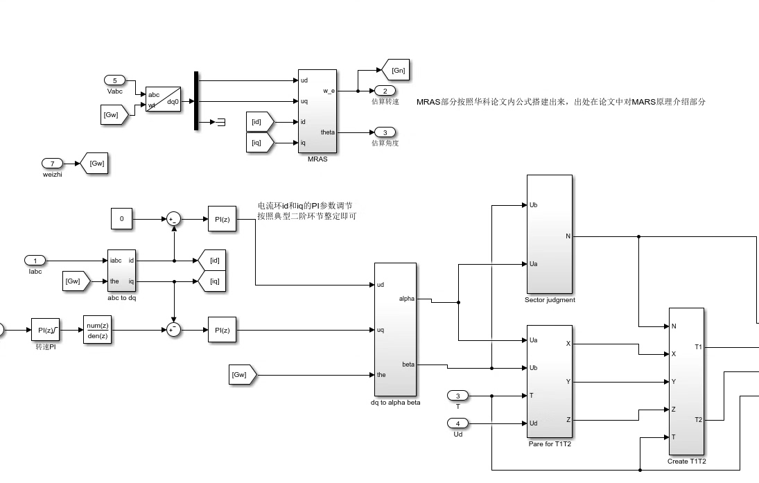
可调模型却得面对电阻发热、电感变心的现实世界。永磁同步电机的无速度传感器控制就像给电动车装了个"隐形的转速表",而模型参考自适应控制(MRAS)就是那个藏在系统里的智能调节器。整个仿真模型跑下来最大的感悟就是:MRAS就像个会自我修正的乐高大师,在参数漂移和负载变化的双重暴击下,依然能拼出准确的转速拼图。通过得到的误差值作为控制决策的衡量标准,自适应律会改变控制器的结构和参数,使系统运行在期望的最
你有没有遇到过这样的情况:明明用的是最新款的大模型,让它写一段查询订单表的SQL,结果生成了语法错误的语句,或者漏掉了JOIN条件,甚至把WHERE写成了WHEN?但问题来了:一个项目要用七八种工具,每个都要单独配置Skill,有的要改JSON Schema,有的要调Prompt模板,还有的得手动注入上下文——光搭环境就花掉半天,更别说后续维护更新了。这种一致性,省下的不只是时间,更是决策成本。而
更关键的是,这种能力不是孤立存在的。一位专注Node.js中间件开发的受访者反馈,过去每次修复Redis缓存穿透问题都要翻三四个开源库的issue页,现在直接使用“缓存策略校验”Skill,输入当前key命名规则和失效策略,就能输出潜在风险点及改进建议,平均节省约40分钟人工研判时间。我们进一步对比了启用前后的真实项目周期数据:参与复盘的12个项目组中,涉及API集成、第三方SDK对接、容器部署等
第三步,启动应用跑一次接口,观察控制台日志变化——你会立刻注意到每条INFO以上级别日志开头多了[req-abc123][UserSer.save]这样的标识块,报错日志底下还跟着一整段JSON格式的方法输入数据。可能漏校验哪些参数?最近不少Java后端同学在用Gemini做本地开发辅助时遇到一个共性问题:Spring Boot项目里打的日志太简单,没有上下文追踪ID、缺少方法耗时统计、异常堆栈不
最关键是,它们不是孤立脚本,而是封装好的Skill模块,复制粘贴进自己的项目就行,不需要重新理解底层原理。如果你也在找一种能让设计语言更快落地的方法,不妨试试从一个小功能开始:比如让筛选条件的变化带动卡片列表的淡入顺序,或是把用户滚动深度变成背景色渐变的触发开关。值得一提的是,在平台里搜“Framer 动效”、“Supabase 设计师”这类关键词,出来的结果基本都能直击痛点。可问题是,大家本来是
说实话,干SEO这行十年,最怕不是没方向,而是“明明知道该查什么,但一动手就卡在第一步”。他刚用某个叫陌讯Skills的平台装了个叫“网站健康快检+智能拓词”的组合技能,十五秒生成了一份带修复建议的HTML报告,还附了三组可直接落地的长尾词方案:一组侧重转化路径优化,一组针对区域搜索特征,还有一组专门匹配短视频引流来的用户意图。有个细节挺有意思:我们顺手拿这个技能扫了一遍合作方的技术博客,发现他们
本文介绍了如何在Cocos游戏开发中通过Shader实现卡牌掀角(搓牌)效果。作者从近期流行的"我要验牌"梗切入,详细讲解了该效果的实现原理和步骤:首先分析掀角效果的作用(提升真实感、制造悬念等),然后通过准备素材、创建项目、编写Shader(包括参数声明、顶点着色器和片元着色器)来完成效果实现。文中还解释了卷曲坐标系的数学模型,并展示了最终实现效果。文章提供了完整工程获取方式
在数字浪潮奔涌向前的时代洪流中,中国数字经济正经历着从“量变”到“质变”的关键跨越。QuestMobile最新数据显示,2025年中国数字经济规模已强势突破65万亿元大关,在GDP中的占比持续攀升,这一里程碑式的成就宣告着移动互联网野蛮生长阶段的终结,一个深度挖掘体验、效率与算力的“深水区”已然来临。与此同时,5G建设完成关键转身,AI与终端融合加速,而2026年巴塞罗那MWC大会“智能新纪元”主
本文解析了LeetCode全排列问题,通过递归回溯法生成所有不重复排列。算法使用决策树模型,通过标记数组避免重复选择,递归过程中维护路径列表,当路径长度等于输入数组长度时保存结果。关键点包括:递归出口判断、数字状态标记与恢复、回溯时的剪枝处理。代码实现采用全局变量记录结果和路径,通过深度优先搜索(DFS)遍历所有可能排列,最终返回符合条件的二维结果数组。
SQL优化是一个系统工程,EXPLAIN是我们手中的手术刀。在日常开发中,请严格遵守以下流程:1、 写SQL前:先思考索引策略,根据WHERE、ORDER BY、GROUP BY设计复合索引。2、 上线前:必须对所有复杂查询执行EXPLAIN,重点关注type是否达到ref或range级别,Extra是否出现Using filesort或Using temporary。3、 监控时:利用慢查询日志
在数据库工程领域,SQL优化如同手术刀般精准——既能救活濒临崩溃的系统,也能让百万级查询瞬间提速。本文将通过真实案例拆解,揭示如何通过索引策略、查询重构与EXPLAIN分析,让数据库性能实现质的飞跃。全文包含12个实战案例、8段核心代码与3张性能对比表,助你掌握SQL优化的核心密码。
在数据爆炸的今天,一条低效的SQL可能让千万级系统瞬间瘫痪!本文通过30个真实案例、50段代码示例,深度拆解SQL优化的核心逻辑——从B-Tree索引的底层原理到AI驱动的智能调优,助你实现从“经验调优”到“科学调优”的质变!
本文介绍了Java中深度优先搜索(DFS)和广度优先搜索(BFS)的实现方法。首先讲解了递归型DFS的基本思路和实现步骤,并通过洛谷P1605例题展示了基础递归DFS代码。随后以洛谷P1141为例,展示了三种解法:递归DFS(会爆栈)、非递归DFS(使用显式栈)和BFS(可获得最短路径)。重点讲解了染色模型的原理,即通过标记连通区域来计算可达格子数。文章还比较了递归与非递归DFS的区别,指出非递归
本文探讨了栈操作序列计数问题与卡特兰数的关系。通过分析栈的进出操作过程,揭示了合法序列与卡特兰数的对应关系,介绍了记忆化搜索的解法。文章深入解析了卡特兰数的两种核心模型:一是两种操作互不超越(如网格路径问题),二是递归切分的二叉树结构(如凸多边形划分)。最后给出了卡特兰数的组合数公式和线性递推公式,展示了数学抽象对算法优化的价值。该研究为类似计数问题提供了从搜索到数学模型的系统解决思路。
值得一提的是,这里的Skill不只是代码片段集合,更是经验沉淀的结果。例如某电商订单导出功能,最初只能导出基础字段,后来陆续加入支付渠道分类、退款标识合并、税率反算等功能,最终形成现在开箱即用的一键导出Skill。我们做了组实测,在不更换任何硬件、不升级原有AI工具的前提下,仅接入陌讯Skills聚合平台提供的标准Skill包,对比前后表现。还有人说,自己的Copilot明明装了各种插件,但真正遇
后来发现,在陌讯Skills平台上,已经有现成的标准化Skill能解决这些问题——不是零散的几句话提示词,而是封装好上下文、约束条件、输出格式甚至错误兜底机制的专业级能力模块。回看这半年,最大的转变其实不在技术本身,而在于做事方式变了。没想着换赛道,只是想试试把平时攒的那些提示词模板整理出来,结果这一试,半年下来,账号涨粉2.3万多,私信里接单量直接翻了两倍还多。我主力用的是本地部署的一个轻量级编
当一个刚接触AI编程的新手,能在十分钟内装好并用上“Markdown自动校验+术语表同步更新”的组合技,他获得的不只是功能,更是继续探索的信心。过去两年,算力投入、模型训练、开源社区都在加速跑,但真正决定落地效果的,往往是那些看不见的“连接层”——比如怎么让一个写得好的Prompt模板,能直接用在本地IDE里?如果你也经历过反复复制粘贴指令、手动修改变量名才能让AI产出合用的结果,或许会理解为什么
像“批量提取PDF表格转CSV”这类高频需求技能,下载量已超1.2万次,平均好评率96.7%,差评集中在早期Windows路径识别异常,而该问题已在三个月前发布的v2.3.1版本中修复并全平台推送。比如你安装了一个“自动生成React组件测试用例”的技能,在Cursor中触发的是右键菜单选项,在Copilot里可能是输入自然语言指令,在Claude中则表现为对话上下文中的自动建议——背后其实是同一
例如同样是处理文档,就有专门针对Word样式清洗的Skill、专攻Excel公式校验的Skill、还有负责从扫描件PDF里提取表格结构并保留行列关系的Skill。很多团队同时使用多种AI编程插件,有的习惯在编辑器侧边栏唤出助手,有的偏好命令行交互,还有的嵌入到CI流水线里执行自动化审查。另一天想让模型帮着分析一份PDF里的合同条款,结果模型直接“读不懂”文件——不是它算力不够,而是根本没加载对应的
这里的Skill实际连接了文档解析引擎与可视化渲染层:上传会议纪要Word文件,自动提取议题层级、识别关键数据图表位置、匹配企业VI色系,最终导出可编辑的PowerPoint源文件。而在该平台上,只需选中“网站安全扫描”类Skill,一键安装后,AI就能直接驱动真实检测流程,输出带截图和修复建议的结构化报告。归根结底,提升AI办公效率的关键不在算力堆砌,而在于降低专业动作落地的成本。当每一个高频痛
也就是说,每次有人通过平台调用你的Skill(无论是在本地IDE插件中触发,还是集成进企业内部工作流),系统都会精准归因到你账户,按次结算。这不是理论值,是后台实时可见的真实流水。尤其当越来越多开发者开始习惯用一个指令完成复杂操作,比如“自动生成可部署的Next.js组件+配套测试用例”,或者“一键分析PPT逻辑漏洞并重排大纲”,背后依赖的就是经过验证、开箱即用的Skill包。陌讯Skills聚合
换句话说,别人踩过的坑、攒下的套路,已经打包好了放在那里,只等你点一下安装。据他们团队粗略统计,原来平均耗时15分钟的手动任务,现在基本控制在90秒内完成,且错误率下降明显——因为规则来自社区沉淀的最佳实践,而不是个人经验碎片。最让他意外的是,这些功能不用单独学命令语法——所有Skill都统一走自然语言交互,而且同一个Skill,在他常用的两个AI编程工具里都能跑通,不需要重新配置或者改参数。”答
没抱太大希望的小张随手搜了下“PDF转API”,结果跳出一个名字很直白的Skill:“PDF-Extract-API”。点进去看说明,只有一句话:上传任意PDF,自动生成可调用的数据接口,字段自动识别,支持JSON返回,还能对接企业常用的OA和CRM系统。这不是靠堆功能实现的。哪怕你今天用的是某款国产IDE内置的AI助手,明天换成海外新上线的CLI工具,同一个Skill依然可用。当这份PDF不再只
如果搜“批量提取小红书笔记中的联系方式”,结果里排第一的就是那个已被下载1.2万次的结构化抽取Skill。比如检测出某页面首屏JS过大,不仅标红提示,还会自动推荐对应的Code Splitting策略,并附上适配Vite或Webpack的最小修改示例。值得注意的是,这批高部署量的工具并非孤立存在。如果你也在找一款能让AI更懂网页、更懂业务、更能立刻派上用场的小而准的工具,不妨去看看那些已经被23万
现在,在平台里找到“PPT解析→页面结构识别→生成Next.js App骨架→内置Supabase连接模版”这条链路对应的Skill集合,复制粘贴进本地编辑器,配合当前使用的AI编程工具加载即可。它不卖模型,也不讲原理,只解决一件事:让你手里的AI工具,更快地听懂你在做什么。不是宽泛的知识灌输,而是把一个个经过验证的业务动作封装成即装即用的小模块——比如“根据PowerPoint大纲自动生成Rea
一位做教育SaaS的后端工程师告诉我们,他们团队把数据库巡检流程做成专属Skill,接入日常值班机器人,凌晨三点异常告警时,连运维新手都能看懂诊断结论——因为所有术语都替换成业务语言,而不是满屏SQL报错。没人提“替代人工”,也没人聊“颠覆行业”,大家只是明显感觉到:今天下班早了半小时,而且心里不慌。上周他接到一个紧急任务:需要把过去三年积累的上百份项目会议纪要整理成结构化知识库,并自动提取关键决
老张没太当回事,直到他自己花十分钟装了个插件,在平台上搜“自动生成接口文档”,选了一个下载量最高的Skill点两下安装,再输入几行注释说明,三秒内就把整个微服务的OpenAPI文件生成好了,还能直接导出Markdown和Postman集合。上周末他还顺手写了份简短的操作指引,准备下周入职的新同事第一天就能独立完成三个高频任务——毕竟,比起解释什么是RAG或者LoRA,教别人怎么搜索、安装、验证一个
当他再次遇到PDF合同解析任务时,不再去翻GPT提示词模板,也不用临时拼接Python脚本,而是在平台上搜索“pdf extract contract clauses”,找到两个经生产验证的Skill,对比参数说明后选择了支持中文条款识别且内置法律术语词典的那个。李哲是一名从业八年的全栈工程师,日常要同时维护三个项目:一个面向中小企业的SaaS后台系统、一个内部使用的低代码配置平台,以及一个正在孵
MATLAB路径规划仿真 轨迹规划,船舶轨迹跟踪控制,数学模型基于两轮差速的小车模型,用PID环节对航向角进行控制,迫使小车走向目标,或用PID环节对航向角和距离进行控制,迫使小车走向目标 LQR 算法可自行小车起点坐标最近在研究路径规划和轨迹跟踪控制,借助 MATLAB 做了不少有意思的仿真实验。今天就来和大家分享一下,我是如何利用两轮差速的小车模型,通过 PID 环节和 LQR 算法让小车走向
现在去平台上搜“邮箱验证”,选中对应Skill点击安装,之后只要输入“帮我检查这组字符串是否都是有效邮箱”,AI立刻按最严标准给出结构化反馈。后台做了意图识别和场景聚类,还会主动推荐相似需求下其他人常用的组合包,比如选了“Excel公式生成”,页面下方会自然浮现“财务报表自动化汇总”和“异常值高亮提醒”。目前平台已稳定收录四万八千多个经过基础可用性验证的Skill,覆盖从初学者常问的“如何写出符合
最后说点实在的,这套模型文件在GitHub开源了(假装有链接),包含12种典型场景的仿真案例。窗长动态调整策略配合SOC反馈,实测在光伏1秒级波动场景,超级电容出力占比从固定分配的40%优化到自适应区间25%-65%,循环寿命提升2.8倍。3、减小直流母线电压的偏差,以混合储能系统为例,关联参数SOC改进下垂控制。3、减小直流母线电压的偏差,以混合储能系统为例,关联参数SOC改进下垂控制。6、模型
在云计算时代,某金融企业的核心交易系统通过SQL优化将TPS从500提升至3000,响应时间压缩至50ms以内。本文将深度拆解SQL优化的核心逻辑,结合真实生产环境案例与Explain对比分析,构建从索引设计到查询重写的全链路优化体系。
AI在医疗影像诊断领域取得重大突破,如改进型ResNet-50模型在肺结节检测中敏感度达98.7%,3D-UNet结合多模态数据实现脑肿瘤精准分割。临床应用案例包括印度糖尿病视网膜病变筛查效率提升15倍,以及AI辅助心血管手术精度达0.1mm。同时,通过差分隐私(ε=0.3)和GAN数据增强技术解决了数据隐私与算法公平问题。未来展望5G远程手术(延迟<100ms)和GAN肿瘤预测模型(准确率
本文分享了CUGBACM春季训练赛的部分题解。作者从零基础开始学习算法,成功解决了A、B、E、F等字符串处理题目,其中A、E、B、F题均拿下"一血"。重点分析了G题的字符串变换问题,通过比较非A字母的顺序和计算A字母数量差来求解。在D题的树DFS问题上,作者通过与AI交流解决了标记和回溯的困惑。最后补上了H题的贪心解法,通过维护三个栈来统计ABC子序列数量。文章展现了作者从遇到
本文深入探讨了Rust中trait对象与静态分发的权衡艺术。通过分析静态分发导致的代码膨胀和编译时间问题,以及trait对象带来的性能开销(15-30%的调用延迟),提出了分层决策框架:性能关键路径使用静态分发,扩展场景采用trait对象。还介绍了混合策略实践,如事件系统的分层处理和枚举分发技巧,并探讨了智能指针选择等进阶优化方法。文章强调,优秀的Rust设计需要在类型系统的严格性与工程灵活性之间
同时当Extense处在某个格点时,他只能移动到东南西北(或者说上下左右)四个方向之一的相邻格点上,Extense想要从点A走到点B,问在不走出迷宫的情况下能不能办到。每组测试数据的第1行是一个正整数n(1≤n≤100),表示迷宫的规模是n×n的。接下来是一个n×n的矩阵,矩阵中的元素为。再接下来一行是4个整数ha,la,hb,lb,描述A处在第ha行, 第la列,B处在第hb行, 第lb列。一天
给定一个无重复元素的数组candidates和一个目标值target,找出candidates中所有可以使数字和为target的组合。数组中的数字可以被重复使用。
在我们解决实际问题的时候,经常会遇到一种情况。即是我们现在面临很多种选择,我们需要先从中选择一个选项,然后基于这个选项又会派生出很多新的选项,接着重复这种操作,直到到达最终状态。举一个经典的例子:在8×8格的国际象棋上摆放八个皇后,使其不能互相攻击,即任意两个皇后都不能处于同一行、同一列或同一斜线上,问有多少种摆法。这个问题又被称为n皇后问题。在构想具体的实现方法之前不如让我们现在棋盘上摆摆看。由
元神!启动!
通过c语言,完成了以下功能:读取文件内数据,并将数据存储在文件中的功能。修改景点,新增景点,删除景点;修改边,新增边,删除边。显示所有景点信息。找到两个景点间所有简单路径。找到两个景点间最短路径。最佳旅游路线。
Flood Fill算法,又称洪水填充,泛洪算法其思想是:从一个种子点开始,将与其连通(可达且颜色相同/相近)的点全部染上另外一种颜色,直到所有可达节点都被染色为止。
7.21晚上加赛 T2.七负我,做这题找到了性质发现需要求最大团,不会,爆搜,打假了,赛后改,对了,但时间复杂度大爆炸,看下发题解,有这么一句话:于是学习了一下。updated on 7.24 增加了图片演示方便理解;updated on 7.25 更新了 \(X\) 集合的作用和关键点优化的解释。Bron-Kerbosch算法-求图的最大团,极大团概念:团:每个顶点都两两...
A*算法是一种启发式搜索算法,结合了Dijkstra算法的最短路径保证和贪心最佳优先搜索的高效导向性。其核心是评估函数算法(Iterative Deepening A将迭代加深(Iterative Deepening)与A*结合,通过逐步放宽的阈值进行深度优先搜索(DFS),每次搜索限制 ( f(n) ) 不超过当前阈值,避免内存爆炸。3. Avs IDA。
深度优先
——深度优先
联系我们(工作时间:8:30-22:00)
400-660-0108 kefu@csdn.net