登录社区云,与社区用户共同成长
邀请您加入社区
本文深入解析CheckAnti-CSRFToken机制在防御CSRF攻击中的关键作用。CSRF攻击利用用户登录状态发起恶意请求,而Anti-CSRFToken通过生成随机唯一令牌(不存储在Cookie中)进行验证。文章详细介绍了令牌生成、携带和验证的完整流程,包括Python Flask框架的实现示例,并指出常见验证失败原因和安全注意事项。该机制通过比对用户会话令牌和请求令牌,确保请求合法性,是W
这个参数在许多开放平台上也会有提及,比如新浪微博的 Oauth2/authorize(http://open.weibo.com/wiki/Oauth2/authorize ): 用于保持请求和回调的状态,在回调时,会在Query Parameter中回传该参数。答案就是用户乙绑定了用户丙的微博,用户丙绑定了用户乙的微博了……这种特性,导致这个漏洞在绝大多数网站根本无法快速撒网,只能定向劫持未绑定
摘要:本文针对CSRF令牌爆破漏洞,提出了一种高效自动化检测模型。CSRF攻击利用会话伪造非意图操作,而令牌爆破通过猜测或暴力破解绕过防护。传统手动检测效率低,现有工具缺乏专项优化。模型包含请求生成、攻击模拟、响应分析和报告输出四大模块,支持随机生成和序列化爆破两种模式,可集成到CI/CD流程。测试表明,该模型检测效率比手动快10倍,误报率低于5%,能有效识别弱随机令牌漏洞。建议结合现有工具使用,
0x01 影响版本Tomcat全版本0x02 环境搭建1.git 拉取资源进入目录由于这个镜像启动后登录管理页面存在重复验证的问题,这里不再利用docker-compose.yml2.docker 拉取镜像3.运行镜像查看镜像 id替换掉 docker 保存用户名和密码的文件,方便后面进行爆破测试4.重启 docker0x03 复现流程1. 弱密码爆破1.1 弱口令爆破– 使用 BurpSuite
说明网络丢包之前,你需要了解的是收发包的原理。数据在 Internet 上是以数据包为单位传输的,单位为字节,数据在网络上传输,受网络设备,网络质量等原因的影响,使得接收到的数据小于发送出去的数据,造成丢包。了解了收发包的原理,可以了解到丢包原因主要会涉及⽹卡设备、⽹卡驱动、内核协议栈三⼤类。在文章开头说到一点,网络丢包是在使用Ping对目的站进行询问时,数据包由于各种原因在信道中丢失的现象。Pi
基于双路神经网络,融合原始振动信号和二维时频图像的故障诊断方法,在理论和实践上都展现出一定优势。通过选择合适的时频图像算法和搭建有效的神经网络模型,有望在滚动轴承故障诊断中取得更好的效果。后续还可以进一步探索不同数据集、不同时频图像算法对诊断精度的影响,不断优化模型性能。基于双路神经网络的滚动轴承故障诊断融合了原始振动信号和二维信号时频图像的多输入(多通道)故障诊断方法单路和双路都可时频图像算法可
Rust是一种系统编程语言,以其安全性、并发性和性能。
sql是数据库强相关的,数据库嘛,听着就知道是一个用来存储信息的,一般来讲会存储用户名,密码,甚至身份证,电话号之类的。这里我们给一个php的mysql连接程序,简单分析一下为什么会产生sql注入。ps:方便讲解就不考虑password了,我们只考虑输入username进行信息查询。【基本password就是一个加密解密加上if判断,对我们注入而言区别不大。从上面的代码可以看出来,mysql会直接
基于自抗扰控制器ADRC的永磁同步电机FOC1.转速环采用ADRC,和传统PI进行对比来分析ADRC控制性能的优越性。对ADRC中的ESO进行改进,进一步提高了ADRC性能。2.提供算法对应的参考文献和仿真模型仿真模型纯手工搭建,不是从网络上复制得到。仿真模型仅供学习参考在永磁同步电机(PMSM)的控制领域,FOC(磁场定向控制)技术已然成为主流。而在转速环控制中,传统的PI控制器虽然应用广泛,但
经过这几个月的努力,我们终于完成了一个完整的燃料电池系统Simulink模型。从电堆到空气系统,再到氢气系统和控制模块,每一个部分都凝聚了无数的心血和汗水。这个模型不仅能够帮助我们更好地理解燃料电池的工作原理,还为我们后续的控制算法研究奠定了坚实的基础。燃料电池系统simulink模型质子交换膜燃料电池simulink模型包含:电堆模型空气系统模型:空压机模型、进排气管道模型、加湿器模型、中冷器模
咱先看看这个模型是怎么回事。
就像电源管理驱动里随处可见的电压阈值检查,或是通信协议里强制使用的超时重传机制,这些细节共同构建了系统的可靠性。这项目简直就是嵌入式开发的活教材,特别是对刚接触硬件驱动和实时系统的工程师来说,比看十本编程规范都管用。注释里还特别标注了各参数允许范围,比如phase参数超过3直接返回错误,这种防御性编程对硬件驱动太重要了。这种把硬件规格书参数直接落地到代码的做法,极大降低了后续维护成本。这种注释风格
SCN随机配置网络模型有独特的优势,它在构建网络时,一些参数是随机配置的,这种方式能加快模型的训练速度,同时在一定程度上避免过拟合。
stm32步进电机加减速代码stm32f103stm32步进电机S型加减速程序源码与详细分析,资料为算法实现以及算法的相关讲解,例程中有stm32f103步进电机S型加减速的完整工程代码,对步进电机s型加减速控制很有帮助。在嵌入式开发中,步进电机的控制是个常见任务。而S型加减速控制能够让步进电机的启动和停止更加平滑,减少机械冲击,延长设备寿命。今天咱就来唠唠STM32F103上步进电机S型加减速的
模型内主要包含DC直流电压源、三相逆变器、感应(异步)电机、采样模块、SVPWM、Clark、Park、Ipark、采用一阶线性自抗扰控制器的速度环和电流环等模块,其中,SVPWM、Clark、Park、Ipark、线性自抗扰控制器模块采用Matlab funtion编写,其与C语言编程较为接近,容易进行实物移植。在转速环中,由于自抗扰控制器无积分环节,因此无积分饱和现象,无需抗积分饱和算法,转速
EKF扩展卡尔曼滤波算法做电池SOC估计,在Simulink环境下对电池进行建模,包括:1.电池模型2.电池容量校正与温度补偿3.电流效率采用m脚本编写EKF扩展卡尔曼滤波算法,在Simulink模型运行时调用m脚本计算SOC,通过仿真结果可以看出,估算的精度很高,最大误差小于0.4%在电池管理系统(BMS)中,准确估计电池的荷电状态(SOC)至关重要。本文将介绍如何利用EKF扩展卡尔曼滤波算法在
本系统基于Matlab平台开发,采用递推最小二乘法(FRLS)与扩展卡尔曼滤波(EKF)融合算法,针对锂电池一阶RC等效电路模型,实现电池关键参数(欧姆内阻R0、极化内阻R1、极化电容C1)辨识与荷电状态(SOC)的联合估计。系统支持从实验数据加载、算法迭代计算到结果可视化的全流程自动化处理,适用于锂电池充放电过程中的实时状态监测与参数分析,为电池管理系统(BMS)的优化设计提供核心算法支撑。
基于MATIAB的同步发电机突然短路的暂态过程的仿真 文档 模型 图 都有在电力系统的研究领域中,同步发电机突然短路暂态过程的分析至关重要。它对于理解电力系统故障时的动态行为、保障电力系统的安全稳定运行有着关键作用。而借助MATLAB强大的仿真能力,我们能够直观地观察和深入剖析这一复杂过程。
本文系统讲解了三种常见网络攻击及防护措施:XSS攻击通过注入恶意脚本执行,需服务端输入验证、输出转义、CSP策略和HttpOnly Cookie综合防护;CSRF攻击利用自动携带Cookie特性伪造请求,需CSRF Token验证、SameSite Cookie和请求来源检查;DDoS攻击通过海量请求耗尽资源,需网络层流量清洗、应用层限流熔断和基础设施扩容。防护核心在于:XSS防代码执行、CSRF
物联网安全:从理论到实践的全面防护指南 物联网安全已成为数字时代的关键挑战,其风险已从数据窃取升级为物理世界破坏。本文系统梳理了物联网安全体系:首先解析其"云-管-边-端"四层架构,每层面临独特威胁——终端设备的物理攻击、边缘节点权限滥用、网络层的中间人攻击及云平台API漏洞。通过Mirai僵尸网络等典型案例,揭示攻击者如何利用物联网弱点造成实际破坏。防护措施包括修改默认密码、
在正常情况下,当用户在网站A上执行操作时,如点击链接或提交表单,浏览器会向服务器发送一个HTTP请求,并在请求头中包含一个Referer字段,该字段的值是发起请求的网页地址,即网站A的地址。CSRF攻击通常发生在用户已经登录了某个网站的情况下,攻击者在用户不知情的情况下利用用户的身份信息发送恶意请求,导致服务器误以为是用户发送的合法请求。CSRF攻击的关键在于攻击者无法窃取用户的凭证(如Cooki
发生场景:前端调用一次接口 但是后台添加接口 被调用2次添加。OPTIONS请求执行了一次程序;然后post也执行了一次程序;问题描述:因为在进行跨域请求的时候,前端会先options请求接口,去试探是否支持跨域,支持跨域之后,在进行正式的post请求添加。解决方法:请求做限制,options请求不执行接口功能。if (strtolower($_SERVER['REQUEST_METHOD'])
答1:主要分为两个大类,有回显和无回显。其中无回显的称为盲注,包括时间盲注、DNSlog注入也算一种,布尔盲注;有回显的包括联合注入、报错注入、宽字节注入、堆叠注入、二次注入也算是。答2:load_file database() concat() ascii()答3:用%0a代替,或者%20答4:可以使用大小写绕过,如果只是替换检测可以使用双写绕过,还可以用注释符,例如s/**/elect等。
一、概述简单介绍一下csrf攻击漏洞。就是你的网站cookie和session信息可以被其他网站盗用,用于非法请求。应用开发环境:IDEA+JDK1.8开发框架:Spring boot +thymeleaf+shiro测试:第三方安全公司渗透测试。二、解决方法这里只讲主动防御方法。总体思路是:用户登录时,服务端分配一个随机token,存储到session里。用户进行其他请求时,从session里取
整体看下来,说无意义的,无非说是对于后端而言,前端直接发送明文密码,还是使用md5,decypt,sha等加密的密文密码,从数据层面来讲,都是『明文』,只要被劫持,就算是密文,也并不需要去破解,直接伪造请求,照样发送就好了。说有意义的呢,更多说的是保护用户隐私,不至于明文在网络上传输,可以防止同密码跨站使用,不在后台日志明文记录,增加破解难度,防君子不防小人等等,总的来说,它的意义不在于鉴权。5,
面试的时候的著名问题:“谈一谈你对 CSRF 与 SSRF 区别的看法”这个问题,如果我们用非常通俗的语言讲的话,CSRF 更像是钓鱼的举动,是用户攻击用户的;而对于 SSRF 来说,是由服务器发出请求,用户。
3,在app的views.py文件中导入from django.template import RequestContext。加入django.middleware.csrf.CsrfViewMiddleware。解决方法之二是不使用csrf验证(不推荐),去掉方法一中所有设置即可。2,在项目 setting.py文件中的MIDDLEWARE。访问被禁止,提示csrf验证失败,请求被中断,如下图。
XML是一种非常流行的标记语言,在解析外部实体的过程中,XML解析器可以根据URL中指定的方案(协议)来查询各种网络协议和服务(DNS,FTP,HTTP,SMB等)。外部实体对于在文档中创建动态引用非常有用,这样对引用资源所做的任何更改都会在文档中自动更新。但是,在处理外部实体时,可以针对应用程序启动许多攻击。这些攻击包括泄露本地系统文件,这些文件可能包含密码和私人用户数据等敏感数据,或利用各种方
如果你不想丢掉积累的前端技术,转行到相关的岗位会比较容易些。可以选择:后端开发: 如果你已经有了前端开发的技能,那么你可能会发现转向后端开发是一条顺畅的道路。你将需要学习如何与数据库交互,以及如何建立和维护服务器,但你的前端开发经验将会对此非常有帮助。全栈开发:全栈开发者拥有前端和后端的技能,并且可以处理所有的开发工作。这可能需要额外的学习,但是你的前端经验会是一个很好的起点。数据分析: 如果你喜
对于攻防演练蓝军的伙伴们来说,最难的技术难题可能就是溯源,尤其在今天代理横行的时代更加难以去溯源攻击者。这里我就举两个溯源来帮助大家梳理溯源过程,一个是只溯源到公司,一个是溯源到个人。
django中使用ajax出现了Forbidden (CSRF token missing.)的错误
榛名视频播放器是一款基于Qt的开源视频播放器,提供了许多基本功能。其特点包括支持Youtube-dl、控制播放速度、丰富的键盘快捷键、轻松截取视频截图、主次字幕添加选项以及硬件解码支持。对于许多用户而言,榛名视频播放器是与MPV结合使用的理想前端,支持所有主要格式,键盘快捷键、UI调整、播放列表等功能应有尽有。虽然它不是跨平台解决方案,但对于Linux用户来说是一个绝佳选择。二、MPlayerMP
最近,我想更新Cloudbees中的一些作业(未使用DSL定义),为每个作业添加一些属性。好吧,我在使其工作时遇到了一些麻烦,这是我的注意事项(我使用的是Jenkins 1.651.2.1,但有可能它应与较早和较新的版本一起使用,例如jenkins 2)没有安全性/没有身份验证这是简单的部分:检索并重新发布配置$ curlhttp://localhost:8080/je...
spingboot+security 前后端分离支持csrf
from django.views.decorators.csrf import csrf_exempt# 导入。return HttpResponse(json.dumps(res))# 向ajax发送json数据。return HttpResponse(json.dumps(res))# 向ajax发送json数据。res = {“code”: “000”, “msg”: “请输入用户名”}r
DjangoIIS使用ajax PUT/DELETE方法请求报错解决
概述datart 是国内做的很好的数据可视化开源社群今天整理了社群大佬小包两个没有拿去参加 datart 数据可视化图表插件开发大赛的作品。1、手绘风格2、3D 地图是数据可视化图表中两个非常亮的点,无论是从功能还是视觉上,都让人耳目一新,为之惊叹。作品:手绘风格(D3)关于手绘风格,在上一篇中有提到,本以为是iframe嵌套导致的,后来官方给了去掉iframe的配置的方法进行了尝试,发现不是这个
什么是csrf?csrf又称跨域请求伪造,攻击方通过伪造用户请求访问受信任站点。CSRF这种攻击方式在2000年已经被国外的安全人员提出,但在国内,直到06年才开始被关注,08年,国内外的多个大型社区和交互网站分别爆出CSRF漏洞,如:NYTimes.com(纽约时报)、Metafilter(一个大型的BLOG网站),YouTube和百度HI......而现在,互联网上的许多站点仍对此毫无防备,.
当设备启动时,轴组以0.1mm重复定位精度执行同步插补,视觉系统同时处理上下相机的20000像素点云数据。咱们的代码架构里有个特别有意思的并发处理模块——通过LabVIEW的队列状态机实现多工位协同。代码里随处可见的彩蛋式注释是调试时留下的宝藏,比如在某段急停处理逻辑旁写着:"此处曾导致三月飞雪般的误触发,现已用硬件滤波+软件去抖双重防护"。这里用了非阻塞式指令发送配合状态轮询,注意Yield()
1.工具:安卓(包括鸿蒙)手机、WiFi、充足的电量、脑子2.浏览器搜索termux,vnc viewer,下载安装。3.对抗华为纯净模式需要一些操作,先断网,弹窗提示先不开,等到继续安装的时候连上网,智能检测过后就可以了(termux正常版本可以通过智能监测,失败了就说明安装包是盗版)4.以后出现类似[Y/n]的东西,输入y按回车就好了。
django Ajax post 403问题
安全套接字层(SSL)是一种通信协议或一组规则,用于在网络上的两个设备或应用程序之间创建安全连接。在通过互联网共享凭证或数据之前,建立信任并对另一方进行身份验证非常重要。SSL 是一种技术,您的应用程序或浏览器可能使用该技术在任何网络上创建安全的加密通信通道。但是,SSL 是一种较老的技术,包含一些安全漏洞。传输层安全性协议(TLS)是 SSL 的升级版本,用于修复现有 SSL 漏洞。TLS 可以
• 核心功能包括,去中心化(节点节点平等且独立)、跨平台且易于使用(简单配置快速部署)、安全(数据传输加密防止窃听)• 高级功能包括,高效NAT通信、子网代理、智能路由与零拷贝的高性能传输协议• 专门做了网络优化,抗丢包,防干扰• 开源地址参考:https://github.com/EasyTier/EasyTier• 示例网络架构与拓扑参考:• 使用 EasyTier 可以轻松搭建一个虚拟局域网
1、post请求原理在使用Python中的request模块的post请求时,由于网站开启了csrf跨站请求攻击,会出现403错误,因为我们在使用post的时候没有携带csrf数据去验证,网站会不认可我们,因此我们需要第一次的时候使用get请求,然后使用re正则匹配到这个csrf-token命令,取出来这个命令,然后在使用post发送请求,在请求中的数据中添加csrf的键值对,然后就可以使用pos
Token化(Tokenization)是通过不敏感的数据等价替代物Token来替换个人敏感数据,在业务系统中流通来降低数据风险和满足隐私合规的方案。Token化属于去标识化技术的一种。最早出现在支付卡行业(PCI)场景替换银行卡(PANs),目前有趋势替换通用数字化场景中的个人敏感信息(PII)。1.个人唯一标识信息(PII):任何可以直接、间接关联到具体的自然人的唯一标识信息如身份证件、手机号
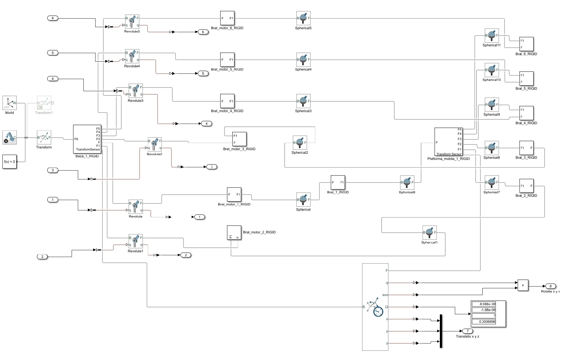
西门子PLC配KUKA机器人程序程序为西门子S7-1500PLC博途调试:西门子与KUKA机器人通讯;PLC控制KUKA机器人安全回路,设备安全装置控制;PLC与KUKA机器人信号交互,外部自动控制;PLC控制KUKA机器人干涉区zone逻辑;PLC控制KUKA机器人程序段segment逻辑;PLC控制SEW电机变频运动程序;PLC控制外围设备夹具动作;PLC系统有手动/自动/强制/空循环/多车型
启动时加入红色语句 :关闭跨域检查。
jenkins版本较高,不支持关闭CSRF。hudson.security.csrf.GlobalCrumbIssuerConfiguration.DISABLE_CSRF_PROTECTION = true启用hudson.security.csrf.GlobalCrumbIssuerConfiguration.DISABLE_CSRF_PROTECTION = false...
Error 403 No valid crumb was included in the request
csrf
——csrf
联系我们(工作时间:8:30-22:00)
400-660-0108 kefu@csdn.net