登录社区云,与社区用户共同成长
邀请您加入社区
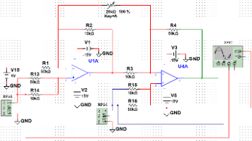
MATLAB代码:高压直流输电关键词:MMC- HVDC,预测控制,电容均压两端MMC- HVDC输电模型是基于MAT LAB/simulink软件搭建的。下图的第一个和第二个模块分别是两侧的MMC模型,该模型的控制使用的是MPC控制策略,控制器是用C代码写的。同时,控制模型中用了电容电压均压策略。该模型的电压等级是20kV,上下子模块数量各10个,第3-5分别是三相电容电压的波形,其基本在2KV
Molex莫仕是全球领先的电子解决方案提供商,产品覆盖连接器、互连系统、传感器、电源管理及RFID技术等多个领域,广泛应用于汽车、工业、数据中心、医疗和消费电子等行业。特点:高密度、低信号损耗、支持垂直/直角/侧出设计,提升系统增益与安装便利性。提供2mm、2.5mm、4mm间距选择,支持多种电路配置,直接焊接于PCB上。特点:高精度传感、非接触式识别、支持篡改检测与远程监控。应用:电池充
想要将Air8000蓝牙扫描能力转化为实际项目?本攻略将带你从代码架构拆解开始,逐步掌握设备初始化、扫描配置、事件监听及数据解析等关键步骤,最终落地到物流追踪、智能停车等真实场景,让技术学习与实践无缝衔接。
下载源码开启实战,无论是开发智能门禁系统、物流追踪工具还是个性化扫码应用,这套方案都将助你事半功倍!搭配详细注释的代码和逐步教学视频,零基础小白也能快速成长为扫码开发达人,赶快加入技术交流群与千名开发者一起探索更多可能吧!
PCBA供应商的核心价值在于稳定交付能力。广州华创精密科技通过完整的制造闭环体系,为硬件工程师、研发项目及AIoT企业提供从设计评审到量产交付的全流程支持。其优势在于:工程前置降低试错成本、快速精准的打样能力、严格的量产管控体系,以及高效的工程沟通机制。公司特别注重预防性质量管理,建立完善的追溯系统,确保工控、电力等长期运行产品的可靠性。不同于单纯追求低价或速度的供应商,广州华创精密科技有限公司始
LuatOS内存分配机制解析:文章介绍了LuatOS如何将有限内存资源进行逻辑划分,以Air780EHM模组为例,8MB PSRAM被划分为Lua内存(50%)、系统内存(37.5%)和保留区域(12.5%)。系统通过rtos.meminfo()接口提供内存查询功能,可获取Lua虚拟机、系统和PSRAM的使用情况。不同平台的内存布局存在差异,但设计理念是优先保障系统核心功能稳定运行。文章还区分了物
随着快递使用的越来越多。大家都在找查询快递单号物流的工具,来查询跟踪物流信息。下面为大家分享一个小技巧。快速批量查询快递单号物流信息。筛选快递单号。一起来试试。准备工具:一台电脑下载快递批量查询高手先看查询效果:先来查看一下小编用快递批量查询高手,同时查询出多个快递单号物流的效果一行一个单号,及物流信息、状态,统计出总数量单号,已签收、未签收都有多少单号任意双击单号进去,物流的走向物流及时间都能看
PTC自恢复保险丝,也是保险丝的一种,只不过和传统的差别比较大,PTC用在电路里面防过流的,电流增大,温度升高,而温度升高阻值升高,所以是正温度系数电阻。
本文分析了MIPI CSI接口的波形特征及其验证方法。文章首先介绍了MIPI接口的组成结构,包括时钟通道和数据通道配置;然后详细阐述了传输参数,包括频率计算(MHZ单位与bps速率的关系)、数据格式(YUV/RAW/RGB)及分辨率、帧率对带宽的影响;重点讲解了波形分析方法,包括行/帧时序测量、高速/低功耗模式切换特征,以及多通道数据波形的识别;最后总结了常见接收故障的排查方法,如频率配置错误、硬
摘要:本文介绍了一种由两个NPN三极管组成的低成本恒流源电路。当单片机输出高电平(3.3V)时,Q1和Q2互相钳制维持在放大状态,通过负反馈机制实现恒流功能。R2上的0.7V压降决定了恒流值(约0.7V/R2),仿真结果显示50Ω电阻时的恒流电流约为13mA。该电路通过调节R2阻值即可控制负载电流,结构简单实用。(149字)
瞬态抑制二极管(TVS)是一种用于静电和浪涌防护的重要半导体器件,分为单向和双向两种类型。TVS通过反向击穿特性实现电压箝位功能,当瞬态电压超过击穿电压VBR时,TVS导通并将电压限制在箝位电压VC(max)内。关键参数包括反向关断电压Vwm、击穿电压VBR、箝位电压VC(max)等。TVS的命名规则通常包含功率等级、电压值和极性标识(A/CA)。单向TVS有极性标识(白色标记),需正确安装;双向
基于POE-ADIN2111-STM32-AD7616的工业高精度数据采
XB4908AJL是一款高度集成的单节锂电池保护IC,采用ESN4超小封装,集成功率MOSFET、高精度检测电路和延时电路。具有15.5mΩ超低内阻、μA级功耗和多级保护机制(过充/过放/过流/短路保护),支持0V电池激活充电。其全硬件化设计简化了BOM和生产流程,是消费电子电池包安全保护的理想选择。设计时需注意大电流路径布局和散热处理,确保芯片可靠工作。
本文介绍了在嘉立创EDA专业版中设计STM32核心板元件封装的流程。主要包括:1)新建元件前需设置符号库;2)通过向导功能辅助创建QFP类型封装;3)填写基本信息时需注意元件分类和符号信息。文中重点说明了封装设计的初始步骤,为后续PCB设计奠定基础。保持更新
本文详细介绍了PCIe设备配置空间中的四个关键标识符:VendorID(供应商ID)、DeviceID(设备ID)、SubsystemVendorID(子系统供应商ID)和SubsystemID(子系统ID)。VendorID和DeviceID用于识别芯片制造商和具体芯片型号,由PCISIG和芯片制造商分配;而SubsystemVendorID和SubsystemID则用于标识最终集成板卡的制造商
从输入到后级,按‘过流保护→大能量过压保护→精细过压保护’排序,且保护元件需靠近干扰源,被保护电路需靠近精细保护元件”。同时优化接地和布线,才能让三者协同发挥最大保护作用,避免“保护失效”或“干扰残留”。
NPN三极管工作原理总结:NPN三极管由N-P-N三层半导体构成,包含发射极、基极和集电极三个电极。其工作状态由两个PN结的偏置电压决定,分为截止、放大和饱和三种状态。在放大区,小基极电流Ib控制大集电极电流Ic(Ic=β×Ib),实现电流放大。截止时相当于开关断开,饱和时相当于开关闭合。理解其结构、偏置条件和工作状态是分析三极管电路的基础,广泛应用于模拟放大和数字开关电路中。
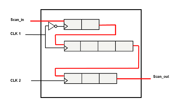
某医院有一、三、四号病室4间,每室设有呼叫按钮,同时在护士值班室对应地装有一号、二号、三号、四号4个指示灯。现要求当一号病室的按键按下时,无论其他病室的按键是否按下,只有一号灯亮。当一号病室的按键没有按下,而二号病室的按键按下时无论三、四号病室的按键是否按下,只有二号灯亮。当二号病室的按键都未按下而三号病室的按键按下时,无论四号病室的按键是否按下,只有三号灯亮。只三号病室的按键均未按下而按下四号病
模组管脚、电源特性、电池供电、电源供电、耐压特性、特别提醒、VBAT电压可以检测
Combined Property string栏:{Item}\t{Quantity}\t{Reference}\t{Value}\t{Header栏:Item\tQuantity\tReference\tPart\t。选择原理图–>Tools–>Bill of Materials。
本文介绍了OrCAD中网络标号和跨页连接符的批量修改方法。网络标号修改步骤包括:选中目标网络、编辑属性、复制名称到Excel处理后再粘贴回软件。跨页连接符修改需额外注意乱序问题,在Excel中添加辅助排序列,通过两次排序确保数据对应。两种方法都采用"Excel中介处理+OrCAD粘贴"的模式,实现了高效批量修改,最后均需保存完成操作。
比如 E:\06_Cadence\SPB_22.1\share\pcb\text。用记事本打开,然后把里面的内容全部替换成下面代码的内容;在安装Allegro的目录下面找到一个叫env的,这篇文章基于凡亿教育,主要是让新手方便修改;
KEIL5安装PACK时出现安装不了(Fail to set path to Software Packs.)
摘要:光伏组件电压受温度显著影响,15块串联时,常温下开路电压571.5V满足逆变器要求,但低温(-19℃)时升至651.9V,超过逆变器600V上限。光伏效率随温度升高而降低,硅基电池在25-45℃效率最佳,超过50℃明显下降。。
压敏电阻的选型
/PWM占空比设置函数,最后//一个参数表示CCR的值。
本文介绍了VRM(电压调节模组)和PDN系统(电源分配系统)的基本概念。VRM通过DC-DC或LDO方案为处理器提供可调供电电压,支持不同电压需求的处理器。PDN系统由电源模块、PCB电容、电源平面等多组件构成,具有提供稳定电压和为信号提供低噪声参考路径的双重功能。电源完整性(PI)的核心任务是确保PDN系统满足负载芯片的电源需求。全文简明阐述了现代电子系统中电源管理的关键组成部分及其相互关系。
EG1151是一款宽输入电压(7V-150V)、高效率(95%)的四开关Buck-Boost控制器芯片,采用70kHz固定开关频率和智能升降压切换技术。该芯片集成了欠压、过流、过温等多重保护功能,支持0.8A/1.2A驱动能力,适用于光伏储能、工业电源和电动交通工具等宽电压应用场景。设计要点包括功率回路优化、电感选型计算、控制环路补偿等,通过优化PCB布局和热设计可实现稳定可靠的电源转换方案。
MS2108是一款高集成度USB2.0数字视频采集芯片,支持BT601/BT656/BT1120等数字音视频信号转换,集成USB2.0控制器、数据处理模块等,实现全链路处理。芯片特性包括:支持1080P@60Hz输入,YUV/MJPEG输出模式,最高1920×1080@30Hz分辨率;支持I2S音频输入,96KHz单声道输出;符合UVC1.0/UAC1.0协议,适配Windows/Android/
IP2326是一款高效多串锂电池快充IC,支持2-3节串联电池充电,最高12.6V输出。其同步升压架构效率达94%,兼容5V/9V输入,具备自动快充申请功能。集成电池均衡、CC/CV三段式充电管理,以及多重保护机制。适用于电动工具、便携医疗设备、无人机等15W快充场景,具有高集成度和灵活配置特性,满足复杂环境下的安全充电需求。
本文研究了SVPWM在三相离网逆变器中的应用。首先推导了SVPWM的基本原理,包括扇区判断方法、时间计算公式和七段式时间分配策略。然后基于Simulink搭建了完整的SVPWM调制模块,包含扇区判断、时间计算、时间分配和调制电路等子模块。仿真结果显示,该方法能生成标准的马鞍波调制波形,输出电压能精准跟踪311V目标值,并在负载突变情况下保持良好的动态响应性能。SVPWM相比普通PWM具有电压利用率
IP5326是一款高度集成的Type-C DRP协议电源管理SOC芯片,支持2.4A同步充放电,充电效率94%,升压效率96%。采用3mm×3mm小型封装,集成智能识别、电量显示、多协议支持等功能。核心特点包括:支持4种电池电压配置;4/2/1颗LED电量显示;100μA低待机功耗;照明灯驱动和NTC温度保护;全面的过压/过流/短路保护。适用于Type-C移动电源、紧凑型充电宝、高端定制电源等场景
本文介绍反激式转换器 RCD 缓冲电路的设计指南。当MOSFET 关断时,由于主变压器的漏电感 (Llk) 与MOSFET 的输出电容 (COSS) 之间存在谐振,漏极引脚上会出现高压尖峰。漏极引脚上的过高电压可能导致雪崩击穿,并最终损坏 MOSFET。因此,必须添加一个额外的电路,实现电压箝位。
光伏电站火灾多由直流侧故障引发,快速关断系统(RSD)通过组件级关断提升安全性。该系统由发射器和接收器组成,采用PLC通信技术,当检测到故障时可在30秒内将电压降至安全范围。工作原理包括:逆变器断电→信号中断→接收器启动关断→组件电压降至1V→系统电压达标。RSD符合NEC标准,能有效降低触电风险,关断速度可达10ms以内。
本文介绍了在Multisim中导入Spice模型的详细步骤:首先从TI官网下载模型文件(如TPS54360),用文本编辑器修改模型内容,注释掉第一个.ENDSXXXX并复制到文件末尾,保存为.cir格式。在Multisim中使用元器件向导,设置元器件名称、封装和管脚配置,加载修改后的Spice文件并映射管脚关系,最后保存即可使用。文末提供了相关视频教程链接供参考。
IP5306是一款高度集成的多功能电源管理SOC芯片,专为移动电源设计。它采用同步开关充放电技术,支持2.1A充电和2.4A放电,效率高达92%,并兼容多种规格锂电池。芯片集成电量显示、智能按键控制、超低待机功耗(<100μA)等功能,仅需单电感和少量外围元件即可构建完整方案。其内置多重保护机制,支持边充边放,适用于快充移动电源、迷你充电宝等场景。IP5306以高集成度和低成本优势,成为移动
本文研究了三相逆变器解耦控制方法。首先建立了LC滤波器下的三相逆变器状态空间模型,通过Clark-Park变换将交流量转换为直流量处理,推导出s域下的dq轴解耦状态方程。然后提出了电流内环和电压外环的解耦控制器设计方案,电流内环通过前馈补偿实现完全解耦,电压外环采用状态量反馈近似解耦。最终实现了dq轴分量的独立控制器设计,由于系统零极点相同,参数设计可同步处理。该方法为三相逆变器的参数设计提供了理
激光和喷墨并没有绝对的优劣之分,它们是不同技术路线在不同应用场景下的最优解。作为技术决策者,理解其底层的技术原理和成本模型,有助于我们跳出营销话术,做出最符合实际需求和长期利益的理性选择。本文将从技术视角出发,深入剖析这两种打印机的核心区别,并结合具体的应用场景,为您提供一份科学、理性的选型指南。在IT基础设施和开发环境中,打印机不仅是外设,更是信息流转的关键节点。复杂的机械和光学结构导致了较高的
SA8206A是一款专为低功耗应用优化的保护芯片,针对物联网设备、便携医疗仪器等场景进行精准调校。其核心特性包括6.0V过压保护、1.4A过流保护、500mΩ导通电阻和仅需47nF输入电容的微型化设计。相比标准型号SA8206,该产品在0.1-0.5A工作区间具有更优能效表现,典型0.7A负载下功耗仅0.245W,且支持超紧凑PCB布局。通过精准匹配低功耗设备的电流需求,在保证安全性的同时避免了过
AGPS 概述、准备软硬件环境、GPS 软硬件参考、代码示例介绍、GPS 常见名词解释
开关电源中的"假负载"电阻是确保电源稳定运行的关键辅助元件,主要发挥三大作用:1.空载稳压,防止输出电压失控飙升;2.关机后快速泄放滤波电容中的残留电荷;3.优化动态响应,减少负载突变时的电压波动。选型时需平衡阻值,既要满足稳定需求(5-50mA空载电流),又要符合节能标准。该电阻虽非核心负载,但对电源可靠性至关重要。
SA8206代表了保护芯片"够用就好"的设计哲学,在保证核心保护功能的前提下,通过精准的参数裁剪实现显著的成本优化。核心价值体现经济性:为价格敏感型应用提供可靠的保护方案简洁性:三引脚设计极大简化系统设计可靠性:继承系列产品的成熟保护架构适用性:覆盖绝大多数标准5V应用场景选型决策指南选择SA8206当您的应用满足标准的5V供电系统峰值电流需求≤2.0A对成本高度敏感PCB空间极度受限生产规模大,
MODBUS 概述、演示功能概述、准备软硬件环境、上位机下位机模拟软件、运行结果展示、常见问题及总结
MS2131S是一款高性能USB3.0音视频采集芯片,支持4K@60Hz高清采集与环出功能。其核心特性包括:支持4096×2160分辨率输入/环出,集成3路I2S音频接口和S/PDIF输出,可实现多音源混音处理;通过USB3.0接口实现4K@60Hz(MJPEG)或3840×2160@30Hz(YUV420)视频传输;兼容Windows、Android、Linux等多系统,并支持二次开发。该芯片集
为大量不需要复杂配置的5V系统,提供一个“刚刚好”的、坚固且廉价的保护方案。它不像那些功能全面的可调器件那样耀眼,但它将 “简单、可靠、成本” 这三个工程核心要素推向了极致。在充斥着各种复杂IC的世界里,这种将单一功能做到极致、行为完全确定的“笨”芯片,恰恰是构建高可靠性系统的基石。它让设计者能够将精力集中在核心功能开发上,而无需为电源前端的安危而分心。
硬件工程
——硬件工程
联系我们(工作时间:8:30-22:00)
400-660-0108 kefu@csdn.net