
简介
该用户还未填写简介
擅长的技术栈
可提供的服务
暂无可提供的服务
这段配置代码透露了关键信息——他们用DSP自带ADC做四通道轮询采样,每个通道的转换间隔控制在1.2us左右。实际项目中要注意的是,输入电压采样的RC滤波电路必须和这个采样速率匹配,否则数据会跳得亲妈都不认识。拆开一台工业级15kW充电模块,最先看到的肯定是布满功率器件的散热板。别问我怎么知道的,实验室里的焦糊味还没散干净呢。实测中发现,降额系数每升高1℃减少2%的设计,刚好能让风扇转速跟上温升曲

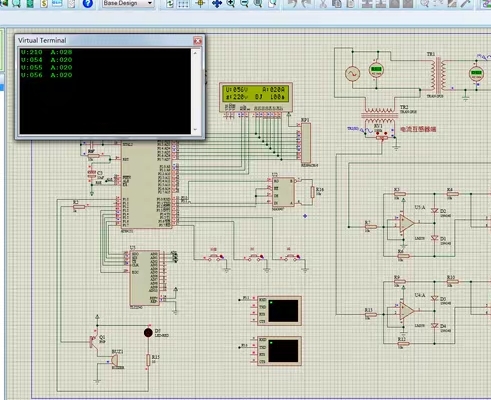
本系统基于51单片机开发,核心实现电网电流、电压参数的实时监测、阈值设置、LCD显示、串口通信及超限报警功能。系统硬件核心包含TLC1543模数转换芯片(负责模拟量采集)、LCD1602显示模块(数据可视化)、485通信接口(数据传输)及按键交互模块(参数配置),软件采用模块化设计,通过分层实现硬件驱动、数据处理、用户交互与报警控制,确保系统稳定性与可维护性。

该定速巡航系统的软件设计充分体现了嵌入式实时控制系统的典型特征:以中断为核心处理异步事件,以定时器为节拍驱动周期性任务,以状态机或主循环协调各模块运行。通过巧妙地结合霍尔传感器、PID 控制算法和 PWM 技术,系统成功构建了一个功能完整、性能可靠的闭环速度控制系统。其模块化的设计思想和清晰的代码结构,不仅保证了系统的可维护性和可扩展性,也为同类嵌入式控制项目的开发提供了宝贵的参考范例。单片机的定

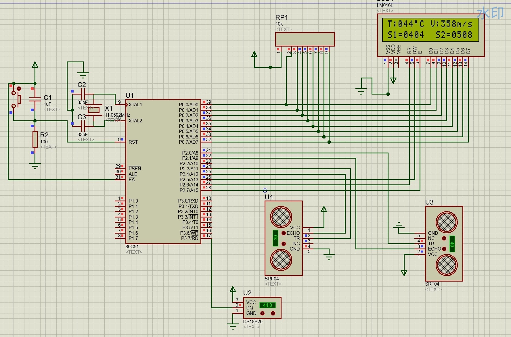
超声波测距的原理很简单,就是通过单片机发送一个超声波信号,然后等待回波。根据超声波从发射到接收的时间差,再结合声速,就能算出距离。公式是:距离 = 声速 × 时间 / 2。不过呢,声速会受温度影响,所以需要温度补偿。

在开发这个8路抢答器过程中,遇到了不少小坑。比如按键消抖,如果处理不好,按键可能会误触发。还有数码管显示的亮度和清晰度,要合理调整限流电阻。通过C程序和Proteus仿真结合,一步步实现了这个功能丰富的抢答器,也算是在单片机开发之路上又迈进了一步。希望我的这些经验和代码分享,能给同样在探索单片机世界的你一些帮助。51单片机8路抢答器(二)C程序、proteus仿真、报告!支持按键设置、LED数码管

今天要聊的哈里斯鹰算法(HHO),就像是算法界的特种部队,把群体狩猎的智慧转化为数学公式。这种算法最大的魅力在于,它不需要像其他算法那样调十几个参数,但探索能力却强得离谱。曾有个做无人机路径规划的朋友,把传统的莱维飞行策略替换成高斯扰动,结果在复杂地形中的避障成功率提升了23%。代码中的energy参数是精髓所在,它控制着算法从全局搜索到局部开发的平滑过渡。该算法有较强的全局搜索能力,并且需要调节

开机默认自动模式,时间到了就自动控制继电器开关。可以设置5个开关开的时间和5个开关关的时间,每一个时间都可以单独设置成是否工作有效,设定的时间并具有掉电保存功能,保存在STC单片机的内部,上电无需重新设置。可以设置5个开关开的时间和5个开关关的时间,每一个时间都可以单独设置成是否工作有效,设定的时间并具有掉电保存功能,保存在STC单片机的内部,上电无需重新设置。插座可以设置5个开关开的时间和5个开

最近在做一个工业设备故障预测项目时,用Lasso成功从200多个工况参数里筛出8个关键指标,部署到嵌入式系统后推理速度提升了6倍。有时候简单的模型配合恰当的特征选择,反而比复杂模型更实用。红色虚线标出最优λ对应的位置,可以看到随着惩罚力度增强,越来越多的系数被压缩为零。注意这里故意让大部分系数为零,模拟真实场景中的冗余特征。注:暂无Matlab版本要求 -- 推荐 2018B 版本及以上。基于La

对于需要学习项目与代码规范的工程师来说,小米1代扫地机器人无疑是一个理想的学习平台。小米1代扫地机器人集成了多种驱动协议,包括IIC、PWM、SPI、多路ADC与DMA等,确保了机器人能够与各个模块进行高效通信。软件驱动包括 IIC、PWM、SPI、多路ADC与DMA、编码器输入捕获、外部中断、通信协议、IAP升级、PID、freertos操作系统等。软件驱动包括 IIC、PWM、SPI、多路AD

SHAP值计算与排序:对任意XGBoost或LightGBM模型,计算每个特征的SHAP值并按其重要性排序特征重要性可视化:生成特征重要性条形图,直观展示各特征对模型输出的平均影响SHAP摘要图:使用蜂群图展示特征值的分布及其对模型输出的影响方向和大小SHAP依赖图:分析单个特征与SHAP值之间的关系,揭示特征影响的潜在模式交互效应可视化:展示特征间的交互作用对模型预测的影响这套基于R的SHAP可








