登录社区云,与社区用户共同成长
邀请您加入社区
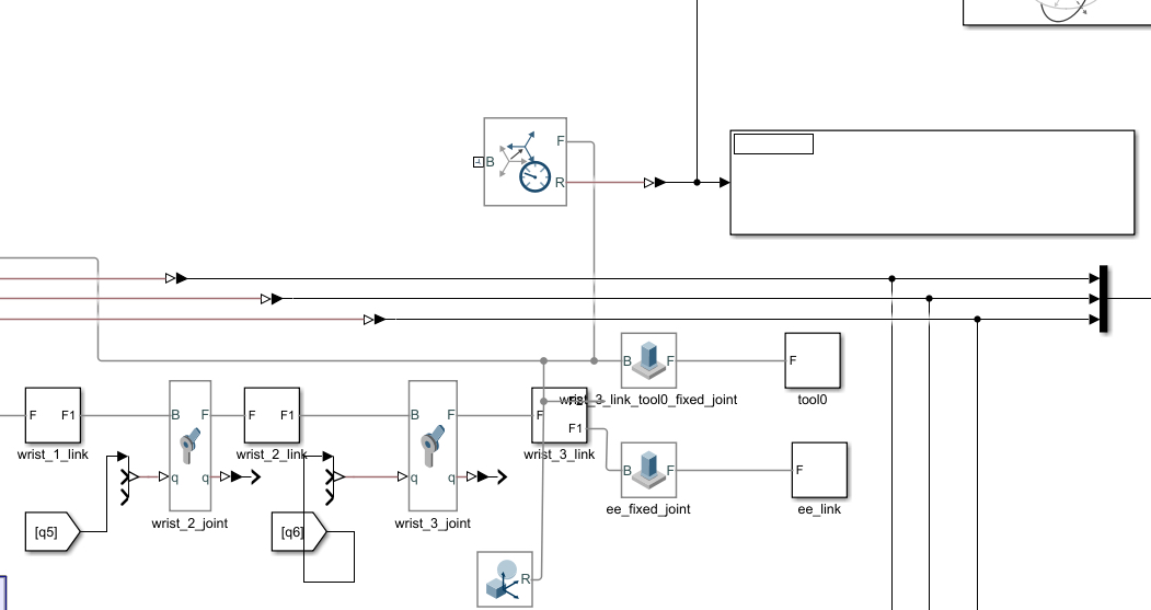
MATLAB仿真UR5机器人simulink simscape 自制建模正向运动学,逆向运动学关节空间轨迹规划 五次多项式轨迹规划笛卡尔空间轨迹规划 直线插补还包含机器人工具箱建立的模型对比在机器人研究领域,MATLAB是一款极为强大的工具,它提供了丰富的函数库和仿真环境,能让我们对机器人的运动学和轨迹规划进行深入的研究与分析。
一种基于扩展反电动势的永磁同步电机无位置控制算法,全部C语言 编写,含有矢量控制大部分功能(弱磁,解耦,过调制,死区补偿等)为了方便学习和工作,该产品结合S-Function进行仿真,且属于量产产品级,已经在多个项目中应用,并赠送多种无位置纯仿真模型(包含滑膜,高频注入,MRAS,龙贝格等)
ISTA3F标准是针对重量≤45kg的零售运输包装测试规范,模拟混合托盘运输中的堆叠压力、多向跌落和随机振动等风险场景。该标准适用于快消品、电子产品等零售补货品类,相比整托测试成本更低,能有效平衡包装防护与成本。测试需6个样品,包含环境预处理、压缩测试、多高度跌落和30分钟随机振动等关键项目。与ISTA3A(快递包裹)和3E(整车运输)不同,3F专注于零售终端运输场景,帮助企业降低破损率、优化包装
亚马逊ISTA6A包装标准推动跨境电商物流升级。该标准要求商品包装通过模拟物流场景测试,成为FBA入仓必备条件,加速行业洗牌。标准细分为8种测试方案,严苛要求倒逼包装优化,降低破损率同时提升效率。合规企业实现成本下降18%、评分提升等效益,推动环保材料等创新方案普及。未来该标准或进一步升级,要求企业提升合规效率与创新能力,引领行业高质量发展。
本文系统解读了GB/T4996-2014《联运通用平托盘试验方法》标准的核心内容与应用价值。该标准等效采用国际标准ISO8611,涵盖木质、塑料及复合材料托盘检测,为跨境物流、仓储管理等关键领域提供统一质量验证框架。文章详细解析了力学性能、环境适应性和材料性能三大检测维度,并针对企业检测中的常见痛点提出解决方案。通过跨境电商和汽车制造业的实战案例,展示了标准应用的实际效益。最后指出选择具备CNAS
冷链运输包装检测是保障商品品质的关键环节。针对生鲜、医药等对温湿度敏感的商品,检测需聚焦保温性、抗压抗震性、密封性和低温耐受性等核心指标,通过模拟实际运输环境进行严格测试。检测过程需贴合实际场景、确保样品代表性并遵循行业标准。科学的包装检测能有效规避运输风险,为商品安全和消费者权益提供可靠保障,已成为冷链物流中不可或缺的质量控制手段。
跨境电商运输破损问题突出,ISTA6联邦标准提供专业解决方案。该标准按货物重量分为ISTA6-FedEx-A(≤150磅)和ISTA6-FedEx-B(>150磅)两大体系,分别针对小件和大件货物设计跌落、振动、压力等测试项目。实施该标准可显著降低运输破损率(案例显示从12%降至0.3%),减少理赔成本30%以上,同时提升物流效率和客户信任度。ISTA6标准不仅是包装安全指南,更是企业控制供应链成
在 XML 数据交互场景中,XXE(XML External Entity Injection,XML 外部实体注入)漏洞是常见且危害较大的安全隐患。攻击者通过构造恶意 XML payload,利用解析器对外部实体的不当处理,可实现读取服务器本地文件、探测内网端口、执行远程代码(部分场景)等攻击。本文将聚焦 Java 生态下的 XML 解析器,结合安全与不安全解析器分类,拆解漏洞原理与防御方案。
浪潮信息KOS是浪潮信息基于Linux Kernel、OpenAnolis等开源技术自主研发的一款服务器操作系统,支持x86、ARM等主流架构处理器,性能和稳定性居于行业领先地位,具备成熟的 CentOS 迁移和替换能力,可满足云计算、大数据、分布式存储、人工智能、边缘计算等应用场景需求。详细介绍见官网链接id=12126。Normaliz 是一个开源数学软件,专门用于计算凸多面体的代数数据,特别
此外,部署过程本身也被自动化,通常借助容器化技术(如Docker)和编排工具(如Kubernetes),结合配置管理工具(如Ansible、Terraform),实现环境构建和应用部署的一致性。这种自动化确保了从代码提交到潜在发布的整个路径是高效、可重复且低风险的。每当有新的代码提交时,自动化的CI流水线会被触发,执行一系列如代码编译、静态代码分析、单元测试和集成测试等任务。在持续部署模式下,任何
注意题目easy_tornado 1;tornado是python的一个模板,可以看出这道题是模板注入类的题目。这里看到flag在/fllllllllllllag里面。后续用python写一个代码脚本直接进行解密。并且三个文件中都存在filehash(将加密得来的加到url的哈希函数值里面。可以发现的确是tornado模板注入。在hints.txt文件中发现。小白一个,记录自己的刷题记录。爆coo
OpenSSL开源库存在多种内存泄漏类型,这些泄漏主要通过静态分析(Coverity)、动态检测(ASan/Valgrind)和模糊测试(libFuzzer)发现。
searchall是一款专注于敏感信息扫描的开源工具,核心功能是快速检索文件中的账号、密码、API密钥等敏感数据,同时支持解密浏览器保存的账户密码,适配Windows、Linux、macOS三大系统。其优势在于轻量易用、精准高效,本地化运行保障数据隐私,还支持自定义扫描规则,可灵活应对不同场景需求,广泛应用于安全审计、渗透测试、开发自检等场景。目前工具稳定版本为3.5.x系列,开发语言Go。若需修
2026年3月,Claude Code源码因配置失误泄露59.8MB核心代码,51万行未混淆源码公开。数据显示,2025年公开GitHub泄露秘密达2865万个,AI编码助手使泄密率翻倍;77%员工将敏感数据粘贴至ChatGPT,22%含密码或支付信息。AI智能体自主窃取、诱导生成攻击代码等新型威胁已致数亿条记录失守。AI时代,数据正在“裸奔”。
不同于一些侧重学术研究的NLP库,spaCy自诞生起就定位为“生产就绪型”工具,主打速度与简便性的双重优势。它基于Python开发,封装了先进的NLP算法,无需开发者深入底层开发,就能快速实现词性标注、句法分析、命名实体识别等核心任务,完美适配海量非结构化文本的处理场景——无论是处理700万条招聘广告的大规模数据挖掘,还是日志文本的敏感信息提取,spaCy都能保持高效稳定的表现。其核心价值在于“开
本文介绍了一个基于PowerShell的文件安全扫描脚本,该脚本利用微软Sysinternals工具sigcheck.exe批量检查文件安全性。脚本会自动获取管理员权限,从包含"扫描件"的TXT文件中提取文件路径,通过VirusTotal进行病毒扫描,并将结果输出到桌面CSV报告和日志文件。核心功能包括自动权限提升、系统目录检测、双重下载源保障、详细的错误处理和进度显示。脚本采
Inspectio 是一款专为日志安全审查打造的开源工具,核心能力:双引擎检测:正则表达式+NLP自然语言处理,精准识别敏感数据覆盖全面:内置主流敏感规则(密码、密钥、身份证、云厂商密钥等)多格式输出:Raw(终端)/JSON/HTML,适配终端查看、自动化集成、审计汇报高度自定义:支持添加业务专属检测规则、过滤误报内容跨平台兼容:Windows/Linux/macOS 全支持合规适配:满足GDP
道路病害检测数据集 包含rdd一共 5w3 张包含:横向裂缝 0、纵向裂缝 1、块状裂缝 2、龟裂 3 、坑槽 4、修补网状裂缝 5、修补裂缝 6、修补坑槽 7数据集已划分为训练集/验证集相关YOLOv5/YOLOv6/YOLOv7/YOLOv8模型可直接使用的Yolov8map值 0.751920*1080最近在研究道路病害检测相关项目,今天就来和大家分享一下用到的数据集以及适配的YOLO系列模
环境检测
商业航天产业向规模化、轻量化、商业化的快速演进,使姿态控制、伺服驱动成为商业航天器与运载火箭在轨稳定运行、精准调控的核心环节,角度编码传感器作为该环节的核心感知器件,承担着角位置、角位移、角速度的精准测量任务,其性能直接决定商业航天伺服系统的控制精度与响应效率。同时,微控制器(MCU)作为角度编码传感器的核心控制与数据处理单元,二者的集成适配性是实现传感数据高效采集、解析与传输的关键。
原理图里有个细节挺有意思——MPU6050的IIC接口直接怼到了STM32F103的PB6/PB7,但实际焊板子的时候记得在传感器下面抹点焊锡膏当散热。PCB布局最关键的是电机驱动部分要走大电流,我这版用了2oz铜厚,电源线直接30mil宽度起步,不然电机一启动电压能被拉低到亲妈都不认识。调参的时候先把Ki设0,Kp从3.0开始往上加,直到车能勉强站稳但疯狂抖动,这时候上Kd来镇压。这个0.98和
商业航天产业的规模化发展推动了低轨卫星星座、高分辨率遥感卫星等平台的技术升级,卫星通信处理模块作为星上数据传输、信号调制与信息处理的核心单元,对供电系统的可靠性、抗辐照能力、多通道适配性及集成度提出了严苛的工程要求。DC/DC降压稳压器作为供电系统的核心功率器件,其性能直接决定通信处理模块的在轨工作稳定性与寿命周期。
随着商业航天器热流密度的持续提升,液冷系统已成为高功率载荷热管理的关键技术。本文以国科安芯AS32S601系列基于RISC-V架构的抗辐照微控制器(MCU)为研究对象,系统综述其在商业航天液冷系统控制单元中的集成化应用。基于重离子单粒子试验、质子单粒子效应试验、总剂量效应试验及脉冲激光单粒子效应试验的多源数据,分析了该MCU在辐射环境下的可靠性边界特征,探讨了液冷系统中泵速调节、流量控制、温度监测
基于51单片机交通灯设计单片机模拟交通灯信号灯十字路口信号灯51单片机交通灯proteus仿真仿真图protues 8.0程序编译器:keil 4/keil 5程序 仿真 原理图 报告功能如下:1.红绿灯时间可显示,正常红绿灯切换2.可以按键设置红绿灯时间3.有交通管制按键(按下默认全部红灯)在嵌入式开发的世界里,51单片机是很多爱好者入门的经典选择。今天咱们就来聊聊基于51单片机的交通灯设计,这
掺铒光纤放大器(EDFA)作为商业航天光通信系统的核心器件,其控制单元的可靠性直接决定通信链路的稳定性。本文以国科安芯AS32S601系列抗辐照微控制器(MCU)为研究对象,基于重离子加速器试验、质子辐照试验、脉冲激光试验及总剂量效应试验的多源数据,分析了该MCU在单粒子锁定(SEL)、单粒子翻转(SEU)及单粒子功能中断(SEFI)等效应模式下的响应特征,探讨了EDFA控制单元中MCU与模拟前端
本文详细讲解AI安全领域新型攻击手法——ASCII Smuggling(ASCII走私),通过零宽Unicode隐形字符实现提示词注入,可在用户无感知情况下操控LLM执行恶意指令,窃取邮箱、附件等隐私数据,并给出可落地的防御方案。
本文聚焦OpenClaw实操,介绍这款开源本地AI Agent的核心价值——连接大模型与设备,实现文件管理、终端执行等实操功能。涵盖Windows、Linux、macOS全平台安装步骤,梳理环境配置要求与高频报错解决方案,拆解文件管理、开发辅助、办公自动化3个核心场景,补充进阶优化技巧与避坑要点,手把手指导用户快速上手,解放重复劳动。
OpenClaw作为轻量型 AI 智能网关框架,被广泛应用于企业内部 API 代理、任务调度等场景。此次披露的WebSocket无认证升级漏洞,属于CVSS 10.0满分高危漏洞,攻击者无需身份验证即可直接接管系统,危害极大。本文由“守阙安全团队”制作,从漏洞根源、实战验证、安全加固等方向,复盘漏洞本质与利用流程,并给出针对性的代码修复与防护建议,为企业安全部署使用OpenClaw提供参考。
摘要 Elastic宣布取消按端点计费模式,推出基于风险的XDR安全解决方案。其原生端点防护ElasticDefend提供内核级防护,能在恶意代码执行前阻止高级威胁。平台通过AI驱动自动化,实现实时关联分析,将端点遥测与网络、云日志等数据自动关联,提供完整攻击上下文。ElasticSecurityXDR支持混合部署,可整合第三方安全工具数据,在统一控制台操作。该方案已通过独立测试验证,在2025年
下面按“硬件设备”“软件工具”两大类整理,作为新人采购/选型和实操的参考。测试范围:硬件安全:调试口、Secure Boot、HSM、侧信道。通信安全:车内总线(CAN/以太网)、车外网络(4G/5G/WiFi/BT/GNSS)。固件/软件安全:OS/RTOS、应用、OTA、数据与隐私。逻辑与业务安全:身份认证、访问控制、会话管理、诊断服务。测试方法:静态分析 + 动态分析 + 渗透测试 + 合规
在代码安全审计领域,传统审计方式的痛点日益凸显,而 DeepAudit 作为一款基于大模型的智能审计工具,凭借其独特优势完美解决行业痛点。本文将从官网简介、工具部署、项目审计三个核心维度,手把手教你从零使用 DeepAudit,全程附实操截图与命令,新手也能快速上手。
AI智能体作为"数字员工"正在重塑企业生产力,但其主动决策能力也带来全新安全挑战。本文提出智能体安全的三层防护体系:本体安全(模型可靠性)、交互安全(对话管控)和环境安全(基础设施)。通过六维评估体系(网络安全、认证安全等)和四级风险管控机制,企业可实施五大核心加固措施:网络最小暴露、零信任认证、沙箱隔离、数据防泄露和持续监控。实践案例显示,系统化安全加固可使风险评分显著提升(
OpenClaw图片读取问题分析与解决 摘要: 本文记录了OpenClaw工具无法读取图片的问题排查过程。问题表现为沙盒配置无法访问外部图片目录,错误提示路径不在允许范围内。分析发现OpenClaw的安全架构将媒体目录(~/.openclaw/media/inbound/)和工作区(~/.openclaw/workspace/)隔离,导致图片访问受限。解决方案是通过修改配置将外部目录映射到容器内部
DCA-8000 针对传统电池 “诊断 + 充电” 分离模式的效率低、充电盲目等痛点,实现 “边诊断边充电” 一体化操作。其可自动适配 12V/24V 铅酸(含 AGM / 胶体)、锂电池,充电中实时监测电池健康度、内阻及单体状态,针对性调整策略(如铅酸去硫化、锂电均衡)。该设备适用于汽修厂、车队运维及电池维修店,能减少设备切换时间,提升轻度衰减电池复用率,避免盲目充电导致的电池损伤。实操中需注意
而能力的提升,需要有科学、系统的体系指引,为此我整理了对标大厂的软件测试进阶学习文档,从初级到中高级测试工程师的能力模型出发,拆解各阶段核心技能要求、实操方法和进阶路径,覆盖传统测试基础、自动化测试核心、性能 / 安全测试要点,更贴合 AI 时代测试岗位的能力需求,为不同阶段的测试从业者搭建完整的能力框架,让你在学习中找准方向、补齐短板,稳步实现能力升级。我们要做的,不是抗拒 AI,而是完成从 “
AI赋能安全测试的6大核心能力包括智能漏洞扫描、代码审计、攻防模拟、告警降噪、API安全测试和漏洞管理闭环。通过AI可提升5-10倍效率,实现从被动防御到主动预防的转变。落地路径分工具选型和环境搭建(1-2周)、流程落地两个阶段,推荐结合BurpSuite/OWASPZAP等工具进行实战应用。关键要点包括建立专业团队、注重数据隐私、采用"左移"策略并实现全链路覆盖。AI安全测试
Simulink导弹制导系统仿真模型文件使用指南视频讲解在现代军事科技与航空航天领域,Simulink凭借其强大的建模仿真能力,成为了导弹制导系统开发与研究的得力助手。今天咱就来唠唠Simulink导弹制导系统仿真那些事儿,涵盖模型文件、使用指南,再配上视频讲解,全方位带你玩转这个仿真领域。
EKF扩展卡尔曼滤波算法做电池SOC估计,在Simulink环境下对电池进行建模,包括:1.电池模型2.电池容量校正与温度补偿3.电流效率采用m脚本编写EKF扩展卡尔曼滤波算法,在Simulink模型运行时调用m脚本计算SOC,通过仿真结果可以看出,估算的精度很高,最大误差小于0.4%注意:在电池管理系统中,准确估计电池的荷电状态(SOC)至关重要。今天咱就来讲讲如何利用EKF扩展卡尔曼滤波算法,
在渗透测试中,Nginx作为主流的反向代理和Web服务器,其域名与IP的映射配置错误是高频的安全隐患,而HOST碰撞技术正是挖掘这类问题的核心手段。很多小白会疑惑,明明能ping通服务器IP,却无法访问站点,或是部分内网服务藏在Nginx后无法直接探测,这背后大概率是Nginx的host配置规则导致,而HOST碰撞就能帮我们突破这种访问限制,找到配置漏洞。本文从基础原理讲起,全程聚焦实操,教你用两
在【Web安全】逻辑漏洞之URL跳转漏洞:原理、场景与防御已经对URL跳转漏洞进行了基础的介绍,但是近期在渗透中发现由该漏洞引发其他形式的问题,因此本文进行补充。URL跳转漏洞的危害远不止钓鱼攻击,其与XSS的结合利用和未授权/越权访问的延伸危害,能直接突破网站的权限边界和内网防护,造成更严重的信息泄露和服务器被控制风险。测试时需跳出“仅测试外部跳转”的思维,重点验证伪协议利用和内网/高权限页面跳
Jenkins是一个开源的软件项目,是基于java开发的一种持续集成工具,用于监控持续重复的工作,旨在提供一个开放易用的软件平台,使软件的持续集成变成可能。由于是基于java开发因此它也依赖java环境,安装之前需要先安装jdk,建议jdk1.8+,安装后配置java环境变量。安装jdk成功后,在cmd使用java -version可查看jdk版本信息。
通过Fastjson反序列化漏洞,攻击者可以传入一个恶意构造的JSON内容,程序对其进行反序列化后得到恶意类并执行了恶意类中的恶意函数,进而导致代码执行。查看pom文件确认使用fastjson组件(非maven项目去找jar,往往放在一个lib,比如webapp/web-inf/lib)-------查找反序列化函数------构造利用点如构造函数、get/set方法(需要public权限)、st
本文详细描述了Vulfocus靶场中weblogic远程代码执行(CVE-2018-3245)漏洞复现过程
这篇文章是Contrast Security 的CTO和共同创始人,Jeff Williams于2018年末写的一篇文章,对IAST描述的非常清楚,其中谈到的技术,我们今天还在做。对于IAST的深刻理解,非常值得我们学习。一、介绍交互式应用安全测试(Interactive application security testing IAST)是一个在应用和API中自动化识别和诊断软件漏洞的技术。如果
将【config.inc.php.dist】重命名为【config.inc.php】,然后重新输入网址【http://127.0.0.1/DVWA/setup.php】就可以打开了。
可以请一些行业中安全方面的专家对这个金库进行全面检测和评估,比如检查金库门是否容易被破坏,检查金库的报警系统是否在异常出现的时候及时报警,检查所有的门、窗、通道等重点易突破的部位是否牢不可破,检查金库的管理安全制度、视频安防监控系统、出入口控制等等。,白盒指的是盒子是可视的,你清楚盒子内部的东西以及里面是如何运作的。以上是度娘的概念,简单来说,黑盒测试就是在不知道程序具体内容的情况下,按规定内的数
本文系统介绍了计算机软件的发展历程与分类,重点阐述了软件测试的概念、发展历史及分类方法。软件从早期简单程序发展为复杂系统,经历了UNIX、Windows等重要里程碑。软件测试经历了从调试到质量保证的演变,1957年明确了测试与调试的区别,1980年质量概念融入测试。测试按开发阶段可分为单元、集成、系统、验收测试;按技术分为白盒、黑盒、灰盒测试。文章还总结了13条软件测试原则,强调测试需基于用户需求
安全性测试
——安全性测试
联系我们(工作时间:8:30-22:00)
400-660-0108 kefu@csdn.net