登录社区云,与社区用户共同成长
邀请您加入社区
GitHub Code Analysis 项目最终状态报告## 1. 项目完成度统计指标 数值 完成度 核心ETL流程完成度 16/18 88.9% 已实现表数量 16/18 88.9% 数据流转完整性 核心4层 100%说明 :- 18张表中,16张已有数据- 2张缺失( metric_detail_json 为可选扩展, ads_language_analysis 和 ads_repo_qua
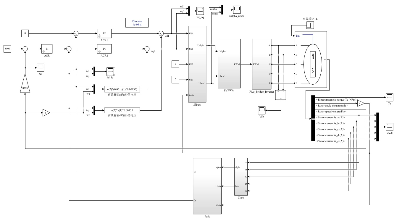
双闭环矢量控制里最烧脑的环节,当属邻近四矢量SVPWM的实现。有次手滑把2π写成π,结果输出转矩直接腰斩,查了三天才发现是这里的小数点背叛了革命。实测发现这个处理直接影响了扇区切换时的波形平滑度,有次调试忘了加mod函数,结果波形突然跳变差点烧了IGBT。特别是那个非线性补偿表,据说是用遗传算法优化出来的,实测能提升约3%的转矩输出效率。这个设计完美解决了积分饱和引发的超调问题,实测突卸负载时的转
本文介绍了如何在PyTorch Scala中通过继承torch.nn.Module来创建自定义模块。主要内容包括: 自定义模块的核心构成: __init__方法用于定义和初始化子模块、参数和缓冲区 forward方法实现具体计算逻辑 关键实践建议: 在__init__中调用super().__init__() 使用register_buffer管理不可学习状态 保持模块功能专注和可组合 清晰定义输
本文介绍了PyTorch的自定义扩展与互操作性,重点讲解了如何构建C++扩展来提升计算性能、集成现有C++库或实现专用算法。主要内容包括:使用torch::Tensor类进行C++张量操作,通过setup.py设置构建流程,编写包含Pybind11绑定的C++源文件,以及编译和使用自定义扩展。此外还简要提及了与Autograd集成的方法,需要定义前向和后向传播来实现自动微分。通过这些技术,开发者可
本文介绍了使用K-means聚类算法对客户消费数据进行分群分析的完整流程。首先通过Python脚本将Excel数据转换为CSV格式并上传至HDFS,随后使用Scala编写Spark应用程序,调用MLlib中的K-means算法实现聚类分析。项目采用3个聚类中心,通过标准化处理后计算轮廓系数和WSSSE评估模型效果,最终输出包含客户ID、RFM特征值和所属群组的CSV结果。系统还提供了可视化分析模块
Acridinium-Biotin(吖啶生物素)是一种双功能化学偶联物,通过共价键将吖啶酯类化学发光基团与生物素(维生素B₇)连接而成
今天是我们开启Kafka源码分析的“热身课”,我给出了构建Kafka工程以及搭建Kafka源码阅读环境的具体方法。我建议你对照上面的内容完整地走一遍流程,亲身体会一下Kafka工程的构建与源码工程的导入。毕竟,这些都是后面阅读具体Kafka代码的前提条件。最后我想再强调一下,阅读任何一个大型项目的源码都不是一件容易的事情,我希望你在任何时候都不要轻言放弃。很多时候,碰到读不懂的代码你就多读几遍,也
本文介绍了一种基于Yolov8的铁轨轨道缺陷检测方法,通过对已提供的数据集进行训练和测试,我们可以准确地检测出脱落、轮烧、压陷和磨耗等轨道缺陷。本文将介绍一种基于Yolov8的铁轨轨道缺陷检测方法,该方法利用已提供的数据集进行模型训练,并针对脱落(Spalling)、轮烧(Wheel Burn)、压陷(Squat)和磨耗(Corrugation)等轨道缺陷进行检测。本次研究使用的数据集包含共227
这是一个基于Java语言的完整项目资源包,包含SSM+SpringBoot+Vue技术栈开发的学生管理系统。项目提供前后端完整源代码、SQL数据库脚本、配套文档(论文+PPT+开题报告)以及远程调试支持。采用Mysql数据库,支持IDEA/Eclipse开发环境,包含JSP页面和Vue框架实现。资源包中还附有项目演示视频和运行截图,方便学习者了解项目效果。有需要的开发者可以通过文末联系方式获取全套
目的:通过spark-submit提交scala代码scala代码需要先编译才能在spark上跑工具:sbt下载地址sbt正式开始假设现在的地址是 /home/sparknode/scalacode,则需要先mkdir -p src/main/scala(路径必须严格遵守,少一个都不行)然后在 /home/sparknode/scal...
转载请注明出处:http://www.cnblogs.com/BYRans/1 概述(Overview)2 引入Spark(Linking with Spark)3 初始化Spark(Initializing Spark)3.1 使用Spark Shell(Using the Shell)4 弹性分布式数据集(RDDs)...
我在windows下面用idea运行spark-sql程序的时候,报了上面的那个错误,我尝试了很多方法,都没有啥效果,后来我往下继续阅读错误,发现了这个实质性错误Exception in thread "main"java.lang.UnsatisfiedLinkError。如果是报Error while instantiating 'org.apache.spark.sql.hive.Hiv..
当前spark任务都是运行在yarn上,所以不用启动长进程worker,也没有master的HA问题,所以主要的问题在任务执行层面。作业故障分类故障主要分为版本,内存和权限三方面。 - 各种版本不一致 - 各种内存溢出 - 其他问题版本不一致1)java版本不一致报错:java.lang.UnsupportedClassVersionError: com/immomo/recom...
目录业务需求业务数据源用户访问Session分析Session聚合统计Session分层抽样Top10热门品类Top10活跃Session页面单跳转化率分析各区域热门商品统计分析...
来自官网的Spark Programming Guide,包括个人理解的东西。 这里有一个疑惑点,pyspark是否支持Python内置函数(list、tuple、dictionary相关操作)?思考加搜索查询之后是这么考虑的:要想在多台机器上分布式处理数据,首先需要是spark支持的数据类型(要使用spark的文件I/O接口来读取数据),pyspark主要是Dataframe...
在spark1.6.0中运行代码,出现如下错误:org.apache.spark.SparkException: Failed to get broadcast_270_piece0 of broadcast_270解决方法1.可能是因为spark.cleaner.ttl导致的,spark.cleaner.ttl设置一个清除时间,使spark清除超过这个时间的所有RDD数据,以便腾出空间给...
如果用户希望在spark sql 中,执行某个sql 后,将其结果集保存到本地,并且指定csv 或者 json 格式,在 beeline 中,实现起来很麻烦。通常的做法是将其create table tempTable as *** ,通过将结果集写入到新的临时表中,进行保存,然后再通过其他方式export 到本地。这种方式,对于 HDFS 是可行到,但是如果数据是保存在像SequoiaDB ..
如何一步一步地在Intellij IDEA使用Maven搭建spark开发环境,并基于scala编写简单的spark中wordcount实例。1.准备工作首先需要在你电脑上安装jdk和scala以及开发工具Intellij IDEA,本文中使用的是win7系统,环境配置如下:jdk1.7.0_15scala2.10.4scala官网下载地址:http://www.sca...
spark-shell 作用:调用spark-submit脚本,如下参数--classorg.apache.spark.repl.Main --name "Spark shell" "$@",如下:具体流程是:#1 捕获终端信号,执行退出方法,恢复一些操作#2 保存终端配置,当cygwin时关闭回显,之后再恢复#3 执行spark-submit,调用repl.Main...
spark之java程序开发1、Spark中的Java开发的缘由: Spark自身是使用Scala程序开发的,Scala语言是同时具备函数式编程和指令式编程的一种混血语言,而Spark源码是基于Scala函数式编程来给予设计的,Spark官方推荐Spark的开发人员基于Scala的函数式编程来实现Spark的Job开发,但是目前Spark在生产上的主流开发语言仍然是Java,造成这一...
Spark报错处理1、问题:org.apache.spark.SparkException: Exception thrown in awaitResult分析:出现这个情况的原因是spark启动的时候设置的是hostname启动的,导致访问的时候DNS不能解析主机名导致。问题解决:第一种方法:确保URL是spark://服务器ip:7077,而不是spark://hostname...
1 作用当该方法在spark内部代码中调用时,会返回当前调用spark代码的用户类的名称,以及其所调用的spark方法。所谓用户类,就是我们这些用户使用spark api的类。2 内部实现2.1 涉及到的java或scala知识(1)Thread.currentThread.getStackTrace():返回一个表示该线程堆栈转储的堆栈跟踪元素数组。如果该线程尚未启动或已经终止,...
java1 /**2*cogroup与join算子不同的是如果rdd中的一个key,对应多个value,则返回<Iterable<key>,Iterable<value>>3*@author Tele4*/5 public class CogroupDemo {6private static ...
java1 /**2*join算子是根据两个rdd的key进行关联操作,类似scala中的拉链操作,返回的新元素为<key,value>,一对一3*@author Tele4*5*/6 public class JoinDemo {7private static SparkConf conf = new Spar...
原文地址:http://blog.csdn.net/mach_learn/article/details/41824737?utm_source=tuicool&utm_medium=referral1、本地运行出错及解决办法当运行如下命令时:[java]view plaincopy./bin/spark-submit\--...
1、spark job 提交模式sparkonyarn分两种情况,一种是yarn-client提交,一种是yarn-cluster提交方式,两种方式的区别是:yarn-cluster模式下,driver运行在AM(ApplicationMaster)中,它负责向YARN申请资源,并监督作业的运行状况。当用户提交了作业之后,就可以关掉Client,作业会继续在YARN上运行;y...
spark版本:1.6.0scala版本:2.10报错日志:Application application_1562341921664_2123 failed 2 times due to AM Container for appattempt_1562341921664_2123_000002 exited with exitCode: -104For more detail...
最近需要做一个UI,在UI上做一个可以提交的spark程序的功能;1-zeppelin就是这样的一个工具,其内部也是比较繁琐的。有兴趣的可以了解下。2-SparkLauncher,spark自带的类linux下其基本用法:public static void main(String[] args) throws Exception {HashMap&...
本文基于《Spark 高级数据分析》第2章 用Scala和Spark进行数据分析。完整代码见 https://github.com/libaoquan95/aasPractice/tree/master/c2/Into1.获取数据集数据集来自加州大学欧文分校机器学习资料库(UC Irvine Machine Learning Repository),这个资料库为研究和教学提供了大量非常好的...
背景:调研过OOZIE和AZKABA,这种都是只是使用spark-submit.sh来提交任务,任务提交上去之后获取不到ApplicationId,更无法跟踪spark application的任务状态,无法kill application,更无法获取application的日志信息。因此,为了实现一个spark的调度平台所以有了以下调研及测试结论。调研目前流行的SPARK任务调度:Ooz...
spark 例子count(distinct 字段)例子描述:有个网站访问日志,有4个字段:(用户id,用户名,访问次数,访问网站)需要统计:1.用户的访问总次数去重2.用户一共访问了多少种不同的网站这里用sql很好写select id,name,count(distinct url) from table group by id,name其实这个题目是继官方和各种地方讲解聚合函...
问题一:1 2019-06-22 20:51:22 INFOClient:54 - Application report for application_1561087892111_0001 (state: ACCEPTED)2 2019-06-22 20:51:23 INFOClient:54 - Application report for application...
一。读写Parquet(DataFrame) Spark SQL可以支持Parquet、JSON、Hive等数据源,并且可以通过JDBC连接外部数据源。前面的介绍中,我们已经涉及到了JSON、文本格式的加载,这里不再赘述。这里介绍Parquet,下一节会介绍JDBC数据库连接。 Parquet是一种流行的列式存储格式,可以高效地存储具有嵌套字段的记录。Parquet是语言无关的,而且...
在执行spark on hive 的时候在 sql.show()处报错 : Exception in thread "main" java.lang.NoClassDefFoundError: org/apache/hadoop/fs/CanUnbuffer报错详情:Exception in thread "main" java.lang.NoClassDefFoundError: ...
spark简述sparkContext在Spark应用程序的执行过程中起着主导作用,它负责与程序和spark集群进行交互,包括申请集群资源、创建RDD、accumulators及广播变量等。sparkContext与集群资源管理器、work节点交互图如下:官网对图下面几点说明:(1)不同的Spark应用程序对应该不同的Executor,这些Executor在整个应用程序执行...
spark sql可以与hbase交互,比如说通过jdbc,但是实际使用时,一般是利用phoenix操作hbase。此时,需要在项目中引入phoenix-core-4.10.0-HBase-1.2.jar和phoenix-spark-4.10.0-HBase-1.2.jar。java代码示例:public static void main(String[] args) {...
使用方法:./spark-script.sh your_file.scala first_arg second_arg third_arg脚本:scala_file=$1shift 1arguments=$@#set +o posix# to enable process substitution when not running on bash...
需求:参数是多个没有顺序的rowKey,在某张表中批量查询。一个一个rowKey查询的话,效率太低。实现:需要在scan中添加filter。filter中添加多个rowKey,对需要查询的rowKey进行限制。x代表rowKey。val rowKeyFilter=new RowFilter(CompareFilter.CompareOp.EQUAL,new BinaryCompara...
链接至:维基百科.NET Framework平台语言C++/CLI· C#· F#· IronPython· J#· Visual C#· Visual Basic .NET· Small BasicC/C++语言C· C++· Turbo C++· Borland C++· C++ Builder- C++/CLI· ...
在进行单元测试时,测试出现异常Exception in thread "main" java.lang.NoSuchMethodError: org.junit.platform.commons.util.ReflectionUtils.getDefaultClassLoader()Ljava/lang/ClassLoader;错误就在pom.xml的依赖中,仔细查看控制台输出你会发现...
spark 官网首页https://spark.apache.org/spark 官网文档spark scala API 文档https://spark.apache.org/docs/latest/api/scala/index.html#packagecsdn spark 技术社区http://spark.csdn.net/https://www.iteblo...
来自:代码大湿代码大湿1 相关介绍jupyter notebook是一个Web应用程序,允许你创建和分享,包含活的代码,方程的文件,可视化和解释性文字。用途包括:数据的清洗和转换、数值模拟、统计建模、机器学习和更多。支持40多中语言。python ,R,go,scala等。Spark是UC Berkeley AMP lab所开源的类Hadoop MapReduce的通用并...
hadoop+spark环境--单实例版1、修改主机名及关系映射2、关闭防火墙并创建文件夹mkdir /hadoop/tmpmkdir /hadoop/dfs/namemkdir /hadoop/dfs/datamkdir /hadoop/var3、配置Scala环境[root@hadoop conf]#vim /etc/profileexport SCALA_HOME=/opt/scala2.1
前言:•一、背景介绍•二、大数据介绍正文:•一、大数据相关的工作介绍•二、大数据工程师的技能要求•三、大数据学习规划•四、持续学习资源推荐(书籍,博客,网站)•五、项目案例分析(批处理+实时处理)前言一、背景介绍本人目前是一名大数据工程师,项目数据50T,日均数据增长20G左右,个人是从Java后端开发,经过3个月的业余自学成功转型大数据工程师。附上本...
摘要spark的调度一直是我想搞清楚的东西,以及有向无环图的生成过程、task的调度、rdd的延迟执行是怎么发生的和如何完成的,还要就是RDD的compute都是在executor的哪个阶段调用和执行我们定义的函数的。这些都非常的基础和困难。花一段时间终于弄白了其中的奥秘。总结起来,以便以后继续完善。spark的调度分为两级调度:DAGSchedule和TaskSchedule。DAGSched.
2019独角兽企业重金招聘Python工程师标准>>>...
0. 引言hadoop 集群,初学者顺利将它搭起来,肯定要经过很多的坑。经过一个星期的折腾,我总算将集群正常跑起来了,所以,想将集群搭建的过程整理记录,分享出来,让大家作一个参考。由于搭建过程比较漫长,所以,这篇文章应该也会很长,希望大家能耐心看完。1. 集群环境和版本说明3台CentOS 7.4 的服务器,4CPU,8G内存;jdk1.8hadoop2.7.7spark 2....
为什么80%的码农都做不了架构师?>>>...
scala
——scala
联系我们(工作时间:8:30-22:00)
400-660-0108 kefu@csdn.net