登录社区云,与社区用户共同成长
邀请您加入社区
它将软件与硬件分离,因此开发者可以放心,应用程序将在任何机器上运行,无论该机器是否有任何定制的设置,可能与用于编写和测试代码的机器不同。但与虚拟机不同的是,Docker不是创建一个完整的虚拟操作系统,而是允许应用程序使用与它们所运行的系统相同的Linux内核,只要求应用程序与主机上尚未运行的东西一起运送。正如你在上面的Dockerfile中看到的,如果我们需要改变Java/JMeter的版本/端口
基于粒子群算法优化的永磁同步电机无位置传感器优化仿真源文件通过设计了基于PSO的Popov参数优化方案,主要步骤包括:初始化PI参数粒子群,使用目标函数评估每个粒子的适应度值;根据粒子群优化算法迭代更新粒子位置和速度;最终优化具有最佳适应度值的粒子,确定最优Popov参数,仿真结果对比传统的MRAS在位置辨识方面有一定程度的精度提升模型基于代码和simulink共同实现,包括代码、仿真模型直接运行
在性能测试过程中,为了真实模拟多个用户同时进行操作以度量服务器的处理能力,可以考虑同步虚拟用户以便恰好在同一时刻执行操作或发送请求。通过插入集合点可以较真实模拟多个用户并发操作。(注意:虽然通过加入集合点可以约束请求同时发送,但不能确保请求同时到达服务器,所以只能说是较真实模拟并发)在JMeter中可以通过同步定时器来设置集合点。这些资料,对于做【软件测试】的朋友来说应该是最全面最完整的备战仓库,
客户端常用指标计算最大线程数:查询功能,需要系统能够在5分钟内能完成5000笔查询业务,同时用户响应时间不超过3s,该用多少线程数施压?公式:最大线程数=(单次响应时间 * 业务量)/总的业务时间相对并发&绝对并发相对并发:指在一个时间段内发生的事情。在jmeter的测试计划中添加线程组,设置线程属性,2s之内启动10个线程,其对应的相对并发为5(线程数/启动时间)绝对并发:指在同一个时刻发生的事
2023最新自动化测试自学教程新手小白26天入门最详细教程,目前已有300多人通过学习这套教程入职大厂!!_哔哩哔哩_bilibili2023最新合集Python自动化测试开发框架【全栈/实战/教程】合集精华,学完年薪40W+_哔哩哔哩_bilibili也方便你下次能够快速查找。如有不懂还要咨询下方小卡片,博主也希望和志同道合的测试人员一起学习进步在适当的年龄,选择适当的岗位,尽量去发
在这篇文章中,我们的目的是使用Docker来创建JMeter分布式测试基础设施。如果你按照上面的步骤,你就会明白,使用docker创建测试基础设施是非常容易和快速的。我们把整个基础设施写在一个文件中,可以进行版本控制。然后我们从该文件中创建一个实例(容器)。Docker确保该容器具有所有的软件和依赖性等。你可能会问,在一台机器上运行多个jmeter服务器实例以产生更多的负载是否可以?不,这是不可以
做性能测试的时候分布式是经常会使用的一种压测方案,但是很多同学在部署分布式压测环境的时候会出现各种问题,今天我们这篇文章就给大家把一些分布式搭建过程中的常见问题以及对应的解决方案进行汇总。
整套链路JMeter 压测运行 → 后端监听器采集指标 → 异步队列缓存 → Http 发送器上报 → InfluxDB 的jmeter库jmeter表存储 → Grafana 对接 InfluxDB 可视化看板画图你当前配置的优点聚合上报、全接口匹配、行业标准 3 个百分位、项目标签齐全,是生产级高并发压测的标准安全配置,对 JMeter 本机性能损耗最小。必做前置检查必须提前在服务器的 Inf
以管理员权限新开一个命令提示窗口,进入。以管理员权限新开一个命令提示窗口,进入。以管理员权限新开一个命令提示窗口,进入。管理员权限打开命令窗口,输入命令。、先启动Zookeeper服务。管理员权限打开命令窗口,进入到。目录,执行以下命令,打开一个。目录,执行以下命令,创建。执行以下命令,打开一个。再启动Kafka服务。
这里我用了一台Windows安装jmeter用来写接口测试的脚本,启动前修改jmeter.properties 中 jmeter.save.saveservice.output_format值为xml。这些资料,对于做【软件测试】的朋友来说应该是最全面最完整的备战仓库,这个仓库也陪伴我走过了最艰难的路程,希望也能帮助到你!-n : 非 GUI 模式 -> 在非 GUI 模式下运行 JMeter。-
HTTPS协议通过SSL/TLS加密保障通信安全,其核心过程包括:客户端与服务器通过非对称加密(如RSA)协商密钥,再使用对称加密(如AES)传输数据。Fiddler抓取HTTPS的原理是中间人攻击,通过伪造CA证书解密通信内容。配置Fiddler抓包需安装根证书并设置代理,而JMeter测试HTTPS接口也需配置SSL证书和代理服务器。HTTPS结合了非对称加密的安全性和对称加密的效率,其加密流
本文介绍了实现接口性能测试自动化的完整流程。首先需要搭建测试环境,包括安装JDK、Jenkins、Maven和JMeter。然后通过JMeter录制或编写测试脚本,创建Maven项目并配置相关依赖。接着在Jenkins上配置Git代码下载、测试脚本执行和报告生成,并设置邮件通知机制。最后将性能测试任务配置为开发任务的下游任务,实现代码提交后自动触发性能测试。文中还详细说明了测试报告展示问题的解决方
这份报告凝聚了之前所有阶段之中渗透测试团队所获取的关键情报信息、探测和发掘出的系统安全漏洞、成功渗透攻击的过程,渗透过程中用到的代码,以及造成业务影响后果的攻击途径,同时还要站在防御者的角度上,帮助他们分析安全防御体系中的薄弱环节、存在的问题以及修补与升级技术方案。
这里我用了一台Windows安装jmeter用来写接口测试的脚本,启动前修改jmeter.properties 中 jmeter.save.saveservice.output_format值为xml。是来自阿里、腾讯、字节等一线互联网大厂最新的面试资料,并且有字节大佬给出了权威的解答,刷完这一套面试资料相信大家都能找到满意的工作。-n : 非 GUI 模式 -> 在非 GUI 模式下运行 JMe
摘要: 2025年,SaaS巨头TechnoCore任命AI系统ArchMind为CTO,颠覆传统技术管理模式。ArchMind通过实时数据分析驱动决策,自动优化测试资源分配、用例迭代和风险评估,导致测试流程重构。测试团队需转型为质量数据分析师和算法调试专家,强化混沌工程、伦理测试等不可替代能力。测试工程师需适应AI决策,建立人机协作机制,并聚焦算法公平性验证。未来,测试价值将从发现缺陷转向监督A
注意,这里的输入大小是256x256的单通道图像(灰度图),输出是同样大小的单通道图像,表示分割结果。编码器部分负责提取图像的特征,而解码器部分则负责将提取的特征还原为分割结果。通过合理的预处理和模型训练,我们可以得到不错的分割结果。当然,实际应用中可能还需要考虑更多的细节,比如数据增强、模型调参等。Unet模型在图像分割领域可是个老熟人了,尤其是在医学图像处理上,表现相当出色。我们先来看看Une
接口功能测试应用:http://www.weather.com.cn/data/cityinfo/<city_code>.html测试功能:获取对应城市的天气预报请求方法:Get压测脚本开发工具:jmeter源码脚本位置:https://github.com/shifengboy/iInterface_python/blob/master/jmx/iInterface.jmx将Jmeter压测任务
摘要 测试工程领域正经历代际技术冲突的剧烈变革。传统瀑布模型下的质量保障体系(自动化率<20%,缺陷响应延迟72小时)与新生代持续测试实践(实时监控响应17秒,AI用例生成覆盖率40%)形成鲜明对比。技术迁移体现在环境构建(物理集群→K8s)、执行模式(批量测试→实时验证)等维度,某支付平台采用混沌工程后MTTR从134分钟降至9分钟。测试工程师需担任技术翻译官,通过债务可视化、双模质量体系
《软件测试从业者的风险预警与突围指南》指出,2025年行业数据显示测试岗位空窗期容忍度仅3.2个月,AI伪造技术黑产链导致92.3%的伪造测试用例可被技术手段识别。法律层面触及《网络安全法》第24条虚假信息罪,行业已出现因伪造测试报告被列入黑名单的案例。建议从业者通过开源贡献、工具链研究实现技能保鲜,建立可视化的能力证明体系。在自动化测试普及时代,测试工程师的核心价值在于不可替代的质量思维与职业伦
这些资料,对于做【软件测试】的朋友来说应该是最全面最完整的备战仓库,这个仓库也陪伴我走过了最艰难的路程,希望也能帮助到你!凡事要趁早,特别是技术行业,一定要提升技术功底。
摘要:JMeter分布式测试通过Master-Slave架构突破单机性能瓶颈(如400线程下TPS仅200),实现万级并发。配置要点包括统一Slave节点环境、端口设置及参数化文件同步,需注意网络通信限制。测试执行采用非GUI模式,监控I/O、CPU等指标,通过HTML报告对比性能数据(如分布式TPS提升至2200)。常见问题涉及端口冲突和I/O瓶颈,可通过Ansible工具优化管理。该方案标准化
吞吐能力强:整体吞吐量达 210.6/sec,单接口稳定在 23.5/sec,TPS 曲线平稳,抗压性好。响应速度快:平均响应时间仅 32ms,95% 请求在 60ms 内完成,用户体验流畅。稳定性高:压测全程 0% 错误率,无失败请求,系统可靠性强。自动化保障功能稳定、回归高效;压测显示系统高吞吐、低延迟、零错误。部分查询接口存在瞬时响应尖峰,可通过数据库优化、缓存、JVM 调优进一步提升稳定性
边缘计算环境中基于启发式算法的深度神经网络卸载策略 本文综合考虑基于DNNs的应用响应时间、计算能耗和租用服务器的价格,使用启发式算法设计四种不同的任务卸载策略即基于终端设备的不卸载策略、基于云服务器的完全卸载策略、基于端云的部分卸载策略和基于端—边—云的多重资源卸载策略,同时综合粒子群算法和模拟退火算法提高算法的计算效率和计算结果的精准度。
新建注册表脚本reg文件,编辑值如下,保存后双击执行;重启电脑,再次压测即不会出现报错相关值解析MaxUserPort:最大动态端口数(Default = 5000, Max = 65534)TcpTimedWaitDelay:TCP等待延迟时间(30)TcpNumConnections:TCP最大连接数(Default = 16,777,214)MaxFreeTcbs:最大TCP控制...
最近在学习性能测试,学习了jmeter,于是用flask搭建了一个简单的web服务器供jmeter进行压测flask服务器代码:from flask import Flaskfrom flask import requestapp = Flask(__name__)@app.route('/')def hello_world():return 'Hello World!'...
需要往数据库插入上百条数据,可用jmeter的JDBC Connection Configuration和JDBC Request解决1.JDBC Connection Configuration连接数据库2.JDBC Request填写sql3.修改线程数,ramp-up period 和循环次数...
error msgrc="Non HTTP response code: java.net.SocketException"rm="Non HTTP response message: Socket closed"<responseData class="java.lang.String">java.net.SocketException: Socket closed at
1、ant build.xml
右键测试计划添加-配置元件-JDBC Connection Configuration添加数据库连接配置文件测试计划中添加MySQL连接jar包线程组添加JDBC Request取样器查看结果与数据库文件对比。
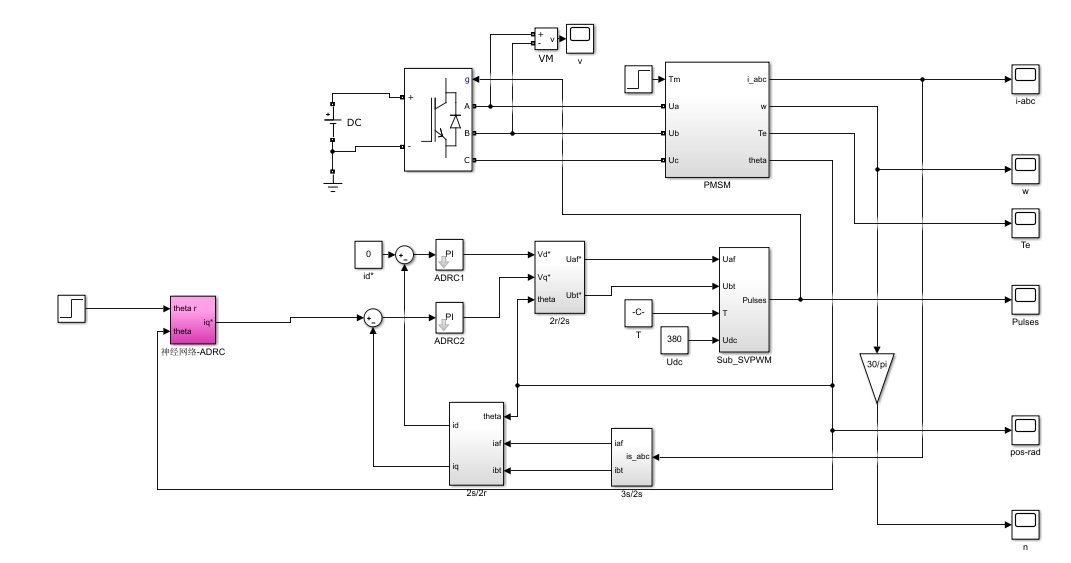
基于永磁同步电机(PMSM)的自抗扰控制(ADRC)与改进的神经网络自抗扰控制的simulink仿真模型,可直接进行对比仿真。自抗扰偏向于无模型控制,控制对象更换后只需要简单调试即可使用。附带有理论参考资料,可提供指导。采用三闭环控制。经过改进效果非常好。在电机控制领域,永磁同步电机(PMSM)因其高效、节能等诸多优点,应用愈发广泛。而如何实现对PMSM精准且鲁棒的控制,一直是研究的热点。
摘要: 在微服务架构中,契约测试(Contract Testing)通过定义服务间交互规范(契约)解决集成复杂性,避免独立演进导致的故障。主流工具Pact(轻量级、多语言支持)和Spring Cloud Contract(深度集成Spring生态)分别适用于异构技术栈和纯Spring项目。契约测试优势包括隔离测试、早期缺陷发现和文档化,显著提升测试效率(如减少60%集成缺陷)。实施时需关注契约覆盖
下方这份完整的软件测试视频教程已经整理上传完成,需要的朋友们可以自行领取【保证100%免费】。
jmeter连接数据库报错“Cannot create PoolableConnectionFactory (Unable to load authentication plugin 'caching_sha2_password'.)”我的驱动是mysqlconnectorjava5.1.44.jar ,我的mysql版本是 Ver 8.0.42 for Win64 on x86_64,我应该下载
所以,基于PowerDesigner工具的数据库持续集成是一种高效、可靠和可追溯的数据库管理实践。它通过将数据库更改与软件开发流程中的持续集成无缝集成,提高了开发效率、确保了数据库与应用程序的一致性和稳定性。
以上十个技巧涵盖了SQL查询优化的关键方面,从基础查询规范到高级分析功能的应用。掌握高效的查询技巧,能够让数据分析师从海量数据中快速提取价值,提升整体工作效率。窗口函数(如ROW_NUMBER、RANK、LAG等)能够在单次查询中完成复杂的分组排序和计算,避免多次查询。明确指定需要查询的字段,避免返回不必要的列数据。通过EXPLAIN命令了解查询的执行路径,识别全表扫描、临时表使用等性能瓶颈,有针
这个命令使用 Docker 运行 JMeter 进行性能测试。
本文详细介绍了Apache Ant的安装配置及与JMeter的集成使用:1)下载配置Ant环境变量;2)创建build.xml文件定义测试任务,配置JMeter路径、报告输出路径等参数;3)解决常见"taskdef class not found"错误,需复制ant-jmeter插件到Ant的lib目录;4)通过Ant命令执行JMeter测试并生成HTML格式的汇总和详细报告。
为了提高软件质量和开发效率,越来越多的团队开始采用持续集成来进行软件开发与测试。其中接口测试是持续集成中非常重要的一部分。本文将介绍Jmeter+Ant+Git+Jenkins实现接口测试持续集成方案,并提供Python代码示例。
下载网址:https://github.com/cnstar9988/sigar/raw/master/sigar-amd64-winnt.dll。windows系统(尤其windows10,windows11系统)与Angent内自带的sigar-amd64-winnt.dll冲突。综述, 报错问题已解决, 博主遇到过这个问题,但有的小伙伴儿可能不会遇到,跟电脑系统有关 ,如果遇到这个问题,可以
1、浏览器打开URL和方式和过程不同浏览器工作方式不完全一样,大体来讲,浏览器的核心是浏览器引擎;不同浏览器对W3C的规范支持不尽相同,在具体功能的实现上也不完全一致。1)连接到URL所在的服务器用户在浏览器地址栏输入URL,打开URL时,浏览器首先寻找该URL所在的服务器。通过向DNS服务器查询,获取该URL所在网站的IP地址,然后浏览器向该地址发起连接请求,简历浏览器到服务器间的连接。2)获取
不断的给数据库施加压力,验证数据库处理的性能 那么我们要怎么才能在jmeter中对数据库进行呢?我们可以在jmeter中添加一个叫jdbc的组件来进行连接操作数据库。电脑安装下载jmeter并解压OK下载mysql的驱动并把mysql的jar包(mysql-connector-java-8.0.30.jar)复制粘贴到jmeter的D:\apache- jmeter-5.4.3\lib中的lib路
3.配置jmeter的插件扩展,把Jmeter\extras目录下的ant-jmeter-1.1.1.jar拷贝到apache-ant-1.10.14\lib目录下。此处如果启动出现build38行报错,检查ant-jmeter-1.1.1.jar包拷贝的路径是否正确,配置的build的JMeter路径是否正确。把jmx文件和bulid.xml放在同一目录下,打开cmd执行ant命令,运行成功后会
jmeter监控gpu、显存、共享内存。
很多人提到 jmeter时,只会说到jmeter进行接口自动化或接口性能测试,其实jmeter还能对数据库进行自动化操作。个人常用的场景有以下:1. 对自动化产生的数据,进行删除2. 不断修改数据,进行多业务场景测试……(更多使用场景需要个人根据自己不同的需求去挖掘)大家都知道,在逛淘宝/天猫等电商平台时,页面显示的数据一定要及时的呈现,否则会影响用户体现,所以对数据库的性能测试就必不可少。本文主
第2步:添加线程组右键测试计划,选择添加-线程-线程组(下面提供2种演示图,对应中/英):注意jmeter的图形界面是用来编辑图形测试计划的,跑测试是用命令行去跑。Number of Threads是线程数:指定的是并发线程有几个。Ramp-up period是预热时间:代表所有线程在多少时间内启动完成(如果想在一开始让所有线程工作写成0即可)。Loop Count是循环次数:每个线程循环执行几次
在当今的软件开发环境中,速度和质量是至关重要的因素。为了提高软件产品的质量和加快其上市的速度,自动化测试、持续集成 (CI) 和持续部署 (CD) 成为了软件开发生命周期中的关键组成部分。本文将深入探讨这些概念,并提供一些实用的指导。
jmeter
——jmeter
联系我们(工作时间:8:30-22:00)
400-660-0108 kefu@csdn.net