登录社区云,与社区用户共同成长
邀请您加入社区
本文介绍了azure_application_insights软件包在OpenHarmony应用监控中的使用。该工具可将应用内的追踪、事件、异常和请求耗时数据上报至Azure服务器,提供专业的性能监控能力。文章详细讲解了初始化配置、数据上报API、常见应用场景(如崩溃监控和转化分析)以及OpenHarmony平台的适配要点,并提供了完整的异常监控实战示例。该方案能帮助开发者实现数据驱动的应用运维,
如果说前一篇OCR是让机器"看见"文字,那么Document Intelligence就是让机器"读懂"文档。它是Azure上一项专门从文档中提取结构化信息的AI服务,前身是Azure Form Recognizer。最常用的地方就是发票。它的核心价值:你的OCR提取的是"一堆文字",而Document Intelligence提取的是按照需求"发票号码:INV-001"、“总金额:$1,600”
OpenClaw 是一个开源的 AI 个人助理平台,可在你自己的设备上运行并执行现实世界中的任务。与传统的基于云的 AI 助手不同,OpenClaw 强调本地部署和隐私保护,让你对自己的数据拥有完全的控制权。通过本指南,我们成功实现了在 Azure Windows 11 虚拟机上自动部署 OpenClaw 的完整流程。整个部署过程高度自动化,通过单个脚本即可完成从 VM 创建到安装所有依赖项及 O
本文开始接触一下另外一个服务:Azure 认知服务(Cognitive Services)。从上图可以看到Azure AI = Azure 的 AI 服务总称(包含认知服务+高级AI)认知服务 = Azure AI的基础服务层(预训练模型,开箱即用)Azure AI Vision = 认知服务中的计算机视觉子集(包含OCR、图像分析等)Azure Computer Vision服务在2026年已经
系统支持任意海流扰动(大小、方向可配置),并给出 6-DOF 水平面运动学/动力学积分接口,方便扩展为更复杂模型。该代码以“最小可用、最大可扩”为原则,将经典增量 PID 与现代导引算法结合,形成一套易读、易调、易移植的 AUV 圆轨迹跟踪模板。开发者可在保留顶层接口的前提下,任意替换控制律、动力学、轨迹源,实现从仿真到实物的无缝迁移。Step 0初始化:设置圆心、半径、PID 增益、海流、仿真步
AI(尤其是Agent和Copilot)是微软的Ignite 2025大会(2025/11/18-2025/11/22)最重要的主题。当前制作Agent从No code到Pro code有如下一些方式,在Agent Knowledge source方面,微软发布了一些更新。这边将简单说明一下Agent Builder Knowledge source配置方面的其中一些更新。
在软件测试领域,传统A/B测试常因固定流量分配导致效率低下——50%用户暴露在次优方案中,造成转化率损失与测试周期冗长。:$UCB_i = \bar{x}_i + \sqrt{\frac{2\ln t}{n_i}}$($t$总试验次数,$n_i$臂i试验次数):某电商支付页测试中,算法将75%流量动态分配给CTR(点击率)领先的V2版,较传统方法提前3天锁定最优方案。:基于贝叶斯概率模型,为每个测
摘要:GNN在容器网络异常预测中展现出显著优势,成为解决动态拓扑检测难题的新工具。热门应用包括:AI工具评测(异常检出率提升30%)、精准测试案例(STGNN实现95%准确率)和DevSecOps集成实践。通过PyG框架构建GCN/GATv2模型,结合无监督链路预测(AUC达92.5%),在电商平台落地中使故障预测准确率达90%。2026年趋势显示,GNN将与生成式AI结合,建议从业者掌握PyG工
2026年软件测试将深度整合AI技术,能力评估迎来智能化变革。T型/Y型矩阵仍是团队技能评估核心工具,大模型可自动化生成热力图识别技能缺口(如安全测试覆盖率仅45%)。实战中,AI评估工具通过三步法提升效率:数据采集(如SeleniumAI插件)、可视化分析(技能达标率提升至90%)、闭环优化(结合DevOps实时更新)。未来趋势包括AI合规融合(自动生成GDPR测试用例)和智能矩阵(同步云原生数
眼动追踪工具热度飙升,主要因其能精准量化认知负载(注视时间、瞳孔变化等指标),有效提升测试质量。热门内容包含工具横评(如NeuroLens与Tobii对比)、实战案例(某金融团队缺陷率降37%)及AI应用技巧(10分钟生成测试框架)。该技术尤其适用于脚本调试,通过监测500ms以上注视预警逻辑问题,结合CLI指数优化工作流。行业预测2026年78%企业将采用AI疲劳监测,从业者需关注ISO标准合规
2026年软件测试公众号爆款内容呈现三大趋势:AI测试工具评测(占比60%)、精准测试案例(年增40%)和职业发展指南(环比增30%),均以解决实际痛点为核心。成功要素包括专业方法论(如缺陷预测模型)、可操作模板(测试用例库)及AI热点结合。AI可高效生成初稿(10分钟完成框架),但需人工优化专业细节。未来重点将转向多模态测试(AR/VR)、合规解析及测试数据服务(TDaaS)。内容需建立质量门禁
摘要: AI同步引擎通过三层自动化架构解决文档与测试脚本版本割裂问题:智能感知变更、动态重构脚本及合规自校验。实证显示,某证券系统部署后文档延迟率下降94%,缺陷逃逸率降低80%。2026年建议集成Apifox等工具,设置CI/CD校验关卡,并预判大模型将实现端到端自动化,人力投入缩减至20%以下。核心价值在于同步效率提升与合规风险防控。
2026年,软件测试公众号内容热度高度聚焦AI安全领域,尤其“对抗样本诱发的芯片功耗侧信道检测”主题阅读量激增40%以上,成为三大爆款赛道之一(工具评测、安全测试实战、AI赋能案例)。这一趋势源于行业痛点:随着AI模型在嵌入式系统(如IoT设备)的普及,对抗样本攻击可诱发芯片功耗异常,导致数据泄露或系统崩溃,而传统测试方法难以捕捉此类隐蔽威胁。:2025-2026年,中央网信办“清朗行动”强化对硬
在上一文中, 我们看到了ADLS 分层设计, 数据版本控制等数据工程的理念在Azure中的实现, 现在加入对Azure ML的实现,构建「可追溯、可复现、可扩展」的AI数据供给体系。我们不是“把数据喂给ML”,而是设计让数据持续健康流动的循环系统。备注:因为在实操过程出现了一些小失误,而目前我们使用数据类型为V2 API, 不支持物理删除,所以只能通过命名其他的方式来重做,因此截图中会出现一些上下
“为了以玩家为中心,首先必须要以开发者为中心。”这是微软游戏生态系统联合副总裁Sarah Bond在“2022微软游戏出海开发者大会”上,对自己20余年在游戏开发行业实践的感悟。今天,电子游戏已经是全球近27亿玩家的数字娱乐与社交平台。大型游戏开发商开始为忠实的玩家群体提供服务化、可持续游玩的电子游戏新体验,独立开发者则会释放电子游戏更具个性和想象力的一面。来自中国的游戏正在向全球玩家展示别样的魅
在上个月,很多个人开发者已经收到了 Azure的邮件通知,该邮件信息如下:也就是将要封禁大陆的API调用,时间是2024/10/21. 但是没有立即封禁,大部分开发者都是在月底才开始被停止调用。
本文解析软件测试公众号高热度内容创作策略,提出数据驱动的优化框架。研究显示,工具评测、自动化教程和案例复盘等实用内容分享率超30%,而理论探讨类完成阅读率不足50%。文章构建七步写作法,建议采用"痛点+解决方案"标题、模块化主体架构,并强调AI工具辅助与A/B测试优化。案例表明,融合趋势解读与实操代码的内容可获得10万+阅读量。核心在于持续迭代专业价值内容,动态适配测试技术发展
上行带宽占用高、云端存储/计算成本激增、实时性受网络波动影响。Azure IoT Edge 作为微软推出的企业级边缘计算平台,支持将计算逻辑下沉到本地边缘网关,配合C#编写自定义预处理模块,可在边缘侧完成数据清洗、聚合、过滤、AI推理等操作,仅将高价值、轻量化数据上传至云端,大幅降低云端负载与带宽成本。结合工控上位机Windows系统、7×24h稳定运行、C#技术栈。
一篇文章带你读懂 Azure AI 有哪些服务
看板图表数核心指标OpenAI15请求数、成功率、Token、限流、错误10请求数、响应时间、CPU、内存、重启通过合理选择指标和布局,可以构建清晰有效的监控看板,及时发现和定位问题。
AI 时代很多东西都不是技术层面的内容,比如数据治理,数据工程等。试想一下你去面试,面试官考察的不是“你用了什么工具”,而是“你为什么这样设计”例如:❌ 工具操作:“我创建了三个容器”✅ 工程思维:“我设计三层容器,因为Raw层满足合规审计,Processed层隔离脏数据风险,Curated层支持特征复用——这是微软Azure数据架构指南推荐的分层模式”数据工程原则ADF+ADLS实践专业体现1.
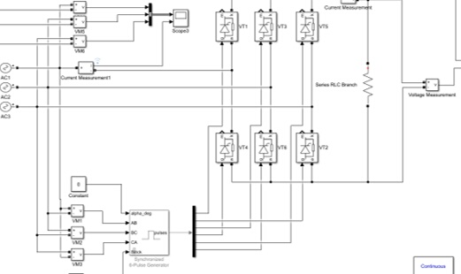
三相桥式全控整流电路仿真模型包括6脉波整流电路(sixmaibo.slx)与12脉波整流电路(double12maibo.slx)包括三相全控整流电路输入电压、电流仿真波形三相全控整流电路输出电压、电流仿真波形交流侧输入电流进行FFT傅里叶谐波频谱分析【内有文档解析原理,结果分析】在电力电子领域,三相桥式全控整流电路是一个非常重要的存在。今天咱们就来深入聊聊它的仿真模型,特别是其中的 6 脉波整流
对我来说,Claude Code 不是“替我写代码”,而是让我把时间花在更值钱的地方:我把“写代码”变成“定义正确 + 快速验收 + 快速交付”。如果你也是做开发、做运维、做桌面支持的,我非常建议你试试这种工作流:先写验收清单,再让 AI 产出,再用日志和复现条件做迭代。你会发现效率提升真的不是一点点。⬆️ 返回顶部。
摘要:在使用Java SDK访问中国区Azure AI Search资源时,由于默认认证地址为全球云环境(https://search.azure.com),导致出现AADSTS500011错误。解决方法是在构建SearchClient时指定中国区云环境:1) 设置authorityHost为AZURE_CHINA;2) 添加audience(SearchAudience.AZURE_CHINA)
微软更新AI-102认证考试,聚焦生成式AI与代理解决方案。新版考试重点涵盖Azure AI Foundry、RAG架构及自主代理开发,反映企业对智能应用的需求转变。备考建议结合官方文档与实践操作,并推荐使用考证宝KaozhengPro等专业题库资源。该认证将提升工程师竞争力,推动企业数字化转型,未来AI开发将更注重工作流策划与伦理合规。微软将持续更新考试内容,引领智能化技术发展。
本文介绍了Azure AI生态中的核心服务Azure Machine Learning(Azure ML)工作区的使用。文章首先展示了Azure ML的默认目录结构,包含工作区、功能存储区、中心和注册表等核心组件,以及共享资产和管理员功能。通过实操演示,详细说明了从创建工作区、运行示例笔记本到创建计算资源的完整流程。最后,文章梳理了实际运用中的6个关键步骤:数据准备、模型训练、模型评估、模型部署、
摘要:本文针对自动化测试中的动态元素定位难题,系统解析XPath和CSS选择器的进阶优化策略。重点探讨了XPath的相对路径优化和函数应用,CSS选择器的属性匹配技巧及性能优化方法,并提出了混合使用策略与动态元素处理方案。结合2026年AI辅助定位趋势,文章通过电商、金融等实战案例,展示了如何将元素定位失败率降低13个百分点,测试脚本稳定性提升30%。为测试团队提供了降低维护成本、提升自动化框架鲁
本文探讨了异步机制在现代应用中的核心原理与测试挑战,提出四维等待优化策略提升测试效能。异步架构依赖事件循环和非阻塞I/O模型,但常引发竞态条件和状态同步延迟问题。解决方案包括:1)智能事件驱动等待自动校验元素状态;2)多层级队列监控实现任务优先级调度;3)分布式事务追踪保障跨进程调用;4)自适应阈值算法动态调整等待时间。实战数据显示,智能等待策略使用例稳定性提升至98%,执行效率优化10%。未来方
WebApp调用Azure中国区认证端点时因令牌缓存失效导致请求激增和登录失败。问题根源在于未正确复用ConfidentialClientApplication对象及启用共享缓存。解决方案包括:1)应用级单例创建ConfidentialClientApplication;2)显式启用.WithCacheOptions共享缓存;3)通过AcquireTokenForClient优先从缓存获取toke
Codex是OpenAI基于GPT-3训练的代码生成模型,专门用于理解和生成编程代码。通过与Azure OpenAI服务(AOAI)集成,开发者可以在本地开发环境中获得强大的AI编程辅助。本文将详细介绍如何在VS Code中配置和使用Codex扩展,充分利用Azure OpenAI的强大能力。// 在VS Code的keybindings.json中添加},},创建。
您可以在全新的演示页面haveibeenpwned.com/Demos上找到这个视频,很快您将看到更多示例,从基础知识开始,然后逐渐变得复杂。特别是API,它们是许多支持请求的来源,我们希望这些演示能够为大众简化API使用,并在此过程中为我们节省一些支持工单的开销。顺便说一句,在准备这篇文章时检查统计数据时,似乎我们现在有35.7万个域名监控实例😲 这还包括全球前1000大域名中的近四分之一,因
Azure Storage 节点内置支持多种功能,包括创建、获取和删除 blob 及容器。使用此节点可在 Azure Storage 服务中实现工作自动化,或将其与工作流中的其他服务集成。
可定制化的数据收集模板。
摘要:本文介绍了在Azure API Management (APIM) 中禁用自签名证书验证的方法。通过PowerShell命令或REST API,可以设置SkipCertificateChainValidation为True来跳过证书链验证,使APIM能与使用自签名证书的后端服务进行HTTPS通信。具体步骤包括新建或修改Backend、在API中配置backend服务策略以及测试验证。虽然这种
在资源受限的环境中,使用量化模型的本地推理对于降低成本并提高效率非常有帮助。例如,可以在个人开发机上进行实验或在边缘设备上部署语言模型。结束语:如果遇到问题欢迎在评论区交流。
在现代机器学习开发中,Hugging Face Hub提供了一个丰富的开放平台,包含超过120,000个模型、20,000个数据集和50,000个示例应用(Spaces)。这些资源都可以公开获取,并且为用户提供了各种端点以构建机器学习应用程序。在这篇文章中,我将向大家展示如何连接到Hugging Face的不同端点类型。本次示例将特别关注于文本生成推理,这由一个自定义构建的Rust、Python和
转载于: https://www.cnblogs.com/Johny-zhao/p/18919080。PAI-TF(优化版TensorFlow)+ ACK Pro集群。MindSpore + HCCL(华为集合通信库)ModelArts AutoML(自动超参搜索)SMDDP(AWS定制通信库) + EFA网络。PAI-EasyVision(CV自动化建模)PAI-TF(定制TensorFlow)
2025年云服务器选型聚焦AI与大模型需求,阿里云磐久AIInfra2.0单柜支持128个AI芯片,推理性能提升50%。核心趋势:大模型部署需高算力GPU(单芯片≥2000瓦)、分布式架构;企业应用推荐跨可用区部署+弹性伸缩组合降本30%;游戏场景宜选高频CPU+RDMA网络。成本控制建议采用预留实例券+按量付费混合模式,可降22%总成本。当前云市场进入"云智合体"阶段,选型需
在实际的企业环境中,很少甚至可以说禁止手动创建资源,因为很容易出错,并且大规模部署时会非常低效。因此大部分企业都会使用工具或者某些服务来实现这种可控,可复用,具有伸缩性的部署方式。本文把工具选定为Terraform。由于后续学习需要不停创建、删除Azure 资源,所以这里演示一下在本机(windows 10)上安装Terraform,并且创建一个Azure Storage Account.
大模型时代,云服务器已从“可选配置”升级为“核心生产力工具”。选型不必追求“最高配”,但必须瞄准“最适配”——贴合业务场景、成本可控、安全可靠。如果您正面临选型纠结:例如“大模型训练GPU集群选择”“核心业务可用区配置”或“降低运维成本”,建议立即行动。专属支持:请提供您的“业务场景+核心需求”(如“金融交易系统+高可用”),我将协助生成定制化选型方案与专属优惠,帮助您在云智时代高效决策,少走弯路
✨「再度发声」AI大模型隐私问题曝光!主流大模型隐私保护漏洞频现,用户数据面临“裸奔”风险。中国企业如何应对数据合规危机?微软Azure OpenAI服务或成破局关键,快来与雪球一探究竟!
azure
——azure
联系我们(工作时间:8:30-22:00)
400-660-0108 kefu@csdn.net