登录社区云,与社区用户共同成长
邀请您加入社区
AutoCAD 最吸睛的是“精准到头发丝”,输入 08 毫米就是 08 毫米,再复杂的曲线也能用参数化工具一键驱动;和 AutoCAD 同赛道的软件很多,比如:Revit 主打 BIM 三维协同,适合复杂建筑项目,但二维绘图速度和上手难度都不如 AutoCAD;AutoCAD 是一款计算机辅助设计软件,核心作用是用电脑替代手工绘图,精准创建二维图纸和基础三维模型,把设计师 的创意转化为标准化、高精
本最小二乘平面拟合算法是晶圆调平系统的核心模块,基于工业通用的平面数学模型,通过矩阵运算实现最优平面求解。结合前置数据预处理机制,有效解决了 ZSensor 测量中的噪声、异常值问题,输出的 RX/RY 角度为设备调平补偿提供了精准、稳定的数据支撑。算法具备高精度、高鲁棒性、高适配性的特点,完全满足半导体设备的调平需求,同时预留了优化空间,可根据现场工况持续迭代升级。
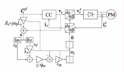
内环为转子电流控制环,电流误差经调节后输出电压控制量,叠加udr 、uqr前馈电压补偿量,再经 SVPWM 调制后产生所需的励磁电压和电流。先说定子侧的电压外环,这玩意儿主要任务是稳住直流母线电压。PMW变换器采用双闭环控制,电压外环主要控制直流侧电压,直流电压给定与反馈的误差经过 PI 调节器计算给定,其值决定有功功率的大小,符号决定有功功率的方向。PMW变换器采用双闭环控制,电压外环主要控制直
光子精密GL-8000系列3D工业相机对AI/AR镜从扫描、标定、点胶到检测的全流程解析
DCP 实质上是一个基于 Go 语言编写的“影子 Kubernetes”控制平面,它利用 Kubernetes 的 API 协议和资源模型在开发者机器上本地编排容器与进程,充当了 IDE 与底层运行时(如 Docker 或 OS 进程)之间的不透明中间层。社区通过逆向工程发现,Aspire 的 AppHost 实际上是将 C# 定义的资源模型转换为 DCP 能够理解的 API 调用,这一发现揭示了
小白也能通过基础操作上手绘制简单图形,彻底解决了传统手绘效率低、修改难的痛点,是连接创意与实际施工、生产的重要桥梁。AutoCAD 是一款计算机辅助设计软件,核心作用是用电脑替代手工绘图,精准创建二维图纸和基础三维模型,把设计师 的创意转化为标准化、高精度的技术文档。白点来自 DEFPOINTS 图层,先解冻该图层,删除无用标注点,注意避免删除关联标注的点。更新软件修复漏洞,若文件引发问题,用 “
改进CPO优化CNN-BiGRU-Attention算法模型,基于改进CPO优化卷积神经网络-门控循环单元结合注意力机制的多变量/时间序列/分类预测,Matlab实现1.多特征输入单输出,多特征多输出等,可换LSTM,BiLSTM,GRU,TCN等2.特点:[1]卷积神经网络 (CNN):捕捉数据中的局部模式和特征;[2]双向门控循环单元 (BiGRU):处理数据捕捉长期依赖关系:[3]注意力机制
静态补偿电压仿真模型(Harnefors Observer)Matlab 2020b版本该观测器来源Harnefors教授论文《Synchronization at startup and stable rotation reversal of sensorless nonsalient PMSM drives》中提到的观测器该观测器有以下优势:1.理论上完全证明了初始角度无论误差多大都能保证最终
VSG预同步控制matlab仿真模型主要模块:并网逆变器+VSG控制+预同步控制+电流电流双环控制锁相环、三相准PR控制、PWM0.65秒开始并网运行在电力系统领域,VSG(虚拟同步发电机)预同步控制技术对于保障并网逆变器稳定、高效地接入电网起着关键作用。今天,咱们就基于 MATLAB 2019b 搭建一个关于 VSG 预同步控制的仿真模型,一探究竟。
摘要: 本文详细介绍了基于ESP32的桌面智能氛围灯项目开发全流程。该项目集成了RGB灯环、温湿度传感器和光照传感器,实现了工作状态提示、番茄钟计时和环境监测功能。硬件设计采用模块化思路,重点解决了WS2812供电不稳、编码器抖动等问题。固件开发基于ESP-IDF框架,通过多任务分工处理LED控制、计时逻辑和传感器数据。关键代码展示了状态机控制、环形进度条渲染和自动亮度调节的实现方法。该项目兼具实
BMS电池管理控制策略 策略说明,量产车型使用。电池管理系统策略开发,FEV应用层软件,在售车型最新版本软件。按照ASPIC开发流程开发,基于AUTOSAR架构开发,满足功能安全ASIL C。模型和策略BMS电池管理系统应用层软件,策略说明都是量产车型在用,不是仿真不是仿真不是仿真!BMS,simulink应用层模型。在当今电动汽车和各类储能设备蓬勃发展的时代,BMS(电池管理系统)无疑是其中的核
三相光伏并网仿真模型Boost+三相逆变器PLL锁相环MPPT最大功率点跟踪控制(扰动观察法)dq解耦控制电流内环电压外环的并网控制策略在可再生能源领域,光伏发电因其清洁、可持续的特点备受瞩目。而三相光伏并网系统作为高效利用太阳能并接入电网的关键技术,其核心组成部分与控制策略的理解和实现至关重要。今天咱们就深入探讨下基于 “Boost+三相逆变器”,结合多种控制策略搭建的三相光伏并网仿真模型。
本文基于v=c空间本底光速螺旋运动公设,首次将微观空间几何点的螺旋运动模型拓展至宏观天体系统,构建了多层嵌套的天体光速螺旋运动模型。研究证明天体的宏观运动本质是空间本底光速螺旋运动的投影效应,静质量对应螺旋旋转分量,宏观可观测速度对应切向分量,合速率恒为光速c。从弗莱纳正交标架出发,推导出太阳系与地球系统中引力、电场、磁场方向的两两正交性。基于实测天文参数的全量数值计算验证了地球重力加速度、地磁场
ifreq(interface request)是Linux内核获取或设置网络接口信息的一个标准C结构体。提供统一的方式来跟网络接口进行交互,获取接口的IP地址、MAC地址、MTU、接口状态(UP/DOWN)等,或进行相应的配置。ifreq结构体的定义:展开代码语言:C自动换行AI代码解释ifr_nameifr_addr(接口IP地址)、(子网掩码)、ifr_hwaddr(MAC地址)等。ifre
时间势差(时间膨胀效应)是相对论时空理论的核心结论,但传统理论存在公理体系割裂、本源解释缺失的局限。本文以**全维固有光速恒定(v≡c)**为唯一第一性公设,构建空间光速螺旋时空几何模型,通过基础代数求导推导出时间势差的全维统一精确公式,给出任意弯曲时空下的终极张量形式。通过GPS导航、地面原子钟、脉冲双星、黑洞视界等全场景验证,计算结果与实测值完全一致。本文首次揭示时间势差的本质是四维光速螺旋运
在云原生技术多集群、分布式部署成为主流范式的今天,管理复杂度呈指数级增长。Kurator,作为一个开源的分布式云原生套件,应运而生。它并非重复造轮子,而是以“连接器”和“增强器”的定位,将 Karmada、KubeEdge、Istio、Volcano、FluxCD 等顶尖开源项目无缝集成,构建了一个统一的分布式云原生平台。
在云原生技术从单集群向分布式多集群、多边缘、多基础设施演进的浪潮中,管理和运维的复杂性呈指数级增长。Kurator,作为一个开源的分布式云原生套件,应运而生。它并非另一个孤立的编排引擎,而是一个精心设计的“集成框架”,旨在将业界最优秀的开源项目——如Karmada、KubeEdge、Volcano、Istio、FluxCD等——通过统一的API和控制平面粘合起来,形成一套开箱即用的完整解决方案。本
在云原生技术日益普及的今天,企业基础设施呈现出分布式、异构化、多集群的复杂态势。管理分布在边缘、私有云和公有云中的多个 Kubernetes 集群,并实现应用的一致部署、高效调度与智能运维,成为亟待解决的挑战。Kurator 应运而生,作为一个开源的分布式云原生套件,它并非重复造轮子,而是以“连接器”与“增强器”的角色,有机整合了 Istio、Karmada、KubeEdge、Volcano、Fl
Kurator代表了云原生技术发展的一个重要方向:从单集群管理走向分布式统一管理,从工具集合走向集成解决方案。其价值不在于替代现有的优秀开源项目,而在于通过创新的方式将它们组合在一起,提供一致性的用户体验。作为开放原子基金会首个分布式云原生项目,Kurator不仅提供技术解决方案,还构建了一个开放的创新生态。对于开发者、企业和整个行业来说,参与和贡献Kurator生态,既是解决当前分布式管理挑战的
Kurator代表了云原生技术发展的一个重要方向:从单集群管理走向分布式统一管理,从工具集合走向集成解决方案。其价值不在于替代现有的优秀开源项目,而在于通过创新的方式将它们组合在一起,提供一致性的用户体验。随着Serverless和边缘计算的兴起,云原生软件正在向更轻量化、更智能化的方向发展。企业现在投入云原生转型,不仅解决当下的效率痛点,更是为未来十年的技术竞争储备核心能力。Kurator作为这
本文介绍了开源分布式云原生平台Kurator的架构设计与应用场景。Kurator在Kubernetes之上构建了"舰队式"管理控制平面,通过Fleet概念统一管理多云多集群环境,整合Istio、Prometheus等主流云原生组件,提供统一监控、策略和应用分发能力。文章分析了Kurator的三层架构设计,重点解读了Fleet和AttachedCluster两大核心抽象,以及如何
在实际工程问题中,材料性能、几何尺寸、边界条件等往往存在不确定性。这些不确定性可能来源于材料制造过程的波动、测量误差、环境变化等因素。传统的确定性分析方法无法考虑这些不确定性,可能导致过于乐观或保守的设计。随机有限元方法(Stochastic Finite Element Method, SFEM)将概率统计理论与有限元方法相结合,为不确定性量化提供了强大的分析工具。不确定性量化(Uncertai
本章介绍了复合材料力学模型的基本概念、理论基础、数值方法以及应用实例。复合材料的基本概念和分类。复合材料的细观力学模型,如混合法则、Halpin-Tsai模型、Mori-Tanaka模型等。复合材料的宏观力学模型,如正交各向异性材料的本构关系、层合板理论等。复合材料的强度理论,如最大应力准则、最大应变准则、Tsai-Wu准则、Hashin准则等。复合材料的有限元分析方法。复合材料力学分析的Pyth
使用transform属性实现元素在空间内的位移、旋转、缩放等效果。是从坐标轴角度定义的。x 、y 和z三条坐标轴构成了一个立体空间,z轴位置与视线方向相同。2.transform: translateX(值);3.transform: translateY(值);4.transform: translateZ(值);1.正负均可2.像素单位数值3.百分比。
使用go语言,凭借Ebiten引擎开发简单的像素平面种田小游戏
文章目录边线-平面-背景修改说明样式选择编辑边线设置平面设置背景设置水印设置建模设置混和示例【利用颜色和水印创建天空】天空背景创建天空利用水印背景创建天空边线-平面-背景修改说明这个之所以现在才说呢,是 因为如果前面我们就做了这些修改,可能会对计算机造型不必要的负荷,在建模中呢,会造成卡顿。所以我们创建好需要建模的东西以后呢,在输出的时候再修改就好了。。。我用下面这个模拟场景做说明了样式打开样式默
原文链接:武大+CMU最新开源!全面支持平面/鱼眼/球面相机的实时统一线段检测算法 - 哔哩哔哩,仅供学习做笔记用,如果侵权,请联系我,会及时删除。ULSD: Unified line segment detection across pinhole, fisheye, and spherical cameras,作者开源了代码,代码地址:GitHub - lh9171338/ULSD-ISPRS
使用markdown来快速完成PPT,文档转换成PPT只需要几分钟,而且自带各种炫酷的特效
图2显示了所提出系统的概述。我们的系统以RGB,深度和IMU为输入,具有三个主要组件,包括前端,平面模块和后端。前端模块是基于滑动窗口的VIO系统,可实时估计6-DoF姿态。我们的VIO类似于[7],只是我们不考虑SLAM特征并添加额外的深度测量。平面模块接收前端和后端数据作为输入。高频前端信息仅用于扩展平面。低频但高精度后端信息用于新平面检测,平面扩展,点到平面关联和平面到平面合并。由于室内环境
1 建两个物体,并选中2 建一个plane3 编辑4 选中平面,点击Move to ---然后就可以通过移动平面一起移动了。
有限元法 (FEM) 作为一种强大的数值计算方法,在工程领域得到了广泛应用,尤其在解决结构力学问题方面表现突出。本文将深入探讨基于有限元法的平面弹性问题求解,并利用 MATLAB 语言进行编程实现。文章首先阐述平面弹性问题的基本理论,包括应力应变关系、平衡方程以及边界条件;接着介绍有限元法的基本原理,包括单元划分、形函数、刚度矩阵和节点力等概念;最后,以一个具体案例为例,展示基于 MATLAB 实
问题描述:已知空间点坐标(x,y,z),并且知道三个点的坐标(不要共线!),求解空间点到平面投影坐标。参考百度文库的这篇文章空间点到平面的垂足坐标的计算方法下面是matlab的代码:%% 变量定义% 空间坐标点 x/y/z坐标分别为x4 y4 z4Data_Origin=[x4,y4,z4];% 取平面上的三个点 (不要共线!)% PlanePointX:平面上三个点的x坐标,分别是x1 x2 x
3D 散点图通过点的位置展示三维数据的分布,适合展示数据的聚类或相关性。3D 折线图通过线段连接空间中的点,适合展示空间轨迹或时间序列数据。3D 曲面图通过曲面展示函数图像或数据分布,适合展示连续数据。Matplotlib 提供了。模块,用于创建 3D 图表。
数字图像的多分辨率分析处理方法研究—基于小波变换的医学图像分割的研究摘 要图像分割是一种重要的图像分析技术。对图像分割的研究一直是图像技术研究中的热点和焦点。医学图像分割是图像分割的一个重要应用领域,也是一个经典难题,至今已有上千种分割方法,既有经典的方法也有结合新兴理论的方法。本论文首先介绍了双峰法以及最大类方差自动阈值法,然后重点介绍一种基于小波变换的图像分割方法,该方法先对图像的灰度直方图进
下图我们用的就多了,直角也就是90°的角,是个拼在一起编程了一个直角坐标系,这里是分象限的,这个如果不记得象限就该挨数学老师的打了。为了便于描述坐标平面内点的位置,把坐标平面被x轴和y轴分割而成的四个部分,分别叫做第一象限、第二象限、第三象限、第四象限。点的坐标用(a,b)表示,其顺序是横坐标在前,纵坐标在后,中间有“,”分开,横、纵坐标的位置不能颠倒。点P(x,y)既在x轴上,又在y轴上<=>x
%求两平面的交线的向量A=[1 2 3];%平面A的向量B=[4 5 -5];%平面B的向量C=cross(A,B);%两平面向量的叉乘,即为交线的向量D=[A(2)*B(3)-A(3)*B(2) A(3)*B(1)-A(1)*B(3) A(1)*B(2)-A(2)*B(1)]%向量叉乘计算公式计算结果:C =-2517-3D =-25...
本文基于光的衍射和干涉理论,通过MATLAB软件编程对夫郎费禾衍射、双缝干涉、平面光栅衍射、单缝衍射进行了计算机仿真,这为光学的理论分析与实验教学提供了方便,并为相关课件设计提供了新的途径.
机构运动分析的方法很多,主要有图解法和解析法。而当需要精确地知道或要了解机构在整个运动循环过程中的运动特性时,采用解析法并借助计算机,不仅可获得很高的计算精度及一系列位置的分析结果,并能绘制机构相应的运动线图,同时还可以把机构分析和机构综合问题联系起来,以便于机构的优化设计。对四杆机构进行运动分析的意义是:在机构尺寸参数已知的情况下,假定主动件(曲柄)做匀速转动,撇开力的作用,仅从运动几何关系上分
如果你想求出一点到平面的距离,你需要使用平面的方程来计算。一般的平面方程的形式是 Ax + By + Cz + D = 0。假设你已经知道了平面方程的 A, B, C, D 值,并且你要求的点是 (x₀, y₀, z₀)。那么,这个点到平面的距离就是:distance = |Ax₀ + By₀ + C*z₀ + D| / √(A^2 + B^2 + C^2)如果你想知道关于如何求解平面方...
服务网格底层协议的演进本质上是分布式系统通信范式的革新。从HTTP/2到QUIC,从标准TLS到零信任安全,协议栈的每个层级都在经历深刻变革。理解这些协议细节不仅有助于优化服务网格性能,更能为未来服务通信架构设计提供底层洞见。IETF QUIC协议标准化进程eBPF在用户态协议栈的应用服务网格与云原生网络协议(如Cilium)的深度集成只有深入协议层理解服务网格,才能真正掌握云原生架构的通信本质。
密文域可逆信息隐藏(RDHEI)受到越来越多的关注,因为它可以保护原始图像的内容,同时可以准确地提取嵌入的数据,并且可以无损地重建原始图像。为了充分利用相邻像素的相关性,本文提出了一种基于像素预测和位平面压缩的RDHEI方案。首先,将原始图像分成相等大小的块,并计算原始图像的预测误差。然后,分别执行8个预测误差的位平面的重排和位流压缩。最后,通过流密码对腾出空间后的图像进行加密,并通过多LSB(最
在移动机器人导航、无人机自主飞行等领域,二值化栅格地图(将二维平面划分为均匀栅格,用 “1” 标记障碍物、“0” 标记可行区域)是路径规划的常用环境模型。传统粒子群算法(PSO)虽具备全局搜索速度快的优势,但易陷入局部最优(如围绕障碍物反复搜索);灰狼算法(GWO)虽局部收敛精度高,却存在前期全局探索能力弱的问题。
matlab仿真相控阵
平面
——平面
联系我们(工作时间:8:30-22:00)
400-660-0108 kefu@csdn.net