登录社区云,与社区用户共同成长
邀请您加入社区
新手直接上手、Blender 4.0~4.3 通用、本地离线运行、全免费无 API 付费、NVIDIA 显卡需求,我把整套 Blender+AI 全套工作流 一次性给全
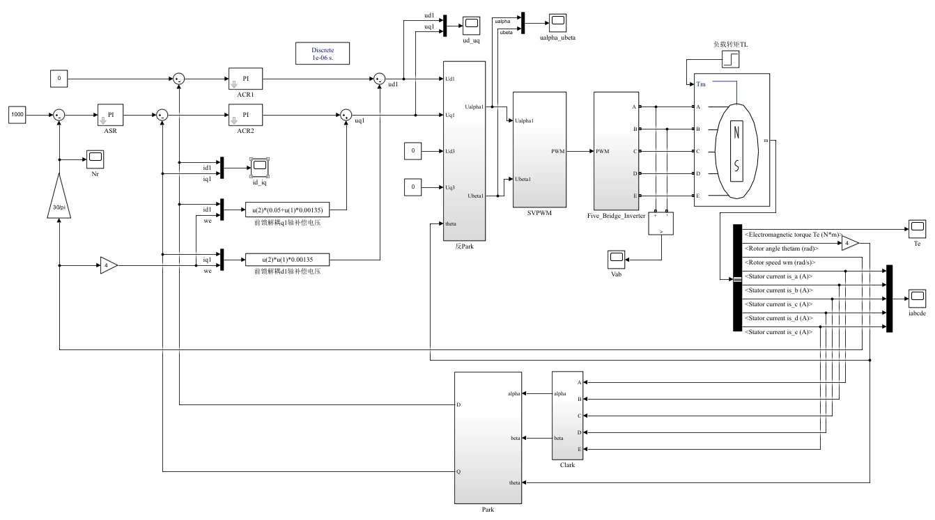
双闭环矢量控制里最烧脑的环节,当属邻近四矢量SVPWM的实现。有次手滑把2π写成π,结果输出转矩直接腰斩,查了三天才发现是这里的小数点背叛了革命。实测发现这个处理直接影响了扇区切换时的波形平滑度,有次调试忘了加mod函数,结果波形突然跳变差点烧了IGBT。特别是那个非线性补偿表,据说是用遗传算法优化出来的,实测能提升约3%的转矩输出效率。这个设计完美解决了积分饱和引发的超调问题,实测突卸负载时的转
Blender 本身原生无内置 AI,所有 AI 能力都靠第三方插件、外部 AI 平台联动、本地大模型对接实现,覆盖AI 建模、AI 材质纹理、AI 渲染风格化、AI 场景脚本控制、AI 动画五大核心工作流。
针对这个具体项目,我从Pinterest、Houzz和Google收集了一些主卧室的图片,并用一个很酷且免费的应用PureRef制作了一个情绪板,我推荐给所有想要将所有想法存储在无限画布中的艺术家。所以,为了让工作流程更流畅快速,我从iMeshh下载了一些素材,那里有令人惊艳的高质量模型,还有3dsky的其他免费资源。我用一个色彩十六进制网站来选择不同的组合,它会给出一些关于补充色的好建议,能填满
本文介绍了Blender中的十大核心建模操作,分为四大核心和六小常用功能。四大核心包括:挤出(E)、向内挤出(I)、倒角(Ctrl+B)和循环切割(Ctrl+R),这些是创建复杂模型的基础工具。六小常用功能则涵盖合并(M)、断开(V)、填充(F)、切刀(K)、桥接(Ctrl+E)和分离(P),这些工具用于精细调整和连接模型部件。文章通过具体操作示例展示了每个工具的使用方法和适用场景,建议读者边学边
链接: https://pan.baidu.com/s/1k4–Jj7mbmfx5OgZ0kP6-A?pwd=bm13 提取码: bm13。找到Blender GIS插件文件按照下方的路径将文件放进去重新启动Blender解决报错。
python.exe -m pip install imageio
3dmax模型导入C4D教程插件,转鲁米,转Lumion ,导入blender,导入UE4,导入Untiy教程和插件,材质贴图在。
代码建模为DIY爱好者们提供了一种全新的3D建模方式。通过编写简单的代码,我们可以轻松控制Blender和FreeCAD,创造出各种各样的模型。这不仅降低了建模的门槛,也为我们的创意提供了无限的可能。如果你也对3D建模感兴趣,不妨尝试一下代码建模吧!相信你一定会爱上这种简单、高效、充满乐趣的建模方式。这只是一个开始。。。
【Blender实用技巧分享】文章介绍了3个Blender使用技巧:1)模型减面:通过添加"精简"修改器调整比率降低面数;2)调整模型原点:通过吸附顶点功能将方向盘等部件的原点重置到正确位置;3)拆解模型部件:使用Shift+Alt组合键分离特定部件并导出。作者作为客户端程序员,推荐将键位设为标准Blender设置以便学习,并分享了Unity模型导入Blender前需先用FBX插件转换的经验。这些
3dmaxs地形制作,su地形制作教程,安cad高差高程点线做地形卫星图真实地形制作。3dmaxs地形制作,su地形制作教程,安cad高差高程点线做地形卫星图真实地形制作。
python bpy blender
这几天工作处理需要用到blender,平时用max比较多,今天研究了一下,发现blender有一个很意思的操作,行业兼容模式。很多刚从甚至C4D转坑到 Blender 的同学,遇到的第一只“拦路虎”绝对是快捷键!肌肉记忆这东西太可怕了:你想按 W 移动,结果 Blender 给你切换了选择工具?你想按 Alt 旋转视角,结果毫无反应?你想按 F 聚焦物体,结果……?别慌!Blender 官方其实非
https://ryomizutagraphics.gumroad.com/(无法进入的话直接上网搜索就行)需要下载一个导入step文件的插件。
blender 给人物角色绑定骨骼到unity3d 1.在blender中打开你的人物模型。确保角色的坐标轴在世界坐标的中心,人物的坐标轴应在脚底的位置,因为角色会在这个平面上移动2.在“文件”菜单上找到“用户设置”3.在“插件”面板下搜索“rigify”,在右边勾选☑️4.接着在“文件”面板勾选“自动运行”,最后保存用户设置就算完成准备工作了
安装后可以直接导入,导出gltf/glb格式模型。5当然支持直接导出glb/gltf格式文件。1支持直接导入glb/gltf格式模型。直接去glb官方下载即可(免费)4导入成功,材质动画都在。
crowdrender这个用了一下,感觉机器信息还得上传到国外的服务器上,同步集群信息比较慢,时好时坏,blendstation看了一下,免费,但是不开源,中文资料比较多,先讲一下blendstation操作过程,回头写一篇如何用crowdrender搭建本地渲染农场。那么用blendstation渲染农场管理软件搭建blender渲染农场,这些步骤网上都有,笔者只介绍一下2个关键步骤,注册用户什
很多像我一样刚接触人物建模的时候一头露水,其实使用开源的makehuman建立人物模型超级简单,打开软件基本就会用了,那我为什么还写记录呢?因为可能真的有人会像我一样不知道它的存在,衣服建模只看软件看不到,也记录下自己的使用经验。嘿嘿第一步 下载安装软件makehuman-1.1.1-win32.zip下载链接:下载地址1下载地址2下载后解压并打开目录中“makehuman.e...
3dmax按材质塌陷插件, 合并相同材质模型。
基于单张图片快速生成Metahuman数字人(模型贴图绑定)的工作流演示
2026 年,实时渲染与跨软件协作成为三维设计行业的主流趋势。SketchUp、Blender 与 3ds Max 作为当前最具代表性的 3D 软件,在学习成本、建模精度、渲染流程和行业应用方向上各有侧重。本文从软件定位、核心优势、适用人群及 2026 年工作流变化等角度,对三款主流 3D 软件进行横向对比,帮助建筑可视化、动画与 CG 从业者快速做出合适选择,并结合云渲染方案,探讨提升渲染效率的
2、使用3ds Max在线渲染农场,用户可以体验到高效且强大的渲染服务,这些服务支持批量提交渲染任务,从而大幅提高渲染效率和项目完成速度。在线渲染,无论是通过云渲染服务还是渲染农场,已经成为众多3dmax动画制作者的首选方式来执行渲染任务。1、3dmax文件在动画客户端中渲染时,可点击【渲染作业】,会出现多个下拉功能,选择【停止作业】即可正式停止【3dmax在线渲染】。2、在效果图客户端中,选择渲
3dmax一键烘焙很多张贴图合并成一张贴图插件支持fbx/obj/blender多材质模型合并为一张贴图。3dmax一键烘焙很多张贴图合并成一张贴图插件支持fbx/obj/blender多材质模型合并为一张贴图。
本文详细介绍了在Blender中制作粒子毛发并导入UE5的完整流程。主要内容包括:Blender中创建粒子系统、梳理发型、增加发量等核心步骤;正确导出Alembic(.abc)格式的关键设置;UE5中导入毛发、调整参数及绑定到角色的方法;以及解决"导入变静态网格"、"毛发稀疏"等常见问题的技巧。重点强调了隐藏发射体、缩放比例100、启用Groom插件等关键操
本文的重点,是介绍由AI生成背景图,然后根据背景生成HDR,再放到Blender中进行渲染的整个过程。这个工作流的好处是:电商渲染图不需要苦苦地去找场景模型,同时又避免了,纯AI换背景,那种不可控和产品会变化的弱点。
PSO-kelm:粒子群优化kelm用于时序预测核极限学习机 时间序列预测自带数据集,代码注释详细,适合新手学习,效果非常好。在数据分析与预测的领域,时间序列预测始终占据着重要位置。今天咱就来聊聊一种超棒的预测方法——PSO-kelm,也就是粒子群优化核极限学习机(Kernel Extreme Learning Machine)用于时间序列预测。
本文详细介绍了从Blender建模到Gazebo仿真的全流程,重点展示海上工业平台场景的搭建方法。主要内容包括:1) 在Blender中创建简化几何模型并正确导出;2) 在Gazebo中生成碰撞模型的两种方法;3) 机器人系统集成。
想让AI直接操控Blender建模、自动搭建Unity场景?本文手把手带你配置Claude Code CLI + MCP生态,实现“说句话就出3D模型”的科幻级开发体验。附NVIDIA NIM免费API接入指南,轻松搞定图生3D与自动骨骼绑定。搭配everything-claude-code超频套件,13个专业Agent一键加载,开发效率飙升300%。保姆级命令拆解,零门槛迈入AI Native开
本文是一篇Blender零基础入门教程笔记,重点讲解了从基础模型搭建到最终渲染输出的完整流程。教程首先演示了如何导入参考图并搭建基础几何模型(球体、环体等),详细介绍了视图切换、物体选择和参数调整等基础操作技巧。随后讲解了摄像机机位调整的两种方法,以及EEVEE和Cycles两种渲染引擎的特点比较。在布光环节,重点介绍了面光的使用和多光源布置技巧。最后通过材质上色环节,讲解了基础色、金属度和糙度等
文章摘要:用户发现Blender中Alt+R快捷键失效,windows桌面右上角出现性能信息,排查发现是NVIDIA控制面板的浮窗功能冲突。通过在NVIDIA应用设置中禁用信息浮窗功能后,成功恢复了Blender的清空旋转快捷键功能。问题源于NVIDIA软件的快捷键占用,通过关闭相关功能即可解决。
本文展示了Blender中数学工具mathutils的常用旋转转换方法,包括四元数转欧拉角/旋转矩阵、欧拉角转旋转矩阵/四元数等6种转换方式。通过代码示例演示了如何使用Quaternion对象的to_euler()和to_matrix()方法实现不同旋转表示形式之间的转换,为3D图形编程提供了实用的参考实现。这些转换方法适用于Blender Python脚本开发中的空间变换计算需求。
提供简易分类的免费3D模型下载,支持FBX/OBJ/Blend格式,适合快速原型设计。网址:https://www.artstation.com/marketplace。网址:https://www.blendernation.com。网址:https://www.blenderkit.com。网址:https://www.turbosquid.com。网址:https://studio.blen
本文介绍了一个基于Vue3和Three.js的智慧城市3D可视化系统开发项目。作者作为前端开发者,通过自学Blender建模和Three.js技术,实现了城市建筑模型加载、人物动画、道路流光特效等功能。技术栈包括Vue3、Three.js、Vite和Blender3.0+,开发流程涵盖需求分析、自主学习、场景搭建、模型加载与动画实现等关键环节。项目展示了作者从零开始掌握3D可视化技术的完整学习路径
本套MATLAB代码实现了二自由度机械臂的模型预测控制(MPC),核心目标是通过实时非线性模型线性化与滚动时域优化,使机械臂关节角度精准跟踪期望轨迹,并输出稳定的控制力矩。代码涵盖机械臂动力学建模、正运动学计算、轨迹生成、MPC控制器设计及仿真结果可视化全流程,适用于二自由度机械臂的运动控制算法验证与性能分析。
本文全面介绍了3D建模领域常见的文件格式,重点分析了OBJ、glTF、GLB、STEP和FBX五种核心格式的特性及应用场景。OBJ格式简单易用但功能有限;glTF/GLB作为现代Web 3D标准,支持PBR材质和动画;STEP适用于CAD工程数据交换;FBX则在影视动画领域占据主导地位。文章提供了15+种扩展格式的速览,包含技术参数对比、命名规范建议及格式转换工具推荐,为不同应用场景下的3D格式选
安装完成后,打开SketchUp模型,在菜单栏点击「扩展程序」→「Enscape」→「Start Enscape」,即可弹出Enscape实时渲染窗口,此时SketchUp中对模型的任何修改(移动、材质调整、尺寸修改等),都会实时同步到渲染窗口,无需重复渲染,极大提升效率。同时开启HDR天空盒,提升环境反射的真实感,让材质(如金属、玻璃)的反射效果更自然。- 重点照明:针对展品、台面、装饰画等需要
在 Blender 动画制作过程中,渲染速度慢是最常见的性能瓶颈之一。本文从 Cycles 渲染原理出发,系统分析导致动画渲染变慢的核心原因,包括 GPU 渲染、采样设置、光线路径、场景复杂度等关键因素,并给出可落地的优化方案。同时结合渲染101云渲染平台,介绍如何通过分布式算力大幅提升 Blender 动画渲染效率,适合三维动画从业者与 Blender 进阶用户参考。
界面自定义能力已很强,但预设的工作区配置(如针对雕刻家、动画师、技术美术的优化布局)可以更丰富、更智能。对辅助技术(屏幕阅读器等)的支持也需要加强。
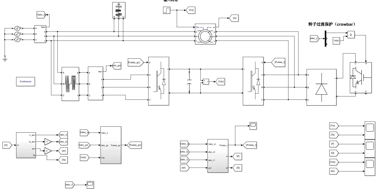
首先建立了双馈风力发电机的数学模型,列出了双馈风力发电机的基本电磁方程、能量关系方程,并以此为基础设计了双 PWM 控制系统,此系统转子侧是基于转子磁链定向的,定子侧即为普通的 PWM 整流器然后在 Matlab/Simulink 平台搭建了并网后的控制模型,并搭建了一个简单的双馈风力发电机的过电流保护仿真过程中根据实际风力发电机工作时输入机械转矩改变的情况对双馈风力发电机的输入转矩进行了改变,从
命令行,是人类和AI代理共通的语言。有意思的是,AI时代最前沿的交互方式,居然是回到了计算机最古老的交互方式——命令行。图形界面是为人类设计的,而命令行天然就是为"输入指令、获得结果"这种逻辑设计的。我们花了四十年让电脑学会"看图说话",结果AI说——不用了,我更喜欢打字。而你的选择是:继续当那个手动点菜单的人,还是成为那个用一句话调动整个软件生态的人。你觉得CLI-Anything这种项目会改变
基于输入整形的双惯量系统末端抖动低频机械谐振抑制仿真1.模型简介模型为基于输入整形的双惯量伺服系统低频机械谐振抑制(末端抖动抑制)仿真,采用Matlab R2018a/Simulink搭建仿真模型由传递函数形式搭建,主要包括输入整形器、位置环、转速环、低通滤波器、双惯量谐振模型2.算法简介实际工程中,由于传动环节机械间隙和柔性的影响,高速运动的伺服电机在定位时负载末端会存在残余抖动,这将加大系统的
添加日光 ,选中日光,按下 g + z 进行上下移动,可以再右边属性栏,世界属性中,调节强度,也可以换到顶视图,去拖动黄色圆点可以调节光线角度。基础色可设置颜色,可以设置糙度(光滑)鼠标就可以移动循环边了,再点击就可以保存了,如果还想移动这个循环边,可以。解释:细分视图的层级越高,表示分割的面数,也就越多,正常就是2。左键拖动红绿蓝,x、y、z三个箭头,进行移动模型,也可以通过。左键拖动红绿蓝,x
兄弟们,今天教你们如何使用blender+threejs搭建一个3d展厅平台,学会了这个就能走向人生巅峰了。
1.模型正面朝向Y-,导出FBX时未勾选“应用变换”→Unity内X旋转为-89.98,未面向镜头,比例全为100。3.模型正面朝向Y+,导出FBX时未勾选“应用变换”→Unity内X旋转为-89.98,面向镜头,比例全为100。2.模型正面朝向Y-,导出FBX时勾选“应用变换”→Unity内全部旋转为0,未面向镜头,比例全为1。(之前不敢勾选是看Blender提醒什么骨架崩溃问题,但是勾选了暂时
先下载threejs插件包https://pan.baidu.com/s/1c3tHkh6打开插件包Blender目录下addons内io-three复制放入Blender目录2.79(版本)script的addons文件夹内然后打开Blender,在文件 用户设置面板(Ctrl+Alt+U)插件,左侧的导入导出内找到 Import-Export Three.js Format 勾选即可导出选项就
blender
——blender
联系我们(工作时间:8:30-22:00)
400-660-0108 kefu@csdn.net