登录社区云,与社区用户共同成长
邀请您加入社区
传统周期通信的通信资源浪费问题太明显,搞个触发条件自动控制通信时机,这事听着就靠谱。最后上张状态误差对比图(假装有图),明显看到红色的事件触发曲线虽然有小幅震荡,但整体趋势和蓝色周期通信基本重合。特别关注通信次数统计——事件触发组的通信量只有固定周期组的1/3左右,但收敛时间基本持平。这里采用状态误差的范数作为触发条件,代码里这个threshold参数特别关键——设大了通信不频繁但误差大,设小了频
本项目成功构建了一套功能完整的个性化电影推荐系统,实现了用户浏览、搜索、个性化推荐、AI 咨询、管理员后台等核心功能。核心成果如下:融合 TF-IDF + 余弦相似度、ItemCF 协同过滤、用户行为足迹关联,提出个性化融合推荐算法,准确率达 65.2%,RMSE 1.08,采用 Vue 3+Flask 前后端分离架构,实现跨域登录态保持、模型序列化存储、高效接口响应,界面沉浸式设计,操作简洁直观
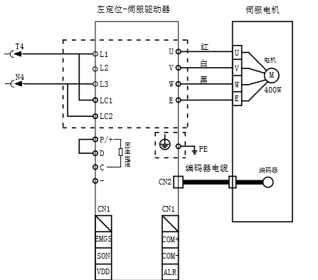
总的来说,这次项目开发让我对三菱FX5U PLC的结构化编程有了更深的认识,也积累了宝贵的伺服控制系统开发经验。这种分层设计的好处是显而易见的,每个功能都有独立的模块,需要修改某个功能时只需要关注对应的模块就可以了,不用像以前那样在一大堆代码里找来找去。包括三菱FX5U程序,挂扣生产线,威纶通触摸屏程序,IO表,材料清单,eplan和PDF电气图,整机结构图,真实使用中程序。包括三菱FX5U程序,
在工作中,我们可能同时在进行2个或者多个不同的项目开发,每个项目的需求不同,进而不同项目必须依赖不同版本的NodeJS运行环境,这种情况下,对于维护多个版本的node将会是一件非常麻烦的事情,nvm就是为了解决这个问题而产生的,他可以方便的在同一台设备上进行多个node版本之间切换。解决electron在国内下载依赖问题及项目创建
从实际需求出发,一个接一个地完成项目开发,并配合课程中的教学视频和文档,更深入地理解uniapp的各种开发技巧和实现方法,为我今后的开发工作提供了非常有用的帮助。在这个过程中,我不仅了解了uniapp的基础知识和开发流程,更通过实践项目的练习和与他人的交流互助,进一步提高了自己的技术水平和能力。uni-app提供了跨多端的基础工具,开发人员可以通过一个代码库开发出多种目标平台的应用,在不同平台上的
错误如下:scss编译错误errorin ./src/assets/scss/index.scssSyntax Error: SassError: Undefined variable.╷23 │ $b-custom-radio-indicator-border-radius-lg: $custom-radio-indicator-border-radius !default;│^^^^^
(2)在src/assets文件夹下新建style文件夹(文件名可以自定义),在文件夹下新建main.scss文件(3)在vite.config.js中配置2.scss的简单使用(1)变量的定义例如:$blue: #3385ff$表示这是一个变量;blue表示这个变量的名称;#3385ff代表这个变量的值在HelloWorld.vue文件的style区
【代码】使用scss封装公共类名。
当然,如果需要点击后回调的还可以在input中加一个@change,内容更改后的组件。学习链接:https://blog.csdn.net/lk_123456/article/details/120196318三:选择框组件使用示例
一,初始化项目1、npm init vite@latest选择vue-ts二,配置路由1、npm i vue-router@next -Simport { createRouter, createWebHashHistory } from 'vue-router'const routes = [{path: '/',name: 'index',meta: {title: '后台管理系统'
uni-app 官方推荐使用HBuilderX来开发 uni-app类项目。对应的开发工具下载以及配置运行环境
经过这两天的运用吧,我觉得在idea中用scss真的不如我在VScode中使用,体验感没有vscode好,再加上在idea中我还要提交项目,scss编译后的css文件又在scss的子目录(这个应该可以设置)。近来写项目多用idea,本人写样式超级依赖scss,没有它修改样式的时候很痛苦。ruby安装成功后,安装compass,命令行输入。安装过程中,一定要勾选这一项,其他直接next。检查是否安装
/将错误信息不显示。// 自定义显示方式。content: '取流失败';//自定义视频播放器报错样式。
Vue3+TS项目中正确导入SCSS变量的方法:通过将variables.scss重命名为variables.module.scss,并使用模块化导入方式。常见错误包括:缺少:export块、Vite配置不当或路径错误。解决方案:1)修改env.d.ts声明为*.module.scss;2)确保Vite配置中启用CSS Modules。关键点在于正确配置模块类型声明和Vite的CSS模块处理,这样
@apply 是 CSS 中的一个功能,它允许您将一组样式规则应用于一个选择器。这是一种实验性质的功能,并非所有的 CSS 解析器都支持它,特别是当你使用 PostCSS 和一些Unocss/Windcss/Tailwind CSS工作时。 在 VSCode 中遇到 Unknown at rule @applyscss(unknownAtRules) 的信息,可能是因为您的编辑器或其内置的 SCS
SCSS中使用相对路径引入图片,报错“Field 'browser' doesn't contain a valid alias configuration after using descript
昨天为大家展示了 Tailwind CSS v4 预览版所带来的一些引人注目的新特性。这些新特性不仅为开发者提供了更高效的样式编写方式,还进一步提升了前端开发的体验。而今天我将更深入地教大家如何实际体验 Tailwind CSS v4 预览版,并带大家一同探索它的版本路线图,看看与 Tailwind CSS v3 版本相比,它究竟有哪些显著的变化。
以下是按照您的要求生成的文章内容,使用HTML标签进行段落和标题的划分:Java在人工智能时代的角色与重要性Java凭借其稳定的跨平台特性、卓越的内存管理机制和庞大的开源生态系统,在人工智能时代始终占据着不可或缺的地位。在深度学习框架与大规模数据处理领域,Java通过与C++/CUDA的混合部署,实现了算法性能与工程效率的双重突破。企业级AI系统通过Java的强类型语法和完善的异常处理机制,能构建
vant-list + toast分页加载,数据加载后会滚动至顶部
本文分析了前端开发的核心技能体系与地域岗位特点。基础技术栈包括HTML/CSS/JavaScript三件套,以及Vue/React主流框架;工程化环节涉及Webpack打包和Git版本控制;进阶能力包括Node.js后端开发和性能优化。不同城市需求差异明显:一线城市注重技术深度和创新,其他城市更侧重业务适配和跨端开发。建议开发者遵循"基础→工程化→进阶"成长路径,结合地域特点发
服务注册与发现用于管理系统之间的服务,确保系统能够动态发现和调用所需的服务,可以采用Zookeeper、Consul等技术实现。银行处理大量敏感数据,包括客户信息、交易记录等,因此需要采取一系列的安全措施来保护数据的安全性,包括数据加密、访问控制、身份认证等。此外,ESB架构还需要具备高可用性和容错性,确保系统在面对突发情况时能够保持稳定运行,不影响业务的正常进行。通过采用安全可靠的ESB架构,银
碳足迹GIS服务平台技术架构的设计和实现,将有助于企业和社会更好地管理和减少碳排放,推动可持续发展的目标。在碳足迹GIS服务平台中,可视化展示模块能够将计算得出的碳排放数据以直观的方式呈现给用户,包括地图展示、图表分析等多种形式,帮助用户更直观地理解碳排放的情况。碳排放计算是碳足迹GIS服务平台的核心功能之一,通过对采集到的数据进行计算和分析,得出相应的碳排放量。空间信息处理模块负责对碳排放数据进
从npm官网中搜索reset.scss,获取最新的reset.scss代码复制到本地文件中,出现了5处这样的警告提示,项目运行正常。但是我的强迫症发作了,必须要清除这些不速之客。通过deepSeek找到方法解决了。Mark一下!在 Vue3 + TypeScript + SCSS 项目中,当你在rest.scss文件中使用出现黄色波浪线警告时,这是因为现代 CSS 校验工具建议同时提供和以确保最佳
由于我个人习惯,写HTML的时候不喜欢写一个类名,然后再去CSS里面写好对应的样式,大部人的选择是将重复的CSS抽离,写到全局中,这样就可以直接应用.但是还是很麻烦,那么,有没有更好的方法呢?
本文涉及到多入口打包,自动化生成项目基础模板,持久化pinia仓库数据,引入nprogess进度条,viewport 适配方案 - postCSS插件的vue3框架搭建封装,干货多多
将上面的scss文件导入到app.vue中。最后就可以直接在全局的样式中使用了。首先定义demo.scss。
二次封装城市列表以及对静态资源的引入做异步引入优化。
本文简单介绍了递归组件的基本实现,例子为可以无限级展开的折叠面板,仅供学习参考。
**智能化转型阶段:** 当前,随着人工智能、大数据等技术的崛起,公司系统正朝着智能化转型迈进,实现数据驱动的决策和运营。- **数字化转型巨头:** 以阿里巴巴、腾讯等为代表的互联网巨头,通过智能化技术的应用,实现了业务的高效运营和持续创新。- **集成升级阶段:** 随着业务规模的扩大,公司系统逐渐向集成化方向发展,整合ERP、CRM等系统,提升管理效率。- **基础功能阶段:** 初期,公司
在React项目中,样式语言无论是用scss或less,如果想让 样式 仅作用在某个组件,而不影响全局,一般都会把样式文件进行模块化,即打包后每个class名都会被自动加上一串唯一的序列号。假如 想让某个class不加序列号,可以作用到其他组件,那么就写到:global { ... } 中即可,如下图的例子:/* 在test.module.scss文件中 */.main {width: 100px
在Vue 3 + TypeScript + Vite 项目中安装和使用 SCSS。
原来是style这里少了一个styles哈哈哈上天真的是给我开了个很大的玩笑。刚刚遇到如下错误,找了我一个小时,经过重新安装scss以及重新配置。我现在的心情犹如我这段话。改完之后就能正常展示了。
CSS3 是 CSS2 的升级版本,它在 CSS2 的基础上,新增了很多强大的新功能,从而解决一些实际面临的问题。CSS3 的新特性如下:● 新增了更加实用的选择器,例如:动态伪类选择器、目标伪类选择器、伪元素选择器等等。● 新增了更好的视觉效果,例如:圆角、阴影、渐变等。● 新增了丰富的背景效果,例如:支持多个背景图片,同时新增了若干个背景相关的属性。● 新增了全新的布局方案 —— 弹性盒子。●
问题描述 是不是觉得自己配置没问题 倒停了很久@use “@/styles/variables.scss” as *;最后的分号也加 哈哈看了网上好多说的 还是没解决我就纳闷了。你直接不用Vite配置preprocessorOptions.scss.additionalData了。原来这不是一个bug,只有在main.js引入一个其他scss文件或者在.vue文件中使用。直接写一个css 文件,m
[plugin:vite:css] [postcss] postcss-import: “” unknown word一个关于在vite中引入scss的超级离谱的报错!!
3. 全局引用,在 vite.config.ts 文件下做如下配置。4. 开始使用,全局引用之后就可以在所有页面使用了。2.在src目录下创建bem.scss文件。1. 首先需要在项目根目录下安装scss。
在manifest.json中加上:“sassImplementationName” : “node-sass”,
路径没有错误,使用别名即可。@import弃用使用@use
找到"mp-weixin", 加上 "sassImplementationName": "node-sass", 重启就OK。打开manifest.json, 找到最下面源码视图;
版本号,npm 或 yarn 可能仍会默认安装最新版。这是因为缓存或配置文件可能影响了依赖版本的选择。为了兼容现有的代码结构和避免潜在的问题,推荐将这两个依赖降级到一个更稳定的版本。规则已被弃用,并将在未来的 Dart Sass 版本中移除。近期,在使用 Vue.js 项目时,由于安装了较高版本的。版本不匹配导致的兼容性问题,使您的项目顺利运行。采取以上措施后,应该能够有效解决由于。这样可以确保安
Vue2 scss 预编译器默认已由 node-sass 更换为 dart-sass,如果您的代码使用了 dart-sass 不支持的旧语法,可能存在部分不兼容的问题
vscode stylelint插件安装vscode stylelint插件安装及配置stylelint插件版本vscode中配置stylelint自动修复安装stylelint依赖包stylelint配置
传送门:Scss 基本使用(变量、嵌套)传送门:Sass中文网传送门:Sass 教程 | 菜鸟教程1. 继承( @extend )@extend 指令告诉 Sass 一个选择器的样式从另一选择器继承。如果一个样式与另外一个样式几乎相同,只有少量的区别,则使用 @extend 就显得很有用。<style lang="scss">.contanier1{font-size: 24px;fo
title: 利用css3的var()实现运行时改变scss的变量值tags: css,css3,var(),runtime change,scssgrammar_cjkRuby: truecreate_date: 2018-12-24var()介绍与使用 详情(MDN)IE无效,其余主流浏览器有效var()使用 只能在{}内声明,作用范围由{}的选择器决定<!-...
每日鸡汤,每一个想要学习的念头都是未来的你向自己求救首先我们在package.json中安装的依赖都是关于sass的,但是在style标签中使用的时候一般是用<style lang="scss>这是为什么呢,我们来看一下sass和scss的关系。参考链接sass和scss其实是一样的css预处理语言,scss是sass 3引入的新语法,所以就是说scss隶属于sass,scss语法完全
大文件上传
@use从其他Sass样式表加载mixin,function和变量,并将来自多个样式表的CSS组合在一起// src/_corners.scss$radius: 3px;@mixin rounded {border-radius: $radius;}// style.scss@use "src/corners" as corners;.button {@include corners.rounde
使用 “scss” 时报错':vue-style-loader!css-loader?...'错误信息处理办法后续配置错误信息This dependency was not found:* !!vue-style-loader!css-loader?{"sourceMap":true}!../../../node_modules/vue-loader/lib/style-compiler/inde
scss
——scss
联系我们(工作时间:8:30-22:00)
400-660-0108 kefu@csdn.net