
简介
该用户还未填写简介
擅长的技术栈
可提供的服务
暂无可提供的服务
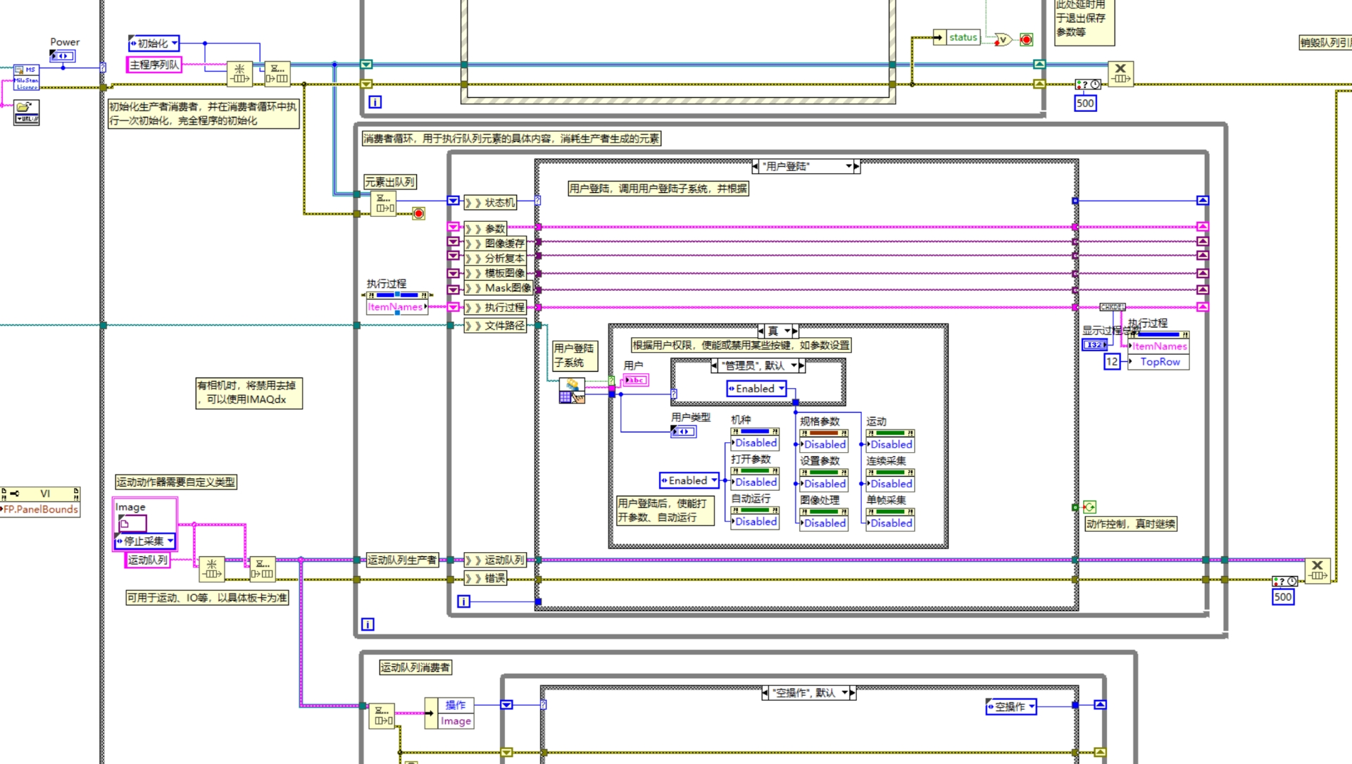
这个软件的设计思路是模块化的,每个工具都是独立的 DLL,主程序通过统一的接口来加载和调用这些工具。至于算法工具,种类还挺多的,图像处理、检测识别、标定工具、对位工具、几何工具、几何测量、三维检测、逻辑工具、通讯工具和系统工具,基本涵盖了视觉处理的常见需求。算法工具包含图像处理、检测识别、标定工具、对位工具、几何工具、几何 测量、三维检测、逻辑工具、通讯工具和系统工具。支持多相机多线程,每个工具都

特别是在处理图像数组的时候,给IMAQ ImageToArray.vi加上探针,实时看到像素矩阵的变化比啥文档都好使。注意第二个参数的结构元素选型,矩形核适合直角特征的检测,要是做圆形零件检测记得换成IMAQ_Circle。我在汽车零件检测项目里用过这套逻辑,现场换了三家不同厂商的工业相机都能无缝切换,甲方爸爸直呼专业。这套架构在新能源电池片检测项目里验证过,同一套算法换产线时,工艺员自己改配置文

DA算法就像武侠小说里的无招胜有招,当查找表代替乘法器的瞬间,仿佛听到代码在说:"看好了,硬件优化是这么玩的!DA算法的主要特点是,巧妙地利用查找表将固定系数的MAC运算转化为查表操作,其运算速度不随系数和输入数据位数的增加而降低,而且相对直接实现乘法器而言,在硬件规模上得到了极大的改善。曾经有个项目因为Q值设错导致语音识别模块把"打开空调"听成"该上吊了",血的教训。对于FIR(有限长单位冲激响

matlab代码:计及条件风险价值的电-气综合能源系统能量-备用分布鲁棒优化关键词:wasserstein距离 CVAR条件风险价值 分布鲁棒优化 电-气综合能源 能量-备用调度参考文档《Energy and Reserve Dispatch with Distributionally Robust Joint Chance Constraints》

VDUI 通过“强隔离的 MVVM + 统一的事件总线 + 可插拔 Service”三板斧,把视觉点胶领域的高复杂度交互拆解成“可单元测试、可并行开发、可热插拔”的模块化结构。后续无论新增AI 缺陷检测、还是云端 OTA 升级,都只需在 Service 层横向扩展,主工程与 UI 零改动,为产线 7×24 持续升级奠定架构基础。

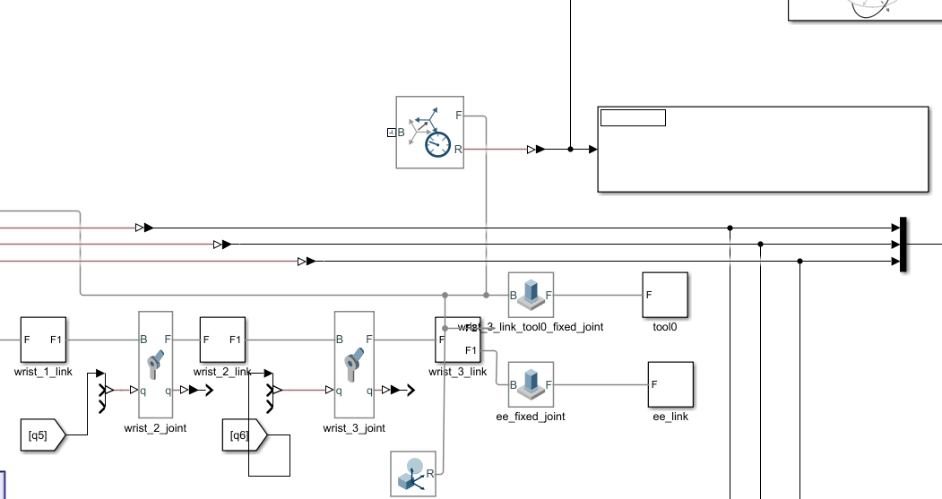
MATLAB仿真UR5机器人simulink simscape 自制建模正向运动学,逆向运动学关节空间轨迹规划 五次多项式轨迹规划笛卡尔空间轨迹规划 直线插补还包含机器人工具箱建立的模型对比在机器人研究领域,MATLAB是一款极为强大的工具,它提供了丰富的函数库和仿真环境,能让我们对机器人的运动学和轨迹规划进行深入的研究与分析。

本文介绍了一个基于列约束生成法(Column-and-Constraint Generation, CCG)的两阶段鲁棒优化问题的MATLAB实现。该代码构建了一个完整的两阶段鲁棒优化求解框架,通过主问题与子问题的迭代求解,有效处理不确定性环境下的优化决策问题。这个CCG算法实现展示了两阶段鲁棒优化问题的标准求解流程,通过主问题与子问题的交互迭代,有效平衡了决策的鲁棒性和经济性。代码结构清晰,模块

西门子PLC S7-1200程序实例,博图版本V15,仅供电气编程者学习借鉴1,西门子1200与安川机器人TCP/IP通讯,包含机器人GSD文件;2,西门子1200控制6轴伺服电机,四台台脉冲控制台达B2伺服,两台PN通讯控制西门子V90伺服电机;3,两台西门子1200开放式通讯交互数据联动;4,与4台位移传感器modbus485轮询读取参数;最近在研究西门子PLC S7 - 1200的一些应用案

烧蚀模型主要用于模拟材料在高温热源作用下的去除过程。无论是激光烧蚀、电子束烧蚀还是其他热源加工,这个模型都能派上用场。它结合了传热学、流体力学和材料科学的知识,能够预测材料表面的烧蚀速率以及内部的变化。速度源项和水平集源项。这两个部分分别控制材料的去除速率和界面的动态变化。通过今天的分享,我们了解了基于COMSOL的烧蚀模型,包括饱和蒸汽压力、速度源项和水平集源项的作用。这个模型不仅能够模拟材料在








