登录社区云,与社区用户共同成长
邀请您加入社区
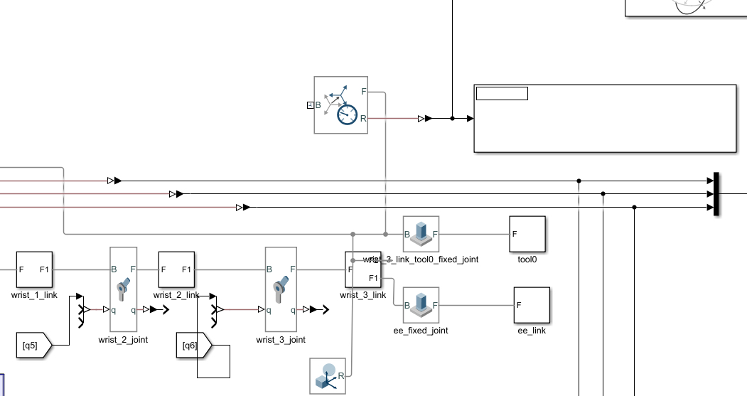
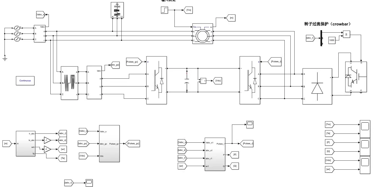
首先建立了双馈风力发电机的数学模型,列出了双馈风力发电机的基本电磁方程、能量关系方程,并以此为基础设计了双 PWM 控制系统,此系统转子侧是基于转子磁链定向的,定子侧即为普通的 PWM 整流器然后在 Matlab/Simulink 平台搭建了并网后的控制模型,并搭建了一个简单的双馈风力发电机的过电流保护仿真过程中根据实际风力发电机工作时输入机械转矩改变的情况对双馈风力发电机的输入转矩进行了改变,从
LMS的误差是平滑下降,RLS则是断崖式下跌——这就是用内存换速度的典型表现。今天咱们用代码实操LMS和RLS这两个经典算法,手把手教你改参数看效果。改order参数时注意,RLS的计算量是order的平方级增长,别随便调太大。注意这里用指针直接操作内存,比MATLAB快了不止一个量级,特别适合嵌入式系统。那个mu参数(0.01左右)就像老司机的油门,调大了容易翻车(发散),调小了收敛慢。rls,
TCP连接是通信双方在内存中建立的虚拟可靠双向通道,通过三次握手建立、四次挥手断开。相比UDP的无连接传输,TCP提供可靠性(自动重传)、有序性(序列号重组)和流量控制(滑动窗口)。后端开发需关注连接状态如SYN_RECV(可能遭受SYN Flood攻击)、CLOSE_WAIT(代码未关闭连接)和TIME_WAIT(短连接过多)。Socket是连接的操作接口,由四元组唯一标识,包含收发缓冲区;序列
MATLAB代码:基于模型预测算法的含储能微网双层能量管理模型关键词:储能优化 模型预测控制MPC 微网 优化调度 能量管理论文复现参考文档:《A Two-layer Energy Management System for Microgrids with Hybrid Energy Storage considering Degradation Costs》完全复现仿真平台:MATLAB平台优势
本软件是一款功能强大的批量ping测试单机工具,旨在帮助用户快速检测网络连接状态,支持IPv4和IPv6地址批量ping。通过简单的操作界面,用户可以轻松地输入目标IP地址列表,一键启动批量ping测试,实时查看每个IP地址的响应情况,包括回复时间、丢包率等信息。
软件:科来网络分析系统 2020 技术交流版官网下载本文不过多介绍软件的安装过程,(软件安装可以看这)主要是针对软件如何快速的过滤、检索数据包,属于进阶类使用教学。1、适合新手的使用方式在系统选项>启用深度数据包检测过滤器---把这项勾选去掉(在开始数据包分析之前才能取消勾选)现在你想要过滤任何IP或者端口(列表上显示的都可以作为过滤对象)但是要是想要过滤数据包里面的内容,以IP.ID举例,
银河麒麟V10系统服务器版安装tcpdump抓包工具,遇到下载源问题,最终解决。
一、tcpdump的作用tcpdump 是linux环境的网络数据采集分析工具, 也就是所谓的抓包工具,与tcpdump只有命令行格式不同,Windows有个图形可视化工具Wireshark所谓的抓包工具就是从网络数据包中抓取我们需要的数据包,就需要定义一些过滤器,从庞大的网络流量中抓取符合条件的目标数据包,学习抓包工具的使用其实就是了解怎么定义和使用过滤规则二、语法格式[root@ho...
因特网(Internet)的前身是美国国防部高级研究计划局(ARPA)用于军事目的的通信网络,真的就是一个内部的工具出圈成了改变世界的事物。网这个词用的很形象也很贴切,如今的世界任何事情都离不开这个大网了,特别是之前炒的非常火爆的万物互联概念,更是把所有事物都挂在了“网”上,虽然这张大网某些节点偶尔会不太通畅,但这并不能阻断消息的往来。之前都在讲全球化,谁能想到短短几年“逆全球化”居然越来越热..
在linux中安装libpcap (适用于qt5)
tcpdump是一个强大的命令行网络抓包分析工具,它允许用户捕获和分析经过计算机网络接口的数据包。捕获流经网络接口的原始数据包解析各种网络协议的数据包显示或保存捕获的数据包内容。
PS:tcpdump是一个用于截取网络分组,并输出分组内容的工具,简单说就是数据包抓包工具。tcpdump凭借强大的功能和灵活的截取策略,使其成为Linux系统下用于网络分析和问题排查的首选工具。tcpdump提供了源代码,公开了接口,因此具备很强的可扩展性,对于网络维护和入侵者都是非常有用的工具。tcpdump存在于基本的Linux系统中,由于它需要将网络界面设置为混杂模式,普通用户不能正常执行
本文介绍了使用Wireshark抓取并分析RTP音频数据的方法。首先通过tcpdump命令抓取网络数据包,再用Wireshark解析RTP协议流。由于该RTP流采用PCM16bit小端单通道8000采样格式,需将音频数据导出为raw文件。最后使用Audacity导入该文件并设置正确的编码参数,即可播放分析音频质量。该方法适用于VOIP电话或IP E-CALL等场景下的音频问题定位,特别是噪音分析。
用wireshark查看包内容时,有时候我们会发现包的数据链路层头名称为linux cooked capture。如图:我们正常的以太网头如下:为何链路层名称为linux cooked capture?因为包是在linux中使用tcpdump,且指定参数-i any来捕获设备上所有网卡上的包。它会把所有包的以太网头都换成linux cooked capture,wire
(注意:操作之前,当前系统是否有当前时间,如果无当前时间则指定一个当前时间,类似下面命令。【免费】在麒麟Linux下编译所需要的四个源文件资源-CSDN文库,3 使用tcpdump。
tcpdump网络抓包工具使用教程。它基于libpcap库来抓取网络数据包,它的优点就是易安装、易使用、灵活轻便。
tcpdump 命令:tcpdump命令是linux系统自带的抓包命令,包含在$PATH环境变量的路径/usr/sbin中。即:tcpdump [option] [expression]option选项(有很多,列举部分):-D 显示系统中的网卡(包含虚拟网卡);-c count 当抓包数量达到count时,停止tcpdump进程;-i interfac
tcpdump主要选项类型方向协议逻辑and, or, not 或者 && , || ,!选项-i指定网卡, -n显示ip, -A文本显示-c抓包数, -x/-xx/-X/-XX二进制显示, -r读, -w写监听来自192.168.1.10 或 192.168 .1.11的80端口:注:括号需要转义选项-i:指定网卡。-n:显示ip,而不是主机名。-c:指定抓多少个包后退出。-A:以ASCII方式
摘要:本文介绍了如何使用tcpdump进行网络数据包分析。通过安装tcpdump工具,在Linux服务器上捕获80端口的HTTP请求数据包,保存为pcap文件后用Wireshark图形化工具分析。详细展示了TCP三次握手、HTTP请求响应和四次挥手过程,并提供了常用的wireshark过滤语法,如IP地址、端口号等过滤条件,帮助更高效地进行网络问题诊断。文章建议结合命令行捕获和图形化分析工具使用,
之前我一直对tcpdump抵触,但是经过几次尝试之后我想还是喜欢上了它。在讨论原因之前,我们先来了解一下 tcpdump 是什么?tcpdump 是一个帮助你分析网络流量的工具。我很长时间以来都很害怕它,拒绝学习如何使用它。现在我完全释然了,这里我带你去了解tcpdump,它 很棒,没有必要害怕它。Let’s GO!
2、安装:yum install tcpdump(yum安装即可),安装完成之后创建一个文件夹,专门存放抓取数据保存的文件,执行tcpdump相关命令在该文件下执行就可以了;我这里具体做的过滤就是我的服务器通过网卡单向发出去的包,原理就是源地址source发往目标的就是单向的;抓取到文件之后我将文件传到我的windows上面,这里就涉及到一个如何打开cap文件的问题;另外在排查问题的时候,为了更准
tcpdump工具使用方法简介: tcpdump,即dump the traffic on a network,根据使用者的定义对网络上的数据包进行截获的包分析工具。下载tcpdump到本地,地址:http://www.strazzere.com/android/tcpdump2.ADB连接设备adb push /mnt/c/your_local_path/tcpdump ...
MATLAB仿真UR5机器人simulink simscape 自制建模正向运动学,逆向运动学关节空间轨迹规划 五次多项式轨迹规划笛卡尔空间轨迹规划 直线插补还包含机器人工具箱建立的模型对比在机器人研究领域,MATLAB是一款极为强大的工具,它提供了丰富的函数库和仿真环境,能让我们对机器人的运动学和轨迹规划进行深入的研究与分析。
tcpdump 在移动网络安全中的核心价值,在于其打通了 “底层流量捕获” 与 “安全风险识别” 的链路 —— 它不仅是工具,更是移动安全分析的 “思维载体”:通过解读数据包中的 IP、端口、协议字段,还原 APP 行为、恶意通信与网络攻击的真相。对安全从业者而言,掌握 tcpdump 的移动落地技巧,能大幅提升隐私合规检测、恶意软件分析的效率;对开发者而言,可借助它提前发现 APP 的网络安全漏
在AI时代,学术写作不再是一场“孤军奋战”的苦战,而是人与智能工具的“协同进化”。,微信公众号搜一搜“书匠策AI”)正以“全维导航仪”的姿态,将论文写作从“体力劳动”升级为“脑力协作”,用六大核心功能为你的学术探索保驾护航。,或微信公众号搜一搜“书匠策AI”,开启你的智能科研之旅——让每一篇论文都成为思想与技术的完美共舞,让学术之路因智能而更高效、从容!选题是论文的“基因”,但传统方式往往依赖导师
摘要:本文介绍了网络协议分析工具Tcpdump的使用方法。主要内容包括:1) 基础数据包捕获操作,如指定网络接口(-i)、保存文件(-w)、读取文件(-r)和限制捕获数量(-c);2) 过滤表达式应用,包括按主机(host)、端口(port)和协议(icmp/tcp等)过滤,以及逻辑运算符(and/or/not)组合;3) 高级过滤技术,如基于TCP标志位(tcpflags)的二进制运算过滤;4)
是 Unix/Linux 系统编程中用于执行新程序的系统调用函数。其作用是将当前进程替换为新的程序,并传递命令行参数。
IdTag 是 OCPP 1.6J 充电管理体系的核心身份识别标识,广泛应用于授权、计费、访问控制等场景。合理使用 IdTag 机制能提高充电桩的安全性与用户体验,确保充电流程高效可靠。
【代码】IPC 机制详解(Inter-Process Communication)
可以使用的协议有:ether,fddi,ip, arp,rarp, decnet,lat,sca,moprc,mopdl,tcp和udp, 例如, `ether src foo',`arp net 128.3',`tcp port 21'。proto是ether,fddi,ip,arp,rarp,tcp,udp,oricmp之一,同时也指出了下标操作的协议层。=之一,expr是数学表达式,由常整数
路由器黑盒测试通过模拟用户操作(配置/上网/压力负载)及异常场景(断电/攻击),验证功能、性能、安全等外部行为,依赖工具(iperf3/Nmap/自动化脚本)生成输入并捕获输出,缺陷分析聚焦现象复现与用户体验,为企业选型及产品改进提供客观依据。
TCPdump是一款基于命令行的网络数据包分析工具,能够捕获和分析网络接口传输的数据包。本文全面介绍了TCPdump的使用方法:从Linux/MacOS系统的安装配置,到基础抓包操作;详细解析了过滤器语法和输出内容结构,包括Flags标识符(SYN/ACK等)的深层含义;展示了高级选项(-s/-X/-w等)和典型应用场景(故障排查、安全审计等);最后提供了权限不足、抓包失败等常见问题的解决方案。作
Openharmony版本 tcpdump交叉编译说明
系统平台:Linux x86-64 Red Hat Enterprise Linux 8,Linux x86-64 Red Hat Enterprise Linux 7,Linux x86-64 SLES 12,银河麒麟 (鲲鹏),银河麒麟 (X86_64),银河麒麟(龙芯)svs,中标麒麟(飞腾)6,中标麒麟(龙芯)7。用户可在wireshark官网下载对应的网络包,支持中文,用户可将在数据库服
Confidentiality(机密性):防止未授权访问(如加密、权限控制)Integrity(完整性):防止数据篡改(如校验和、数字签名)Availability(可用性):保障服务持续可用(如 DDoS 防护、高可用)层级关键动作网络关闭非必要端口,部署防火墙主机最小权限、禁用 root 登录、内核加固应用隐藏版本、限流、HTTPS、安全头监控日志集中、异常告警、定期扫描应急备份、快照、入侵响
五款免费的内网穿透软件
核心层:位于拓扑图的中心,通常由高性能的交换机或路由器组成,负责高速转发校园网内部及与外部网络(如互联网)之间的数据流量。核心层设备具有高吞吐量、低延迟和高度冗余的特点,确保网络的高可用性和稳定性。汇聚层:作为核心层与接入层之间的桥梁,汇聚层设备负责将来自多个接入层的数据流量进行聚合,并转发至核心层。这一层次的存在有助于减轻核心层的负担,同时实现更灵活的网络管理和安全控制。
1. 简介在网络编程中经常设计到网络数据的抓取,在linux和windows下有好用的wireshark,在arm中有tcpdump,tcpdump通过生成数据包的文件,通过ftp下载到windows或者linux下,再采用wireshark打开文件进行分析。这便是这篇文章要介绍的。2. 移植2.1 在编译环境中安装libpcaplibpcap 的源码在 tcpdump官网...
这是一篇关于思博伦TestCenter机箱风扇报警(Fan Fail)的完整故障排查指南。文章首先阐述了风扇报警的常见现象与忽视报警可能导致的严重后果(如硬件损坏、业务中断)。核心部分提供了一套从简到繁的系统排查流程:从查看系统日志和物理检查开始,逐步深入到断电开箱、深度清洁(指出60%的故障源于积灰)、单个风扇测试,直至使用万用表进行电路检测。针对不同故障原因,文章给出了对应的解决方案矩阵,包括
功能与 Wireshark 等价,但;适合服务器、嵌入式、脚本化场景。它直接把网卡收到的拷贝到用户空间,可实时显示、过滤、保存成 pcap 文件,再供 Wireshark 离线分析。
SADP主要使用的是链路层多播及UDP多播的原理进行实现的。1.链路层多播socket(PF_PACKET, SOCK_RAW, htons(0x8033))PF_PACKET接口可以操作链路层的数据使用SOCK_RAW发送的数据必须包含链路层的协议头,接受得到的数据包,包含链路层协议头。而使用SOCK_DGRAM则都不含链路层的协议头。0x8033指的是socket以广播协议发送setsocko
linux下可以通过netstat来查看某个端口的占用情况。但是笔者今天看到别人用指令抓取报文数据,并打印。之前只知道wireshark可以抓取,哪知,linux已经集成此功能。好吧,笔者果然孤陋寡闻了。先来列举下,笔者的目标1 通过netstat,查询某个特定端口的使用情况,查询结果中包含某个关键字的记录2 通过linux的命令,抓取报文,并以16进制的方式打印出来。
以太网环回测试是验证网络接口、线缆及设备功能的关键方法,通过本地(软件/硬件)或远程环回模式将信号回传,快速定位网卡驱动、硬件故障或链路问题。本地测试需借助环回插头或软件配置,远程测试依赖对端设备协作,结合ping、ethtool等工具可诊断网络状态。该测试广泛应用于网卡检修、线缆质量验证及交换机端口检测,需注意环回设备匹配、防火墙设置及数据冲突规避,是网络维护的高效诊断手段。
你看,那个主机.6.106正在往外发udp 组播流呢(234.1.1.234.8005). 就是我要的.$sudo tcpdump -D 查看接口号和接口名称(--list-interfaces)协议[x:y]=z其中x,y为十进制数字,x是协议偏移量,y是截取的字节数。关键词 (host)主机, (port)端口, (portrange)端口范围;协议icmp,arp,tcp ,sctp,udp
timeout 5m tcpdump -i enp7s0f0 host 240E:0067:A000:F::4D -c 50 -w /tmp/1.pcaptimeout5m——抓取分钟5s——抓取5秒-i enp7s0f0指定抓包网卡为enp7s0f0host 240E:0067:A000:F::4D抓取地址为240E:0067:A000:F::4D的数据包-c 50抓取50个数据包-w /tmp
服务器重启后无法接收组播数据,经排查是Linux内核rp_filter(反向路径过滤)机制导致。该安全特性会丢弃源地址与接口不匹配的数据包。解决方法:修改/etc/sysctl.conf文件,将all、default及对应网卡的rp_filter设为0,执行sysctl -p生效后即可正常接收组播数据。
tcpdump
——tcpdump
联系我们(工作时间:8:30-22:00)
400-660-0108 kefu@csdn.net