登录社区云,与社区用户共同成长
邀请您加入社区
首先确保你的mac已经安装了npm,建议去官网下载安装https://nodejs.cn/download/打开StarUML,点击Help->Enter License Key…安装完成后打开mac终端开始操作。
编者按:低代码平台和BPM为什么需要结合?本文从BPM的概念出发,分析了低代码平台和BPM结合的意义,并进一步介绍了低代码+BPM软件开发平台的应用场景。概要:BPM是什么低代码和BPM结合的意义低代码平台的BPM能做什么BPM是什么BPM (Business Process Management),业务流程管理,是一种以规范化的构造端到端的卓越业务流程为中心,以持续的提高组织业务绩效为目的的系统
本文主要介绍了 在 VitePress 中安装插件并使用 mermaid 语法来扩展 VitePress 画一些图
原文链接地址::http://softwarestencils.com/uml/index.html#Visio2010Stencil and Template for Visio 2010Visio 2010 represents the first noticeable improvement in usabilitysince Visio 2000, but no enhance
参考:UML Sequence Diagrams - Graphical Notation Reference (uml-diagrams.org)
我们发现Extension manager无法刷新出来,并且也点不开下面的URL。找到下载extention的网址,通过网址下载,网址如下。https://staruml.io/extensions点击Java,转到GitHub,克隆(下载)整个zip。
实验一 结构化分析与设计——过程与工具1、实验目的(1)熟悉结构化分析与设计方法。(2)掌握用软件绘制常用图表的基本操作。2、实验内容(第1、2题为必做题,第3题为选做题)(1)阅读教材“10.3 Web商品进销存信息系统”和“10.4 Web图书商城信息系统开发”,学习和体会系统的结构化分析与设计过程,进一步理解结构化分析与设计的方法和工具的使用。深入体会数据流图、数据字典、业务流程图、E-R图
PlantUML插件安装和使用PlantUML插件安装:PlantUML使用PlantUML插件安装:在idea设置中找到Plugins,在marketplace中找到PlantUML integration点击Install安装。安装完成之后需要重启才能生效安装页面如下,idea版本2020.3,可能版本不一样,设置页面也会不一样PlantUML使用在项目中选中一个文件夹右键选择new ->
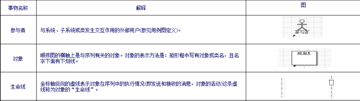
目录前言时序图角色(Actor)对象(Object)生命线(Lifeline)控制焦点(Focus of Control)消息(Message)同步消息=调用消息(Synchronous Message)异步消息(Asynchronous Message)返回消息(Return Message)自关联消息(Self-Message)Combined Fragments总结前言之前学习了UML中的用
目录交互图顺序图协作图交互图是什么?交互图用来描述系统中的对象是如何进行相互作用的。即一组对象是如何进行消息传递的干什么的?主要用于描述协作的动态行为方面当交互建模时,通常既包括对象(每个对象都扮演某一特定的角色),有包括消息( 每个消息都代表对象之间的通信活动,并导致一定的动作发生)顺序图是什么顺序图描述按照时间的先后顺序对象之间交互动作过程顺序图的构成·对象·消息:是对象之间的通信,可以是信号
组织分解图描述了组织树中参与者、角色和位置之间的链接。组织图应该提供组织中所有者和决策者的指挥链。虽然组织分解图的目的不是将目标与组织联系起来,但是应该可以从组织分解图直观地将目标与涉众联系起来。这个图表还可以描述参与者的定义和他们的职责。组织是指参与者之间的联系,或者是参与者和组织单位之间的联系,表现出等级关系、沟通和责任。通过展示企业主要参与者之间的主要信息流,还可以突出组织内的任务和责任。这
最近很多小伙伴找我要Linux学习资料,于是我翻箱倒柜,整理了一些优质资源,涵盖视频、电子书、PPT等共享给大家!
信息系统的 6 种类型,举例说明?信息系统生命周期?各个阶段主要活动?信息系统和软件系统的关系?信息系统生命周期和软件系统生命周期的关系?5 种系统开发模型?会看图知道是哪个模型,会分析各自的特点以及适用场景。
系统架构师关注的是软件的骨架,就像设计大楼的设计师一样,把大楼的框架设计好,至于里面的分隔、装修等不是他的关注点,所以系统架构师往往能够从系统需求(规格)书中很快的抽象出今后系统将会成为怎么样的一个系统的轮廓,然后将部件、部件与部件之间的交互用类似UML这样的建模语言表达出来,供详细设计人员参照。系统架构师必须拥有相当的工作经验,并善于从以往的项目中总结出各种设计模式并加以引用到新的系统中来。
在任何有意义的系统中,对象都不是孤立存在的,它们相互之间通过传递消息进行交互。交互是一种行为,这种行为由语境中的一组对象为达到某一目的而交换的一组消息构成。这些角色表示类、接口、构件、结点和用况的原型实例。可以用两种方式来对一个交互建模:一种方式着眼于消息是如何按照时间顺序调度的;另一种方式则着眼于交互中对象间的结构关系,并考虑消息是如何在这个结构的语境中被传递的。交互图分为1、顺序图:强调消息的
目录交互图顺序图协作图顺序图与协作图之间的关系交互图交互图用来描述系统中的对象是如何进行相互作用的。即一组对象是如何进行消息传递的。交互图主要用来描述协作的动态行为方面交互图有顺序图和协作图两种形式——顺序图:强调消息的时间顺序——协作图:强调发送和接收消息的对象的组织。顺序图概念:描述按照时间的先后顺序对象之间交互动作过程顺序图的构成——对象:对象代表时序图中的对象在交互过程中所扮演的角色——消
大家好,这节我们学习软件项目管理—代码行估算法。即工作量,例如:软件规划,软件管理,需求分析,系统设计,编码,测试,以及后期维护等任务的工作量总和即为项目规模。代码行,功能点,人月,人天,人年等都可以是规模单位。有了软件项目规模就可以表示出项目成本。完成软件规模相应付出的代价就是软件成本,我们可以采用货币单位来表示软件成本。代码行估算法就是从软件程序量的角度定义项目规模。例如:某项目的规模是C语言
业务方关注实现的功能有哪些;这些状态的变迁描述可以在用例图中用文字描述,随着角色的各种操作而改变,但是用这种方式描述,状态散乱在各处,不要说开发的时候容易搞错,就是产品经理自己在设计的时候,也容易搞错对象的状态变迁。部署图是软件系统最终物理呈现的蓝图,根据部署图,所有相关者,诸如客户、老板、工程师都能清晰地了解到最终运行的系统在物理上是什么样子,和现有的系统服务器的关系,和第三方服务器的关系。最后
架构设计工具
时序图说明及画法
简介:软件工程也是工程,因此传统工程制图的一些基本理论,在软件行业同样适用。但另一方面,软件与实体制造业之间还是有着本质区别,所以在制图方面的需求和方式也大相径庭,无法直接套用。作为软件行业的从业者,你可以完全不懂工程制图,但你不得不懂架构制图 —— 这是任何程序员职业生涯的的必修课。作者 | 楚衡前言“架构制图”这词乍一听似乎有些晦涩,但如果提起“工程制图”,相信绝大部分工科背景的程序员们都不会
设计层级推荐 UML 图系统级功能用例图、组件图逻辑结构类图、时序图流程控制活动图、状态图运维部署部署图。
II.关联(Association)关系关联(Association)关系体现的是两个类、或者类与接口之间语义级别的一种,比如用户和用户的地址。这种关系比依赖更强、不存在依赖关系的偶然性、关系也不是临时性的,一般是长期性的,而且双方的关系一般是平等的、关联可以是单向、双向的。表现在代码层面,为被关联类B以类属性的形式出现在关联类A中,也可能是关联类A引用了一个类型为被关联类B的全局变量。1️⃣✴️
.作者 : 万境绝尘转载请注明出处 : http://blog.csdn.net/shulianghan/article/details/17927131.动态图概念 : 从静态图中抽取瞬间值的变化描述系统随时间变化的行为, 动态图包括交互图活动图状态图, 这篇博客研究交互图 包括时序图和协作图;-- 时序图 : 显示对象之间的关系, 强调对象之间消息的时间顺序, 显示对象之间
不同的开发阶段需要使用不同的模型图来描述业务场景和设计思路,在不同的阶段输出不同的设计文档也是必不可少的,例如,在需求分析阶段需要输出领域模型和业务模型,在架构阶段需要输出物理架构设计,在详细设计阶段需要输出数据库设计等。图中的人形元素称为角色,角色可以是人也可以是其他系统。掌握类图、时序图、组件图、部署图、用例图、状态图、活动图这七种UML模型图,根据实际场景,在需求分析、架构设计和详细设计阶段
Django:2.0.3安装Django扩展pip install pydotplus2.添加到已安装的应用程序为了使Django项目了解新软件包,将其添加到 INSTALLED_APPS您的配置文件/settings.py中的Wagtail项目中INSTALLED_APPS = (...'django_extensions',...)3.安装Graphviz首先下载安装包graphviz-2.3
在 UML 中,包括 3 种不同形式的交互图,强调对象交互行为顺序的顺序图,强调对象协作的通信图(协作图),强调消息的具体时间的定时图。UML 对系统架构的定义是:系统的组织结构,包括系统分解的组成部分、它们的关联性、交互、机制和指导原则,这些提供系统设计的信息。UML 是一种可用于详细描述的语言:UML 所建的模型是精确的、无歧义和完整的,因此适合于对所有重要的分析、设计和实现决策进行详细描述。
中文Mermaid 在Mermaid的基础上引入了AI技术,实现了自动生成时序图的功能。现在的用户只需输入内容,它就会自动将其转化为时序图。这大大地提高了工作效率,省去了手写代码的麻烦。
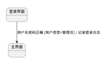
顺序图主要用于展示系统中对象之间的交互过程,特别是时间顺序和消息传递。它帮助我们理解系统在特定场景下的动态行为,尤其是在涉及多个对象和复杂交互的系统中。下面是通过一个学生指纹考勤系统的题目来绘画一个顺序图,深入理解用例的工作流程。
机器学习流程定义的灵活性高, 学习算法的可扩展性强。因为解释器风格可以通过自定义流程规则及配套流程解释引擎开发,做到用户层面的流程完全定义,而不需要修改代码,所以无论是修改已有的业务流程,还是要扩展不同的角色,创建新角色的流程都非常便利。解释器按照输入输出格式将学习算法封装为组件,通过解释器机制动态增加或删除算法组件,并支持动态调用,学习算法的可扩展性强。管道过滤器:机器学习流程定义的灵活性低,
软件方法(下)分析和设计第8章连载[20210816更新]分析 之 分析类图——知识篇王周文(1034***424)19:24:54请教潘老师:这个"现状业务序列图"中,我把这个"挂在运维中心办公室门口的供运维人员随时检修之后立即记录的'运维记录台账'本子"识别为一个现状业务实体,妥否?(我的考虑是:虽然这个"台账"不算是"智能"系统,但算是一个"存储系统"并且独立存在,不属于某个系统内部的零件,
IDEA2019下markdown及plantUML的插件安装idea-multimarkdown在IDEA的插件market上找不到,且和IDEA自带的markdown插件冲突,需要从IDEA插件官网上下载:https://plugins.jetbrains.com/plugin/7896-markdown-navigator-enhanced下载时选择适合IDEA2019.3版本的multim
第一章 面向对象与UML建模1.1 面向对象思想及其应用简介计算机技术发展,设计问题空间广阔,程序语言无法担任描述问题的重任,解决问题的关键不再是如何构建系统,而是如何理解系统问题的本质和如何准确地描述。越来越多的公司转向面向对象技术。面向对象思想表示现实世界是由类(对象)及其关系所组成,都具有结构和行为两个特征。1.1.1 面向对象的问题描述类是最最基本实体,设计时静态逻辑实体。对象是类的实例,
一、StarUML 下载、二、StarUML 安装、三、StarUML 创建工程、
????目录1从业务建模到业务用例图1.1愿景1.2业务用例图1.3 业务序列图2 从需求设计到系统用例图2.1需求启发2.2系统用例图2.3用例规约3 总结在做程序设计的时候,开发同学往往都有类似的困惑:分不清楚业务用例图、系统用例图都是什么,二者的区别是什么,也不确定自己画的图对不对,会不会被评审挑战。本文作者从业务建模角度切入,详细拆解了...
(1)前面交互图实例中的框图——生命线(lifeline)框图,表示的是交互的参与者(participant),注:生命线框图并不等同于类的实例。(1)交互具体值(interaction occurrence)/交互使用(interaction use):是在交互中引用另一交互。(1)创始消息found message:最开始的消息,在图中表示为实心圆作为起点。(1)主动对象即在其自己的执行线程中
UML(Unified Modeling Language,统一建模语言)是一种通用的建模语言,用于描述软件系统的结构、行为和交互。UML图是一种图形化表示,用于展示软件系统的不同方面,如类、对象、用例、状态等。它们通常用于软件设计和分析,以帮助程序员更好地理解和改进软件系统。本文由chatgpt生成,文章没有在chatgpt生成的基础上进行任何的修改。以上只是chatgpt能力的冰山一角。作为通
为什么在信息系统建设前需要进行系统规划?系统规划提供了机构信息化建设的基本纲领和总体指向。系统规划是工程项目实施的前提与依据。做好系统规划可避免盲目信息化建设给机构带来巨大的损失系统规划主要解决什么问题?根据组织机构使命及其战略目标,制定信息系统建设总体目标与愿景;针对组织机构信息化需求,确定信息系统总体框架、技术路线与实施方案:在充分考虑组织机构的技术、设备和人力资源等因素下,制定组织机构的信息
当我们面对一个由多个软件和中间件组成的复杂系统时,传统的UML可能不再足够。SysML提供了一种更全面的建模方法,特别是在需要系统级视角和全面需求分析的场景下。选择哪一种方法取决于具体需求、团队熟悉度和可用的工具。了解UML和SysML的优缺点能帮助我们做出更明智的决策。
文章目录时序图什么是时序图时序图的组成对象生命线消息符号示例协作图什么是协作图?协作图的组成时序图什么是时序图时序图(Sequence Diagram)描述了对象之间传递消息的时间顺序, 用来表示用例中的行为顺序, 是强调消息时间顺序的交互图; 。时序图的组成对象生命线消息符号1、对象间绘制消息2、对象间过程调用3、对象间的异步消息:消息发送者发送消息后,持续自己的活动,等接受到消息接收者的反馈后
opt时序片段就像一个没有else子句的简单if语句,可以添加一个守卫条件,只有当守卫条件的结果为true时,系统才会执行opt片段中所包含的消息。strict并行操作允许运算对象以任何顺序执行,但是一旦指定的运算对象开始执行,它内部的所有操作就必须按照指定的顺序完成,然后其他运算的对象才能开始执行。「系统根据par时序片段给出规则,可自由交叉执行任何操作的消息,但是一旦系统进入临界区(执行msg
第八章 UML统一建模语言8.1 概述UML(Unified Modeling Language)是软件界第一个统一的建模语言,该方法结合了Booch, OMT, 和OOSE方法的优点,统一了符号体系,并从其它的方法和工程实践中吸收了许多经过实际检验的概念和技术。UML是一种标准表示,是一种基于面向对象的可视化的通用(General)建模语言。提供统一的交流标准——UML图。面向对象建模的基本概念
这些设计模式处理对象组合的问题,让不同的对象和类可以以多种方式组合和复用。: 展示系统的物理部署,包括硬件、节点以及它们上运行的软件组件。: 描述系统的功能需求以及与外部参与者(Actors)的交互。: 展示对象之间交互的时间顺序,包括消息传递和对象生命周期。: 描述系统的物理结构,展示组件以及它们之间的关系。: 显示系统中类的属性、操作以及类之间的关系。: 描述对象所有可能的状态以及状态之间的转
职责链模式(Chain of Responsibility Pattern), 又叫 责任链模式,为请求创建了一个接收者 对象的链(简单示意图)。这种模式对请求的 发送者和接收者进行解耦。职责链模式通常每个接收者都包含对另一个接 收者的引用。如果一个对象不能处理该请求, 那么它会把相同的请求传给下一个接收者,依 此类推。这种类型的设计模式属于行为型模式。
B、如果在类ClassA中定义了方法method1(),在类ClassB中覆盖了该方法,当setClassA()方法参数传递的是ClassB类型的对象时,在ClassC中调用obj的method1()方法时将执行ClassB的method1()的方法。D、如果在ClassB中定义了ClassA没有的新方法method2(),当setClassA()方法参数传递的是ClassB类型的对象时,在Cla
[软件工程导论(第六版)]第9章 面向对象方法学引论(复习笔记)
关系图、关系类型。当你开始学UML类图时,说明你已经开始软件设计模式的学习了。每当我们学习新的技术和知识的时候,肯定是要先初步大概了解这门技术或者知识是做什么的,有什么有用。下面我们先从概述开始进入设计模式的讲解。类图(Class diagram)是显示了模型的静态结构,特别是模型中存在的类、类的内部结构以及它们与其他类的关系等。类图不显示暂时性的信息。类图是面向对象建模的主要组成部分。在软件工程
软件设计师的UML部分和不完整的设计模式部分
设计模式系列目录中间先夹一篇类图的基本点吧,与人方便自己方便。用CSDN的markdown画了下类图,发现预览和实际不一样。于是放弃它,准备借UML工具画几个比现在更能传神的图,用什么画图不重要,领悟到设计图意思,设计出符合自己需求的实体才是最重要的。后边会花时间把之前的markdown类图改为第三方工具画图再以图片形式粘到对应文章内。下边结合UML图示例,介绍几个线条表示的关系:组合、聚合、关联
uml
——uml
联系我们(工作时间:8:30-22:00)
400-660-0108 kefu@csdn.net