登录社区云,与社区用户共同成长
邀请您加入社区
摘要:本项目采用PSO-Kmeans混合算法对用户用电行为进行分析,通过粒子群优化算法优化Kmeans初始聚类中心,提升负荷曲线聚类的准确性和稳定性。项目包含数据预处理、PSO优化、Kmeans聚类、评估可视化等模块,实现典型用电模式识别和用户分群。MATLAB代码示例展示了数据清洗、PSO适应度函数构造、主迭代过程和聚类结果可视化等关键环节。该算法可识别"早高峰""
摘要:本项目基于MATLAB R2025b实现了鲸鱼优化算法(WOA)与K均值聚类(Kmeans)相结合的多特征分类预测模型。针对传统K均值算法在高维数据中易陷入局部最优的问题,通过WOA的全局搜索能力优化初始聚类中心,提升聚类精度和鲁棒性。项目包含数据预处理、WOA优化、Kmeans聚类、分类预测和可视化评估五大模块,采用向量化编程提高计算效率,并通过主成分分析降维展示聚类结果。实验表明,该混合
本文介绍了使用KMeans聚类算法对股票进行风格分类的实战案例。首先通过生成模拟数据创建了300只股票样本,包含市盈率、市净率、ROE等5个关键特征。然后演示了如何使用肘部法则和轮廓系数确定最佳聚类数量,并比较了KMeans++与传统随机初始化的效果差异。最后对A股股票进行聚类分析,将股票划分为价值股、成长股、盈利股和热门股等风格类别,通过PCA降维可视化展示聚类结果。整个案例涵盖了数据预处理、模
摘要:本项目提出一种基于WOA-Kmeans-Transformer-LSTM的多特征分类预测模型,通过鲸鱼优化算法(WOA)结合K均值聚类和Transformer-LSTM深度学习模型,提升复杂时序数据的分类精度。模型采用分层架构:K均值聚类进行特征空间分层,Transformer模块处理特征交互,LSTM模块建模时序依赖,WOA算法优化超参数组合。在MATLAB环境下实现了从数据预处理、模型构
客户细分是客户关系管理与精准营销的核心技术环节,其本质是从异构的客户行为数据中识别出具有内在同质性的群体,以实现差异化资源配置与策略定制。本文以国家基础学科公共科学数据中心企业信用样本数据为实证载体(2,500家企业,涵盖制造业、服务业、信息技术等五大行业,构建了包含信用评分、负债率、利润率、资产周转率等11维特征的企业客户评价指标体系),提出并验证了一个融合RFM信用评分(企业级变体)与K-Me
本文介绍了使用K-means聚类算法对客户消费数据进行分群分析的完整流程。首先通过Python脚本将Excel数据转换为CSV格式并上传至HDFS,随后使用Scala编写Spark应用程序,调用MLlib中的K-means算法实现聚类分析。项目采用3个聚类中心,通过标准化处理后计算轮廓系数和WSSSE评估模型效果,最终输出包含客户ID、RFM特征值和所属群组的CSV结果。系统还提供了可视化分析模块
摘要:本文提出一种基于K-Means聚类的非线性抗干扰算法,用于解决光通信系统中由克尔效应和光电器件引起的非线性失真问题。算法分为训练和补偿两个阶段:训练阶段通过K-Means聚类学习失真星座点的中心位置,补偿阶段利用纠正向量对实时信号进行修正。MATLAB仿真结果表明,该方法能有效改善星座图发散现象,提升系统性能。完整程序代码已上传至CSDN平台,适用于matlab2022a/2024b版本。
一、核心痛点:传统 Kmeans 聚类的两大关键困境Kmeans 作为最经典的划分式聚类算法,凭借 “原理简单、计算高效、易于实现” 的优势,在数据挖掘、图像分割、用户画像等场景中广泛应用。聚类数量 K 需预设:K 值完全依赖人工经验或试错法确定,K 过大导致簇过度细分(碎片化),K 过小导致簇合并(信息丢失),尤其在无先验知识的复杂数据场景中,K 值选择盲目性极强;初始聚类中心敏感:传统 Kme
图像分割是计算机视觉领域的基础性核心任务,其核心目标是将图像划分为多个具有语义意义的独立区域,为后续的目标识别、场景分析、图像理解等高级任务提供支撑,广泛应用于医学影像分析、遥感图像处理、农产品检测、智能监控等多个领域。传统图像分割方法如阈值分割、边缘检测等,在处理复杂场景、多灰度级、含噪声的图像时,往往存在分割精度低、鲁棒性差等局限性,难以满足实际应用需求。K-means聚类算法因原理简单、计算
使用Gabor滤波器提取纹理特征,再通过K-means聚类进行图像分割,是一个经典的纹理分割流程
K - means算法是一种常用的聚类算法,基本流程包括假设将数据分成k个cluster,从所有点中随机选k个点作为初始中心点,计算其他点与这些中心点的距离,将点划分到距离最近的簇中,然后根据簇内的点重新计算簇中心,不断重复这个过程。通过引入麻雀搜索算法对K - means算法进行优化,克服了K - means算法在初始化阶段容易陷入局部最优的问题,从而提高了图像分割的精度,能够更精确地对图像中的
本文研究了基于K-means聚类的图像分割方法及其MATLAB实现。首先阐述了图像分割的意义及K-means算法原理,详细介绍了其初始化、聚类、质心更新等步骤。通过MATLAB实验,展示了从环境配置到参数设置的全过程,并对分割效果进行了视觉和量化评估。结果表明K-means算法能有效实现图像分割,其性能受K值等参数影响。最后总结了研究成果,提出了算法改进和应用扩展等未来研究方向,为相关领域研究提供
这款芯片的优势其实并不在于它的耐压,而是在于它的静态电流很低,所以它被运用在各大电子产品中,另外其简单的外围电路使得它可以运用于一些比较小巧的电子产品中。通过这点我们就可以知道,高端点电流检测可以有效的避免接地时危险的高电流。在此电路原理图中IS通过VIP和VIN的差分OPA正负输入,经过电阻RS会形成跨压,RS电阻具有调整倍率的作用,然后经过差分放大器与MOS管的放大作用,经过OUT脚输出,但是
摘要 本项目利用无监督学习对11,344只公募基金进行智能聚类分析,通过K-means算法识别具有相似风险收益特征的基金群体。研究流程包括数据采集、清洗、特征工程和建模,构建了收益、风险和结构三类核心特征。最优聚类数为2,清晰区分出稳健型(低增长低波动)和进取型(高增长高波动)基金,其中医疗健康主题基金表现突出。研究发现市场存在明显两极分化,但项目仍存在数据时效性等局限,未来计划引入动态聚类和NL
核心思想一种无监督学习算法,将数据集中的样本划分为 K 个簇,使得簇内样本相似度高,簇间样本相似度低。通过迭代优化簇中心,最小化簇内样本的平方和误差。优势算法简单易懂,计算效率高。可用于数据探索,发现数据中的自然分组。应用对血糖数据进行聚类,将患者分为不同的亚组(如高血糖组、低血糖组、正常血糖组)。为每个亚组单独建立 BP 神经网络模型,提高预测精度。
本文提出了一种基于DTW-Kmeans-Transformer的多变量时间序列预测框架,主要创新点包括: 采用DTW动态时间规整算法进行序列相似性度量,克服传统欧氏距离无法处理时间偏移的缺陷,结合Kmeans实现更准确的序列聚类。 将聚类标签与原始特征融合作为Transformer编码器的输入,增强模型对序列结构模式的识别能力。 利用Transformer的自注意力机制捕捉长期依赖关系,实现多变量
2026届大数据计算机毕业设计选题题目推荐思路与技巧! K-Means+Hadoop+Spark的小红书达人领域数据分析可视化
摘要:本研究运用Kmeans聚类算法分析航空客户数据,结合Hadoop和Spark进行大数据处理,sklearn实现算法优化,识别不同客户群体。系统采用vue前端展示聚类结果,django搭建后端服务,确保稳定安全。通过可视化大屏展示各会员等级平均消费柱状图,帮助企业了解消费差异,优化会员服务策略。该研究为航空业客户关系管理和精准营销提供数据支持。
本项目构建了一个基于Python的亚马逊畅销小说数据分析系统,通过数据清洗、可视化分析和K-Means聚类算法,对2009-2019年的畅销书数据进行深入挖掘。系统采用B/S架构,包含数据管理、用户管理、可视化分析等模块,运用多种图表展示类别分布、评分趋势等数据特征。通过聚类分析将作者分为四类,为出版商、作者及销售平台提供市场洞察。系统具有交互性强、算法驱动等特点,未来可扩展情感分析等智能功能。
本文介绍了无监督学习中的K-Means聚类算法。K-Means是一种通过迭代寻找k个聚类中心的算法,其目标是最小化簇内平方误差和。算法步骤包括:1)随机初始化k个质心;2)将每个数据点分配到最近质心对应的簇;3)根据当前簇成员重新计算质心位置;4)重复2-3步直至收敛。文章提供了Python实现代码,包括质心初始化、K-Means核心算法和可视化部分,使用sklearn生成模拟数据验证算法效果。K
摘要:本文介绍了如何使用scikit-learn库实现K-Means聚类算法。文章首先概述了K-Means聚类的基本概念,随后详细讲解了其关键点,包括聚类数K的选择方法(如肘部法则、轮廓系数法)、初始质心选择(默认为k-means++算法)、距离度量方式(默认为欧几里得距离)以及收敛条件。同时,文章强调了数据预处理(标准化或归一化)、局部最优解的规避(多次运行算法)和异常值处理等注意事项。
本文探讨了在商业竞争中通过客户画像优化营销策略的方法。研究采用LRFM模型和K-means聚类分析对104557条订单数据进行客户细分,包括数据预处理(缺失值处理、去重)、特征分析(订单金额、付款金额等统计描述)等步骤,为后续客户群体划分和精准营销策略制定奠定基础。案例展示了从原始订单数据到客户价值分析的全流程方法。
收敛速度慢陷入局部最优聚类结果不稳定K-means++通过概率选择随机选择第一个质心计算每个点到最近质心的距离DxD(x)Dx按概率Dx2D(x)^2Dx2选择下一个质心重复直到选出k个质心传统K-means需要每次迭代计算所有数据点,计算开销大。每次迭代随机采样一个小批量(mini-batch)仅用这批数据更新质心引入学习率逐步调整质心位置将数据映射到高维特征空间在高维空间执行K-means使用
📊 金融数据分析与建模专家 金融科研助手 | 论文指导 | 模型构建✨ 专业领域:金融数据处理与分析量化交易策略研究金融风险建模投资组合优化金融预测模型开发深度学习在金融中的应用💡 擅长工具:Python/R/MATLAB量化分析机器学习模型构建金融时间序列分析蒙特卡洛模拟风险度量模型金融论文指导📚 内容:金融数据挖掘与处理量化策略开发与回测投资组合构建与优化金融风险评估模型期刊论文✅✅ 感
基于Python的豆瓣书籍可视化分析与数据采集系统通过Scrapy爬虫技术能够高效地从豆瓣网站中抓取大量书籍相关数据,包括评分、评论和出版社等信息。这些数据为市场研究提供了第一手资料,有助于了解读者的需求和市场趋势。系统采用了先进的数据处理和清洗技术,确保了数据的准确性和可靠性,为后续分析奠定了基础。通过大屏可视化展示书籍评分满意度、评论情感分析、评论数量及出版社信息,可以直观地呈现数据分析结果,
亲爱的同学们,如果你也在为民宿数据分析而苦恼,或者对Python可视化感兴趣,那么这个课题一定不容错过!通过本视频,我们不仅教你如何用Python进行数据分析,还会带你一步步实现数据可视化。同时,也欢迎在评论区留下你的想法和问题,让我们一起交流学习,共同进步!你的每一个反馈都是我们前进的动力,让我们在数据分析的道路上携手前行!👇🏻 精彩专栏推荐订阅 👇🏻 不然下次找不到哟~Java实战项目
大数据背景下基于Python的旅游数据可视化分析与推荐系统的设计内容涵盖了从数据采集到最终呈现的完整链条,系统将通过网络爬虫技术,从主流旅游评论平台收集海量的用户评价、景点信息等原始数据。针对收集到的数据进行清洗和预处理,确保数据的质量和一致性。在数据分析阶段,系统将运用先进的大数据处理技术,对旅游数据进行多维度的挖掘和分析,包括景点评分分布、价格趋势、热门评论主题等。
该系统是一款基于B/S架构的web应用,其它技术还包括python,hadoop,spark,vue,echarts,pandas等。通过线性回归机器学习算法,通过输入城市,朝向,面积等数据,系统会给出价格评估。用户进入本系统可查看系统主页信息,可视化主页面展示分为8块区域,顶部是系统的名称,下面划分为7个区域,,ABCDEFG区域分布是朝向统计区域,户型统计区域,聚类结果展示区域,年份统计展示区
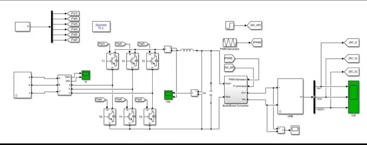
在我们研究电力系统优化调度模型的过程中,由于每天负荷和分布式电源出力随机性和不确定性,可能会优化出很多的结果,但是经济调度模型试图做到通用策略,同样的策略能够适用于不同的负荷和分布式电源特征,为了做到这一点,就出现随机优化、鲁棒优化等等方法,当然我们也可以像这个程序一样,对负荷进行聚类分析,对归纳得到的共性负荷特征再进行优化调度分析,模型的说服力会大大增强。
通过本次数据挖掘的K-means聚类算法实验,了解了k-means算法的实现过程及基本方法。k-means算法的优点为原理易懂、易于实现,当簇间的区别较明显时,聚类效果较好。缺点为当样本集规模大时,收敛速度会变慢;对孤立点数据敏感,少量噪声就会对平均值造成较大影响;k的取值十分关键,对不同数据集,k选择没有参考性,需要大量实验。
✅作者简介:热爱科研的Matlab仿真开发者,修心和技术同步精进,代码获取、论文复现及科研仿真合作可私信。????个人主页:Matlab科研工作室????个人信条:格物致知。更多Matlab完整代码及仿真定制内容点击????智能优化算法神经网络预测雷达通信无线传感器电力系统信号处理...
kmeans,数据分析,机器学习,数据挖掘,无监督学习
【代码】数据挖掘 K-Means聚类。
数据挖掘实验,实验报告改的,仅供参考,可拿出水作业
为了处理训练样本的动态并提高预测精度,提出了一种针对短期WPF的由MinMax归一化、K-means聚类和深度神经网络组成的数据挖掘方法。基于历史天数之间的相似性,K-means聚类用于通过取各个聚类的质心来减少数据集。此外,当给定参数的标准化值时,这个简化的数据集用于预测未来产生的功率。因此,风力发电的波动受到了极大的关注。风力发电由于清洁和广泛的可用性,正迅速向大规模产业发展,并具有波动性和间
🔥Hi,大家好,这里是丹成学长的毕设系列文章!🔥 对毕设有任何疑问都可以问学长哦!这两年开始,各个学校对毕设的要求越来越高,难度也越来越大… 毕业设计耗费时间,耗费精力,甚至有些题目即使是专业的老师或者硕士生也需要很长时间,所以一旦发现问题,一定要提前准备,避免到后面措手不及,草草了事。为了大家能够顺利以及最少的精力通过毕设,学长分享优质毕业设计项目,今天要分享的新项目是🚩基于大数据挖掘分析
K-Means聚类算法,K-Means是非监督学习的聚类算法,将一组数据分为K类(或者叫簇/cluster),每个簇有一个质心(centroid),同类的数据是围绕着质心被分类的。数据被分为了几类就有几个质心。算法步骤:1、先从原始数据集中随机选出K个数据,作为K个质心。2、将剩余的数据分配到与之最相似的的质心的那个簇里。3、第一次分类完成后,计算每个簇内样本的均值,并根据这个均值生成新的质心4、
一、简介本人数据分析小白,最近接触到了Streamlit这个组件,发现真的很好用!尤其是它提供的交互功能,可以让很多数据分析的结果清晰直观地展现在页面上,比起手动修改参数,一遍一遍rerun,真的舒服了不少~~因此这篇文章将以K-Means模型为例,采用iris数据集,介绍如何使用streamlit进行数据交互可视化。1.1 成品图1.2 相关库与版本需要使用的第三方库,以及我的版本如下:库名称版
一、实验目的机器学习和数据挖掘算法是大数据分析处理领域的重要内容,随着数据规模的不断扩大,设计面向大数据处理的并行化机器学习和数据挖掘算法越来越有必要。通过对并行化数据挖掘算法的实现,掌握并行化处理问题的分析方法和编程思想方法,能够根据实际情况定制并行化的算法解决问题。二、实验平台1)操作系统:Linux(实验室版本为 Ubuntu17.04);2)Hadoop 版本:2.9.0;3)JDK 版本
import pandas as pdimport numpy as npimport matplotlib.pyplot as pltimport seaborn as snsfrom sklearn.cluster import KMeansfrom sklearn.metrics import silhouette_scorefrom sklearn.preprocessing import
Kmeans是一个原理较为简单的聚类模型,它的操作步骤是随机选择k个点作为初始类心。计算每个元素和k个类心之间的距离并归类到最近的类里面。以每个类的均值作为新的类心。重复2和3知道所有的类心不再变化。博主会持续更新一些深度学习相关的基础知识以及工作中遇到的问题和感悟,喜欢请关注、点赞、收藏。...
kmeans
——kmeans
联系我们(工作时间:8:30-22:00)
400-660-0108 kefu@csdn.net