
简介
该用户还未填写简介
擅长的技术栈
可提供的服务
暂无可提供的服务
【摘要】本文介绍了Cadence Allegro元件库编辑器的基本操作,主要内容包括:1.元件库编辑器界面功能,涵盖菜单栏、工具栏和工作面板的操作说明;2.单部件元器件的创建步骤,从新建元件库到引脚放置的完整流程;3.多子件元器件引脚阵列的快速摆放方法,通过Place Pin Array功能实现批量引脚的规律排列。文章重点讲解了元器件符号的构成要素(边框、引脚、名称)以及创建时的注意事项,强调引脚

C51语言是基于ANSI C标准的扩展,专门用于8051单片机的开发。它在标准C的基础上增加了一些针对8051单片机硬件特性的功能,例如对寄存器的直接操作、中断处理、位操作等。硬件相关性:C51语言提供了对8051单片机硬件资源的直接访问能力,例如可以操作特定的寄存器和I/O端口。高效性:C51编译器能够生成高效的机器代码,使得程序运行速度更快,占用内存更少。易学性:C51语言继承了C语言的语法结

首先启动NI Multisim 14.0,打开如图所示的启动界面,完成初始化后,便可进入主窗口。打开之后,我们先来了解一下 NI Multisim 14.0的主界面。主窗口由标题栏、菜单栏、工具栏、工作区域、电子表格视图(信息窗口)、状态栏和项目管理器七个部分组成。上期我们了解了菜单栏,今天我们继续了解工具栏。

随着人工智能技术的不断发展,AI在编程领域的应用越来越广泛,尤其是对于C51单片机编程,AI工具能够帮助开发者快速生成代码,提高开发效率。以下是使用AI编写C51代码的几种方法和工具。

STC89C51是由STC公司开发的高性能8位单片机,采用CMOS工艺制造,具有高性能、低功耗、丰富的外设资源等特点。它支持ISP(在系统可编程)和IAP(在应用可编程),无需专用编程器,通过串口即可直接下载用户程序。STC89C51和AT89C51都是基于8051架构的8位单片机,但STC89C51在性能、功能和编程方式上具有显著优势。STC89C51支持ISP和IAP,无需专用编程器,具有更高

嵌入式开发是一个实践性很强的领域,要多动手实践,多做实验。在实验过程中要善于总结经验,分析遇到的问题和解决方案,不断提高自己的技术水平。通过以上步骤的学习和实践,相信你能够快速掌握51单片机的基础知识,为后续的嵌入式系统开发打下坚实的基础。在学习过程中,要保持耐心和毅力,不断探索和学习,相信你一定能够取得进步和成功。

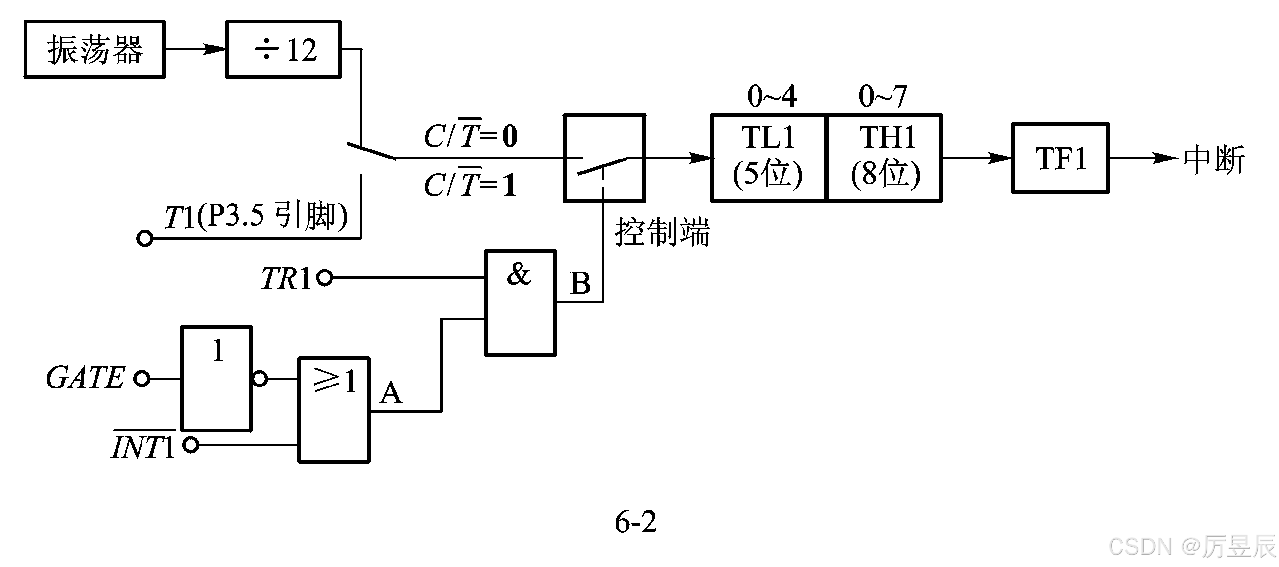
单片机计时器是嵌入式系统中不可或缺的重要模块,它能够提供精确的时间控制和测量,实现各种时间相关功能。通过深入理解单片机计时器的工作原理、应用实例和编程实现方法,我们可以更好地利用计时器来解决实际问题,提高系统的性能和可靠性。在实际应用中,还需要根据具体的需求和场景,合理选择和配置计时器的参数,优化计时器的性能,并进行充分的调试和测试,以确保计时器的正确性和稳定性。

单片机串口通信是一种简单而有效的数据传输方式,在嵌入式系统中有着广泛的应用。通过理解串口通信的基本概念、工作原理和编程实现方法,我们可以更好地利用串口通信来实现单片机与外部设备的数据交换。在实际应用中,还需要根据具体的需求和场景,合理配置串口参数,优化程序设计,并进行充分的调试和测试,以确保串口通信的可靠性和稳定性。

定时器是单片机中一个非常重要的组件,它能够提供精确的时间控制和事件触发功能,广泛应用于计时、频率测量、PWM(脉宽调制)生成等场合。预分频器用于降低计数器的计数频率,以延长定时器的计时范围。例如,如果时钟源频率为1MHz,预分频器设置为128,则计数器的计数频率为1MHz / 128 = 7.8125kHz。预分频器的设置通常通过控制寄存器中的相应位来实现。通过以上配置,定时器1将生成一个频率为1

STM32单片机是由STMicroelectronics(意法半导体)公司推出的一系列32位微控制器。它们基于ARM Cortex-M系列处理器架构,具有高性能、低功耗、丰富的外设接口等特点。STM32系列单片机按照性能和功能的不同,分为多个系列,如F系列、L系列、G系列等,每个系列又包含多个型号,以满足不同应用场景的需求。








