
简介
该用户还未填写简介
擅长的技术栈
可提供的服务
暂无可提供的服务
为递减计数器,共7位,其值存在控制寄存器CR的位6:0,即T[6:0],当7位全部为1时是。,如果小于或者等于0x40就失去了窗口的价值,而且也不能大于计数器的值,所以。,当减到一个固定值0x40 时还不喂狗的话,产生复位,这个值叫。时候,会产生看门狗复位,这个值0x40是看门狗能够递减到的。,当由 0x40 变成 0x3F 时,所需的时间就是。配置,可以是 [ 0, 1, 2, 3 ],其中。,

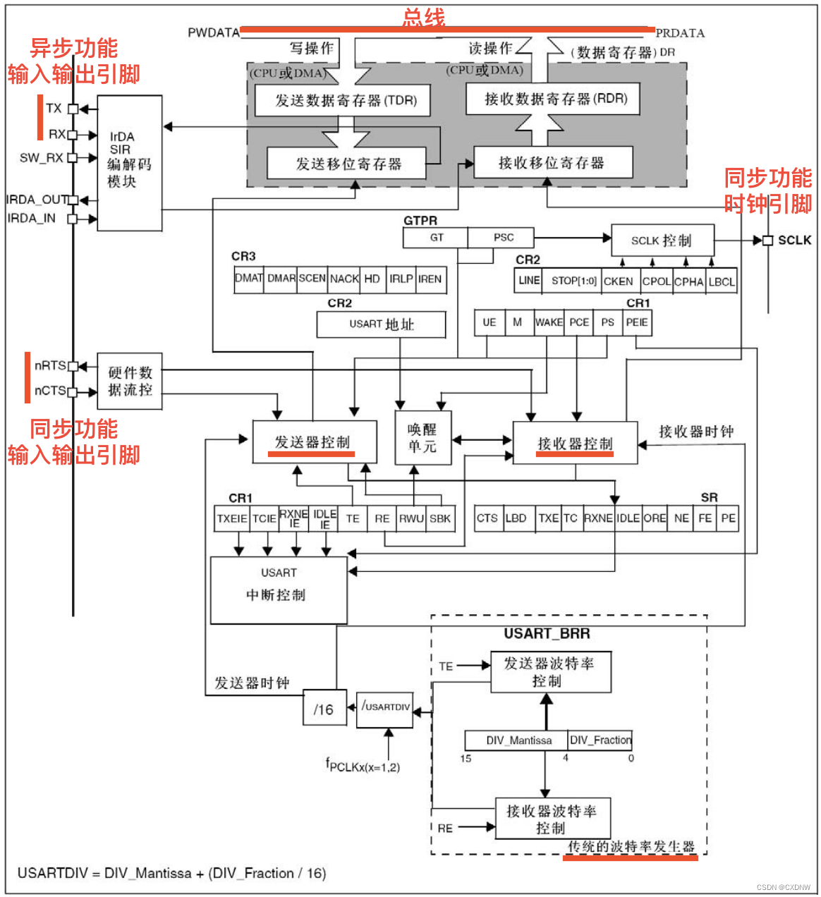
位13(UE):USART使能位12(M):配置字长(一般为8个数据位)位10(PCE):检验控制使能(禁止)位5(RXNEIE):接收中断使能位3(TE):发送使能位2(RE):接收使能。

串行外围设备接口) 协议是由摩托罗拉公司提出的通信协议。它被广泛地使用在ADC、LCD等设备与MCU间,适用于对通信速率要求较高的场合。

的第一个字节0XOD时,计数器将不再增加,等待0X0A的到来,而如果 0X0A 没有来到,则认为这次接收失败,重新开始下一次接收。,并等待该位被其他程序清除,从而开始下一次的接收,而如果迟迟没有收到OX0D,那么在接收数据超过g_usart_rx_buf长度的时候,则会丢弃前面的数据,重新接收。首先判断全局变量 g_usart_rx_sta 的最高位是否为1,如果为1的话,那么代表前一次数据接收已

RS-232电平:逻辑1:-15V ~ -3V逻辑0:+3V ~ +15V。TTL电平:逻辑1:5V逻辑0:0V。(3)有效数据位:可选5、6、7、8、9个位长,LSB在前,MSB在后。COMS电平:逻辑1:3.3V逻辑0:0V。(2)停止位:必须有,可选占0.5、1、1.5、2个位长,保持逻辑。(4)校验位:可选占1个位长,也可以没有该位。(1)启动位:必须占1个位长,保持逻辑。(1)串行通信:

STM32F103系列有。

CAN( Controller Area Network ),是ISO国际标准化的串行通信协议。现在,CAN 的高性能和可靠性己被认同,并被广泛地应用于工业自动化、船舶、医疗设备、工业设备等方面。CAN 等通信协议的开发,使多种 LAN 通过网关进行数据交换得以实现。

CGAN(Conditional Generative Adversarial Network)模型是一种 深度学习模型,属于生成对抗网络(GAN)的一种 变体。它的 基本思想是通过 训练生成器和判别器两个网络,使生成器能够生成与给定条件 相匹配的 合成数据,而判别器则 负责区分真实数据和 生成数据。相比于GAN它引入了条件信息(y),使得生成器可以生成与给定条件相匹配的合成数据,从而提高了生成数

XGBoost 全称 是 eXtreme Gradient Boosting,可译为 极限梯度提升算法。它由 陈天奇所设计,致力于 让提升树突破自身的 计算极限,以实现 运算快速,性能优秀的 工程目标。与决策树、SVM 等不同,它是一个集大成的机器学习算法。
