
简介
该用户还未填写简介
擅长的技术栈
可提供的服务
暂无可提供的服务
Lane可以理解成数据传输通道,MIPI的1lane,2lane,4lane,分别代表1个数据通道,2个数据通道和4个数据通道通道越多,数据传输能力越强,此外,各自还得搭配一对差分时钟。常见于OLED小屏,三线SPI(SCK,SDIO,SS),四线(SCK.MISO.MOSI,SS)。2. 什么是MIPI的Lane,1Lane的mipi和4Lane的mipi又有什么区别?其命名源于早期主要应用于单

在Allegro中导出PCB封装库的操作步骤:首先打开.brd文件,选择"File-Export-Libraries";设置导出路径并新建library/lib文件夹;勾选需要导出的封装类型(如焊盘、符号等);执行导出后,所有封装文件将保存至指定文件夹。此操作可快速备份或共享设计中的封装资源。

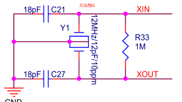
本文介绍了晶振负载电容的计算方法及相关知识。无源晶振需外接两个对称电容C1、C2,其值由公式C=2×(CL-Cs)计算,其中CL为晶振规格书标称值,Cs为杂散电容(通常3pF)。1MΩ电阻有助于起振稳定,尤其适用于高频场景。文章还对比了有源/无源晶振特性,并分类介绍了温补晶振(TCXO)、压控晶振(VCXO)等不同类型晶振的特点及应用场景,涵盖频率范围、材料分类等内容,为电路设计中的晶振选型提供参

P和N,分别是Positive(+)和Negative(-),有时候M=N,比如USB的DM(Data Minus数据负)(Engineering Query工程询问),你把需要控制阻抗的线,高亮+截图,距离>3W线宽规则,是指相邻线,线中心to线中心距离大于三倍线宽(既Gap=2*Line width)1.自己用SI9000工具去计算(根据层叠,铜厚,介质厚度等等因素加入模型中,去计算生成结果)

Lane可以理解成数据传输通道,MIPI的1lane,2lane,4lane,分别代表1个数据通道,2个数据通道和4个数据通道通道越多,数据传输能力越强,此外,各自还得搭配一对差分时钟。常见于OLED小屏,三线SPI(SCK,SDIO,SS),四线(SCK.MISO.MOSI,SS)。2. 什么是MIPI的Lane,1Lane的mipi和4Lane的mipi又有什么区别?其命名源于早期主要应用于单








