
简介
该用户还未填写简介
擅长的技术栈
未填写擅长的技术栈
可提供的服务
暂无可提供的服务
2023年华为杯数学建模E题论文+详细思路+详细代码+巨多好看的图(matlab)
2023年9月22华为杯研究生数学建模E题比赛思路以及代码(matlab)

机器学习之MATLAB代码--SMA_LSSVM(十一)
机器学习之MATLAB代码--SMA_LSSVM(十一)

机器学习之MATLAB代码--基于MISO的SSA-CNN-LSTM(八)
机器学习之MATLAB代码--基于MISO的SSA-CNN-LSTM(八)

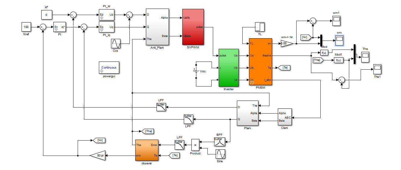
基于脉振高频电压信号注入法的PMSM无位置传感器控制原理和仿真
基于脉振高频电压信号注入法的PMSM无位置传感器控制原理和仿真相对于旋转高频电压信号注入法,脉振高频电压注入法只在估计的同步旋转d-q坐标系中的d轴上注入高频正弦电压信号,该信号在静止坐标系中是一个脉振的电压信号。一、脉振高频电压激励下三相 PMSM 的电流响应为了准确估计出电机的转子位置,首先建立估计转子同步旋转坐标系d-q与实际转子同步旋转坐标系d-q的关系,如图6-8所示。在图中,a-β为两

机器学习之MATLAB代码--IWOA_BILSTM(基于改进鲸鱼算法优化的BiLSTM预测算法)(十六)
机器学习之MATLAB代码--lWOA_BILSTM(基于改进鲸鱼算法优化的BiLSTM预测算法)(十六)

机器学习之MATLAB代码--神经网络(四)
机器学习之MATLAB代码--神经网络(四)

机器学习之MATLAB代码--LSTM和BiLSTM预测对比(十五)
机器学习之MATLAB代码--LSTM和BiLSTM预测对比(十五)

机器学习之MATLAB代码--LSTM+GRU+CNN+RNN(十四)
机器学习之MATLAB代码--LSTM+GRU+CNN+RNN(十四)

机器学习之MATLAB代码--模糊熵FE(二)
机器学习之MATLAB代码-模糊熵FE

机器学习之MATLAB代码--CNN预测 _LSTM预测 (十七)
机器学习之MATLAB代码--CNN预测_LSTM预测(四)








