
简介
该用户还未填写简介
擅长的技术栈
可提供的服务
暂无可提供的服务
路径规划作为机器人导航、智能交通及游戏AI等领域的核心技术问题,其算法性能直接影响系统的效率与可靠性。本文以六边形网格结构为研究对象,系统对比了A算法、遗传算法、蚁群优化算法及元胞自动机算法在四组不同规模和复杂度场景下的路径规划性能。通过设计10×10、20×20、30×30及50×50网格的测试场景,从路径长度、计算时间、节点探索数量、成功率及路径质量等维度进行定量分析。实验结果表明,A算法在综
人类在日常生活中越来越依赖电力,使用需要电力的设备不再是奢侈品,而是成为必需品。负责向民众提供这种资源的各方必须处理电力的生产、传输和分配问题。尽管过去几十年在电力系统保护方面取得了许多进展,但在提高能源供应服务的连续性方面仍有很大的空间。在配电的背景下,以巴西为例,可以通过配电服务的连续性指标来量化消费者的电力供应质量。国家电能署 (Aneel) 在 [PRODIST 2012] 中提供了其中两

现有的解决方案在以下一种或多种情况下存在缺陷:沿凹形状识别细节,单独识别形状内的“洞”,适当的边界跟踪,以及沿正则化建筑轮廓保存详细信息。通过使用输入数据中的最大点对点距离,识别步骤的解决方案正确地检测任何类型形状的边界边缘,并单独识别形状内部的孔(如果有的话)。所提出的跟踪算法将边界边划分为段,准确获取每个段的点序列,并在必要时将它们合并,以生成每个形状的单一边界。实验结果表明,即使在低密度输入

本文使用MATLAB的场景生成器工具箱,通过合成雷达和视觉观察创建一个简单的高速公路驾驶场景。扩展卡尔曼滤波器已被实现以将车辆的状态传播到未来。将投影状态值与当前测量值进行比较以执行跟踪。

为了兼顾两种方法的优点,我们将它们结合起来,开发出了一种混合算法,可提供计算效率和理论保证。在文献[8]中,利用鲁棒统计学,特别是Huber范数,以分布方式定位网络中的传感器,利用节点子集的位置。文献[9]中的作者通过估计测量误差的概率密度函数(PDF)作为高斯核的总和,开发了一种鲁棒地理定位方法。接下来,我们提出了两种不同的算法来找到优化问题的解决方案。更有效的做法是忽略异常值的测量结果,并基于

在能源和人工智能领域具有重要意义。LSTM(长短期记忆网络)作为一种特殊的循环神经网络(RNN),通过引入门结构解决了传统RNN中的“长期依赖”问题,从而能够有效捕捉时间序列数据中的长期依赖关系和时序特征,这对于风电功率预测尤为关键。
ARIMA-WOA-LSTM模型通过融合线性分析与深度学习,结合智能优化算法,显著提升了时间序列预测的精度和鲁棒性。算法改进:探索WOA与遗传算法、模拟退火的混合优化策略;模型轻量化:设计压缩版LSTM以适应边缘计算场景;跨领域应用:拓展至医疗诊断、交通流量预测等新兴领域。该模型为复杂时间序列分析提供了多维度解决方案,兼具理论创新与实用价值。📚2 运行结果🎉3参考文献部分理论来源于网络,如有侵

Koopman算子与深度学习的结合为非线性动力学提供了“线性化-预测-控制”的全新范式。通过深度神经网络自动学习高维嵌入空间,不仅突破了传统线性方法的局限性,还在机器人、能源、生物等多个领域展现出广泛应用潜力。然而,如何在复杂系统中平衡模型表达能力、计算效率与可解释性,仍是未来研究的核心挑战。📚2 运行结果w = 105wo = 300🎉3参考文献。

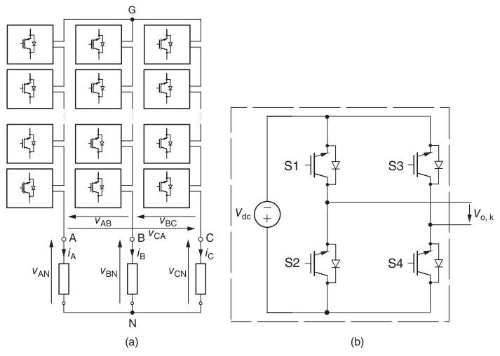
级联H桥开关电容器逆变器(CHB-SC Inverter)是一种创新的电力电子变换装置,它巧妙融合了开关电容器技术和经典的级联H桥逆变器结构,旨在满足高频交流电力分配系统对低谐波污染和高能效的需求。这项技术通过其特有的多电平输出特性,在提高电能质量、增强系统稳定性以及促进能效最大化方面表现卓越,成为现代电力电子领域的前沿研究方向。在CHB-SC逆变器中,每个H桥单元的输出通过开关电容器网络相互连接

双层共识控制通过分层协同机制,有效解决了直流微电网的优化调度难题,未来结合AI与跨系统交互技术,有望进一步提升其智能化水平和工程适用性。📚2 运行结果复现结果图:原文运行结果图:可视化代码:close all;figure(1);







