
简介
该用户还未填写简介
擅长的技术栈
可提供的服务
暂无可提供的服务
本文设计并实现了一种基于STM32单片机的智能家居系统,采用STM32F103ZET6作为主控芯片,集成了环境监测、设备控制、安防报警和远程交互等功能。系统通过DHT11、BH1750等传感器采集环境参数,利用继电器和步进电机控制家电设备,并支持触摸屏、语音和手机APP多模式交互。测试结果表明,系统运行稳定可靠,环境监测误差小,设备控制响应快,通信稳定性高,成本控制在300元以内。未来可扩展蓝牙组

摘要:本文研究了工业机器人总体方案设计,通过对比圆柱坐标型、直角坐标型、球坐标型、关节型和平面关节型五种机械结构,最终选择关节型方案,因其工作空间大、动作灵活且结构紧凑。确定了1500mm的工作空间范围,采用直流伺服电机驱动,并完成了手腕传动机构、齿轮系统及铝合金壳体的详细设计。重点分析了驱动方案选择、电机功率计算、传动比确定以及轻量化铝合金材料在机器人结构中的应用优势。

本文摘要: 第二章介绍了机器人机械手的结构设计,重点分析了手部机构的类型与选型标准,包括钳爪式、磁吸式、气吸式等常见形式,详细阐述了钳爪式手部的12种具体结构及其夹紧力计算要求。手腕设计部分讨论了自由度配置和驱动力矩计算方法,手臂伸缩结构则给出了尺寸设计与校核方案。第三章阐述了基于微型计算机的分层控制系统架构,包括主CPU板、I/O板等硬件组成,并具体说明了8279芯片的引脚功能。全文系统性地呈现

本文摘要主要介绍了工业机器人机械手结构设计与控制系统。手部机构是直接接触工件的部件,包含钳爪式、磁吸式等多种形式,重点分析了钳爪式结构的分类(12种类型)及选用原则(夹紧力、张开角等6个方面)。手腕设计部分阐述了自由度选择和驱动力矩计算方法。控制系统采用分层结构,基于8031单片机实现,详细说明了CPU板、I/O接口板等硬件组成,以及中断处理、电源保护等电路设计。全文系统性地阐述了工业机器人机械结

本文系统介绍了加工中心刀库的设计与应用。第二章详细分析了刀库的分类,包括斗笠式、圆盘式和链条式三种主要类型,阐述了各自的结构特点、容量范围及适用场景。第三章从总体方案角度,探讨了加工中心的运动方案设计,包括主运动和进给运动的实现方式,以及不同工件条件下的运动方案选择。第四章重点论述了刀库设计的关键参数确定和结构设计要点。第五章介绍了轴的设计计算过程,包括材料选择、受力分析和强度校核。第六章对比分析

本文详细介绍了绕线机构的设计方案,重点分析了齿轮齿条绕线机构的结构设计、参数确定及材料选择。通过对比欧美大型绕线机的特点,提出采用轻量化尼龙材料的斜齿圆柱齿轮传动方案。文章详细阐述了抓线机构和导线握持机构的参数设计,包括四杆机构运动仿真分析。在绕线机构设计中,创新性地采用带线盒的从动齿轮结构,实现自动紧线功能。最后通过三维实体装配验证了机构设计的合理性,为轻量化绕线装置开发提供了完整的技术方案。

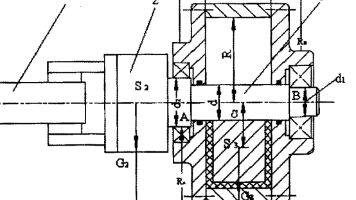
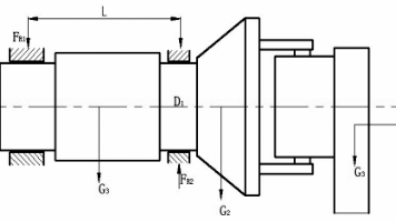
本文分析了工业机器人的机械结构及其传动系统设计。首先概述了机器人由机构部分、传感器组、控制部分及信息处理部分构成,重点阐述了六自由度运动原理。详细介绍了第一轴(大臂)采用三级斜齿轮传动的设计方案,包括传动比分配(2.4×4.87×5.7)和齿轮参数计算(材料40Cr,7级精度)。第二轴通过一级齿轮传动实现左右摆动,第三轴完成上下摆动。文章还涉及转角控制设计(0-270°挡块结构)以及第一臂与底座的

本文介绍了焊接机器人的总体设计方案,重点分析了机械结构部分。设计分为系统分析和技术设计两个阶段,确定了4自由度(腕部回转、小臂伸缩、大臂回转和伸缩)的直角坐标结构。详细阐述了执行机构中手部(焊枪)和腕部(液压驱动回转)的设计方案,以及臂部(伸缩、回转、升降)和机身(回转缸结构)的设计要求与计算校核。文章强调了结构紧凑性、刚度、运动精度等关键因素,并针对8kg载荷进行了具体参数计算,最终形成了一套完

摘要: 基于STM32单片机的智能家居系统通过三层架构(感知层、控制层、执行层)实现环境监测、家电联动与安全防护。主控制器(STM32F407)与分布式子控制器(STM32L051)协同工作,支持灯光、空调等8类设备控制,兼容红外/Wi-Fi/蓝牙协议。系统集成温湿度、光照、燃气等传感器,实现环境自适应调节(如高温自动开空调)与异常报警(燃气泄漏联动关阀)。本地支持触控屏、语音交互,远程通过APP

本文介绍了一种基于51单片机的低成本智能灯光窗帘控制系统,采用STC89C52RC作为主控芯片,搭配光照、人体红外及温湿度传感器实现环境感知。系统具备自动调节(根据光照/人员活动联动控制)、手动操作(按键调节)和状态显示功能,支持场景化联动(如晨起/夜间模式)和低功耗设计(间歇工作模式)。实测可降低15-20%照明能耗,硬件成本不足100元。未来可扩展无线控制、语音交互及多设备联动等功能,适合家庭








