
简介
该用户还未填写简介
擅长的技术栈
可提供的服务
暂无可提供的服务
本代码套件基于Matlab开发,专注于概率分布分析领域,核心实现对数据的11种边缘分布拟合、Kolmogorov-Smirnov(KS)拟合优度检验及结果可视化输出。套件结构清晰,包含数据文件、主程序与配色子函数,可直接应用于概率分析、可靠度计算、数据分布特性识别等场景,为用户提供从数据输入到结果解读的全流程自动化分析工具,无需手动编写复杂的拟合与检验算法。调整需求操作方法示例代码分析第二列数据修

NSGA2 是一种求解多目标优化问题的强大算法。简单来说,它就像是一个聪明的小能手,能在众多复杂的选择中找到最优解。在我们的冷链物流车辆路径优化问题里,它可以帮助我们同时考虑多个目标,比如成本最低和客户满意度最高。这可不是一件容易的事儿,因为这两个目标往往是相互矛盾的。想象一下,为了满足所有客户的需求,让大家都开心,可能就得多跑几趟,成本就上去了;要是只想着降低成本,可能就没办法及时给所有客户送货

这时候就得在控制精度和实时性之间找平衡,就像在海鲜市场砍价——我们最后给Q矩阵加了个自适应系数,风浪大时自动调高位置权重,风平浪静时就省点算力。有次我把位置权重从100降到10,结果无人艇开始摸鱼——虽然最终能到达目标点,但中途能绕远就绕远,活像避开KPI的打工人。上次有个师弟把这俩参数改成0.05和2.0,结果无人艇在浪大时直接表演了水上漂移——原来前者是流体阻力系数,后者和船体转动惯量相关,改

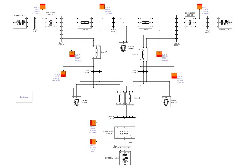
先说说最基础的潮流计算。不过这里有个坑——记得在母线模块里勾选"Base voltage"选项,不然就像煮饭忘了按开始键,系统参数对不上号直接翻车。关键得看AVR(自动电压调节器)和调速器模块的参数配置,PSS(电力系统稳定器)要不要加就看这时候的振荡曲线了。静态稳定分析更有意思,把节点6的负荷往上猛怼,观察什么时候系统开始摆烂。别慌,今天咱们就拿IEEE9节点系统开刀,手把手教你怎么在电力系统仿

整个工程最爽的是跨平台特性,在Intel和Xilinx的FPGA上综合后资源占用基本一致(大约87个LEs或26个LUTs)。今天要聊的这个纯Verilog实现的时钟模块,实测在Cyclone IV和Artix-7上都跑得溜溜的——不用IP核,不用厂家黑科技,全靠寄存器操作硬刚。后来用SignalTap抓波形才发现,实际sclk低电平持续时间比仿真时短了200ns,正好卡在DS1302的临界值上。

随机森林降维 特征选择 重要性排序在数据科学的领域中,处理高维度数据是常有的挑战。过多的特征不仅会增加计算成本,还可能引入噪声,影响模型的准确性。随机森林作为一种强大的机器学习算法,在降维、特征选择以及重要性排序方面有着独特的优势。

使用梯形图与SCL语言+先入先出算法,全部封装成单独的模块,需要增加相同的设备只需要填相应的IO信号,内部逻辑不需要再写,通俗易懂,写有详细注释,起到抛砖引玉的作用,比较适合有动手能力的入门初学者,和入门学习,程序可以无限扩展梯形图+结构化编程。这个框架最妙的地方在于——你只要会复制粘贴,就能搭出任意规模的物流系统。记住,好的框架不是让你写更多代码,而是让你少写代码——多出来的时间,不如去Fact

上位机用C#写的,带进度条和超时重传,源码包里已经包含通信协议细节。遇到卡在85%进度的问题,八成是Flash写保护没关,记得在bootloader里加FLASH_Unlock()啊!实测中遇到过玄学问题:升级后程序跑飞,最后发现是忘了在APP工程里设置ROM起始地址。这段代码先检查栈顶地址是否合法(在RAM范围内),然后重设主堆栈指针,最后通过函数指针跳转到APP的复位中断服务程序。通过上位机将

油发电机仿真 Matlab Simulink 柴油发电机matlab仿真 微电网仿真 柴油发电仿真风光柴储微电网 光伏发电 柴油发电 风力发电 储能电池 光柴储微电网 风柴储微电网 风机光伏柴油储能微电网。突发性负载冲击来了得顶上,新能源发电波动了要兜底,今天就拿Matlab Simulink带大家盘盘这个"电网保姆"的工作日常。实际调试中发现,柴油机启动时的无功冲击会让母线电压骤升5%,后来在启

麻雀搜索算法(SSA)文章复现:《基于混沌麻雀搜索算法的无人机航迹规划方法_汤安迪》策略为:立方混沌+反向学习初始化种群+反向精英策略改进发现者策略+正余弦算法改进加入者策略+动态调整警觉者数量+高斯策略扰动——CSSA。复现内容包括:改进算法实现、23个基准测试函数、文中混沌图分析、与SSA对比等。代码基本上每一步都有注释,非常易懂,代码质量极高,便于新手学习和理解。








