
简介
该用户还未填写简介
擅长的技术栈
可提供的服务
暂无可提供的服务
多智能体编队跟随控制无人车、 无人机、无人船[汽车]matlab 多智能体系统编队控制仿真,非线性,一致性,领导跟随控制,有限时间控制等

os开发 船舶轨迹预测 ros无人船/无人艇协同避障;水下机器人rov建模多智能体协同控制;无人船,无人艇的路径规划算法;编队控制;船舶轨迹跟踪自适应滑模控制;无人潜水艇/无人船轨迹跟踪、自动靠泊、路径规划、无人船自动驾驶;基于模型预测控制的无人艇分布式编队协同控制;无人船/艇编队协同控制,无人船编队; MPC无人船模型预测控制;模型预测控制多智能体协同控制致性; Matlab/simulink仿

基于神经网络(NN)模型预测控制(MPC)算法,用于控制具有随机通信拓扑的多智能体系统MAS包括1 基于神经网络的MPC算法,用于在四旋翼机队系统2带扰动系统和非线性机器人汽车系统的MAS中达成共识

摘要:基于MATLAB开发了一套完整的语音信号处理系统,系统包含GUI界面和20万字技术文档,主要实现:1)语音信号读取与噪声添加功能;2)布拉克曼和巴特沃斯两种低通滤波算法;3)四种波形(原始、加噪及两种滤波后信号)的时域波形和频谱图可视化输出。系统采用模块化设计,将核心功能集成到GUI界面,支持音频采集、处理、分析和结果保存。关键技术包括FFT频谱分析、语谱图生成、IIR滤波器设计和端点检测算

根据您提供的机械臂和无人机的图片,我将为您提供一个综合示例代码,该代码结合了MATLAB中的机器人工具箱进行机械臂的正逆运动学分析,并简要介绍了如何在ROS环境中进行仿真。请注意,由于图片中没有具体的尺寸和参数信息,以下代码使用了假设的DH参数。以下是一个简单的六自由度机械臂的 MATLAB 代码示例,使用机器人工具箱(Robotics Toolbox)进行正运动学和逆运动学分析。对于ROS环境下

基于svm的python车牌识别代码 opencv车牌识别代码 有gui界面机器学习车牌识别 数字图像处理,提供两个 GUI 界面模型对汉字字符数据集预测准确率为98.08%,对字符数据集预测准确率为99.86%核心代码均有注释 依赖库安装好后可直接运行有讲解的PPT和 环境搭建教程,可以更好理解代码

9个基于MATLAB 事件触发控制1线性多智能体系统一致性的分布式动态事件触发控制方法。2固定拓扑和切换拓扑下多智能体系统的分布式动态事件触发一致性控制.3有限时间一致性的分布式事件驱动控制.4多智能体系统的分布式事件触发控制.5多代理网络中基于事件的协议。6非线性不确定性多智能体系统的定时事件触发一致性控制.7线性多智能体网络的全分布式事件触发协议.8非理想一般线性多智能体系统基于观测器的事件触

多智能体,动态围捕MATLAB编程实现,论文复现代码注释清楚

基于 PaddleOCR 技术实现车牌识别系统基于 PaddleOCR 技术实现,结合 OpenCV 和 Python Tkinter 构建了一个简洁高效的图形化界面,支持车牌区域的自动检测、文字识别与车牌格式验证。精准识别:采用先进的 PaddleOCR 技术,结合高效的图像预处理算法,能够精准定位车牌区域并识别车牌文字。无论是蓝牌、黄牌,还是特殊车牌,都能轻松应对,识别准确率远超行业平均水平。

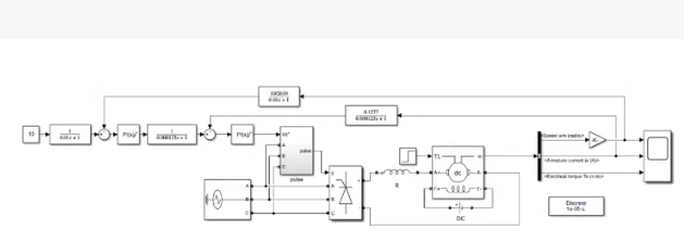
直流电机双闭环调速系统仿真模型Matlab/Simulink仿真模型仿真模型文件+精美分析报告一份13页。内容涵盖如下:1)采用转速环、电流环 双闭环控制算法;2)外环-转速环,采用PI 比例积分控制;3)内环-电流环,采用PI 比例积分控制;5)根据电机基本数据,计算电机相关参数;6)根据工程设计方法,计算转速环调节器ASR和电流环调节器ACR参数(计算过程详细);7)改变相关参数,可以满足不同








