
简介
该用户还未填写简介
擅长的技术栈
可提供的服务
暂无可提供的服务
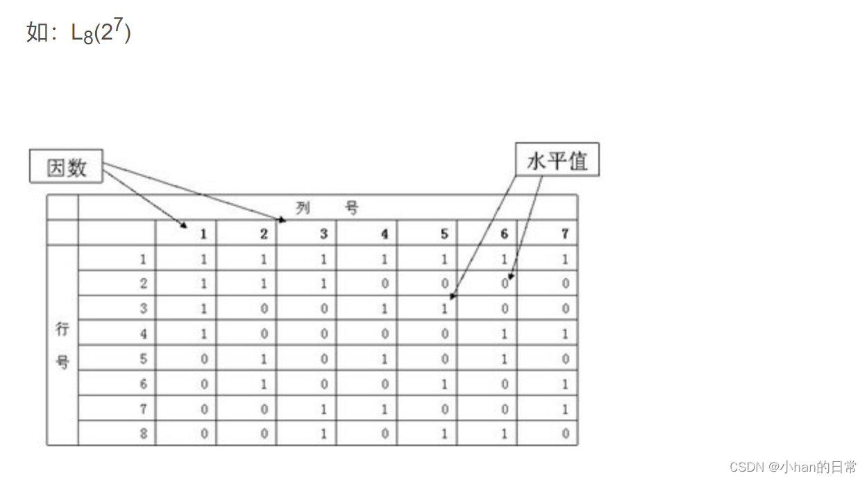
简述----正交实验法是研究多因素多水平的一种设计方法,它依据 Galois理论从全面实验中挑选出部分具有代表性的水平组合进行实验,并对结果进行分析从而找出最优的水平组合。当析因设计要求的实验次数太多时,一个非常自然的想法就是从析因设计的水平组合中,选择一部分有代表性水平组合进行实验。因此就出现了分式析因设计(fractional factorial designs),但是对于实验设计知识较少的实

场景:有时候测试场景需要设置请求频率为一秒一次(或几秒一次)

是一款开源的代码质量管理平台,用于检测代码中的错误,漏洞和代码规范,通过插件的机制,可以基于现有的Gitlab、Jenkins 集成、以便在项目拉取后进行连续的代码检查。旨在提供一个完整的代码质量管理解决方案。

本文介绍JMeter的linux安装及处理No X11错误

jenkins+sonar配置

本文完成jenkins+gitlab的基础配置,下文开始正常使用jenkins+gitlab+sonar进行项目构建。一定要复制保存好,再刷新就消失了!(安装完成后重启jenkins服务即可实现汉化)登录此用户,可查看配置 test开头的项目名称。id_rsa是私钥,id_ras.pub是公钥。同时jenkins侧刚才创建的任务会进行构建。gitlab侧提示成功。保存后,点击test。

jenkins汉化完成(如未生效,重启jenkins即可)通过Install without restart 直接安装。在可安装的插件选项中,搜索local 安装如下插件。找到Locale插件,填写zh_CN 勾选按钮。,(本图因已安装,故在已安装插件选项中显示)第二步 点击Plugins。第一步 点击Manage。
前文已经安装完成sonarqube和Sonar Scanner了,接下来可以开始jenkins了。

jmeter将参数写入csv文件,使用后置处理器BeanShell

selenium环境安装及使用








