
简介
该用户还未填写简介
擅长的技术栈
可提供的服务
暂无可提供的服务
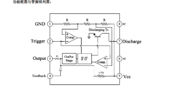
S69-2LF是我们推出的可调脉冲控制电路,支持DIP8和SOP8两种封装形式,通过外接电阻电容即可灵活调节输出频率和占空比,专为电动工具调速设计。

看了电路调试平台,发现升压模块的输入电源线太长,如下图所示,怀疑是前级的环路导致,因此,通过飞线,减少走线长度,缩短环路,再次测试升压电源上电波形。电源出现问题,第一步是先看输出电压值对不对,LDO已经烧坏了,暂时不看它的电压,用万用表测量升压电源的输出电压值,是5.5V,和设定值一样,那为什么还会烧后面的LDO呢?闲话少说,直奔主体,下图是第四代徒弟设计的电源方案,系统的总电源3.7V,经过升压

GC8418是一款数字音频信号的CMOS单片接收、转换电路,具有八选一输入,输入支持 IEC60958,S/PDIF,EIAJ CP1201和AES3音频接口。GC8418集成了串行数字音频输出接口,集 成了插值滤波器、multi-bit数模转换器、输出模拟滤波器。内部锁相环可以从AES3数据流中 恢复出干净的时钟信号。GC8418封装形式采用SSOP28,温度支持-40℃到 +85℃。

在散热风扇领域,芯麦GC5331和APX9331/茂达是两款常见的驱动芯片。

一、应用领域适用于工控主板、TV板卡、安卓主板、车载功放电源等产品方案应用。二、功能介绍D1509是芯谷科技推出的一款输入耐压40V、输出电压1.23-37V可调、输出电流最大2.0A的高效率、高精度DC-DC芯片,其输出电压有固定3.3V、5.0V和12.0V的版本,可以为客户省去外围的电压调节电阻,以节省成本和PCB空间。三、基本特性四、引脚信息其各引脚功能如下:五、参考设计1、固定电压版本:

漏电保护器专用电路。芯片 内部包含稳压电源、放大电路、比较器电路、延时电路、计数器电 路、跳闸控制电路及跳闸驱动电路。芯片外围应用有脱扣线圈、压 敏电阻、稳压二级管、二级管、电阻、电容等元器件。 适用于 110V~220V(50 ~ 60Hz) 各种类型的漏电信号的跳闸精度一致性好。 宽的温度范围(Ta=-20~+85。 良好的电磁干扰(EMC。 直接驱动 SCR。

GC6109是双通道5V低电压步进电机驱动器,具有低噪声、低振动的特点,特别适用于相机的变焦和对焦系统,万向节和其他精密,低噪声STM控制系统的应用。该芯片为每个通道集成了256微步驱动器。客户可以方便地调整驱动器的参数。该芯片还内置2通道LED驱动。用于STM的256u步驱动技术,具有超低噪声特性。内置2个STM驱动程序,用于缩放和对焦。2个用于驱动LED的开式排水系统。QFN44L(05x05

D1671 是 一 块 带 4 级 低 通 滤 波 的 单 通 道 视 频 放 大 电 路 , 可 在 3V 或 5V的 低 电 压 下 工 作。此 产 品 节 电 模 式 的 设 计 ,更 合 适 用 与 手 持 设 备 的 应 用 , 比 如 数 码 相 机 , PMP , DV , Portable DVD 等。 内 置 4 级 低 通 滤 波 的 单 通 道 视 频 放 大 电 路 :

D4147 为低功率接地故障断路器(GFI)控制器芯片,用于检测危险的接地故障电流路径以及接地对零线故障,内部包含一个二极管整流器、高精度12V 带隙并联稳压器、精密低VOS失调感应放大器、延时噪声滤波器、窗口检测比较器和一个晶闸管驱动器等基本电路,通过尽可能少的外部器件就能够侦测并防护火线对地故障和零线对负载短路故障,满足UL943B标准要求。D4147主要用于三线制GFCI输出接口、GFCI芯

芯片采用 32 位内核,片内集成多种安全密码模块,包括SM1、 SM2、 SM3、 SM4、 SSF33 算法以及RSA/ECC、 ECDSA、 DES/3DES、AES128/192/256、SHA1/256/384/512 等安全算法,芯片提供了多种外围接口: USB2.0、UART、SDIO、 ISO7816、 I2C、 SPI、 NFM, MIM 等。产品应用:大容量存储。








