
简介
该用户还未填写简介
擅长的技术栈
可提供的服务
暂无可提供的服务
该电路采用LT2179运放构建多级有源滤波器,通过四级Sallen-Key二阶滤波单元级联实现高阶滤波特性。每个单元由RC网络(如R2=301K、C1=1000p)与运放构成,通过单电源3.3V供电,配合R7/R8偏置网络提供1.65V共模电压。电路支持交流信号处理,能实现陡峭的幅频特性(理论8阶),兼具滤波与信号放大功能,适用于音频处理、传感器信号调理等单电源系统场景。关键设计包括:Sallen

该电路采用LT1210运放构建双绞线驱动器,通过同相放大结构实现信号传输。1KHz正弦波输入经负反馈网络(R1=845Ω、R2=274Ω)实现4倍增益放大,11Ω限流电阻保护运放并匹配100Ω双绞线等效负载。±15V双电源供电确保信号动态范围,有效抑制传输衰减和反射。电路通过精确的阻抗匹配和运放线性放大特性,实现基带信号在双绞线上的稳定长距离传输,适用于RS-485等通信场景的简化设计。

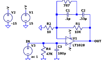
摘要:该电路采用LT1028运放构建音频前置放大器,通过双电源供电实现±15V电压范围。输入信号经R4-C3低通滤波(fc≈33.8kHz)抑制高频噪声,运放通过R1-R3负反馈网络实现约1.08倍低噪声放大,同时利用C1-C2进行相位补偿和低频滤波(fL≈478Hz)。电路集成输入滤波、信号放大和电源净化功能,适用于20Hz-20kHz音频信号的前置处理,具有低噪声、低失真特性,可作为音响系统的

直流稳定场效应管探头电路由电源、输入缓冲、直流稳定和信号处理等模块组成。电源采用±5V双电源供电,满足场效应管和运放工作需求。输入缓冲模块通过10KΩ电阻隔离信号源,二极管提供过压保护。核心直流稳定模块利用场效应管和三极管构成负反馈电路,配合0.01μF电容抑制直流漂移。信号处理模块采用两级运算放大器实现信号隔离和放大,RC网络构成1.6Hz低通滤波器。该电路适用于高频小信号检测,能有效抑制直流漂

这篇文章系统总结了大学英语写作的学习方法,从基础构建到实战应用,分为四个维度:基础构建(句型结构、学术词汇)、技巧提升(段落发展、论证深度)、实战应用(仿写训练、场景化写作)以及维护策略(多维修改、持续输入)。强调通过句型强化、词汇升级、逻辑训练和实战练习提升写作能力,并推荐了相关工具与资源。关键原则包括简洁表达和强势动词使用,建议每周定量写作训练和持续迭代修改,最终通过系统化拆解和高效训练提升学

本文详细分析了两种电压频率转换电路(VFC)的工作原理及设计要点。电荷平衡式VFC通过积分器、滞回比较器和电子开关实现高精度转换,适用于高精度仪表;复位式VFC采用单阈值比较器和复位开关,具有快速响应特性,适合低成本实时控制。文章对比了两者在线性度、速度和复杂度上的差异,并介绍了电平转换接口设计。最后通过一个实用电路实例,阐述了V/F转换的核心逻辑、元件匹配关系和工作流程,说明输入电压如何线性转换

本文介绍了一种基于LT1009精密基准电压源的可调分压/基准电压调节电路。该电路利用LT1009的稳压特性和电阻分压网络实现输出电压可调,通过改变分压比例实现Vout=Vref/x的数学关系。文章详细分析了电路工作原理,包括核心元件功能、稳压特性、分压计算和工作流程等关键特性。同时列举了该电路在10个领域的典型应用案例,包括智能断路器、变频空调、PLC校准、BMS采样、MPPT跟踪等,重点展示了其

本文详细解析了基于LT1079A运放的皮安级输入电流、带偏置电流消除的三运放仪表放大器设计。该电路采用经典三运放结构(前级差分放大+后级单端转换),通过LT1079A的低偏置特性(皮安级)和高输入阻抗实现微弱信号采集。关键设计包括:1)对称反馈网络(R1、R3、R7)抵消运放偏置电流;2)10MΩ级输入电阻(R8、R9)维持输入回路高阻抗;3)多级增益设计(前级增益≈11)放大差分信号。电路通过差

摘要: 微分方程是描述动态变化的数学工具,通过未知函数及其导数揭示事物演变规律(如水流速度、疫情传播)。核心特征包括阶数(最高导数次数)、线性/非线性(函数形式)和解的类型(通解含任意常数,特解由初始条件确定)。其解法多样,如分离变量、积分因子等,能预测从物理运动到生物增长的复杂现象。微分方程如同解码宇宙动态的语法,连接数学理论与现实世界,是理解变化与因果的关键桥梁。(150字)

精密整流电路利用运算放大器的高增益特性,克服传统二极管整流的小信号损耗问题。其工作原理分为正负半周信号处理:正半周通过反馈形成电压跟随器,二极管D1导通,运放补偿压降;负半周转为反向放大器,D2导通输出绝对值电压。电路设计需考虑高增益运放、匹配电阻和低压降二极管等要素,典型应用包括医疗监测、光伏系统等。通过极性判断和电压跟随实现精密整流,结合二极管滞回特性提升抗干扰能力,确保输出稳定。








