
简介
该用户还未填写简介
擅长的技术栈
可提供的服务
暂无可提供的服务
芯片的应用非常广泛:比如,手机、电脑、汽车、玩具、电器等等,都有芯片的存在。芯片虽小,但是功能强大。芯片制造过程非常复杂,这些芯片是如何制造的,关键步骤是什么?我总结了以下六个关键步骤,一起来看看吧~1.沉积沉积步骤从晶圆开始。晶圆从99.99%的纯硅圆柱体(又称“硅锭”)上切下来,打磨得非常光滑。然后,导体、绝缘体或半导体材料薄膜根据结构要求沉积在晶圆上,以便在晶圆上打印第一层。这一重要步骤通常

以上就是位移电流及其密度计算公式的相关介绍了,其实位移电流是相对于传导电流(就是你所说的导线中流过的电流)而言的。而位移电流是由该处电场的变化(D随时间变化)产生的涡旋电流,这个电流是感应电流,你在该处放一段导线里面就有电流流过,产生它的源是变化的电场。位移电流的单位与电流的单位相同。位移电流密度计算公式是J=I/S,电场中某点的位移电流密度等于该点的电位移矢量对时间的变化率。位移电流产生的感生磁

具有极佳的散热效果、较长的产品寿命以及优秀的产品品控。LED芯片及封装向大功率方向发展,在大电流下产生比Φ5mmLED大10~20倍的光通量,必须采用有效的散热与不劣化的封装材料解决光衰问题,因此,管壳及封装也是其关键技术,能承受数W功率的LED封装已出现。成兴光Chip-LED封装系列有着极薄的表面封装(SMT)发光二极管所采用的高亮度芯片的低功率LED的尺寸只有铅笔头大小,它以最小的耗电量实现

无感电阻,也称为电感电阻、电感器、电感元件等,是一种电气元件,常用于电子电路中,用于限制电流、防止电磁干扰等。无感电阻是指一种电阻器件,它能够在高频电路中工作而不会产生电感,从而避免了电感对电路性能的影响。在高频电路中,电感会导致信号失真、频率响应变差和能量损耗等问题,因此需要使用无感电阻来代替传统的电阻器。

应用最广泛的8位单片机当然也是初学者们最容易上手学习的单片机,最早由Intel推出,由于其典型的结构和完善的总线专用寄存器的集中管理,众多的逻辑位操作功能及面向控制的丰富的指令系统,堪称为一代“经典”,为以后的其它单片机的发展奠定了基础。不同的嵌入式系统有各自的优点和缺点,需要根据具体的应用需求来选择。不但能对片内某些特殊功能寄存器的某位进行处理,如传送、置位、清零、测试等,还能进行位的逻辑运算,

需要特别注意,在放置元器件时,一定要考虑元器件的实际尺寸大小(所占面积和高度)、元器件之间的相对位置,以保证电路板的电气性能和生产安装的可行 性和便利性同时,应该在保证上面原则能够体现的前提下,适当修改器件的摆放,使之整齐美观,如同样的器件要摆放整齐、方向一致,不能摆得“错落有致”。可以根据具体的PCB设计设置好合理的规则,我们所说的规则就是PADS的约束管理器,通过约束管理器在设计流程中的任意一

但是,磁芯的损耗很难有详细的参数支撑计算,因为磁芯的损耗主因里磁滞损耗(hysteresis loss)和涡流损耗(eddy current loss)都需要依据具体的磁通密度B,磁通密度摆幅ΔB,形状结构和磁导率的直流偏置导致的损耗系数,频率损耗系数,涡流损耗系数等来进行计算,这些参数无法通过简单的测量快速得到,而是需要通过一系列的试验测试来通过图形拟合的方法推导出来这些参数(称为curve f

由于稳压管DW与负载Rfz 并联,Usc 只要有根少一点增长,就会使流过稳压管的电流急剧增加,使得I1也增大,限流电阻R1上的电压降增大,从而抵消了Usr 的升高,保持负载电压Usc 基本不变。反之,若电网电压降低,引起Usr 下降,造成Usc 也下降,则稳压管中的电流急剧减小,使得I1减小,R1上的压降也减小,从而抵消了Usr 的下降,保持负载电压Usc 基本不变。但是,当反向电压临近反向电压的

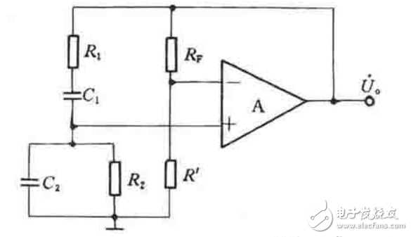
在图1所示的RC串并联网络振荡电路中,电阻RF和R’引入了一个电压串联负反馈,它的作用不仅可以挺高放大倍数的稳定性,改善振荡电路的输出波形,而且能够进一步提高放大电路的输入电阻,降低输出电阻,从而减小了放大电路对RC串并联网络选频特性的影响,提高了振荡电路的带负载能力。以上分析说明当f=fo时,串并联网络的ΨF=0,如果在此频率下能使放大电路的ΨA=±2nπ,即放大电路的输出电压与输入电压同相,即

电容器充放电的原理是:当电容器接通电源时,在电场力的作用下,与电源正极连接的电容器板的自由电子将通过电源移动到与电源负极连接的板下。正极由于失去负电荷而带来正电,负极由于获得负电荷而带来负电。正负极板的电荷大小相等,符号相反。电荷定向运动形成电流。由于同性电荷的排斥,开始电流最大,然后逐渐减小。在电荷运动过程中,电容器板中存储的电荷不断增加。当电容器两个板之间的电压UC等于电源电压U时,电荷停止运








