
简介
该用户还未填写简介
擅长的技术栈
可提供的服务
暂无可提供的服务
AM8268N嵌入式CPU是一种高性能、低功耗的32位RISC核心,具有DSP指令扩展,运行速度可达800MHz。AM8268N处理器具有一个硬线多格式视频解码器,它支持多种流行的视频格式,包括: H.264,RMVB,MPEG1/2/4和VC1在全高清分辨率。AM8268N集成的图像/视频后处理器和显示引擎提供了强大的图像处理能力,如无缝放大/缩小、裁剪、旋转、颜色空间转换、伽马校正、边缘增强、

MS9122是一款USB单芯片投屏器,内部集成了USB2.0 控制器和数据收发模块、HDMI 数据接口和音视频处理模块。MS9122可以通过USB接口显示或者扩展PC、智能手机、平板电脑的显示信息到更大尺寸的显示设备,支持HDMI视频接口。USB 音频:UAC 扬声器 48KHz 立体声。最大输出分辨率:1920×1080@60Hz。内建高速USB2.0 USB Device。默认48KHz/16
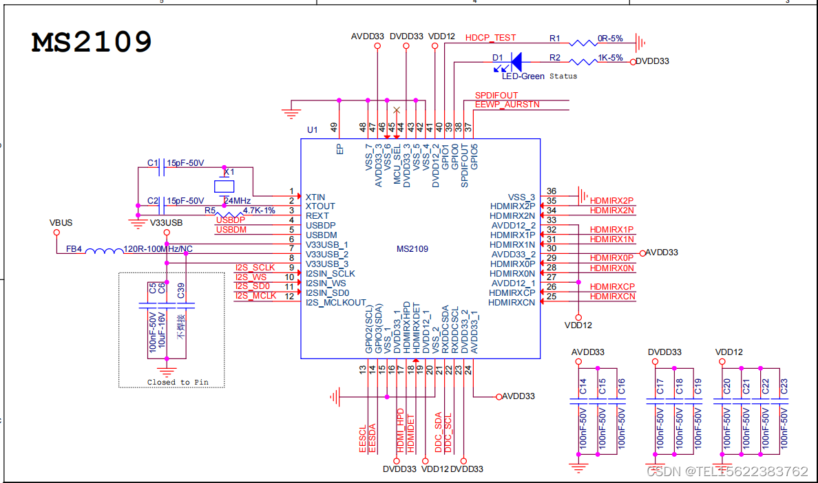
MS2109是一款高清视频采集芯片,内部集成USB2.0控制器和数据收发模块、HDMI RX模块和音视频处理模块。MS2109可以将HDMI 接口输出的音视频信号通过USB 接口传送到PC、智能手机或平板电脑上预览或采集。USB视频符合UVC规范,音频符合UAC规范,音频支持I2S输入和SPDIF输出,支持Windows、Android和MacOS 系统。

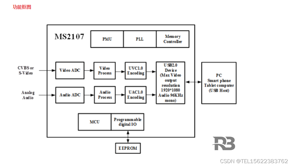
MS2107是一款视频和音频采集芯片,内部集成USB 2.0控制器和数据收发模块、视频ADC模块、音频ADC模块和音视频处理模块。MS2107可以将CVBS、S-Video和音频信号通过USB接口传送到PC、智能手机和平板电脑上预览或采集。MS2107输出支持YUV422和MJPEG两种模式,兼容Windows、Android和MacOS 系统。

LT7911D是一款高性能 DP1.2 至 MIPIDSI/CSI芯片,适用于 VR/智能手机/显示应用。对于 DP1.2 输入,LT7911D 可配置为 1、2、4 通道,还支持通道交换功能。自适应均衡使其适用于长电缆应用,最大带宽高达21.6Gbps对于 MIPIDSI/CSI 输出,LT7911D 具有可配置的单端口或双端口或 MIPIDSI/CSI,具有 1 个高速时钟通道和 1~4 个高

◆ 芯片电源的滤波电容应靠近芯片电源的引脚;电流的方向要先通过滤波电容,再进入芯片,◆ 禁止在差分线下方走线或放置其他元器件,以保证差分线下方有一个完整的地平面。地线的宽度应与电流相对应,各模块工作电流的具体值可参考电气特性章节;解码后的视频图像经过尺寸缩放,画质调节后,通过双通道。◆ 接地平面要求完整,四层单板的接地平面要求完整。◆ 差分走线应尽可能短,一对信号之间的长度差应在。并且滤波电容器的

一、RK628D三大优势1. 24合1,接口组合更丰富输入接口支持:HDMI、RGB、BT.1120输出接口支持:HDMI、GVI、MIPI_CSI、单/双LVDS、单/双MIPI_DSI、RGB、BT.1120支持同分辨率两路接口同时输出2. 自带MCU,提高硬件设计效率内置MCU,无需主控便可独立运行,可极大简化硬件设计,并节约整机成本3. 有效提高备货率,成本更优化大部分市场同类产品输入/输
简介如图(1),MM32SPIN360C 电机开发板以 Mindmotion 的专用 MCU —— MM32SPIN360C 为主控制器,具备霍尔传感器检测和反电动势检测功能。适用于低压场合,可广泛用于工业或者民用领域的三相无刷永磁电机驱动器,如电动工具等。

MS9123是一款单芯片USB投屏器,内部集成了USB2.0控制器和数据收发模块、视频DAC和音视频处理模块,MS9123可以通过USB接口显示或者扩展PC、智能手机、平板电脑的显示信息到更大尺寸的显示设备上,支持CVBS、S-Video视频接口。USB 音频:UAC 扬声器 48KHz 立体声。内建高速USB2.0 USB Device。48KHz/16bit 立体声。Andriod5.0 或以
灵动微的电机控制芯片MM32SPIN0280在针对两轮车应用时会特别调整,特别把电机控制所需的触发器,在M0下面做控制,平衡车有两个电机需要,针对电机所需的高速IDC,里面有五个比较器,里面的资源绰绰有余,针对两轮车里面需要的IOT直接无线升级功能,可以满足应用。灵动微有针对两轮车做的对应方案及解决算法,当两轮车里面的传感器损坏的时候要能够继续驱动电机,除了过压过温的保护之外,还希望两轮车防盗,能







