
简介
该用户还未填写简介
擅长的技术栈
可提供的服务
暂无可提供的服务
芯片ESD设计窗口是保护电路免受静电伤害的关键参数区域,它规定了防护器件的工作电压和电流范围:既要高于正常工作电压避免误触发,又必须低于栅氧击穿电压和二次击穿电压。随着工艺进步(从500nm到3nm),栅氧层变薄导致设计窗口越来越窄,工程师们通过新材料和新结构来应对挑战。ESD设计窗口的3个关键参数(触发电压、维持电压、二次击穿电流)直接决定防护效果,需要精确平衡才能确保芯片安全。

摘要:可控硅整流器(SCR)凭借其PNPN四层结构在ESD保护中展现出独特优势,具有高失效电流、低动态导通电阻等特点,能有效泄放静电能量。但其较高的触发电压和较低的维持电压可能导致闩锁风险。通过结构优化(如增加保护环)可提升抗闩锁能力。SCR在面积效率与防护性能方面优于传统ESD器件,成为芯片防护的重要方案。

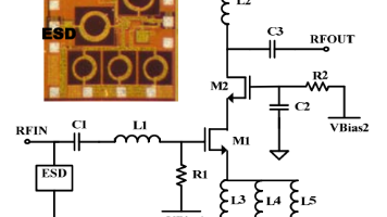
射频与模拟混合信号集成电路面临静电放电(ESD)保护的严峻挑战,传统ESD方案会劣化关键性能指标。文章剖析了ESD与电路的"双向影响"机制,并提出三大破局之道:优化ESD结构(如采用低寄生SCR/二极管串)、实施ESD-RFIC协同设计(基于S参数进行I/O再匹配)、系统级优化评估。研究表明,经过协同设计后,5GHz LNA性能可恢复76%-82%。随着工艺演进,未来需发展智能

《高压IC的ESD防护技术挑战与创新》 静电放电(ESD)是集成电路的"隐形杀手",37%的电子元件失效由此引发。随着高压功率IC在汽车电子、工业电源等领域的普及,ESD防护面临三大核心挑战:维持电压与泄放能力的平衡、闩锁效应风险、以及成本与面积的限制。当前行业采用多层防护网络应对复杂场景,而新型异质结器件和三维堆叠结构正成为实验室阶段的创新方案。未来,智能防护单元和芯片封装协

ESD设计窗口是保障芯片可靠性的关键,它定义了芯片在静电放电(ESD)防护与正常工作之间的安全区间。随着工艺节点缩小,ESD设计窗口持续变窄,如何平衡防护性能与工艺限制成为挑战。通过智能手表、USB接口等案例可见,优化ESD设计窗口能有效防止误触发和闩锁效应。台积电3nm工艺采用新型可控硅结构,在0.75V电压下实现8kV防护,证明了结构创新的重要性。未来,面对3nm及以下工艺,ESD设计窗口的精

本文剖析了芯片ESD防护设计中最易出现的五大误区:1)架构工艺脱节,如保护网络一刀切或忽视工艺特性;2)器件设计与版图缺陷,如SCR参数失衡或寄生效应失控;3)仿真验证不足,缺乏动态性能评估和全芯片级分析;4)系统视角缺失,轻视电源钳位和跨域保护;5)流程认知偏差,如将ESD作为后补或忽视CDM威胁。文章强调需建立系统性设计思维,从芯片架构阶段就融入ESD防护策略,通过工艺特性深度理解、多维度仿真

摘要:随着芯片工艺进入12nm及以下节点,FinFET晶体管的静电放电(ESD)问题日益凸显。研究发现,FinFET的ESD失效机制与传统平面晶体管不同,主要源于鳍片结构导致的热传导困境——其热导率比体硅低87.5%,使热量在纳米级鳍片内积聚引发热失控。通过预测性TCAD模拟平台可精准分析热效应,该技术能复现器件失效过程,定位故障区域,并指导优化散热路径。针对先进工艺,需采用鳍片结构调整、硅化物阻

摘要:静电放电(ESD)已成为高压驱动芯片的重要失效因素,特别是OLED显示和电源管理芯片中隔离地线导致的内部电路损伤问题日益突出。研究发现,ESD电流会绕过防护电路,通过数字-模拟接口造成栅氧层击穿,使泄漏电流激增20倍以上。本文提出综合治理方案:采用全路径I/O保护、增加电源轨钳位电路,并通过双向二极管串连接隔离地线。实验证明该方案能显著提升ESD耐受能力,为高压混合电压芯片设计提供系统级防护

ESD与内部电路的协同设计通常从三个路径实现:1、架构级协同:分级防护机制[Primary级(GGNMOS/SCR)+ Secondary级(RC-Clamp)+电源域Clamp)]、域隔离设计(敏感模块(PLL/RF)采用深N阱隔离,Guard Ring宽度>5μm)、电流路径规划(专用ESD接地环(ESD GND Ring)避免与信号地共用);传统的“后期修补式”ESD设计已无法满足先进工艺、

芯片版图工程师如何为芯片筑起ESD防护屏障?静电放电(ESD)对芯片构成致命威胁,可能导致瞬间击穿或潜在损伤。版图工程师通过五大核心准则构建防护体系:均衡分流避免电流拥堵、优化布线降低寄生效应、严守ESD设计规则、功能分区隔离保护、仿真验证查漏补缺。他们需在性能、面积与可靠性间取得平衡,将电路设计转化为可制造的物理结构。随着工艺进步,版图工程师已成为芯片可靠性的关键守护者,其精妙的版图设计决定着芯








