
简介
该用户还未填写简介
擅长的技术栈
未填写擅长的技术栈
可提供的服务
暂无可提供的服务
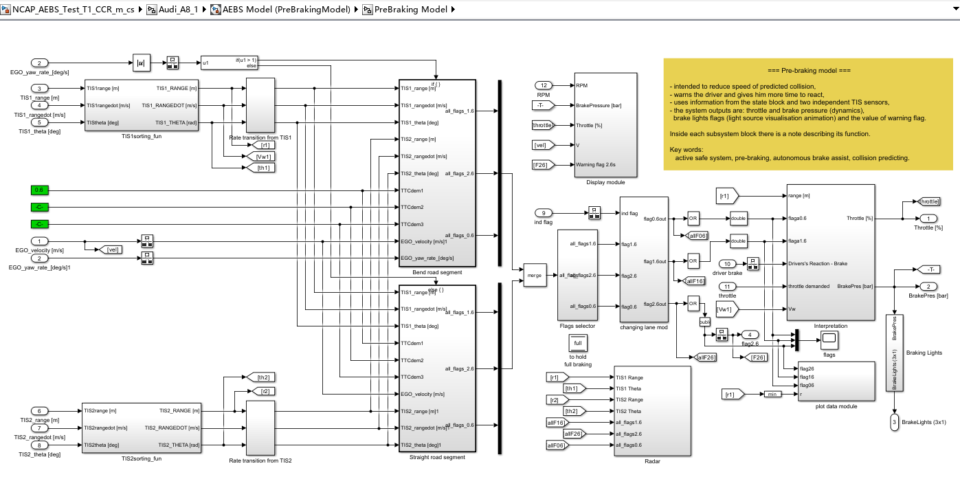
11-11 AEB 算法建模
本专题由深圳季连李博及团队出品,重点讲解了 AEB 工作原理、系统/软件架构及需求、算法建模、CCRs/CCRb/CCRm 建模与仿真、VRU-AEB-B/P/M 建模与仿真。本节重点讲解AEB算法建模。

计算共形几何-微分几何
计算共形几何是丘成桐先生和顾险峰教授共同创立的跨领域学科,完美的融合现代几何拓扑理论与计算机科学,将代数拓扑、微分拓扑、曲面微分几何、黎曼面理论、最优传输理论的基本概念、关键定理和思想方法推广到离散情形,转换成计算机算法。

计算共形几何-代数拓扑
摘自团队在知乎上的文档,计算共形几何 - 知乎。计算共形几何是丘成桐先生和顾险峰教授共同创立的跨领域学科,完美的融合现代几何拓扑理论与计算机科学,将代数拓扑、微分拓扑、曲面微分几何、黎曼面理论、最优传输理论的基本概念、关键定理和思想方法推广到离散情形,转换成计算机算法。共形几何植根于基础数学,是很多领域的交叉点:黎曼面理论、复分析、微分几何、代数拓扑、几何偏微分方程、代数曲线等等;计算共形几何和计

31-2 自动驾驶系统
智驾软硬件系统在快速创新变革之中。

11-3 FCW/AEB 设计依赖的 ISO 22839/15623 标准
本文主要介绍 FCW/AEB 设计依赖的两个标准:ISO 22839-2013 、ISO 15623-2013 。

到底了







