
简介
该用户还未填写简介
擅长的技术栈
可提供的服务
暂无可提供的服务
Spring Boot 智慧医疗采购系统是一个利用 Spring Boot 框架构建的,专门为医疗行业设计的采购管理系统。它集成了现代化的信息技术和先进的采购管理理念,旨在提高医疗采购的效率、透明度和精准度,优化医疗资源配置,确保医疗机构能够及时、安全、经济地获取所需的医疗物资和服务。

Django重庆旅游景点数据分析系统是一个基于Python开发的综合性旅游数据平台,整合了数据采集、分析和可视化功能。系统通过爬虫技术获取多源旅游数据,运用Pandas、NumPy等工具进行深度分析,并采用Django框架实现Web展示。核心功能包括景点热度分析、游客行为统计、个性化路线推荐,以及可视化图表展示。该系统既能为游客提供精准的旅游决策支持,又能帮助管理部门优化资源配置。技术架构涵盖My

~包装生产线常用于许多物品的分拣及包装服务,是库房包装物品和物流公司常用的一种包装设备。传统的包装生产方式大多数是依靠让人工手动包装分拣,耗时长,且效率较为低下,还有一定的人工成本,不足以满足生产经济发展的需要。由此自动包装生产线应运而生,自动包装生产线是一种人为干预少,能够按照包装需求,对物品进行包装分拣的自动化生产线。可编程控制器(PLC),是一种具有微处理器的用于自动化控制的数字运算控制器,

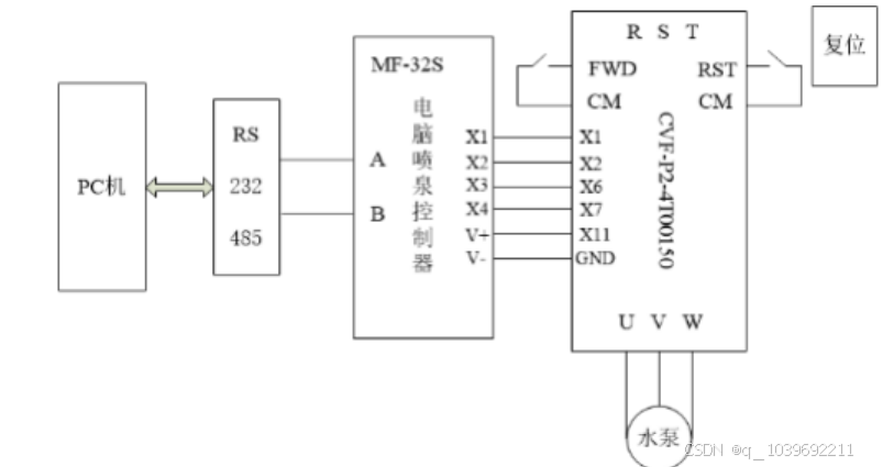
音乐喷水池,是将近年来产生的各种园林建筑艺术和花式观赏有机地融合的一个产品,它集声、光、色、形于融为一体,从而形成丰富多变的水体景观。本论文以声乐喷泉为研究对象,选择西门子系列S7-300PLC用作喷泉的控件,对声乐喷泉中的可编程控制器系统的一些问题进行了分析,阐述了可编程控制器系统的基本结构和工作原理,使用声控和变频器控制,实现了根据音乐特点,展现出不一样的音乐喷泉,增添了不一样的动感美。该系统

企业档案管理信息系统是一种旨在提高文件资料归档、检索和利用效率的信息化解决方案。该系统通过电子化手段对企业的各类文档和档案进行归类、存储和管理。企业档案管理信息系统不仅提升了档案处理的效率和准确性,还有助于保护企业的知识产权和合规性,是现代企业管理不可或缺的组成部分。随着云计算和人工智能技术的发展,企业档案管理信息系统将更加智能化和自动化,进一步优化企业的档案管理流程。

Spring Boot基于Spark的汽车行业大数据分析系统是一个集成了数据采集、处理、分析和可视化的高级平台,旨在为汽车行业提供全面、准确的数据分析,以帮助企业更好地了解市场需求、优化生产流程、提升产品质量和服务水平。

信息技术的发展带来了大量的数据内容,在这些数据中,想要找到自己需要的只有通过搜索引擎。如今,通过百度去查找信息成为大众的首选,然而在经济利益的驱动下,许多百度来的信息都是商业内容,很难找到真实有用的实际信息。在互联网中平台,信息交流和资源共享是一个非常重要的平台,随着用户的增长,大规模数据的形成,在这些错综复杂的数据中用户很难找到符合自己的信息。基于这些问题,本文研究了社区问答网站。

基于Spring Boot的大数据商品推荐系统是一个强大且智能的推荐工具,它充分利用大数据技术,广泛收集和整合海量的商品数据以及用户行为数据,旨在为用户提供个性化、精准的商品推荐服务。

宿迁市数据服务系统属于一站式数据服务平台。建立本平台的目的在于为市民们提供全面的市政数据。这样就方便广大市民快捷的了解到本市的各项市政数据。首先,对数据进行了详细且全面的收集并整理,并根据系统和数据库的需求分析,完成了系统和数据库的设计。本系统基于Java语言进行开发并部署在Tomcat服务器上发布运行,后台数据库选用的是MySQL。同时本系统使用SSM框架整合技术来辅助系统开发。关键词 一站式数

飞机大战》是一款使用J2EE来开发的纵版射击类游戏。我们以计算机为工具,在Java平台上借助Eclipse软件开发设计,最后让游戏拥有良好的背景与音乐,和独特的纯鼠标控制界面,玩家可以通过移动鼠标,来完成游戏的操作。游戏含有三个关卡,每一个关卡都有独特的实力强劲的boss和独特的敌机出场方式,玩家们在享受游戏的同时需要利用系统给予玩家的一切资源击败每一个boss,才能完成游戏。








