
简介
该用户还未填写简介
擅长的技术栈
可提供的服务
暂无可提供的服务
电动汽车充电负荷概率预测的条件扩散模型利用去噪扩散模型,该模型可以通过学习扩散过程的反转,逐步将高斯先验转换为实时时间序列数据。此外,我们将这种扩散模型与基于交叉注意的条件调节机制相结合,对可能的充电需求曲线执行条件生成。我们还提出了一种任务通知微调技术,以更好地使DiffPLF适应概率时间序列预测任务,并获得更准确和可靠的预测区间。最后,我们通过多个实验验证了DiffPLF在预测不稳定充电负荷复

2阶RC电池建模+离线辨识参数+EKF扩展卡尔曼滤波算法做电池SOC估计采用simulink编写电池模型、EKF扩展卡尔曼滤波算法,在Simulink模型运行时计算SOC,通过仿真结果可以看出,估算的精度很高注意:在电池管理系统(BMS)的研究中,准确估计电池的荷电状态(SOC)至关重要。今天咱们就来唠唠通过2阶RC电池建模、离线辨识参数以及扩展卡尔曼滤波算法(EKF)来实现高精度SOC估计的事儿

首先,再生制动系统是一种能够在车辆减速或制动时,将原本会被浪费的动能转化为电能,并将其储存回电池中的系统。这种技术不仅可以提高车辆的能效,还能延长续航里程,同时减少对传统摩擦制动系统的依赖。

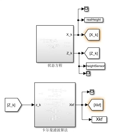
通过本次仿真分析,我们深入理解了Kalman滤波器在自由落体运动目标跟踪中的应用。Kalman滤波器通过合理的状态建模和噪声建模,能够在噪声环境下准确估计目标状态。这种滤波方法不仅适用于自由落体运动,还可以推广到更一般的运动目标跟踪问题中。非线性系统的处理:当系统模型非线性时,可以考虑使用扩展Kalman滤波器或无迹Kalman滤波器。多传感器融合:结合多种传感器信息,可以进一步提高估计精度。实时

本代码基于蒙特卡洛(Monte Carlo, MC)方法,实现了熔池晶粒生长过程的数值模拟,并具备晶粒尺寸统计、晶粒数目计数及模拟结果可视化存储等核心功能。代码采用矩阵格点模型构建熔池空间,通过模拟晶界迁移、晶粒取向演变等物理过程,还原熔池在特定工艺参数下的晶粒生长规律,最终输出量化的晶粒统计数据与直观的图形结果,为材料科学领域中熔池微观组织调控研究提供数据支撑。

光伏蓄电池单相并网模型。带参考文件,模型说明文件模型内容:1.光伏+MPPT+boost升压电路+桥式逆变2.电池模型+电池控制器+直流母线控制3.稳定交流负载+功率控制器+pwm调制仿真结果:1.直流母线380V稳定输出2.逆变输出与单相220V电网同频同相3.光伏功率充足时为电池充电,光伏输出不足电池放电最近在研究光伏蓄电池单相并网模型,感觉收获还挺多,就想着来和大家分享分享。这个模型呢,其实

格雷码,外差基于c++版本相位编码与解码GrayCoding 类 为相移+格雷码的编码与解码程序MultiFrequency 类 为三频外差的编码与解码程序Main为运行代码的主程序,包含了两种方法的执行示例实现了两种光学测量技术的计算机模拟:多频外差法和格雷码法。它使用了OpenCV库来处理图像和矩阵运算,编写于C++环境中。代码分为两个主要部分,分别对应于两种技术。








