
简介
该用户还未填写简介
擅长的技术栈
可提供的服务
暂无可提供的服务
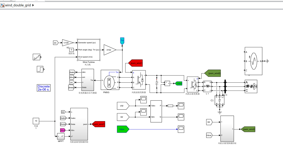
这模型就像乐高积木,控制策略随便拆装,但核心架构千万别手贱乱改,毕竟背靠背变流器的能量缓冲机制是整套系统的命门所在。直流母线电容参数别随便动,这个2200μF的值是经过稳定性计算得出的黄金数值,改小了容易崩,改大了影响动态响应。不仅实现电机侧的有功、无功功率的解耦控制和转速调节,而且能实现直流侧电压控制并稳定直流电压和网侧变换器有功、无功功率的解耦控制。不仅实现电机侧的有功、无功功率的解耦控制和转

Matlab simulink仿真,直驱永磁风机并网chopper低电压穿越,版本matlab2018a最近在玩Matlab Simulink仿真,搞了个直驱永磁风机并网Chopper低电压穿越的模型,用的是Matlab 2018a版本。今天就来和大家分享一下这个过程。

在电机控制领域,如何实现精准的调速一直是个重要课题。线性自抗扰控制(LADRC)以其独特的优势,能有效应对系统的不确定性和干扰,在直流电机调速中表现出色。本文将分享基于STM32F1的LADRC实现直流电机调速,且采用加了TD(跟踪微分器)的LADRC,配合编码器反馈,实现良好的控制效果,同时代码以.h和.c文件分开编写,保证清晰且注释丰富。// 定义结构体来存储LADRC的参数float b0;

以上就是时间序列预测中的10种经典模型。从简单的AR模型到复杂的GARCH模型,每种模型都有其独特的应用场景和局限性。在实际应用中,我们需要根据数据的特性(如平稳性、季节性、波动性等)来选择合适的模型,并通过参数估计和模型验证来确保预测的准确性。希望这篇文章能帮助你更好地理解和应用这些经典模型![matlab]10种经典的时间序列预测模型本文演示了 10 种不同的经典时间序列预测方法,它们是1)

FB函数块把复杂逻辑打包成乐高积木,特别是那个带运动学模型的定位函数块,调用时参数往里一填,三轴联动自动解算脉冲量——这设计,老工程师看了直呼内行!咱今天聊的这个三轴项目,把转盘和丝杠玩出了花——两轴脉冲同步转360度不带飘,第三轴丝杠精准到位,这底层程序有点东西。3.程序中使用到的计算程序全部使用St语言与FB.函数块,逻辑程序使用FBD梯形图(类似西门子程序)。1.本程序结构清晰,有公共程序,

EPB电子驻车制动系统Simulink模型(参考VDA305_100标准进行模型搭建)版本:matlab2018a,可生成低版本模型包括:有刷直流电机+执行器模型,电机参数m文件,SSM模块,PBC模块,数据处理模块,与Carsim联防进行过验证。模型可实现功能:常规夹紧与释放,溜车再夹与自动释放,动态减速。其他功能也可基于模型继续开发。图片为模型及部分仿真结果,可以基于此做大创或哔设。动画所示功

这个模型把需求响应参与调频的过程划分为两个阶段。第一阶段的核心任务是迅速找到频率最低点。为啥要这么快找出来呢?因为频率快速下降阶段如果不及时把控,可能引发一系列电力系统的不稳定问题。就好比一辆高速行驶的汽车,得赶紧知道它刹车后最短能在啥位置停下,才能避免后续可能的碰撞啥的。第二阶段则专注于求解频率稳定值。这就像是汽车停下后,得稳稳当当的,不能还在那晃悠。系统频率最终得稳定在一个合理的数值,才能保证

调参时先把kp设为0.5,ki调到kp的十分之一,观察并网电流的相位跳变。这代码最骚的是那个delta_d变量,步长调大了容易在最大功率点附近蹦迪,调小了追踪速度又像乌龟爬。实际跑仿真的时候建议用变步长改良版,功率变化量大的时候用大跳步,接近峰值时切小碎步,省得波形抖成筛子。等最大功率点跟踪算法追踪光伏电池的发电曲线,实现最大功率点追踪输出的仿真模型。等最大功率点跟踪算法追踪光伏电池的发电曲线,实

自动驾驶横纵向耦合控制-复现Apollo横纵向控制基于动力学误差模型,使用mpc算法,一个控制器同时控制横向和纵向,实现横纵向耦合控制matlab与simulink联合仿真,纵向控制已经做好油门刹车标定表,跟踪五次多项式换道轨迹,效果完美。内含三套代码,两套采用面向对象编程-一套只对控制量添加约束,一套对控制量和控制增量均添加约束,另外一套采用面向过程编程。在自动驾驶领域,横纵向耦合控制一直是个关

本代码基于MATLAB平台开发,以Logistic函数为核心算法,构建了负荷侧需求响应模型。该模型聚焦于电价激励场景,创新性地考虑了用户的乐观响应与悲观响应两种行为模式,通过量化分析峰段、平段、谷段电价差异对用户用电行为的影响,实现了电力负荷在不同时段的优化转移(峰转平、峰转谷),最终输出需求响应前后的负荷对比曲线与电价变化曲线,为电力系统的负荷调控与供需平衡提供数据支撑。








