
简介
该用户还未填写简介
擅长的技术栈
可提供的服务
暂无可提供的服务
高精度称重模块设计方案供电:12-24V通信接口:CAN通道:2精度0.1g,带零点校位高精度,低温漂含原理图,PCB,BOM表,源工程代码,可直接生产最近调试无人售货机的散称模块,踩了一堆坑——普通电阻应变片模块要么零点飘上天,要么20kg量程误差±5g根本没法用,串口通信还老丢包,CAN协议的又贵得离谱。翻了翻开源仓库改了三天,终于搞出个低成本、0.1g精度、12-24V宽压、双路称重、带源工

一维模糊的反推过程很简单,看Scope里的输入论域是[-1,1]m(假设期望10m,当前9.5→9.8→9.9→10→10.1这种小波动,大了肯定论域调宽,当年做的是悬停微调),隶属度函数用了5个三角型+高斯型混合?中间0附近是高斯“刚好”,两边是三角“稍低”“太低”“稍高”“太高”;好坑填完,说说当年啃Scope图反推的一维二维模糊定高的区别吧,旧项目的Scope图有两个对比组:一个是误差e(期

基于两轮差速移动机器人的模型预测控制(mpc)轨迹跟踪(simulnk模型加matlab代码,无联合仿真,横纵向跟踪) ,最新1.轮式移动机器人(WMR,wheeled mobile robot)/基于两轮差速移动机器人的模型预测控制轨迹跟踪,既可以实现车速的跟踪,又可以实现对路径的跟踪;2.采用simulnk搭建模型主体,matlab代码搭建MPC控制器,无联合仿真3.设置了5种轨迹,包括三种车

传统的点预测就像算命先生只告诉你明天会下雨,而这个模型能告诉你"降雨量在20-30mm之间有90%把握",这对需要风险评估的场景太重要了。今天要聊的这个QRCNN-BiLSTM模型有点东西——既能玩多变量预测又能生成动态置信区间,关键是不用改代码直接换数据就能跑,对新手简直不要太友好。采用分位数回归QR方法实现区间预测,可自由调整置信区间,评价指标包括R2、MAE、MSE、MAPE、PICP、PI

SHAP虽好,可不要贪杯哦。另外SHAP值计算的是边际贡献,多重共线性严重的特征会平分贡献度,这时候需要配合VIF诊断——不过那又是另一个故事了。Python Xgboost/Catboost随机森林/树模型/任意模型/线性模型/SVR/GPR/ANN模型SHAP图绘制。Python Xgboost/Catboost随机森林/树模型/任意模型/线性模型/SVR/GPR/ANN模型SHAP图绘制。它

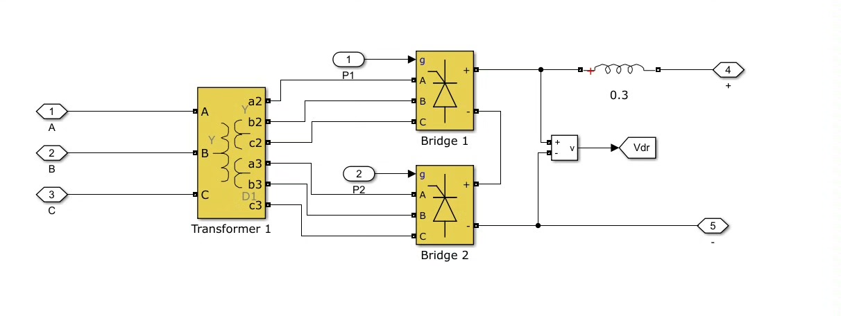
高压直流输电短路故障研究,高压直流输电HVDC系统仿真建模分析双端VSC-HVDC电压源换流器式高压直流输电simulink模型此外,以下类型高压直流也可定制。12脉波LCC- HVDC常规高压直流输电仿真模型〔见图片〕高压直流输电一次调频二次调频。在电力传输领域,高压直流输电(HVDC)凭借其独特优势,如远距离大容量输电、非同步联网等,占据着越来越重要的地位。今天咱就唠唠HVDC的短路故障研究以

风光并网对电网电能质量的影响仿真建模在模型中主要体现的就是不同容量的光伏、风电接入,对并网点的电压影响情况。考虑到我国的地理因素以及气候影响问题,我国的风电开发相应的具有大规模集中式的特点,并且大部分风电系统运行所产生的电能都要进行远距离输送,在这样的前提条件下,风电并入配电网时,并网点有很大概率发生电压崩溃,这也是我国近年来风电相关事故发生的主要影响因素。

相比传统的神经网络算法,ELM算法不需要迭代调整权值和阈值,而是直接随机初始化权值和阈值,然后通过解析解的方式求解输出权值。相比传统的神经网络算法,ELM算法不需要迭代调整权值和阈值,而是直接随机初始化权值和阈值,然后通过解析解的方式求解输出权值。总之,这段代码是一个基于ELM算法的分类器,通过遗传算法优化模型参数,可以用于解决分类问题。总之,这段代码是一个基于ELM算法的分类器,通过遗传算法优化

本次分析的代码是基于 CanFestival 开源库的 CANopen 协议栈移植成果,目标硬件平台为 STM32 系列微控制器。该移植代码实现了 CANopen 从站(Slave)的核心功能,涵盖对象字典管理、PDO/SDO 通信、心跳机制、同步机制等关键模块,可直接用于工业自动化领域中基于 CAN 总线的设备间数据交互场景,支持标准化的 CANopen 协议通信流程,具备良好的可扩展性与兼容性

本系统完整实现了基于 MFCC 与 GMM 的说话人辨认流程,涵盖了从原始语音输入到最终身份输出的全链路处理。其模块化设计、合理的特征选择、稳健的端点检测以及成熟的 GMM 建模策略,共同构成了一个高效、可复现的说话人识别原型。尽管现代系统已逐步引入深度学习方法(如 DNN、x-vector),但 GMM-MFCC 作为经典基线,仍具有重要的教学与工程参考价值。该实现代码结构清晰、注释详实,为语音








