
简介
该用户还未填写简介
擅长的技术栈
可提供的服务
暂无可提供的服务
摘要: 本研究基于Zigbee技术设计智慧酒店综合管理系统,通过低功耗、高兼容的无线组网方案解决传统酒店控制系统布线复杂、维护成本高等痛点。系统采用三层架构,实现客房智能联动(灯光/空调/窗帘场景化控制)、能耗监测(节能优化降低15%-25%能耗)及服务快速响应(工单自动分配)。应用表明,Zigbee技术显著降低酒店运营成本20%-30%,提升宾客体验与能源效率,未来可通过AI算法优化与多技术融合

摘要:本研究设计了一款适用于大型职场的清洁机器人,基于STM32单片机控制,结合红外避障模块和风扇吸尘系统。通过硬件电路设计和软件编程(Keil开发环境),实现了自动避障(左转/右转/后退)和自主清洁功能。相比传统C51方案,STM32具有更丰富的外设接口和计算能力。实验表明系统能有效识别障碍物并调整路径,完成无人值守清洁任务。未来可扩展加湿等功能,实现"一机多用"。该设计为人

摘要:本文介绍了一种基于STM32单片机的语音垃圾分类系统,通过语音识别技术实现垃圾自动分类投放。系统采用STM32F103ZET6为核心控制器,集成语音识别、电机驱动、提示反馈等功能模块,支持四种常见垃圾类别的语音识别与桶盖自动开启,响应时间小于1秒,识别准确率超过90%。相比传统智能垃圾桶,该系统具有操作便捷、分类精准、成本低廉等优势,可有效降低30%以上的误投率。其模块化设计适用于家庭、社区

本文介绍了一种基于单片机的智能手机万能遥控器系统。该系统采用AT89C52单片机为核心,集成红外发射、蓝牙通信、按键显示等模块,实现多品牌家电的统一控制。系统支持设备配对、远程控制与编码学习功能,通过模块化软件设计兼容主流红外协议,并具备信号可调、协议更新等优化特性。实际应用表明,该方案可显著提升家电操作效率,硬件成本低于80元。未来可扩展Wi-Fi远程控制、语音交互及智能家居联动功能,具有较高的

本文介绍了一种基于51单片机的卧室灯语音控制系统设计方案。系统以STC89C52为核心,整合LD3320语音识别模块和PWM调光电路,支持自然语音指令控制LED灯光开关及亮度调节。硬件设计包括语音采集、灯光驱动、状态显示等模块,软件采用模块化架构实现指令解析和PWM控制。该系统适用于卧室场景,提供无接触操控体验,尤其适合老人和儿童使用。文章还提出了升级唤醒词识别、增加环境传感器等优化方向,展现了低

摘要: 本文设计了一种基于STM32的无线语音传输系统,以STM32F103C8T6为核心,结合MAX9814麦克风放大芯片、VS1053音频解码器和NRF24L01+无线模块,实现高质量语音采集、传输和播放。系统采用8kHz采样率,12位ADC转换,PCM编码压缩数据量,通过DMA和中断机制确保实时性,传输延迟≤200ms,无线距离达30米(空旷环境)。测试表明系统信噪比≥35dB,丢包率≤2%

本文设计了一种基于AT89C51单片机的数显超声波测距仪系统。该系统采用40kHz超声波传感器,测量范围为0.07-3.00m,精度达5cm,响应时间小于0.5s。系统硬件包括555时基振荡电路产生超声波信号、三极管控制发射、专用接收放大电路及LCD显示模块。软件采用模块化设计,包含主控、发射接收、距离计算和显示等功能模块。调试结果表明,系统能准确测量距离并显示温度信息,满足非接触式测距要求,具有

本文设计了一种基于8086微处理器的三首音乐盒控制系统。系统采用8086作为核心控制器,搭配8253定时器、8255接口芯片和EPROM存储器,实现了《小星星》《生日快乐》《两只老虎》三首音乐的播放控制。通过按键可实现音乐选择、播放/暂停/停止操作及速度调节(50%-150%),蜂鸣器输出音乐,LED和数码管显示状态。硬件设计包括输入模块、音频输出模块和状态显示模块;软件部分实现了音乐数据存储解析

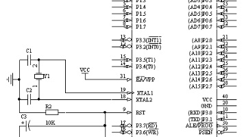
本文设计了一款基于STC89C52RC单片机的智能灭火机器人系统。硬件方面选用性价比高的STC89C52RC作为主控芯片,详细介绍了其引脚配置;软件方面使用Keil μVision4开发环境,采用C语言编程实现循迹行走、火焰检测和灭火功能。系统通过火焰传感器检测火源,控制风扇灭火,并设计了完整的程序流程。调试过程中解决了传感器连接、程序下载和灵敏度调节等问题,最终实现了循迹运动和灭火功能。实物测试

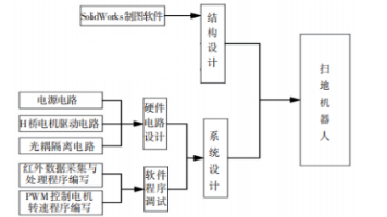
本文设计了一种基于STM32单片机的低成本智能扫地吸尘小车系统。该系统采用多传感器融合(6路红外+超声波)实现智能避障,结合PID算法控制双电机驱动,实现沿边清扫和随机覆盖路径规划,清扫覆盖率达92%。创新性地通过红外反射传感器检测地面灰尘密度,动态调节吸尘功率(30%-80%)。测试显示15㎡空间清扫耗时12分钟,除尘率85%,成本仅为商用机器人的1/5。未来可升级SLAM算法和远程控制功能,具








