
简介
该用户还未填写简介
擅长的技术栈
可提供的服务
暂无可提供的服务
第一次在网上写博客类的东西,记录下之前使用信捷的一款PLC驱动台达脉冲伺服电机的接线方法,写在这里方便以后查看。目的:使用信捷PLC通过台达的脉冲伺服驱动器实现闭环的伺服控制设备:1、信捷PLC,型号:XDM-60T10-E图12、台达脉冲型伺服驱动器(以下简称驱动器)及伺服电机,驱动器型号:ASDA-AB (220V 系列)图2步骤:如图3所示,根据台达驱...

手搓一个华硕ITX主板上用的CMOS电池套装,顺手拆了挡板和无线模块,有拆机需求的可作为参考。

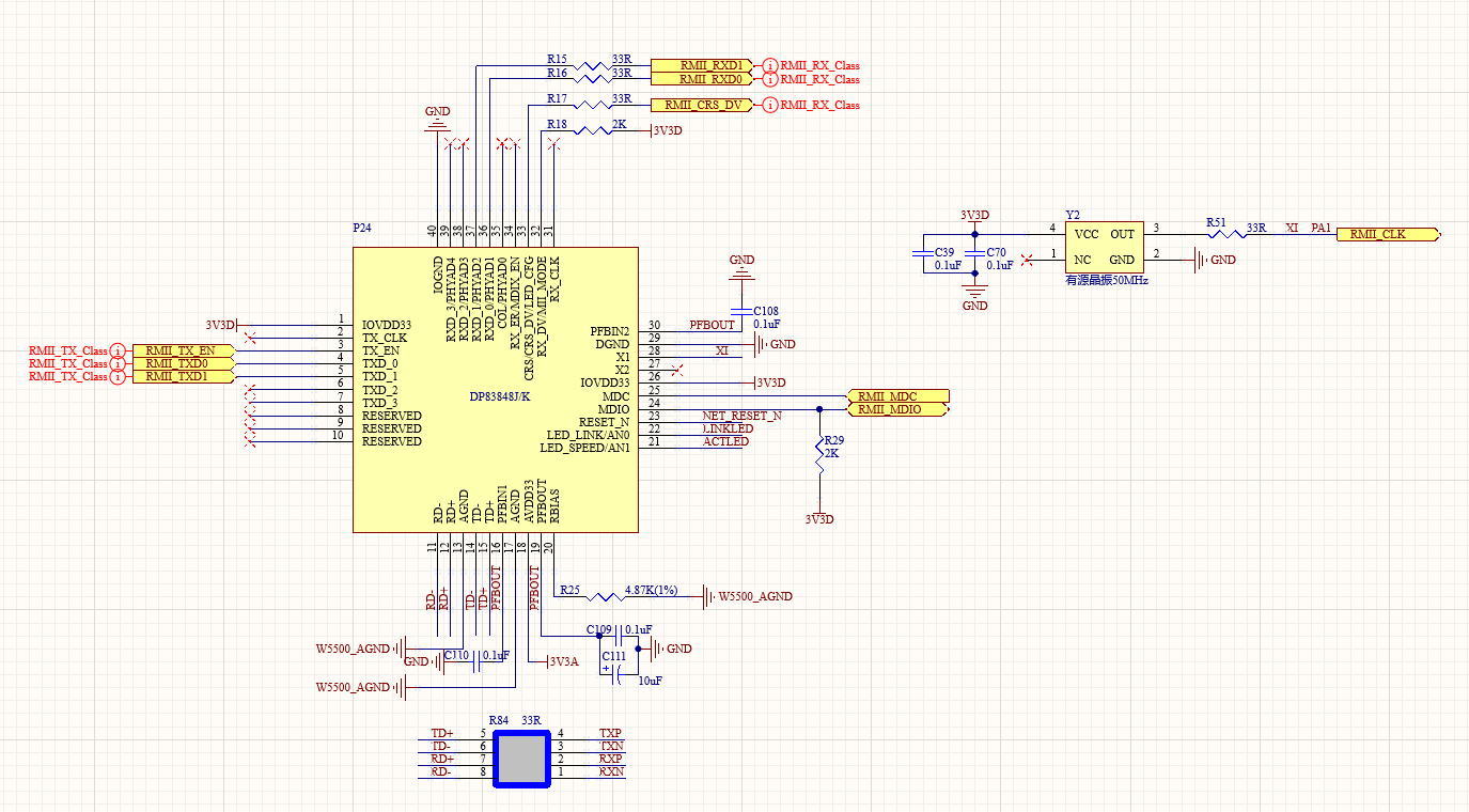
基于STM32CubeMX软件,编写一个能够应用在STM32H743单片机上的网络通信程序调试,PHY芯片为DP83848,通信协议栈采用LWIP。

手把手教你,如何用PE启动U盘快速安装windows系统

最近研究了下mats显存测试软件,刚好手头有一块GT210和GT220的亮机卡,想着试验一下这个软件是否真的能测GT系列的老显卡。因为对DOS系统不熟悉,在网上搜了半天GT系列显卡的测试方法,也没找到十分对口的教程,最后还是自己摸索着试出来了正确的测试方法,特此记录一下,省得自己以后忘了。

第一次在网上写博客类的东西,记录下之前使用信捷的一款PLC驱动台达脉冲伺服电机的接线方法,写在这里方便以后查看。目的:使用信捷PLC通过台达的脉冲伺服驱动器实现闭环的伺服控制设备:1、信捷PLC,型号:XDM-60T10-E图12、台达脉冲型伺服驱动器(以下简称驱动器)及伺服电机,驱动器型号:ASDA-AB (220V 系列)图2步骤:如图3所示,根据台达驱...

手头有几块坏显卡,型号为HD4850和HD5670,都是比较老旧的显卡了,可供参考的资料非常有限,自己摸着石头过了次河,有不少心得,想着分享出来帮后来看到的人少走弯路。

手把手教你,如何用PE启动U盘快速安装windows系统

CH341A及XTW 2两种SPI FLASH烧录器的硬件使用说明

前两天在咸鱼上66淘了个英特尔的wifi6无线网卡——AX210,今天收到货上机试了下,WiFi很爽快的出来了,但是蓝牙怎么也用不了。c)后来把它装在我的PCIE转接卡上,这回能识别到一个蓝牙设备,360打驱动表现为能识别到蓝牙设备,但是设备异常,有感叹号。奈何卖家一直没回消息,我又抱着死马当活马医的法子,去intel官网下载了最新的蓝牙驱动,没想到真就好了。反复试了多次,始终不行,一度怀疑是被坑








