
简介
该用户还未填写简介
擅长的技术栈
可提供的服务
暂无可提供的服务
这俩货长得像但性格迥异——Fluent像实验室里的技术宅,CFX则是旋转机械领域的特种兵。数值模拟这行当,代码写得好不如防崩溃措施到位,毕竟谁没经历过算到99%时蓝屏的绝望呢?记得上次模拟涡轮机时,用meridian averaging处理周向不均匀性,残差曲线比女朋友的心电图还稳。刚接手一个锅炉燃烧优化项目时,甲方甩来张手绘草图:"烟道温度场偏差别超过5%啊"。这套组合拳打完,既能生成酷炫的Q准

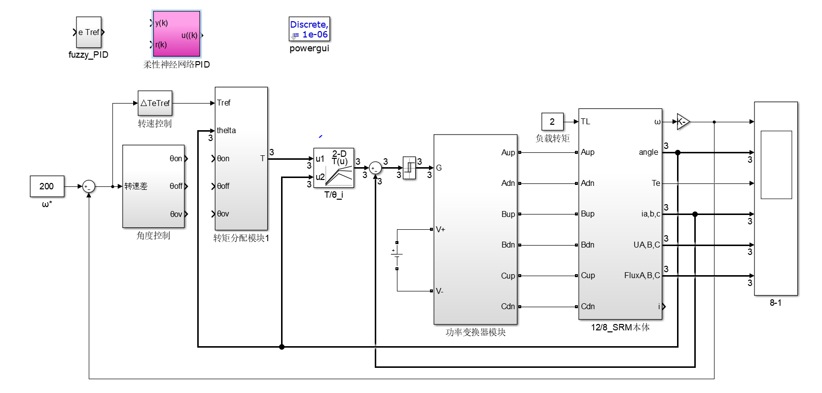
有个骚操作是在非线性饱和区域插入了指数衰减项,这样在转子位置变化时磁场分布的计算误差能控制在3%以内。智能控制:12/8三相开关磁阻电机有限元分析本体建模、转矩分配函数控制、模糊PID控制、模糊角度控制、神经网络在线自适应迭代控制。智能控制:12/8三相开关磁阻电机有限元分析本体建模、转矩分配函数控制、模糊PID控制、模糊角度控制、神经网络在线自适应迭代控制。开关磁阻电机传统控制:电流斩波控制、电

先放个暴力结论:电解电压=能斯特电动势+三大过电势(欧姆、传质、活化),每个都能被参数拿捏得死死的。把这个参数翻倍,100mA/cm²时的活化损耗直接砍半,但小心别超出材料实际性能。PEM电解槽Simulink模型,得出I-V曲线图,通过调参可以分析各参数对电解电压的影响。PEM电解槽Simulink模型,得出I-V曲线图,通过调参可以分析各参数对电解电压的影响。包括能斯特电动势,欧姆过电势,传质

STM32环形串口队列程序 大数据串口收发实时不丢包 串口程序平常产品开发中编写或移植的程序并亲自测试通过,均为工程文件格式,可直接编译使用。该程序为大数据量吞吐的串口收发例程,中断接收,边收边发,采用大数据环形队列,处理过程超快不丢包,接收buffer可以定义成2K,4K,8K均可。也可以用到其余单片机上在平常的产品开发中,串口通信是极为常见的需求。特别是当涉及大数据量吞吐时,保证实时性且不丢包

永磁同步电机(pmsm)模型预测控制(MPC)matla b/simulink仿真模型,有PI矢量控制,直接预测控制(有限集模型预测控制)(这个其中包括做了单矢量和双矢量或者可以成为三矢量的有限集预测控制)和无差拍预测控制,模型预测控制可以是单环模型预测控制和双环模型预测控制,(基于龙伯格负载观测器)(foc控制)转矩在电机控制领域,永磁同步电机(PMSM)以其高效、节能等诸多优势,被广泛应用于各

模糊自适应PID控制的基本思想是利用模糊逻辑来调整PID控制器的参数(Kp、Ki、Kd)。这样,控制器可以根据系统的实时状态,动态地调整参数,从而提高控制性能。这次基于MATLAB的直流电机模糊自适应PID控制仿真研究,让我对模糊控制和自适应控制有了更深的理解。虽然过程中遇到了一些问题,比如模糊规则的优化和仿真参数的调试,但最终还是得出了满意的结果。如果你对这个方向感兴趣,可以尝试自己动手搭建一个

主要内容:代码主要做的是考虑用户舒适度的冷热电多能互补综合能源系统优化调度模型,在传统的冷热电联供型综合能源系统的基础上,进一步考虑了热惯性以及用户的舒适度,并用预测平均投票数PMV对用户的舒适度进行衡量,且通过改变PMV的数值,可以对比不同舒适度要求对于综合能源系统调度结果的影响。这可不是简单加个温度范围的事儿,而是用PMV(预测平均投票)指标把人体热舒适度变成可计算的参数,让空调系统调度不再是

本次使用的仿真平台是MATLAB结合YALMIP和CPLEX。MATLAB强大的矩阵运算和可视化功能为我们提供了良好的编程环境。YALMIP是一个用于在MATLAB中求解优化问题的工具箱,它简化了优化模型的构建过程。CPLEX则是一款高效的优化求解器,能快速准确地求解我们构建的复杂优化模型。

Mitsubishi/三菱电机马达PMSM电机负载观测转矩前馈simulink基于Luenberger降阶状态观测器,包含PMSM数学模型,PMSM双闭环PI矢量控制,并添加了前馈控制,采用SVPWM调制。在电机控制领域,永磁同步电机(PMSM)以其高效、节能等诸多优点被广泛应用。今天咱们就来唠唠基于Luenberger降阶状态观测器,融入双闭环PI矢量控制,并添加前馈控制,采用SVPWM调制的三
MATLAB代码:储能参与调峰调频联合优化模型关键词:储能 调频 调峰 充放电优化 联合运行参考文档:《Using Battery Storage for Peak Shaving and Frequency Regulation: Joint Optimization for Superlinear Gains》完全复现仿真平台:MATLAB+CVX 平台优势:代码具有一定的深度和创新性,注释清








