
简介
该用户还未填写简介
擅长的技术栈
可提供的服务
暂无可提供的服务
本文分析了两种变变流系统的拓扑结构及控制策略。系统采用三相逆变器供电RL负载,剩余能量通过三相PWM整流器或不控整流+Boost回馈。控制策略采用电压外环+电流内环的双闭环结构,通过仿真验证了两种方案的性能:PWM整流器方案控制精度高但复杂,不控整流+Boost方案简单但波形较差。两种方案均可满足要求,选型需根据团队能力决定。

本文分析了2025年电赛可能出现的"多端口能量管理系统"赛题,重点探讨了两种工作模式:电网供电模式(能量由电网经整流器、变换器供给负载)和光伏并网模式(光伏能量逆变并网)。系统核心在于维持直流母线电压稳定,详细介绍了单相PWM整流器、三相逆变器和DC/DC变换器的控制策略,包括电压电流双闭环控制、MPPT算法等关键技术。文章提供了仿真波形和实物展示,验证了系统可行性,建议参赛者

本文分析了2023-2025年全国大学生电子设计竞赛电源类赛题的仪器元件清单与题目关联性。2023年单相逆变器并联系统和2024年AC-AC变换电路均与清单列出的设备完全对应。基于2025年清单中三相可变电阻器、单相变压器等关键元件,预测赛题可能为多端口能量管理系统,包含单相PWM整流、DC/DC变换和三相逆变器模块,符合新能源应用趋势。建议重点准备单相PWM整流(THD≤2%)、三相逆变(SVP

摘要: 本文提出了一种基于双单相逆变器并联系统的设计方案,满足离网独立供电、并联均流运行及并网三种工作模式。系统采用电压/电流双闭环控制策略,实现24V±0.2V稳压输出(THD≤2%)和精确电流分配(误差±5%)。硬件上采用全桥逆变拓扑(42V DC输入),配合UCC21520驱动和STM32F407主控;软件上通过PR控制器实现瞬时电流跟踪,结合锁相环技术完成预同步并网。仿真与实物测试表明,系

功率开关管的峰值电压为直流侧电压(60V),功率器件的峰值电流取决于负载的最大电流值(3A)。图1为半桥DCDC变换器的硬件资源示意图,包括直流电容器C1和C2、功率开关管Q1和Q2、电感器L、功率器件驱动电路、采样电路、主控板。电感器L的电流纹波一般为输出电流的20%~40%。本设计中,假设电感电流纹波为输出电流的30%,即满足下式。为保证良好的隔离性、安全性和高测量精度,采样电路采用直流电压传

本文介绍了PID控制器的C语言实现方法,包括位置式和增量式两种算法。内容涵盖PID控制原理、离散化差分方程、代码实现(含抗饱和和输出限幅处理)及嵌入式应用示例。通过单相逆变器闭环控制的仿真验证,表明两种PID实现方式均能有效跟踪给定值,控制效果与系统自带PID一致。文章还提供了获取仿真模型的方法,并预告将在后续视频中展示嵌入式实际效果。该PID代码可直接移植到STM32、DSP等嵌入式平台使用。

摘要:本文介绍了准PR控制器的离散化实现方法及其C语言编程。针对理想PR控制器在数字系统中的局限性,提出采用准PR控制器(带有限带宽)实现稳定控制。详细推导了双线性变换离散化过程,给出了归一化差分方程和完整的C语言实现代码(包括结构体定义、初始化函数和控制更新函数)。通过单相逆变器仿真验证,证明C语言实现的PR控制器与模块化实现效果一致,可直接移植到STM32、DSP等嵌入式平台。文中提供了仿真模

本文研究了基于二阶广义积分器(SOGI)的单相锁相环设计。针对单相系统缺乏正交分量的问题,采用SOGI作为正交信号发生器来构造虚拟正交信号。文章详细分析了SOGI的结构特性、传递函数及其离散化实现方法,并通过MATLAB仿真验证了其鲁棒性。结果表明,SOGI-QSG能够有效滤除谐波干扰,保持输入与输出信号的正交关系。仿真测试证实该锁相环具有快速准确的锁相性能。文中给出了关键参数整定方法和代码实现细

本文介绍了一种适用于电子设计大赛电源题的通用辅助电源设计方案。该设计采用三级结构:整流模块将交流电转换为直流电;宽输入稳压模块将15-100V直流或12-70V交流输入稳定为恒定电压;隔离电源模块生成多路电气隔离的输出电压(+12V、±15V、+5V、+3.3V)。测试表明该方案满足1500VDC隔离要求,并在单相逆变器实验中验证了有效性。文章还提供了详细的设计原理图、PCB图和实物测试结果,相关

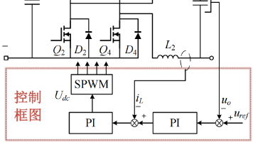
本文详细介绍了单相全桥逆变器的双闭环控制(电流内环+电压外环)在离网模式下的实现方法。系统通过PI控制器和SPWM模块调节驱动信号,使输出电压精确跟踪正弦参考信号。重点分析了三种核心子模块:1)两种参考信号生成方法(查表法和实时计算法);2)单极性与双极性SPWM调制技术的特点与实现;3)双PI控制器的设计及抗饱和处理。文章提供了基于STM32和DSP的完整代码实例,并给出"内快外慢"的参数整定原








