
简介
该用户还未填写简介
擅长的技术栈
可提供的服务
暂无可提供的服务
长短期记忆网络(LSTM)是一种特殊的循环神经网络(RNN),它能有效解决传统 RNN 在处理长序列时的梯度消失或梯度爆炸问题。简单来说,LSTM 就像是一个聪明的记忆器,能记住长序列中的重要信息。代码分析:这里我们使用了 Keras 库来构建 LSTM 模型。首先创建一个顺序模型,然后添加一个包含 50 个神经元的 LSTM 层,输入形状由timesteps和input_dim决定。最后添加一个

PSO-CNN,粒子群优化算法优化CNN网络的超参数实现数据预测,时间序列预测,多输入单输出系统预测,单输入单输出系统的预测,多输入多输出系统的预测,都可以,预测精度高于CN在数据预测领域,如何提升预测精度一直是大家关注的重点。今天咱们来聊聊用粒子群优化算法(PSO)优化卷积神经网络(CNN)超参数,以此实现各种系统的数据预测,包括时间序列预测,以及单输入单输出、多输入单输出和多输入多输出系统的预

matlab高斯回归过程工具箱高斯过程回归进行拟合和预测,比神经网络和支持向量机学习速度更快可进行多因素单输出和多因素多输出直接替换自己data,操作简单,付有工具箱说明书上个月帮同组做化工热力学小实验拟合的研究生师姐,差点把自己的联想小新砸实验室桌上——SVM调C调gamma跑了一晚上网格搜索,结果换个批次重复实验,预测误差忽上忽下;换BP吧,小批量数据(才20组)神经网络总觉得学了个寂寞,好不

最后看1D Results里的Surface Current和Farfield(虽然加了PEC地板Farfield基本为0),还有Field Monitor里的E-field和H-field分布——5.8GHz时,E-field主要集中在耶路撒冷十字的四个小延伸块和中间横臂竖臂的缝隙里,H-field主要集中在基板内部靠近地板的地方,这就是典型的。r的平方根),用的FR-4基板ε_r4.4、tan

2.Flow3d 软件操作过程介绍详细,包含二次编译文件及过程(含二次编译软件安装包),具有两种模型(各种常见物理模型具有涉及)包含单道,双道,激光功率,扫描速度,蒸汽反冲力,马兰格尼对流,热通量,孔隙,激光光斑直径,表面张力等都有涉及。2.Flow3d 软件操作过程介绍详细,包含二次编译文件及过程(含二次编译软件安装包),具有两种模型(各种常见物理模型具有涉及)包含单道,双道,激光功率,扫描速度

调试时直接监控SD21800的值,0x0000才是正常,出现0x1234之类的赶紧查手册找错误代码。实测发现地址偏移坑:当用04功能码读D100时,实际发过来的地址是十进制100,但有些上位机可能按十六进制处理,这时候要换算成0x64。遇到过最蛋疼的问题——字节顺序。三菱FX5Umodbus tcp协议plc做服务器和客户端案例程序,提供调试工具,程序注解,通讯协议功能的配置。三菱FX5Umodb

项目上线后发现个隐藏BUG:KTP700的背光亮度自动调节会和PLC的模拟量输入模块产生EMC干扰。解决方法是在触摸屏电源端加了个磁环,同时把AI模块的滤波时间从默认的20ms调到50ms。最近在电厂锅炉控制的项目里折腾西门子S7-1200PLC和KTP700触摸屏,发现博途平台从V15.1升级到V16 BSZ990版本后有些坑是真让人头秃。硬件配置这块有个反直觉的操作:KTP700的Profin

c#联合opencvsharp开发的视觉源码程序包含模板匹配,找线找圆,预处理等功能全部源码,包含图像显示控件,绘制roi工业视觉系统在现代制造业中扮演着至关重要的角色,本文将对一个基于C#和OpenCV开发的工业视觉系统的核心功能模块进行详细解析。该系统集成了多品牌相机支持、图像处理算法、标定工具和二维码识别等关键功能。

基于多目标遗传算法的分布式电源选址定容研究关键词:分布式电源 选址定容 多目标遗传算法参考文档:《店主自写文档》基本复现;仿真软件:MATLAB研究内容:代码主要做的是基于多目标遗传算法的分布式电源选址定容模型,首先构建了含义分布式电源的配电网基本结构,对分布式电源接入前后配电网的损耗进行了分析计算,其次,以网损最小、电源容量最小以及节点电压稳定性最高为目标函数,构建了分布式电源的多目标选址定容模

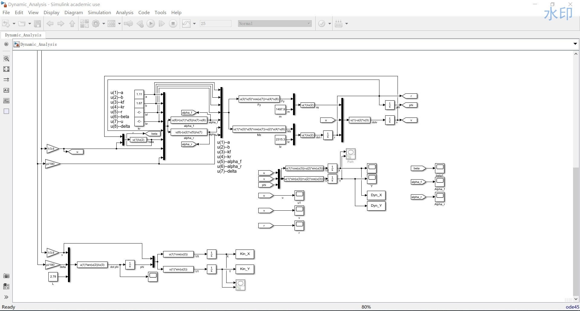
线性二自由度模型作为理论分析的基础工具,能快速抓住车辆动力学的关键特性,但过于简化。Carsim模型就像汽车动力学仿真领域的“大杀器”,精确但复杂且计算成本高。运动学模型则凭借简单高效,在特定应用场景如路径规划中发挥重要作用。在实际的汽车工程研发中,往往会根据不同的需求和阶段,灵活选用这些模型,或者结合使用,来全面深入地研究车辆动力学特性,助力更安全、更智能、性能更优的汽车产品诞生。








