
简介
该用户还未填写简介
擅长的技术栈
可提供的服务
暂无可提供的服务
库卡外部启动原创程序西门子s7-1200/1500 KUKA机器人外部启动功能块,产线已实践使用。程序以 S7-1200 与 kuka机器人通过PN通讯为例,实现对kuka机器人外部启动调用对应子程序的功能。TIA博图V15.1SP1以上软件都可打开在自动化产线的搭建中,实现设备之间高效、稳定的通讯与协同工作是关键。今天就来聊聊西门子 S7 - 1200/1500 与库卡机器人外部启动功能块,这可

通过在Matlab2016的Simulink中对双馈风力发电机模型的研究与仿真,我们能够深入理解DFIG的运行原理和控制策略。给定风速变化下的电流电压波形分析,也为实际风力发电系统的设计和优化提供了有力的参考。当然,实际应用中还需要考虑更多复杂因素,如电网故障、环境干扰等,但这个基础的仿真模型已经为我们打开了DFIG研究的大门。希望本文对大家在DFIG相关研究和实践中有所帮助。

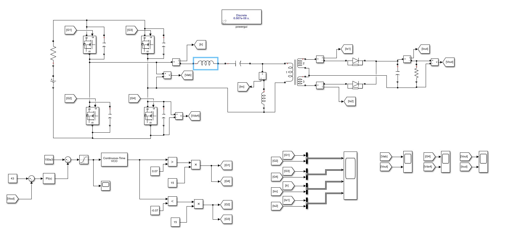
MMC七电平整流器模型MATLAB,2019及以下版本带单相接地故障设置最近在研究电力系统相关内容,今天就来和大家分享下MMC七电平整流器模型在MATLAB 2019及以下版本中的实现,并且还会加入单相接地故障设置哦。

CNN-LSTM-Attention基于卷积-长短期记忆神经网络结合注意力机制的数据分类预测 Matlab语言程序已调试好,无需更改代码直接替换Excel即可运行1.多特征输入,LSTM也可以换成GRU、BiLSTM,Matlab版本要在2020B及以上。2.特点:[1]卷积神经网络 (CNN):捕捉数据中的局部模式和特征。[2]长短期记忆网络 (LSTM):处理数据捕捉长期依赖关系。[3]注意力

PFC-LLC谐振开关电源设计方案整套学习资料程序+仿真+硬件软件说明报告+原理图+计算书等等注:该方案性价比很高,一套资料下来可以自己做个实物验证,要想看细节可以咨询我,我给你看资料的详细展示视频01.电路原理图:使用AD绘制,附带BOM表02.基于DSP28034编写的程序:PFC和LLC闭环程序,注释非常详细03.仿真模型:从开环到闭环的仿真都有,参数都是设计出来的,仿真验证04.硬件计算书

matlab锂电P2D模型代码,参数可修改加详细注释,电化学热耦合模型,有实例LIONSIMBA(Lithium-Ion Simulator for Battery Analysis)是一个基于 MATLAB 的开源高级建模仿真工具箱,专为锂离子电池系统的设计、动态行为仿真与先进控制策略开发而构建。其核心优势在于实现了高保真的电化学-热耦合物理模型,同时兼顾了工程实用性与计算效率,适用于从单体电芯

永磁同步旋转电机发电给蓄电池充电控制仿真模型联系本链接包括以下部分:1. 仿真中含永磁同步发电机(PMSG)、三相整流桥、整流桥控制模块(发电控制)、测量模块、蓄电池等;2. 整流桥控制模块(发电控制)采用转速、电流双闭环控制;内外环均采用PI控制器;3. 可实现储能控制;4. 发电机转速稳定,直流侧电压保持较好;图中为举例,为发电机转速波形、直流母线侧、输出转矩波形在电力系统与新能源领域,永磁同

simpack软件与ansys,abqus联合仿真求解车桥耦合,地震波浪荷载联合仿真分析,全教程模型。1. abaqus-simpack车轨耦合振动分析2. abaqus-simpack车轨桥耦合振动分析3. ansys-simpack车轨桥耦合振动4. 车桥耦合叠加地震波浪荷载在工程领域,对复杂系统进行精准的动力学分析至关重要。今天咱们就来聊聊使用 Simpack 软件与 Ansys、Abaqu

该模块通过定义离散与连续两类决策变量,全面描述虚拟电厂在24小时调度周期内的运行状态,变量设计覆盖“能量交互-设备运行-需求响应-碳交易”全场景,为后续约束构建与目标函数求解提供量化载体。

本文档详细分析了一个基于Ansoft Maxwell 16.0的永磁同步直线电机(Permanent Magnet Synchronous Linear Motor)仿真项目。该项目采用12槽11极的电机结构,包含完整的几何模型、材料定义和仿真设置,适用于电机设计、性能分析和优化研究。10_steel: 非线性BH曲线,饱和磁通密度约2.2TD23_50: 电工钢片,定义铁损参数(Kh=309,








