
简介
该用户还未填写简介
擅长的技术栈
可提供的服务
暂无可提供的服务
双温模型是考虑电子和声子两个不同温度系统的模型。在激光与材料相互作用的极短时间尺度内,电子系统迅速吸收激光能量,温度急剧升高,而声子系统由于与电子系统的耦合相对较慢,温度变化滞后。这两个系统的温度差会导致一系列热学和力学响应。在 Comsol 中,双温模型的基本方程可通过以下简化形式理解(以一维情况为例,实际模拟中需扩展到二维三维):电子能量方程:\[ C{e} - T声子能量方程(晶格能量方程)

(文献+程序)多智能体分布式模型预测控制 编队 队形变换论文复现带文档 MATLAB MPC 无人车 无人机编队无人船无人艇控制 编队控制强化学习 嵌入式应用 simulink仿真验证 PID 智能体数量变化在智能控制的广袤世界里,多智能体分布式模型预测控制(MPC)在编队领域那可是相当耀眼的存在。无论是无人车、无人机编队,还是无人船无人艇控制,都离不开它的“保驾护航”。今天咱就来唠唠这个超有趣的

光伏储能三相PQ恒功率并网控制仿真(附参考文献及文档)①网侧:采用PQ恒功率控制,参考文献《_微电网及其逆变器控制技术的研究》。②储能控制:直流母线电压外环,电池电流内环双闭环控制策略直流母线电压外环:为了稳定Vbus在设定电压值电流内环:则是由外环产生的电流信号控制电池充放电电流③光伏Boost:光伏板参考文献搭建的光伏电池模型,MPPT算法采用经典的扰动观察法,可以更换其他算法,在功率等级差不

光伏储能三相PQ恒功率并网控制仿真(附参考文献及文档)①网侧:采用PQ恒功率控制参考文献《_微电网及其逆变器控制技术的研究》。②储能控制:直流母线电压外环,电池电流内环双闭环控制策略直流母线电压外环:为了稳定Vbus在设定电压值电流内环:则是由外环产生的电流信号控制电池充放电电流③光伏Boost:光伏板参考文献搭建的光伏电池模型,MPPT算法采用经典的扰动观察法,可以更换其他算法,在功率等级差不多

模型预测控制(MPC)buck变换器模型预测控制,MMC-HVDC 仿真,MPC轨迹跟踪,各种有关mpc的学习文件,代码算例在电力电子和控制系统的广袤世界里,模型预测控制(MPC)宛如一颗璀璨的明珠,正散发着越来越耀眼的光芒。今天咱们就唠唠MPC在buck变换器、MMC - HVDC仿真以及轨迹跟踪等方面的那些事儿,顺便分享些学习文件和代码算例。

该模型采用龙贝格观测器进行无传感器控制其利用 PMSM 数学模型构造观测器模型,根据输出的偏差反馈信号来修正状态变量。当观测的电流实现与实际电流跟随时,可以从观测的反电势计算得到电机的转子位置信息,形成跟踪闭环估计。龙伯格观测器采用线性控制策略代替了 SMO 的变结构控制,有效避免了系统抖振,具有动态响快、估算精度高的优点在电机控制领域,无传感器控制技术一直是研究热点,而今天要探讨的就是采用龙贝格

深度强化学习方法来解决电力系统的控制和决策问题 源代码利用InterPSS仿真平台作为电力系统模拟器。开发了一个与OpenAI兼容的电网动态仿真环境,用于开发、测试和基准测试电网控制的强化学习算法。电力系统应急控制,控制方案采用深度强化学习(DRL)高维特征提取和非线性泛化能力。提出了基于DRL的发电机动态制动和欠压减载应急控制方案,所开发的DRL方法鲁棒性对不同仿真场景,模型参数的不确定性和噪声

对电动汽车蓄电池充放电控制策略的基本原理进行了介绍,包括 PID 控制器,基于 PID 和 PWM 充放电控制策略以及蓄电池模型。对该仿真模型进行了仿真分析,分别对充电过程和放电过程进行了仿真验证分析,仿真结果验证了充放电控制策略的确性。对电动汽车蓄电池充放电控制策略的基本原理进行了介绍,包括 PID 控制器,基于 PID 和 PWM 充放电控制策略以及蓄电池模型。对该仿真模型进行了仿真分析,分别

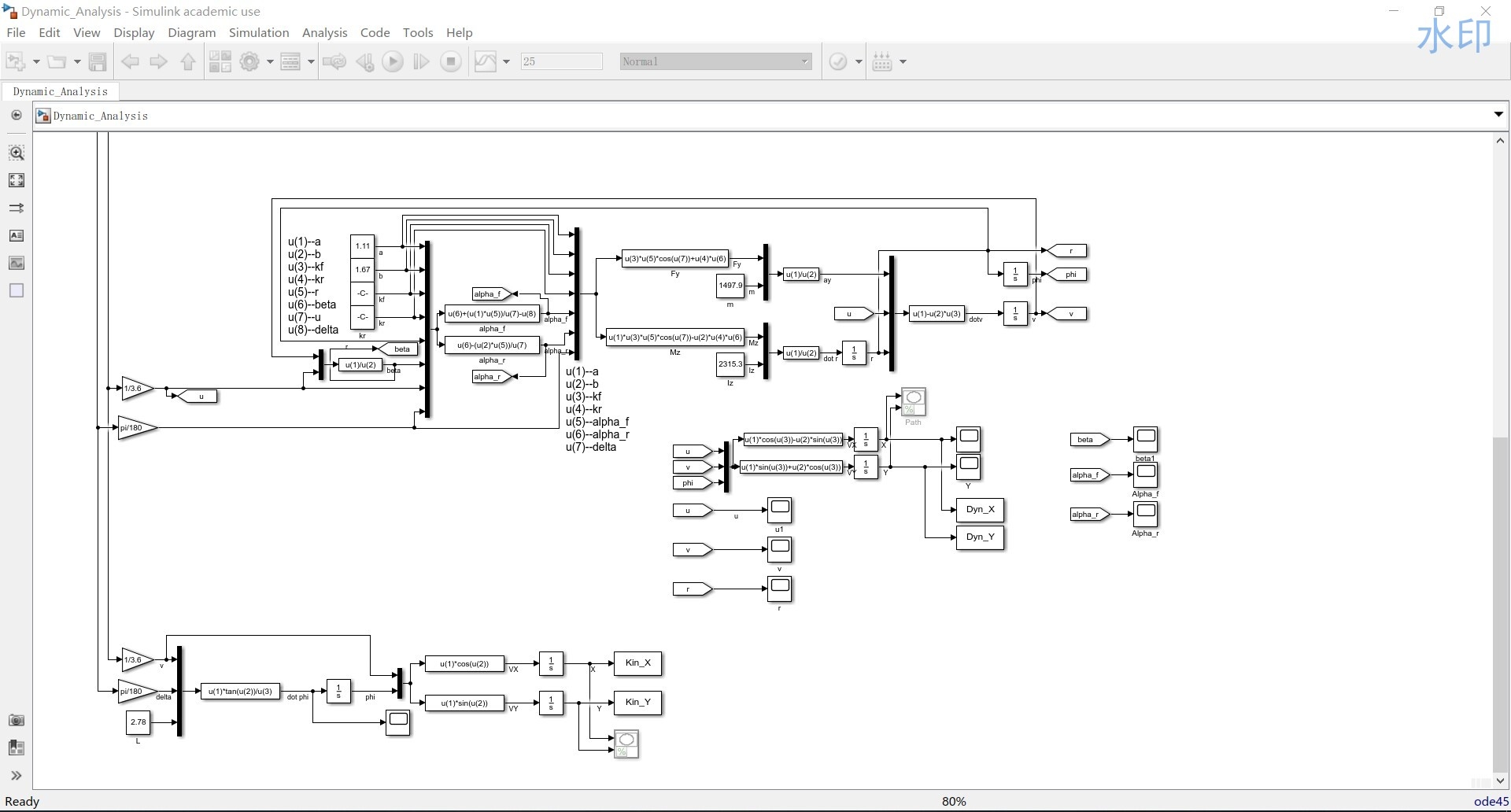
线性二自由度模型作为理论分析的基础工具,能快速抓住车辆动力学的关键特性,但过于简化。Carsim模型就像汽车动力学仿真领域的“大杀器”,精确但复杂且计算成本高。运动学模型则凭借简单高效,在特定应用场景如路径规划中发挥重要作用。在实际的汽车工程研发中,往往会根据不同的需求和阶段,灵活选用这些模型,或者结合使用,来全面深入地研究车辆动力学特性,助力更安全、更智能、性能更优的汽车产品诞生。

本系统基于Matlab平台开发,采用递推最小二乘法(FRLS)与扩展卡尔曼滤波(EKF)融合算法,针对锂电池一阶RC等效电路模型,实现电池关键参数(欧姆内阻R0、极化内阻R1、极化电容C1)辨识与荷电状态(SOC)的联合估计。系统支持从实验数据加载、算法迭代计算到结果可视化的全流程自动化处理,适用于锂电池充放电过程中的实时状态监测与参数分析,为电池管理系统(BMS)的优化设计提供核心算法支撑。








