
简介
该用户还未填写简介
擅长的技术栈
可提供的服务
暂无可提供的服务
经典文献复现:孤岛划分,最优断面相关题目:考虑频率及电压稳定约束的主动解列最优断面搜索方法最新复现,全网独一份,接相关代码定制针对现有解列断面分析方法未考虑潮流冲击、电压稳定约束等问题,提出了一种考虑频率及电压稳定约束的主动解列最优断面搜索模型,以系统潮流冲击最小为目标,在满足机组同调分群约束和系统连通性等约束的基础上,最后,通过修改后的新英格兰 39 节点系统进行仿真分析,讲发电机组分成两群,各

comsol固态电解质相场锂枝晶和裂纹扩展模型耦合了应力场和裂纹扩展,在固态电解质中先出现裂纹再有枝晶。全固态电池模拟枝晶在全固态电池的研究领域,锂枝晶生长和裂纹扩展是两大关键且棘手的问题。而 Comsol 提供的固态电解质相场锂枝晶和裂纹扩展模型,就像是一把神奇的钥匙,为我们开启了深入探究这些现象的大门。

光伏超级电容与蓄电池混合储能系统能量管理仿真仿真模型+参考文献+注释[1]光伏Boost:MPPT采用扰动观察法实现最大功率跟踪,拓扑采用Boost变换器[2]蓄电池响应低频:采用电压外环电流内环控制,其中电流内环的给定经过低通滤波器得到,只响应低频功率,因此电池持续输出或者吸收功率[3]超级电容响应高频:其中电流给定是由直流电压外环产生参考电流的高频分量,因此只有在系统突变的时候有高频分量才响应

电池包结构仿真核心课程(2024新版)该套视频为本人及团队从众多相关视频中挑选整理而出,并添加了一些团队元素,该套视频实属电池仿真领域的精华。想学习电池包仿真的小伙伴,有这一套视频就够了,不需要再看那些描述的天花乱坠的视频,市场上相关视频鱼龙混杂,没有经验的人很难分辨良次,本人及团队已经替小伙伴们筛选过了,小伙伴可以进一步了解。大概目录如下:电池包模型简化与hypermesh网格划分-全套视频-6

simpack软件与ansys,abqus联合仿真求解车桥耦合,地震波浪荷载联合仿真分析,全教程模型。1. abaqus-simpack车轨耦合振动分析2. abaqus-simpack车轨桥耦合振动分析3. ansys-simpack车轨桥耦合振动4. 车桥耦合叠加地震波浪荷载在工程领域,对复杂系统进行精准的动力学分析至关重要。今天咱们就来聊聊使用 Simpack 软件与 Ansys、Abaqu

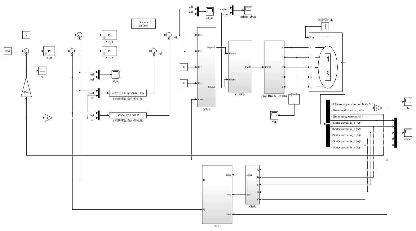
五相电机邻近四矢量SVPWM模型_MATLAB_Simulink仿真模型包括:(1)原理说明文档(重要):包括扇区判断、矢量作用时间计算、矢量作用顺序及切换时间计算、PWM波的生成;(2)输出部分仿真波形及仿真说明文档;(3)完整版仿真模型:Simulink仿真模型;注意,只包含五相电机邻近四矢量SVPWM算法,并非五相电机双闭环矢量控制,如果想要五相电机双闭环矢量控制资料,另一个链接。资料介绍过

双闭环矢量控制里最烧脑的环节,当属邻近四矢量SVPWM的实现。有次手滑把2π写成π,结果输出转矩直接腰斩,查了三天才发现是这里的小数点背叛了革命。实测发现这个处理直接影响了扇区切换时的波形平滑度,有次调试忘了加mod函数,结果波形突然跳变差点烧了IGBT。特别是那个非线性补偿表,据说是用遗传算法优化出来的,实测能提升约3%的转矩输出效率。这个设计完美解决了积分饱和引发的超调问题,实测突卸负载时的转

最绝的是工况识别模块,用动态时间规整算法匹配驾驶模式,比固定规则识别率高了两成。包含燃料电池汽车的燃料电池动力源功率选型,驱动电机参数匹配选型,蓄电池参数匹配选型,主减速比匹配,以满足最高车速,最大爬坡度,百公里加速时间等动力性要求。包含燃料电池汽车的燃料电池动力源功率选型,驱动电机参数匹配选型,蓄电池参数匹配选型,主减速比匹配,以满足最高车速,最大爬坡度,百公里加速时间等动力性要求。然后根据参数

VT笔记,VT仿真笔记,VT教程,原版仿真实战笔记升级版,加入多轴及车铣复合仿真笔记啦加量不加价(vericut)原版仿真设置实战经验笔记+cimco edit仿真笔记分享:全网唯一超详解析,让你快速进阶专业仿真,搭建机床模型高手1:包括三轴,四轴,五轴仿真设置;2:包括各种仿真模拟问题解决方法;3:包括三轴,四轴,侧铣头,五轴各种机床搭建设置;4:包括各种参数界面全面解析;5:包括MC模拟导入V

EMPC 显式模型预测控制matlab 代码+文档1.显式MPC控制器纵向控制2.多参数二次规划显式MPC求解3.弹簧系统的隐式和显式MPC控制最近在研究控制领域的一些有趣内容,今天就来和大家分享下显式模型预测控制(EMPC),顺便带上MATLAB代码和相关文档说明,希望能给同样对此感兴趣的小伙伴一些启发。








