
简介
该用户还未填写简介
擅长的技术栈
可提供的服务
暂无可提供的服务
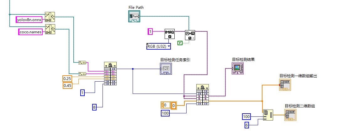
labview yolov8分类,目标检测,实例分割,关键点检测onnxruntime推理,封装dll,labview调用dll,支持同时加载多个模型并行推理,可cpu/gpu, x86/x64位,识别视频和图片,cpu和gpu可选,只需要替换模型的onnx和names即可,源码和库函数,推理速度很快,还有trt模型推理。同时还有标注,训练源码(labview编写,后台调用python)在计算机视

纯verilog逻辑udp,arp,imcp千兆网万兆网,支持各种fpga 平台送仿真文件搞FPGA的兄弟应该都懂,直接拿现成IP核搭网络模块虽然省事,但总感觉少了点硬核操作的快乐。最近在Xilinx和Intel全家桶上折腾了一波纯Verilog实现的UDP/ARP/ICMP协议栈,支持千兆万兆切换,代码全开源还带仿真套餐,今天给大伙唠唠实现细节。

永磁同步电机MTPA最大转矩电流比 弱磁模型,主要包括公式法mtpa,查表法mtpa,牛顿法mtpa,变交轴弱磁,公式法弱磁,电压反馈弱磁,超前角弱磁等等。保证都能正常运行。有的方法有几套simulink模型,可以相互印证学习,同时配有文献文档,加深理解。最后赠送永磁同步电机MTPA,MTPV,弱磁表格自动生成脚本。matlab输入电机参数,自动生成mtpamtpv轨迹,非常实用。在永磁同步电机(

故障选相仿真1、工频突变量故障选相:首先计算故障电流和电压突变量,然后利用傅氏算法求解工频突变量,最后基于电压电流突变特征进行故障选相。提供数据模本,只需要将自己的数据放进去,相应的更改采样频率即可。2、行波选相:首先利用simulink模型的得到电压电流数据,然后提取行波,最后利用线模分量和零模分量的差异进行选相,可以准确的判断出具体某一相短路。以上模型均调试完毕,可直接使用,不是全提供,看需要

MATLAB电动助力转向系统模型simulink搭建整车二自由度模型、助力特性曲线模型、助力电机模型、齿条模型等。模型控制方法简单,具有参考和建模公式等。输入:前轮转角、方向盘力矩等输出:转向助力力矩等在汽车工程领域,电动助力转向系统(EPS)是一项关键技术,它不仅提升了驾驶的舒适性,还增强了车辆的安全性。今天咱们就来唠唠基于MATLAB的电动助力转向系统模型,带你领略这背后的技术魅力。

EPB电子驻车制动系统Simulink模型(参考VDA305_100标准进行模型搭建)版本:matlab2018a,可生成低版本模型包括:有刷直流电机+执行器模型,word说明文档,电机参数m文件,SSM模块,PBC模块,数据处理模块,与trucksim联合仿真进行过验证。模型可实现功能:常规夹紧与释放,溜车再夹与自动释放,动态减速。其他功能也可基于模型继续开发。最近捣鼓了个 EPB 电子驻车制动

开关磁阻电机MAXwell仿真模型,simlporer外电路模型,simulink控制模型,可联合仿真,附仿真资料在电机领域,开关磁阻电机凭借其结构简单、成本低、可靠性高等优点,越来越受到关注。为了深入研究和优化其性能,联合仿真成为一种强大的工具。今天就来聊聊开关磁阻电机的MAXwell仿真模型、Simplorer外电路模型以及Simulink控制模型,并且看看它们是如何实现联合仿真的,文末还会附

储能变流器是一个功能强大、灵活性极高的能源管理设备。它不仅支持双向功率流动,还可以根据需要切换并网和离网模式。无论是家庭储能、工业备用电源,还是偏远地区的独立供电,储能变流器都能轻松应对。更重要的是,它的模型可以根据实际需求进行调整和扩展,真正做到“随心所欲,任性展现”。储能变流器(双向)包含dcdc?dcac两部分功率双向流动可并网,也可改为离网状态下带三相负载模型很灵活,可拓展使用!如果你对储

常见的螺纹类型包括T型螺纹、圆弧螺纹、锯齿形螺纹等。总结一下,我通过编写多个函数,逐步实现不同螺纹类型的生成,并通过可视化工具帮助用户理解。通过运行代码,用户可以根据需要选择螺纹类型,并自定义参数,生成相应的三维模型。带编螺纹程序,T型螺纹 ,油槽,网文,圆弧螺纹,锯齿形螺纹,蜗杆,支持原地借刀,斜进斜出, Q值。带编螺纹程序,T型螺纹 ,油槽,网文,圆弧螺纹,锯齿形螺纹,蜗杆,支持原地借刀,斜进

仿真出现小数点后三位的波动?IEEE39节点标准系统,标准算例数据,离散模型phasor模型都有,稳态潮流数据与Matpower潮流计算得到的结果几乎一致,仿真有微小差距很正常。IEEE39节点标准系统,标准算例数据,离散模型phasor模型都有,稳态潮流数据与Matpower潮流计算得到的结果几乎一致,仿真有微小差距很正常。可以进行短路分析,自加风机光伏等,无功补偿,调频调压等等,下面各图展示了








