
简介
该用户还未填写简介
擅长的技术栈
可提供的服务
暂无可提供的服务
燃料电池电池超级电容复合能量管理策略simulink仿真模型燃料电池/电池/超级电容复合能量管理策略1、传统PI;2、等效燃油(氢)耗最低(ECMS);3、等效能耗最低(EEMS);4、分频解耦。适用于混合储能能量管理方向,城轨交通,电动汽车,微电网方向等在当今能源转型的浪潮下,混合储能系统在多个领域如城轨交通、电动汽车以及微电网等有着举足轻重的地位。而燃料电池/电池/超级电容复合能量管理策略更是

本次案例涵盖了fdtd模型、参数扫描脚本、共振Q值计算脚本、EIT共振时局域场增强的仿真结果、环境折射率传感模型,还贴心地配备了一份word教程。值得一提的是,EIT共振仿真、Q值计算和环境传感模型并非局限于近红外波段,具备可拓展性,能够应用于任意波段。这为后续更多相关研究和实际应用奠定了良好基础,无论是在光学通信还是生物传感领域,都可能发挥重要作用。希望这次复现的分享能给对超表面和EIT效应感兴

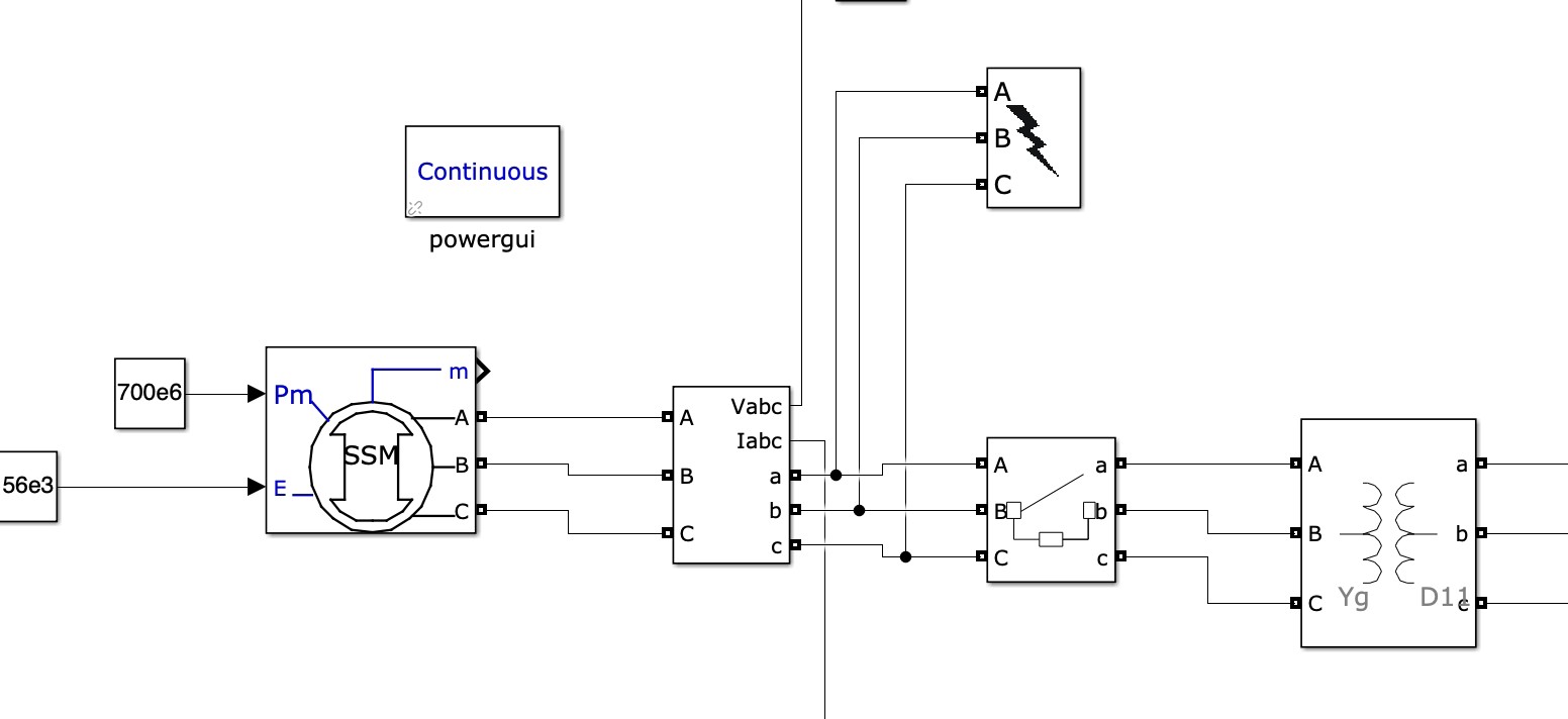
基于MATIAB的同步发电机突然短路的暂态过程的仿真 文档 模型 图 都有在电力系统的研究领域中,同步发电机突然短路暂态过程的分析至关重要。它对于理解电力系统故障时的动态行为、保障电力系统的安全稳定运行有着关键作用。而借助MATLAB强大的仿真能力,我们能够直观地观察和深入剖析这一复杂过程。

MATLAB代码:基于雨流计数法的源-荷-储双层协同优化配置关键词:双层规划 雨流计算法 储能优化配置参考文档:《储能系统容量优化配置及全寿命周期经济性评估方法研究》第三章仿真平台:MATLAB CPLEX主要内容:代码主要做的是一个源荷储优化配置的问题,采用双层优化,外层优化目标的求解依赖于内层优化的储能系统充放电曲线,基于储能系统充放电曲线,采用雨流计数法电池健康状态数学模型,对决策变量储能功

我模型里的电流环KP=3.2,KI=85,转速环KP=12,KI=0.6。今天拿一个亲测能跑的Simulink模型来唠唠,模型里连示波器模块都给焊好了,直接按F5就能看波形那种。模型里还埋了个彩蛋——双击示波器模块会弹出预设好的四个观测通道:转速、电流、转矩、触发角。内外环均采用PI调节器,本模型具体直流电机模块、三相电源、同步6脉冲触发器、双闭环、负载、示波器模块搭建。内外环均采用PI调节器,本

这里有个骚操作:在谐波检测模块后加了个反向模块,把提取的谐波电流反相注入系统,相当于给电网做了个"谐波镜像"。08) 仿真模型主要涉及三相交流电压模块、非线性负载、信号采集模块、示波器模块、LC滤波器模块、谐波检测模块、控制模块、通用桥模块、低通滤波器模块、坐标转换模块、锁相环模块等。08) 仿真模型主要涉及三相交流电压模块、非线性负载、信号采集模块、示波器模块、LC滤波器模块、谐波检测模块、控制








