
简介
该用户还未填写简介
擅长的技术栈
可提供的服务
暂无可提供的服务
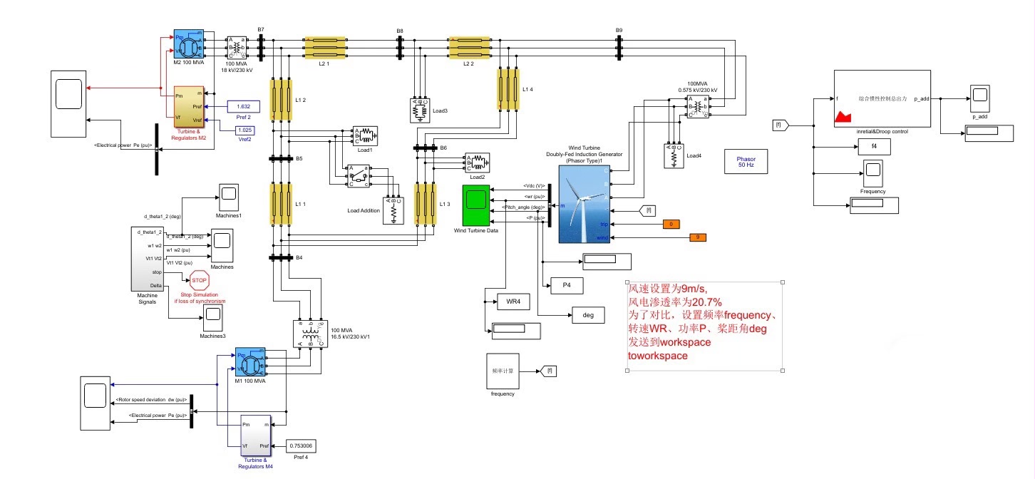
【三机九节点电力系统Simulink仿真模型】3机9节点Matlab/Simulink电力系统仿真模型1个风机 2个同步机风电渗透率20.7%最近在研究电力系统仿真,搭建了一个超有意思的三机九节点 Matlab/Simulink 电力系统仿真模型,来和大家分享一下。这个模型可不简单,它包含了 1 个风机和 2 个同步机,并且风电渗透率达到了 20.7%。风电渗透率这个概念很重要,它反映了风电在整个

分类模型数据+pdf文件+代码基于深度shenjing网络(RNN+LSTM)分类模型在数据处理和分析的世界里,分类模型一直是非常重要的工具。今天咱们就来聊聊基于深度神经网络(RNN + LSTM)的分类模型,并且结合数据、PDF 文件和代码,来实际感受一下它的魅力。

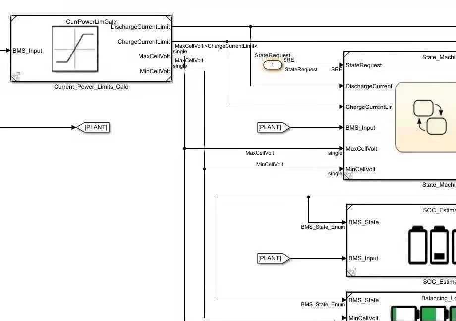
bms动力电池管理系统仿真 Battery Simulink电池平衡控制策略模型动力电池管理系统仿真 BMS + Battery Simulink 控制策略模型, 动力电池物理模型,需求说明文档。BMS算法模型包含状态切换模型、SOC估计模型(提供算法说明文档)、电池平衡模型、功率限制模型等,动力电池物理模型包含两种结构的电池模型。通过上述模型可以实现动力电池系统的闭环仿真测试,亦可根据自身需求进

这个示例为我们展示了一个基于SimPowerSystems(SPS)的模型,它借助基于模块化多电平变换器(MMC)技术的电压源换流器(VSC),实现了高压直流(HVDC)的互连。并且,通过使用聚合MMC模型,对SPS模拟进行了优化。HVDC-MMC互连(1000MW,±320KV)使用聚合MMC模型进行优化的SPS模拟作者:Pierre Giroux、Gilbert Sybille、Patrice

参考文献:《基于动态交通信息的电动汽车充电负荷时空分布预测》《基于动态交通信息的电动汽车充电需求预测 模型及其对配网的影响分析》《考虑多源信息实时交互和用户后悔心理的 电动汽车充电负荷预测》《基于出行概率矩阵的电动汽车充电站规划》参考文献:《基于动态交通信息的电动汽车充电负荷时空分布预测》《基于动态交通信息的电动汽车充电需求预测 模型及其对配网的影响分析》《考虑多源信息实时交互和用户后悔心理的 电

这次分享的案例堪称PLC界的满汉全席——从ST编程到机器人联机,从双屏配方向到EPLAN图纸,完整展示了一套高端设备的控制逻辑。三菱R系列ST、RD77MS定位以及三菱触摸屏配方功能,此案例还提供两个触摸屏实现异地操作,使操作更加方便快捷。此案例还通过CClink远程连接远程IO站以及机器人,将机器人作为远程设备站,实现跟机器人的快速通信。此案例还通过CClink远程连接远程IO站以及机器人,将机








