
简介
该用户还未填写简介
擅长的技术栈
可提供的服务
暂无可提供的服务
【工具箱】嵌入式系统存储芯片——CS创世 SD NAND

本人在研发项目中使用嵌入式处理器时,解锁了三种异步任务调度的新技能。用一篇文章把它总结分享出来。首先介绍了这几种嵌入式处理器方式的工作原理,展示了具体的使用方法,最后分析了这些不同方式的特点差异和各自的适用场景。

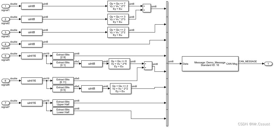
本文是几种不同的Simulink收发和处理CAN消息方式对比分析和总结专题的第三篇,主要讲解了码原始数据议处理CAN消息发送和接收的具体方法,展示了实现该方式的详细代码和实际运行效果,最后分析了这种处理方式的特点以及适用场景,分享出来希望对相关领域的网友有所帮助。

由于汽车工业的复杂度,相关的产品标准层出不穷,有ISO/IEC的国际标准、有GB/T的国家强制标准或推荐标准、有SAE/QC的行业标准、有VW/GMW的企业标准等等,每个标准文件又都有不同年份的版本。各种各样的标准不免会让人眼花缭乱,本文从笔者所从事的汽车电子产品角度,在大框架上梳理一下这个标准体系,有助于对汽车电子产品建立起结构化思维,可以在实际的项目开发中对产品各个方面的要求有一个清晰的思路。

由于汽车工业的复杂度,相关的产品标准层出不穷,有ISO/IEC的国际标准、有GB/T的国家强制标准或推荐标准、有SAE/QC的行业标准、有VW/GMW的企业标准等等,每个标准文件又都有不同年份的版本。各种各样的标准不免会让人眼花缭乱,本文从笔者所从事的汽车电子产品角度,在大框架上梳理一下这个标准体系,有助于对汽车电子产品建立起结构化思维,可以在实际的项目开发中对产品各个方面的要求有一个清晰的思路。

本文是笔者在学习自动驾驶时,对所学课程的一些梳理和总结。欢迎和我一同抱团学习,交流技术。

由于汽车工业的复杂度,相关的产品标准层出不穷,有ISO/IEC的国际标准、有GB/T的国家强制标准或推荐标准、有SAE/QC的行业标准、有VW/GMW的企业标准等等,每个标准文件又都有不同年份的版本。各种各样的标准不免会让人眼花缭乱,本文从笔者所从事的汽车电子产品角度,在大框架上梳理一下这个标准体系,有助于对汽车电子产品建立起结构化思维,可以在实际的项目开发中对产品各个方面的要求有一个清晰的思路。

本文是笔者在学习自动驾驶时,对所学课程的一些梳理和总结。欢迎和我一同抱团学习,交流技术。

本文是笔者在学习自动驾驶时,对所学课程的一些梳理和总结。欢迎和我一同抱团学习,交流技术。








