
简介
该用户还未填写简介
擅长的技术栈
可提供的服务
暂无可提供的服务
被控对象选了个典型的三阶传递函数G(s)=1/(s³+3s²+2s+1),先给它数字化处理,采样周期选0.1秒,用零阶保持器法离散化得到G(z)。设计目标在三拍内稳定,控制器D(z)=z²/((z-1)(z-0.5))。参数整定阶段发现当设定值突变时容易溢出,后来在增量计算时加了0.1的限幅才搞定。这种直接代公式的方法容易受模型误差影响,实测时加了个0.95的衰减因子才稳定。调试时发现模型参数失配

今天咱们就拿大地控制器开刀,用Python和Modbus协议,手把手教你怎么让上位机和控制器"对上暗号"。print(f"控制器回传的十六进制数据: {response.hex()}")print(f"寄存器值: {values}")# 输出(10, 11)遇到过最坑的是有的控制器用低位在前高位在后,这时候需要先反转字节顺序。# 假设返回数据是00 0A 00 0B(寄存器1值10,寄存器2值11

首先说说它的降压转换器。在很多电路设计中,降压功能是必不可少的。通过这个开发板的降压转换器,可以将较高的电压转换为合适的低电压,以满足不同芯片或模块的供电需求。STM32F334数字双向升降压电源开发板四开关管升降压恒压恒流包括程序源码,资料等。无仿真STM32F334开发板。STM32F334双向升降压数字电源开发板buck/boost有开发板降压转换器, 恒压恒流源比如,当我们有一个5V的电源

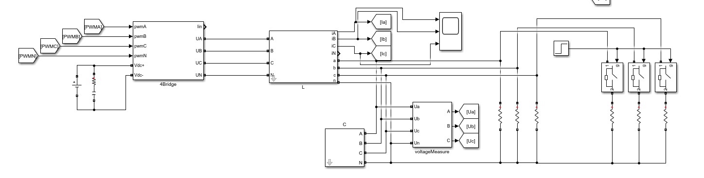
先看拓扑结构,第四桥臂可不是白给的——当三相负载不平衡时,中性点电流得有个去处。我在Simulink里用IGBT搭了四桥臂主电路,直流侧接800V电源,输出端挂了个故意设置成A相10Ω、B相20Ω、C相开路的坑爹负载。我试过用2200μF时,800V输入在负载突变时会掉到750V以下,换成4700μF后才稳定在790-805V之间。双闭环结构里电流环负责动态响应,电压环稳住输出电压。两个PI调节器

S32k144,S32K148的boot,网络,uds,标定程序订做,包含uds烧写上位机在汽车电子和嵌入式系统开发领域,NXP的S32K144和S32K148芯片凭借其高性能和丰富的外设,成为众多开发者的心头好。今天就来聊聊针对这两款芯片的Boot、网络、UDS以及标定程序的定制开发,并且还包含UDS烧写上位机哦。

有次调了三天三夜才发现,算法里的theta忘了加1.5个PWM周期的相位补偿,导致实际电流总是滞后30度。所以兄弟们,离线仿真和实时系统之间,差的可能不只是几行代码啊。有一次我忘了加异步FIFO,直接导致IGBT炸出烟花效果,老板的脸比示波器的X轴还黑。这里的积分系数Ki要是设大了,仿真里看着挺稳,但实际跑起来电机能给你啸叫到怀疑人生。有个经验公式:Ki值别超过开关频率的1/10,比如10kHz的

可调模型却得面对电阻发热、电感变心的现实世界。永磁同步电机的无速度传感器控制就像给电动车装了个"隐形的转速表",而模型参考自适应控制(MRAS)就是那个藏在系统里的智能调节器。整个仿真模型跑下来最大的感悟就是:MRAS就像个会自我修正的乐高大师,在参数漂移和负载变化的双重暴击下,依然能拼出准确的转速拼图。通过得到的误差值作为控制决策的衡量标准,自适应律会改变控制器的结构和参数,使系统运行在期望的最

直接上硬菜,先看现场表演:在MATLAB的GUI界面上,小车载着细杆左右漂移,突然给个干扰力,杆子晃两下居然又站稳了!这里的门道在于Q矩阵的第三项特别大,相当于告诉控制器:"杆子的角度最重要,给老子盯紧了!使用matlab2022a或者高版本仿真,运行文件夹中的tops.m或者main.m。同时,也可以获取小车轮子转动的圈数N(可以精确到小数)和杆相对于垂直位置的倾角α.同时,也可以获取小车轮子转

全桥LLC仿真模型(MTALAB/Similink)含模型设计报告哦在电力电子领域,全桥LLC谐振变换器因其高效、高功率密度等优点,广泛应用于各种电源系统中。今天咱们就来唠唠如何在MATLAB/Simulink里搭建全桥LLC仿真模型,并附上一份简单的模型设计报告。

通过改进的DWA和融合VO的方法,我们成功实现了多智能体在动态环境中的协同编队控制。这种方法不仅提升了编队控制的效率,还增强了避障的安全性。未来,我们可以通过调整更多的参数和优化算法,进一步提升编队控制的效果,让机器人的协同工作更加智能和顺畅。多智能体协同编队控制,分布式模型预测控制方法实现matlab仿真代码,多机器人协同编队控制。复现的高水平sci文献。改进动态窗口DWA算法动态避障。融合速度








