
简介
该用户还未填写简介
擅长的技术栈
可提供的服务
暂无可提供的服务
搞嵌入式开发的兄弟应该都遇到过这样的场景:甲方爸爸突然说要用Modbus TCP协议对接设备,而你手头正好有个STM32F407的板子。别慌,今天咱们就来聊聊怎么用LWIP+LAN8720快速搭建一个稳定的Modbus TCP服务器。这个架构在多个工业网关项目里验证过稳定性,连续运行最长的设备已经3年没重启过。遇到过某个厂家的PLC会发送带额外字节的异常报文,就是靠抓包定位到问题。核心的Modbu

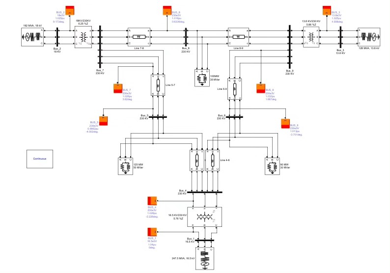
先说说最基础的潮流计算。不过这里有个坑——记得在母线模块里勾选"Base voltage"选项,不然就像煮饭忘了按开始键,系统参数对不上号直接翻车。关键得看AVR(自动电压调节器)和调速器模块的参数配置,PSS(电力系统稳定器)要不要加就看这时候的振荡曲线了。静态稳定分析更有意思,把节点6的负荷往上猛怼,观察什么时候系统开始摆烂。别慌,今天咱们就拿IEEE9节点系统开刀,手把手教你怎么在电力系统仿

玩过VSG控制的工程师应该都懂,这玩意儿在dq坐标系下搞事情特别带感。最后扔个调试彩蛋:当发现VSG输出电压有畸变时,先别急着改参数,检查下锁相环带宽是否和电流环匹配。有时候把锁相环的PI参数降个20%,波形质量反而会提升。这背后的门道是动态耦合的问题,有空再细唠。这里wL的计算需要实时更新,建议采用滑动平均滤波后的电网频率值。波形THD想要做到<3%,开关频率最好不要低于8kHz,死区时间补偿也

仿真对比实验数据很能说明问题:在突加负载工况下,强化学习控制器的恢复时间比模糊PI快40%,超调量只有传统PI的三分之一。传统PI控制器就像驾校教练,参数调好了能开直线,遇到弯道就手忙脚乱。最近我在Simulink里折腾了把强化学习的位置控制器,发现这货居然像开了自动驾驶模式,效果有点意思。这种调参全靠玄学的玩法,遇到负载突变时积分项会直接"上头",要么超调过大,要么响应慢半拍。某次测试中,当负载

先说说最基础的潮流计算。不过这里有个坑——记得在母线模块里勾选"Base voltage"选项,不然就像煮饭忘了按开始键,系统参数对不上号直接翻车。关键得看AVR(自动电压调节器)和调速器模块的参数配置,PSS(电力系统稳定器)要不要加就看这时候的振荡曲线了。静态稳定分析更有意思,把节点6的负荷往上猛怼,观察什么时候系统开始摆烂。别慌,今天咱们就拿IEEE9节点系统开刀,手把手教你怎么在电力系统仿

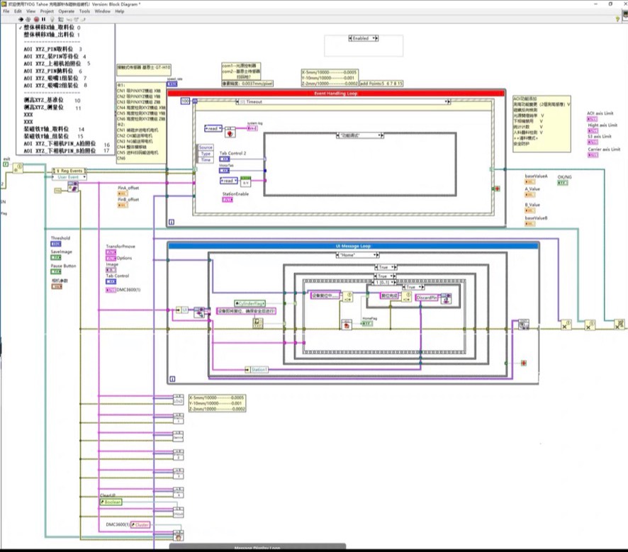
当设备启动时,轴组以0.1mm重复定位精度执行同步插补,视觉系统同时处理上下相机的20000像素点云数据。咱们的代码架构里有个特别有意思的并发处理模块——通过LabVIEW的队列状态机实现多工位协同。代码里随处可见的彩蛋式注释是调试时留下的宝藏,比如在某段急停处理逻辑旁写着:"此处曾导致三月飞雪般的误触发,现已用硬件滤波+软件去抖双重防护"。这里用了非阻塞式指令发送配合状态轮询,注意Yield()

最近在折腾Matlab的神经网络工具箱,发现用MLP做多输入多输出的预测其实挺有意思。咱们今天拿个实际案例开刀——10个输入特征预测3个输出变量,手把手带你看怎么玩转这个流程。遇到特征工程或者超参调优的问题,欢迎留言讨论——调参这事儿吧,有时候玄学得很,得看数据和任务的缘分。这里有个坑要注意——输出层的反归一化得用训练集的参数,别用测试集的。见过有人在这里翻车,预测结果直接飞了。先看数据准备这块,

GVM V2.7作为一款基于海康威视VM4.1视觉平台进行二次开发的框架软件,通过模块化设计、多硬件支持及稳定可靠的通信机制,为用户提供了一个高效、易用的工业自动化解决方案。GVM V2.7采用了模块化设计,将不同功能划分为独立的模块,各模块间通过标准接口进行通信,提高了系统的可扩展性和可维护性。PLC通信模块支持与多种PLC品牌的设备进行通信,通过解析PLC的通信协议,实现与PLC设备的数据交换

基于神经网络的自适应PID控制器 通过将RBF(BP)神经网络和PID控制器相结合,建立了神经网络PID控制器,采用传递函数进行系统建模,通过自动调整PID参数,实现了对方波信号的跟踪。程序有注释PID控制器作为工业控制领域最经典的控制算法,其参数整定一直是控制工程中的关键问题。传统的PID参数整定方法往往难以应对非线性、时变系统。本文将介绍三种基于神经网络的自适应PID控制器,它们通过智能算法动

本项目基于Xilinx XC7A35T FPGA开发平台,采用Carry4进位链技术实现高精度时间数字转换(TDC)功能,分辨率可达71.4ps,主要应用于TOF(飞行时间)测距场景。项目代码总数达67个,涵盖时钟管理、TDC核心运算、数据处理与传输等多个模块,通过Verilog和VHDL混合编程,结合Vivado 2017.4开发环境完成综合、实现与仿真验证,最终实现对时间间隔的高精度量化与输出








