
简介
该用户还未填写简介
擅长的技术栈
可提供的服务
暂无可提供的服务
通过上述步骤,我们成功实现了YOLOv8每层网络特征的热力图可视化。这不仅能帮助我们更深入地理解模型的工作机制,还能为进一步优化模型提供有价值的线索。希望大家在自己的项目中也能灵活运用这种方法,挖掘出更多关于模型的“秘密”。快去试试吧!这样,我们就完成了YOLOv8热力图可视化每层网络特征的探索,是不是感觉对模型的了解又更上一层楼了呢?如果在实践过程中有任何问题,欢迎一起交流讨论!

在仓库的测试案例中,经过训练的智能体能在包含移动障碍物的场景里走出s型路线。有意思的是当遭遇突发障碍时,策略网络会突然增大动作熵值,表现出类似人类驾驶员的"犹豫"特性,这种动态不确定性调节正是SAC系列算法的精髓所在。支持算法在不同设备间转移,包括CPU和CUDA(GPU),以及存储和加载训练过程,便于算法的部署和迁移。提供了自定义Buffer的示例,包括存储、采样和状态转换的实现,为用户提供了灵

最近在折腾一个跨平台的模板匹配工具,核心用了OpenCV的C++接口和Qt框架做界面。这个项目主打灰度NCC模板匹配算法,实测在i5-12400上能做到单次匹配1毫秒出结果,顺手把Windows和Ubuntu双平台跑通了。先看效果:左边是640x480的源图,右边80x80的模板图,匹配过程直接甩到GPU跑完只要0.8ms(没错,连1ms都不到)。实测数据说话:在1080p图片中匹配100x100

新手建议先用sin函数生成假数据练手,等摸清门道再上真实数据。mapminmax函数是救星,不归一化数据的话神经网络训练速度堪比树懒。突然想到个冷知识——归一化后的数据其实可以反向还原,后面预测完记得用mapminmax('reverse')这个隐藏功能。改天咱们可以聊聊怎么用LSTM替代BP网络,不过对于刚入门的朋友,这个BP版本足够应付大多数预测场景了。记住,神经网络预测不是水晶球,关键还得看

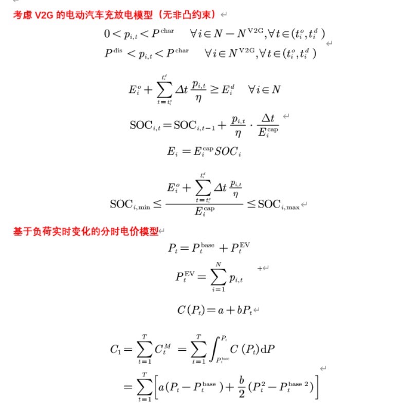
主要内容:代码主要实现了考虑电动汽车参与削峰填谷的场景下,电动汽车充放电策略的优化,是一个多目标优化,目标函数一方面考虑了电动汽车综合负荷以及电池退化损耗成本,一方面考虑了削峰填谷的峰谷差和负荷波动最低,所以为三目标约束,最后通过赋权值以及化简将三目标问题化简为单目标问题进行求解。深夜三点,小区地下车库的充电桩集体启动,电网负荷突然飙升——这种场景正在成为城市电网的隐形杀手。某次仿真中,为降低10

西门子plc博图与优傲UR机器人进行Profinet通讯,s7-1200/1500与UR机器人通讯,实际应用案例使用中,可提供GSD配置文件,设置说明书,和博图plc程序,目前版本为v15或以上,程序只提供配置好的内容配置在自动化控制领域,西门子PLC与优傲UR机器人的协同工作越来越常见,通过Profinet通讯实现二者高效协作能大大提升生产效率。今天就来聊聊S7 - 1200/1500与UR机器

特别是那个ASILC_Fault函数,内部其实嵌套了三重校验——不仅要检测当前压力值是否超出物理传感器量程,还会比对相邻两个AD采样通道的差值。最后说个真实的坑:AUTOSAR的RTE层配置里,某个CAN信号的长度被误设为8字节(实际应该是4字节),直接导致量产车在零下20度时燃料电池频繁进入跛行模式。量产项目里经常遇到同一控制策略要适配多个硬件版本,直接在代码里标注需求编号能省掉后期追溯时80%
最近在折腾一个跨平台的模板匹配工具,核心用了OpenCV的C++接口和Qt框架做界面。这个项目主打灰度NCC模板匹配算法,实测在i5-12400上能做到单次匹配1毫秒出结果,顺手把Windows和Ubuntu双平台跑通了。先看效果:左边是640x480的源图,右边80x80的模板图,匹配过程直接甩到GPU跑完只要0.8ms(没错,连1ms都不到)。实测数据说话:在1080p图片中匹配100x100

先剧透下,最后那个CPFIBA算法在复杂地形里表现贼溜,不信你看文末的对比图。说句实在的,这几种算法没有绝对优劣。测试时发现,原本BA需要200代收敛的问题,DEBA大概120代就能搞定,不过计算时间增加了约15%——这波不亏。实测在3D山地场景中,CPFIBA规划的路径长度比DEBA缩短了12.7%,关键还没触碰到任何障碍物。基于matlab的无人机路径规划,包括2D路径和3D路径,三种优化算法

先说说这个三维模型的骨架——整个程序的核心就是个双层嵌套的微分方程求解。上边跑着31个自由度的车辆模型(车体+转向架+轮对),下边铺着连续弹性支撑的轨道结构。代码包里其实还藏着不少小机关:轮轨接触的Kalker简化理论实现、考虑道砟颗粒特性的非线性阻尼、甚至还有弓网耦合的扩展接口。注意ifft前的相位随机化处理,保证每次生成的激励都不重复。当车速超过某个临界值时,会突然出现明显的振动聚集现象——这








